Устройство и принцип работы мегаомметра | Полезные статьи
Понравилось видео? Подписывайтесь на наш канал! Для измерения сопротивления различных диэлектриков, таких как изоляция кабелей, электрических разъемов и т.д. используют специальный прибор – мегаомметр. Сегодня в нашей статье мы представим описание мегаомметра и принцип его работы.Устройство мегаомметра
Рассмотрим конструкцию на примере элементарного индукторного аналогового мегаомметра, который состоит из следующих частей:
• корпус мегаомметра, выполненный из пластика;
• ручка для вращения генератора;
• контактные зажимы, которые могут иметь обозначение «МΩ» (МегаОм) или «Л» (линия), « — » (минус) или («земля»), а также «kΩ» (килоОм). К ним подключаются соединительные провода с зажимами..jpg.86fde93e4e704efc9416fa5bcdade1f6.jpg)
• табло со шкалой измерения, имеющей градацию в мега- и килоОмах.
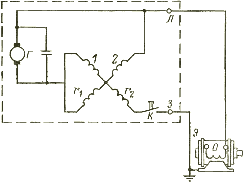
• генератор (индуктор) переменного тока с поворотной рукоятью, состоящий из:
— статора, выполненного в виде цилиндрической катушки со множеством витков, которая помещена в магнитопровод с полюсами в виде пластин, загнутыми внутрь отверстия катушки;
— ротора, представляющего собой постоянный магнит с 8 полюсами, который приводится в движение ручным приводом через зубчатую передачу;
— пружины для расцепления при обратном ходе;
— центробежного регулятора, который обеспечивает стабильность выдаваемого напряжения при увеличении скорости вращения ротора генератора выше номинальной (номинальная скорость вращения ручки — 120 об/мин).
• умножитель напряжения (несимметричная мостовая схема), состоящий из двух диодов и двух конденсаторов. Данный модуль обеспечивает преобразование низкого переменного (пульсирующего) напряжения, вырабатываемого генератором, в выпрямленное высоковольтное;
• добавочные резисторы измерительной (рабочей) и противодействующей рамок логометра.
• логометр магнитоэлектрической системы, состоящий из стрелки, рабочей и противодействующей рамок. Обе рамки и укрепленная с ними на одной оси стрелка образуют подвижную систему, которая поворачивается внутри магнитного поля постоянного магнита. Вращающиеся моменты рамок направлены противоположно друг другу, причем у противодействующей рамки направление — по часовой стрелке.
Принцип работы мегаомметра
Принцип действия мегаомметра заключается в создании искусственным путем тока утечки и его последующем измерении, значение которого зависит от подключаемого к прибору сопротивления.
Рассмотрим принцип работы.
В качестве измеряемого сопротивления будем использовать резистор на 5,6 МОм, который подключаем к зажимам «МΩ» и «-».
Далее начинаем крутить рукоять мегаомметра со скоростью около 120 об/мин. Генератор начнет вырабатывать переменное напряжение, которое, проходя через несимметричный мост, выполненный на диодах VD1…2 и конденсаторах С1…2, будет увеличиваться и выпрямляться. После преобразования напряжение подается на измерительное устройство логометрического типа с рабочей R01 и противодействующей R02 рамками. Обе рамки и закрепленная с ними на одной оси стрелка образуют подвижную систему, которая поворачивается внутри магнитного поля постоянного магнита.
Ветвь с добавочными резисторами R2 и R1 предназначена для создания противодействующего момента в логометре. В ней возникает ток I2, а ветвь c резистором R3 и током I1 служит для создания вращающего момента.
В зависимости от величины измеряемого сопротивления, протекающий в цепи рабочей рамки ток I1 будет изменяться на угол, соответствующий измеряемому сопротивлению, что приведет к отклонению подвижной части.
При этом через противодействующую рамку логометра протекает постоянный ток I2, создающий противодействующий момент.
Таким образом, нами рассмотрена схема мегаомметра и принцип его работы. Также вы можете посмотреть наше видео, в котором показано, как работает мегаомметр и какие элементы он в себя включает.
Измерение сопротивления изоляции мегаомметром: пошаговая методика измерения
Несмотря на то, что мегаомметр считается профессиональным измерительным прибором, в некоторых случаях он может быть востребован и в быту. Например, когда необходимо проверить состояние электрической проводки. Использование мультиметра для этой цели не позволит получить необходимые данные, максимум, он способен — зафиксировать проблему, но не определить ее масштаб. Именно поэтому измерение сопротивления изоляции мегаомметром остается наиболее эффективным способ испытаний, подробно об этом рассказано в нашей статье.
Устройство и принцип работы мегаомметра
Старение изоляции электропроводки, как и любой электрической цепи, невозможно определить мультиметром.
Собственно, даже при номинальном напряжении 0,4 кВ на силовом кабеле, ток утечки через микротрещины в изоляционном слое будет не настолько большой, чтобы его можно было зафиксировать штатными средствами. Не говоря уже про измерения сопротивления неповрежденной изоляции жил кабеля.
В таких случаях применяют специальные приборы – мегаомметры, измеряющие сопротивления изоляции между обмотками двигателя, жилами кабеля, и т.д. Принцип работы заключается в том, что на объект подается определенный уровень напряжения и измеряется номинальный ток. На основании этих двух величин производится расчет сопротивления согласно закону Ома для участка цепи ( I = U/R и R=U/I ).
Характерно, что в мегаомметрах для тестирования используется постоянный ток. Это связано с емкостным сопротивлением измеряемых объектов, которое будет пропускать переменный ток и тем самым вносить неточности в измерения.
Конструктивно модели мегаомметров принято разделять на два вида:
- Аналоговые (электромеханические) — мегаомметры старого образца.
Аналоговый мегаомметр - Цифровые (электронные) – современные измерительные устройства. Электронный мегаомметр
Рассмотрим их особенности.
Электромеханический мегаомметр
Обозначения:
- Ручной генератор постоянного тока, в качестве такового используется динамо-машина. Как правило, для получения заданного напряжения скорость вращения рукояти ручного генератора должна бить около двух оборотов в течение секунды.
- Аналоговый амперметр.
- Шкала амперметра, отградуированная под показания сопротивления, измеряемого в килоомах (кОм) и мегаомах (МОм). В основу калибровки положен закон Ома.
- Сопротивления.
- Переключатель измерений кОм/Мом.
- Зажимы (выходные клеммы) для подключения измерительных проводов. Где «З» – земля, «Л» – линия, «Э» – экран. Последний используется, когда необходимо проверить сопротивление относительно экрана кабеля.

Основное преимущество такой конструкции заключается в его автономности, благодаря использованию динамо-машины прибор не нуждается во внутреннем или внешнем источнике питания. К сожалению, у такого конструктивного исполнения имеется много слабых мест, а именно:
- Чтобы отобразить точные данные для аналоговых приборов важно минимизировать фактор механического воздействия, то есть мегаомметр должен оставаться неподвижным. А этого трудно добиться, вращая ручку генератора.
- На отображаемые данные влияет равномерность вращения динамо-машины.
- Часто в процессе измерения приходится задействовать усилия двух человек. Причем один из них выполняет сугубо физическую работу, — вращает ручку генератора.
- Основной недостаток аналоговой шкалы – ее нелинейность, что также негативно отражается на погрешности измерений.
Заметим, что в более поздних аналоговых мегаомметрах производители отказались от использования динамо-машины, заменив ее возможностью работы от встроенного или внешнего источника питания.
Что касается принципа работы, то он в аналоговых моделях остался неизменным и заключается в особой градации шкалы.
Электронный мегаомметр
Основное отличие цифровых мегаомметров заключается в применении современной микропроцессорной базы, что позволяет существенно расширить функциональность приборов. Для получения измерений достаточно задать исходные параметры, после чего выбрать режим диагностики. Результат будет выведен на информационное табло. Поскольку микропроцессор производит расчеты исходя из оперативных данных, то класс точности таких устройств существенно выше, чем у аналоговых мегаомметрах.
Отдельно следует упомянуть о компактности цифровых мегомметров и их многофункциональности, например, проверка устройств защитного отключения, замеры сопротивления заземления, петель фаза/ноль и т.
Как правильно пользоваться мегаомметром?
Для проведения испытаний важно правильно выставить диапазоны измерений и уровень тестового напряжения. Проще всего это сделать, воспользовавшись специальными таблицами, где указываются параметры для различных тестируемых объектов. Пример такой таблицы приведен ниже.
Таблица 1. Соответствие уровня напряжения допустимому значению сопротивления изоляции.
| Испытуемый объект | Уровень напряжения (В) | Минимальное сопротивление изоляции (МОм) |
| Проверка электропроводки | 1000,0 | 0,5> |
| Бытовая электроплита | 1000,0 | 1,0> |
| РУ, Электрические щиты, линии электропередач | 1000,0-2500,0 | 1,0> |
| Электрооборудование с питанием до 50,0 вольт | 100,0 | 0,5 или более в зависимости от параметров, указанных техническом паспорте |
| Электрооборудование с номинальным напряжением до 100,0 вольт | 250,0 | 0,5 или более в зависимости от параметров, указанных техническом паспорте |
| Электрооборудование с питанием до 380,0 вольт | 500,0-1000,0 | 0,5 или более в зависимости от параметров, указанных техническом паспорте |
| Оборудование до 1000,0 В | 2500,0 | 0,5 или более в зависимости от параметров, указанных техническом паспорте |
Перейдем к методике измерений.
Пошаговая инструкция измерения сопротивления изоляции мегаомметром
Несмотря на то, что пользоваться мегаомметром несложно, при испытаниях электроустановок необходимо придерживаться правил и определенного алгоритма действий. Для поиска дефектов изоляции генерируется высокий уровень напряжения, которое может представлять опасность для жизни человека. Требования ТБ при проведении испытаний будут рассмотрены отдельно, а пока речь пойдет о подготовительном этапе.
Подготовка к испытаниям
Перед началом тестирования электрической цепи, необходимо обесточить ее и снять подключенную нагрузку. Например, при проверке изоляции домашней проводки в квартирном щитке необходимо отключить все АВ, УЗО и диффавтоматы. Штепсельные соединения следует разомкнуть, то есть отключить электроприборы от розеток. Если проводится испытания линий освещения, то из всех осветительных приборов следует удалить источники света (лампы).
Следующее действие подготовительного этапа – установка переносного заземления.
С его помощью убираются остаточные заряды в тестируемой цепи. Организовать переносное заземление несложно, для этого нам понадобиться многожильный проводник (обязательно медный), сечение которого не менее 2,0 мм2. Оба конца провода освобождаются от изоляции, потом один из них подключают на шину заземления электрощитка, а второй крепится к изоляционной штанге, за неимением последней можно использовать сухую деревянную палку.
Медный провод должен быть прикреплен к палке таким образом, что бы им можно было прикоснуться к токоведущим линиям измеряемой цепи.
Подключение прибора к испытуемой линии
Аналоговые и цифровые мегаомметры комплектуются 3-мя щупами, два обычные, подключаемые к гнездам «З» и «Л», и один с двумя наконечниками, для контакта «Э». Он применяется при испытании экранированных кабельных линий, которые в быту, практически, не используются.
Для тестирования однофазной бытовой проводки производим подключение одинарных щупов к соответствующим гнездам («земля» и «линия»).
В зависимости от режима испытания зажимы-крокодилы присоединяем к тестируемым проводам:
- Каждый провод в кабеле тестируется относительно остальных жил, которые соединены вместе. Тестируемый провод подключается к гнезду «Л», остальные, соединенные вместе жилы к гнезду «З». Подобная схема подключения приведена на рисунке. Подключение мегаомметра
Если показатели отвечают норме, то на этом можно закончить испытания, в противном случае тестирование продолжается.
- Каждый из проводов проверяется относительно земли.
- Осуществляется проверка каждого провода относительно других жил.
Алгоритм испытаний
Рассмотрев все основные этапы можно перейти, непосредственно, к порядку действий:
- Подготовительный этап (полностью описан выше).
- Установка переносного заземления для снятия электрического заряда.
- На мегаомметре задается уровень напряжения, для бытовой проводки – 1000,0 вольт.
- В зависимости от ожидаемого результата выбирается диапазон измерения сопротивления.

- Проверка обесточенности тестируемого объекта, сделать это можно при помощи индикатора напряжения или мультиметра.
- Производится подключение специальных щупов-крокодилов измерительных проводов к линии.
- Отключение переносного заземления с тестируемого объекта.
- Осуществляется подача высокого напряжения. В электронных мегаомметрах для этого достаточно нажать кнопку «Тест», если используется аналоговый прибор, следует вращать ручку динамо-машинки с заданной скоростью.
- Считываем показания прибора. При необходимости данные заносятся в протокол измерений.
- Снимаем остаточное напряжение при помощи переносного заземления.
- Производим отключение измерительных щупов.
Чтобы измерить состояние других токоведущих проводников, описанная выше процедура повторяется, пока не будут проверены все элементы объекта, то есть речь идет об окончании замеров при испытании электрооборудования.
По итогам испытаний принимается решение о возможности эксплуатации электроустановки.
Правила безопасности при работе с мегаомметром
При испытаниях электрооборудования к работе с мегаомметром должен допускаться электротехнический персонал, у которого группа электробезопасности не ниже третьей. Даже если измерения производятся в быту, тем, кто намерен использовать мегаомметр следует ознакомиться с основными требованиями ТБ:
- При тестировании следует использовать диэлектрические перчатки, к сожалению, данное требование часто игнорируется, что приводит к частым травмам.
- Перед проведением испытаний, необходимо убрать посторонних лиц с тестируемого объекта, а также вывесить соответствующие предупреждающие плакаты.
- При подключении щупов необходимо касаться их изолированных участков (рукоятей).
- После каждого из измерений, следует не забывать подключать переносное заземление, прежде чем отключать контрольные кабели.
- Измерения должны проводиться только при сухой изоляции, если ее влажность превышает допустимые пределы, испытания переносятся.

Подборка видео по теме
Учебный фильм.» src=»about:blank» frameborder=»0″ allow=»accelerometer; autoplay; encrypted-media; gyroscope; picture-in-picture» allowfullscreen=»» data-rocket-lazyload=»fitvidscompatible» data-lazy-src=»https://www.youtube.com/embed/iajwk07qIY0?feature=oembed»/>
Рекомендации по работе с мегаомметром ЭС0210
- Главная
- Измерительные приборы
Этот прибор компактный, запитывается от сети.
Данный мегаомметр может использоваться для следующих целей:
- Измерение сопротивления изоляции
- Определение величины напряжения
Определение величины напряжения присутствует для того, чтобы убедиться в отсутствии напряжения на испытуемом объекте.
Измерение Rx данным прибором производится только на обесточенном оборудовании.
Как замерить сопротивление изоляции мегаомметром ЭСО
Первым делом необходимо правильно подключить измерительные провода к самому устройству. На данном этапе могут возникнуть вопросы. Это происходит из за того, что на панели подключения есть четыре отверстия (хотя встречается и три). Рассмотрим их подробнее слева-направо:
- «Минус» — сюда одинарный конец измерительного провода
- «Rx» — сюда второй конец двойного провода
- Данное отверстие в описываемой модели мной не опознано. Однако в ЭС0210/2 сюда перебрасывается провод с Rx при измерениях на пределе 0-5 МОм (отверстие подписано 0,1Rx).

- «Э» — экран; сюда вставляется штырь двойного провода. А нужен он для устранения влияния тока утечки на измерения. Используется при измерении между фазами.
Подача напряжения осуществляется при нажатии кнопки «сеть». Провод питания подключается в нижней части прибора. Напряжение питания составляет 220В. Берем от розетки или, если она далеко, от удлинителя. Порой кроме компактного мегаомметра надо брать с собой на объект и удлинитель. Хотя, можно и одолжить у местных.
Перед началом измерений надо проверить исправность измерительных проводов, необходимо проверить их целостность. Для этого надо подключить провода и далее:
- При соединенных проводах сопротивление изоляции должно быть равно нулю
- При разведенных проводах значение Rx должно быть максимально возможным (говорим, бесконечность — сопротивление воздуха бесконечно, проводимость равна нулю)
- Если бесконечность при замкнутых, значит провод обломан и надо его заменить
- Если ноль при разведенных, значит либо они касаются, либо внутри прибора пробой или другая неисправность (не встречал такую ситуацию)
Лично я испытывал следующее оборудование мегаомметром: кабель (жилы, оболочка), турбогенератор (статор, ротор, подстуловая, патрубков), трансформатор, шины, электродвигатель, релейные цепи, трансформаторы тока и ТН.
Таблица пределов измерения мегаомметров ЭСО
Разные модели мегаомметров ЭСО отличаются:
- регулируемыми пределами измерений (разные шкалы для разных величин измеряемого сопротивления изоляции )
- подаваемым напряжением постоянного тока (100, 250, 500, 1000, 2500 В)
- а также способом подачи напряжения (либо просто нажатие кнопки, либо вращение ручки генератора со скоростью 120-144 об/мин, о чем говорит наличие буквы Г в названии модели, ну и ручки собственно).
Характеристики мегаомметров ЭС0210
Основными элементами прибора являются: генератор или трансформатор, преобразователь и электронный измеритель. Электронный измеритель в моделях ЭС0210/1(Г) и ЭС0210/3(Г) выполнен на двух логарифмических усилителях. А в моделях ЭС0210/2(Г) — на двух логарифмических усилителях и повторителе напряжения на операционном усилителе — но эта информация, скорее всего, мало кому пригодится.
Также стоит отметить, что при использовании прибора рекомендуется использовать прерывистый характер работы — одну минуту измерение, две минуты перерыв.
Класс точности прибора 2,5, относительная погрешность 15% от измерененного сопротивления изоляции. То есть намерили 100МОм, а на самом деле это будет сто плюс минус пятнадцать мегаомм. Но и это не точно, так как существуют и другие влияющие факторы — это подробно описано в руководстве мегаомметра по экспуатации…
Как не запутаться в шкалах стрелочного мегаомметра ЭС0210
При работе с данным прибором чаще всего путаются какие концы куда вставлять, а также не сразу ориентируются на какую шкалу смотреть. Но с опытом глаз наметывается и трудностей не возникает.
Шкалы подписаны справа римскими цифрами I и II. Также и на крутилке на фото снизу синей (аналогичный цвет как у шкал) видно, какой предел мы выбираем — первый, второй или второй умножить на десять.У первой шкалы нуль справа, у второй и второй умножить на десять нули слева. Не путайте никогда. Нижняя черная шкала, как легко догадаться используется при измерении напряжения, и судя по надписи — как постоянного, так и переменного.
Возможно неопытного юнца испугает логарифмическая шкала, но бояться не стоит. Главное не торопиться и перепроверить несколько раз перед записью в протокол.
Например, первая шкала идет справа налево
0
… 0,1-0,2-0,3-0,4-0,5-0,6-0,7-0,8-0,9 …
1
… 2-3-4-5-6-7-8-9 …
10
… 20-30-40 …
50
К этому привыкаешь) На второй шкале максимум десять в четвертой — это 10 000 МОм или же 10 ГОм.
50
… 60-70-80-90 …
100
… 200-300-400-500-600-700-800-900 …
1000 (1к)
… 2к-3к-4к-5к-6к-7к-8к-9к …
10000 (10к)
А на «второй умножить на десять» — 100 000 МОм или 100 ГОм.
Некоторые пишут, но никогда не говорят, не ЭСО, а ЭС0. Расшифровки на просторах интернета я не нашел, но кажется мне, что правильно писать букву о, а не ноль. Если вдруг знаете аргументированный ответ как правильно, отпишитесь на почту.
upd — внимательные посетители сайта отметили, что правильно всё же использовать ЭС0210 — и хоть в яндексе встречаются оба варианта, вариант с нулем люди чаще спрашивают. Хотя на моей прошлой работе все говорили эсо =)
Ремонт мегаомметра м4100 своими руками
Самое подробное описание: ремонт мегаомметра м4100 своими руками от профессионального мастера для своих читателей с фотографиями и видео из всех уголков сети на одном ресурсе.
Мегаомметр М4100 выпускался с 1976 года, очень широко использовался для измерения сопротивления изоляции. Это надежный практический вечный мегомметр, не требующий источников питания. До сих пор сохранилось много рабочих приборов.
Мегаомметр можно использовать не только для измерения сопротивления изоляции, с его помощью можно проверить любой проводник на обрыв. Например, целостность жил кабеля или обмотки электродвигателя.
Мегаомметр М4100 выпускался в пяти модификациях которые различались по выходному напряжению:
- М4100/1 выходное напряжение 100 В;
- М4100/2 выходное напряжение 250 В;
- М4100/3 выходное напряжение 500 В;
- М4100/4 выходное напряжение 1000 В;
- М4100/5 выходное напряжение 2500 В.
Наиболее распространены были мегаомметры на 500 и 1000 вольт.
Мегаомметр М4100 является двух предельным прибором, имеет две шкалы для измерений разных уровней изоляции.
Верхняя «М Ω» предназначена, для измерения больших сопротивлений изоляции. Градуируется в мегомах. Наиболее часто используемая.
При измерении изоляции на пределе «М Ω», проводники измерительных щупов подключаются к зажимам «ЗЕМЛЯ» и «ЛИНИЯ».
Нет видео.
| Видео (кликните для воспроизведения). |
Нижняя шкала «К Ω» имеет предел измерения 1000 кОм, что равно одному мегому. При измерении изоляции на пределе «К Ω», проводник измерительного щупа имеющий на своем конце перемычку подключается к зажимам «ЗЕМЛЯ» и «ЛИНИЯ» одновременно. Второй подключается к зажиму «К Ω».
При этом используется нижняя шкала «К Ω».
Проверку производим на пределе «М Ω». Подключаем проводники измерительных щупов подключаются к клеммам «ЗЕМЛЯ» и «ЛИНИЯ». Замыкаем между собой щупы.
Начинаем вращать ручку генератора со скоростью примерно 120 оборотов в минуту (генератор имеет встроенный регулятор, обеспечивающий постоянство выходного напряжения даже при превышении скорости вращения генератора). В исправном приборе, стрелка должна установиться на отметке «0» верхней шкалы «М Ω».
Размыкаем щупы, вращаем рукоятку В исправном приборе, стрелка должна установиться на отметке «∞» верхней шкалы «М Ω».
После чего, подключаем щупы к измеряемому сопротивлению. Вращаем рукоятку до тех пор, пока стрелка не перестанет перемещаться по шкале, и установится на значении соответствующем величине измеряемого сопротивления.
На фото показано измерение сопротивления изоляции обмоток статора электродвигателя на корпус. Почему это не рекомендуется делать простым тестером можно прочитать на этой странице.
- Перед подключением щупов к измеряемому сопротивлению убедиться, что на нем отсутствует напряжение.
- Во время измерения не дотрагиваться до щупов.
- После измерения нельзя снимать щупы не убедившись, что на измеряемом сопротивлении не осталось остаточного заряда. Особенно осторожным нужно быть при измерении сопротивления изоляции между жилами длинных кабельных линий. Близко расположенные проводники накапливают заряд как конденсатор.
Мегаомметр- электромеханический, то есть с “крутилкой”, надо вращать ручку как на шарманке))
Лично мне такой больше по душе чем электронный, с тем у меня как то не сложились отношения…
На видео рассказываю как устроен мегаомметр, основные технические характеристики и правила применения- что куда подключать. как крутить и т.д.
Получилась своеобразная краткая инструкция по мегаомметру в видеоформате.
С видео опять у меня не очень… Когда уже начал просматривать- оказалось что стрелочный указатель совсем не видно. Эх, что ж делать, фотоаппарат у меня не справляется с поставленой задачей)))
В статье на фото все прекрасно видно- можно посмотреть.
У кого нет возможности смотреть видео- читайте статью.
Для чего предназначен мегаомметр? Для измерения сопротивления изоляции токоведущих частей. На выходе мегометра при вращении рукоятки появляется высокое напряжение и если изоляция плохая- ее начинает “прошивать”.
И чем хуже изоляция тем сильнее ее пробивает повышенным напряжением мегаомметра- тем ниже ее сопротивление.
Токоведущие части- это провода, шины и т.п. которые в нормальном режиме находятся под напряжением и по ним протекает электрический ток.А вот как раз для того, что бы этот режим работы был нормальным, а не аварийным нам и надо иметь хорошую изоляцию токоведущих частей относительно земли, корпусов оборудования и всего того где не должно быть опасного потенциала.
Вообще в энергетике самый главный приоритет- это жизнь и здоровье человека. Железяку можно отремонтировать, заменить, а жизнь человека бесценна.
Электричество же представляет реальную угрозу здоровью, поэтому от него отделяются, отгораживаются- изолируются всеми возможными средствами.
В проводах это всевозможный нетокопроводящий материал, на подстанциях с высоким напряжением и громоздким оборудованием- соответствующий воздушный зазор, фарфоровая изоляция ну и т.д.
А вот что бы знать в каком состоянии у нас находится изоляция- и предназначен мегаомметр.
Все прекрасно знают и постоянно передают в новостях- сколько происходит пожаров от неисправной электропроводки- вот последствия нарушенной изоляции.Параметры изоляции регламентируются в ПУЭ- правилах устройства электроустановок и измеряются естественно в Омах.
А так как сопротивление изоляции очень высокое и значения получаются иногда с девятью нулями то используют приставку МЕГА, то есть шесть нулей сокращается и значение например 9000000000 превращается в 9 тыс.МОм.
Это было небольшое вступление, а сейчас про мегаомметр.
Предназначен уже сказал для чего, технические характеристики кратко:
режим работы прерывистый, 1 мин. максимум можно измерять, 2 мин. перерыв и т.д.
режимы измерения повышенным напряжением 500, 1000, и 2500 Вольт
измерительная шкала- верхняя и нижняя.
По верхней измеряется очень высокое сопротивление от 50 до 10 тыс.МОм
Скорость вращения рукоятки- 120-140 оборотов в минуту.
Рабочее положение- горизонтальное, при любом другом стрелочный индикатор будет давать погрешность измерения- немножко врать.
На корпусе имеется клемная колодка куда подключаются измерительные провода с щупами. Всего- три клеммы.
Клемма с буквой “Э” обозначает экран. Сюда подключается специальный третий провод из комплекта, идущего с мегаомметром.Второй конец этого провода фиксируется на кожухе или экране. Это используется при измерении сопротивления изоляции между двумя токоведущими частями для устранения токов утечки, возникающих при этих измерениях.
Если же меряется изоляция относительно корпуса оборудования или “земли”- то подключать клемму “Э” не надо!
На одном из измерительных проводов на конце- две клеммы, одна- маркированная буквой “Э” подключается на на соответствующую клемму “Э” мегаомметра, вторая- на среднюю клемму.
Второй измерительный провод подключается на клемму со знаком минус.
Если экран не нужен- эту клемму провода просто не подключаем.
Как работать мегаомметром?
Нет видео.| Видео (кликните для воспроизведения). |
Для начала надо убедиться что токоведущие части где будем измерять отключены- проверяем отключенные автоматы, рубильники и т.п.
Дальше проверяем отсутствие напряжения предварительно проверенным индикатором или прибором.
Затем заземляем токоведущие части и снимаем заземление только после подключения мегаомметра.
Измерительные щупы мегаомметра брать только за изолирующие рукоятки (при напряжении выше 1000Вольт кроме этого еще используют диэлектрические перчатки)
Когда измеряем- нельзя касаться токоведущих частей!
Делаем измерение изоляции и по окончании- снимаем заряд с токоведущих частей прикасаясь к ним кратковременно проводом заземления.
Снимаем заряд и с самого мегаомметра- прикасаемся измерительными щупами друг к другу.
Не забываем снять заземление с токоведущих частей! Иначе будет конкретное КЗ!
Основу вроде всю написал, если у вас есть что добавить- пишите в комментарии.
Измерение электрического сопротивления может выполняться разными приборами. Среди них довольно часто применяется мегаомметр, название которого состоит из трех частей. «Мега» означает миллион или 10 6 , «ом» – соответствует сопротивлению, а частица «метр» эквивалентна слову «измерять». Таким образом, диапазоном измерений этого прибора служат мегаомы. Начинающим электрикам рекомендуется, прежде чем пользоваться мегаомметром, изучить принцип работы, устройство и технические характеристики данного измерительного прибора.
Работа мегаомметра основана на законе Ома для участка цепи, отображаемого в виде формулы I=U/R. Для измерения необходимы элементы, расположенные в корпусе устройства. Прежде всего, это источник напряжения с постоянной, откалиброванной величиной. Кроме того, мегаомметр дополняется измерителем тока и выходными клеммами.
В разных моделях конструкция источника напряжения может существенно изменяться. В старых мегаомметрах установлены простые ручные динамо-машины, а в новых применяются внешние или встроенные источники. Значение выходной мощности генератора и его напряжения могут изменяться в различных диапазонах или оставаться в фиксированном виде. К клеммам мегаомметра подключены соединительные провода, скоммутированные в измеряемую цепь. Надежный контакт обеспечивается зажимами – «крокодилами».
Амперметр, включенный в электрическую схему, измеряет величину тока, проходящего по цепи. Благодаря точному значению напряжения, шкала на измерительной головке размечена сразу в нужных единицах сопротивления. Это могут быть мегаомы или килоомы. Некоторые приборы оборудованы шкалой, показывающей оба значения. Новые модели мегаомметров, использующие цифровые сигналы, отображают полученные данные на дисплее.
Типовой мегаомметр состоит из генератора постоянного тока, измерительной головки, тумблера-переключателя и токоограничивающих резисторов. Работа измерительной головки основана на взаимодействии рабочей и противодействующей рамок. Тумблер может выставляться на определенные пределы измерения. Он осуществляет коммутацию различных резисторных цепочек, изменяющих выходное напряжение и режим работы головки.
Все элементы заключены в прочный, герметичный диэлектрический корпус, оборудованный ручкой для более удобной переноски. Здесь же располагается портативная складывающаяся генераторная рукоятка. Чтобы начать вырабатывать напряжение, она раскладывается и вращается. На корпусе имеется рычаг управления тумблером и выходные клеммы, в количестве трех, к которым подключаются соединительные провода. Каждый выход имеет собственное обозначение: «З» – земля, «Л» – линия и «Э» – экран.
Клеммы «З» и «Л» применяются во всех случаях, когда требуется измерить сопротивление изоляции по отношению к контуру заземления. Вывод «Э» необходим для устранения воздействия токов утечки при измерение между кабельными жилами, расположенными параллельно или похожими токоведущими частями. Клемма «Э» работает совместно со специальным измерительным проводом, имеющим экранированные концы. Обычно она подключается к кожуху или экрану. С помощью этой клеммы производятся наиболее точные измерения. В некоторых моделях клеммы «Л» и «З» обозначаются соответствующей маркировкой «rx» и «-».
Принцип работы мегаомметров, использующих внутренние или внешние источники питания генератора, такой же, как и у конструкций с ручкой. Для того чтобы выдать напряжение на проверяемую схему, необходимо нажать кнопку и удерживать ее в этом состоянии. Существуют приборы, способные выдавать различные комбинации напряжения путем сочетания нескольких кнопок.
Современные мегаомметры отличаются более сложным внутренним устройством. Напряжение, выдаваемое генераторами разных конструкций, составляет примерный ряд величин: 100, 250, 500, 700, 1000 и 2500 В. Одни мегаомметры могут работать лишь в одном диапазоне, а другие – сразу в нескольких.
Значение выходной мощности мегаомметра, способны проверять изоляцию на высоковольтном промышленном оборудовании, во много раз выше, чем этот же параметр у моделей мегаомметров, способных проверять лишь бытовую проводку. Их размеры также заметно различаются между собой.
В работе с мегаомметром существуют специфические особенности, на которые следует обращать пристальное внимание. В первую очередь это связано с повышенным напряжением прибора. Встроенный генератор обладает выходной мощностью, достаточной не только для проверки изоляции, но и для получения серьезной электротравмы. Поэтому, в соответствии с правилами электробезопасности, использовать мегаомметр могут только подготовленные и обученные специалисты, не менее чем с 3-й группой допуска.
В процессе замеров повышенное напряжение охватывает проверяемый участок, а также клеммы и соединительные провода. Защита от этого обеспечивается щупами, имеющими усиленную изолированную поверхность. Они предназначены для установки на измерительные провода. Концы щупов ограничены запретной зоной с помощью предохранительных колец. Таким образом, предупреждается касание к ним открытых частей тела.
Для выполнения измерения на измерительных щупах предусмотрена специальная рабочая зона, за которую можно смело браться руками. Непосредственное подключение к схеме осуществляется зажимами «крокодил» с хорошей изоляцией. Запрещается использование других типов проводов и щупов. При выполнении измерительных работ, людей не должно быть на всем проверяемом участке. Данный вопрос особенно актуален в тех случаях, когда сопротивление изоляции измеряется в длинномерных кабелях, протяженностью до нескольких километров.
Электрическая энергия, проходящая по проводам ЛЭП, создает значительное магнитное поле. Оно изменяется в соответствии с синусоидальным законом и способствует наведению в металлических проводниках вторичной электродвижущей силы и тока I2. В случае большой протяженности кабеля, наведенное напряжение достигает значительной величины.
Данный фактор оказывает существенное влияние на точность проводимых измерений. Дело в том, что в этом случае неизвестна величина и направление электрического тока, протекающего через измерительный прибор. Данный ток появляется под влиянием наведенного напряжения и его значение добавляется к собственным показаниям мегаомметра, полученным через калиброванное напряжение генератора. В итоге образуется сумма двух неизвестных токовых величин, и данная метрологическая задача становится неразрешимой. Поэтому измерение сопротивления изоляции сетей при наличии любого напряжения является совершенно бессмысленным занятием.
Пристальное внимание к наведенному напряжению объясняется реальной возможностью электрического травматизма. Поэтому все работники должны строго соблюдать установленные правила безопасности.
При выдаче генератором мегаомметра напряжения, поступающего в измеряемую сеть, между проводом и контуром заземления возникает разность потенциалов. Это приводит к образованию емкости, наделенной определенным зарядом.
После того как измерительный провод отключается, цепь мегаомметра становится разорванной. За счет этого потенциал частично сохраняется, поскольку в проводе или шине создается емкостной заряд. В случае касания этого участка, человек может получить электротравму от разряда тока, проходящего через тело. Для того чтобы избежать подобных неприятностей, следует использовать переносное заземление. Его рукоятка должна быть заизолирована, что дает возможность безопасно снимать емкостное напряжение.
Перед тем как подключать мегаомметр для замеров изоляции, необходимо чтобы в проверяемой схеме отсутствовал остаточный заряд или напряжение. Для этого существуют специальные индикаторы или вольтметр с соответствующим номиналом. С помощью мегаомметра можно выполнять самые разные замеры. Например, изоляция в десятижильном кабеле вначале проверяется относительно земли, а затем измеряется каждая жила. Качество изоляции определяется по очереди между всеми жилами. Во время каждого измерения следует использовать переносное заземление.
Чтобы обеспечить быструю и безопасную работу, заземляющий проводник изначально одним концом соединяется с контуром заземления. В таком положении он остается до конца работ. Другим концом проводник контактирует с изоляционной штангой. Именно при ее непосредственном участии накладывается заземление, чтобы снять остаточный заряд.
Любые измерения следует производить только исправным мегаомметром. Устройство должно быть испытанным в лаборатории, где проверяется его собственная изоляция и все комплектующие части. Для испытаний применяется повышенное напряжение, после чего мегаомметру выдается разрешение на работу в течение определенного, ограниченного срока.
С целью поверки мегаомметр направляется в метрологическую лабораторию, где специалисты определяют его класс точности. Прохождение контрольных замеров подтверждается клеймом, наносимым на корпус прибора. В процессе дальнейшей эксплуатации должна соблюдаться сохранность и целостность клейма, особенно даты и номера специалиста, проводившего поверку. В противном случае устройство автоматически попадет в категорию неисправных.
Правильная область применения также гарантирует безопасность при работе с мегаомметром. Перед каждым замером определяется величина выходного напряжения. В первую очередь устройство применяется для испытаний изоляции. С этой целью для проверяемого участка создаются экстремальные условия, когда производится подача не номинального, а завышенного напряжения. Временной период также довольно продолжительный. Это способствует своевременному выявлению возможных дефектов и недопущение их в последующей эксплуатации.
Каждая схема, подлежащая проверке, имеет свои особенности, влияющие на безопасную работу мегаомметра. Поэтому перед подачей на нужный участок высокого напряжения, нужно исключить все неисправности и поломки составляющих элементов. Современное оборудование буквально насыщено полупроводниками, конденсаторами, измерительными и микропроцессорными приборами. Они не рассчитаны на высокое напряжение, создаваемое генератором мегаомметра. Перед проверкой все подобные устройства шунтируются или вовсе извлекаются из схемы. По окончании замеров схема восстанавливается и приводится в рабочее состояние.
Перед измерением сопротивления нужно внимательно изучить схему электроустановки, подготовить средства защиты и сам прибор в исправном состоянии. Проверяемый участок должен быть заранее выведен из работы.
Проверка исправности мегаомметра происходит следующим образом. Выводы измерительных проводов закорачиваются между собой. После этого к ним от генератора подается напряжение. В случае исправности прибора результаты измерений закороченной цепи равны нулю. Далее концы проводов разъединяются, отводятся в стороны, после чего делается повторный замер. В норме на шкале отображается символ бесконечности, показывающий сопротивление изоляции в воздушном промежутке между измерительными концами.
Непосредственное измерение сопротивления изоляции выполняется в строго определенной последовательности. Прежде всего, переносное заземление нужно подсоединить к контуру. Напряжение на проверяемом участке должно отсутствовать. Далее собирается схема измерения прибора, а переносное заземление снимается.
На схему подается калиброванное напряжение до того момента, пока не выровняется емкостный заряд. Далее фиксируется отсчет, после чего напряжение снимается. Чтобы снять остаточный заряд, накладывается переносное заземление. По окончании замеров соединительный провод отключается от схемы, а заземление снимается.
Для замера сопротивления изоляции мегаомметром используется наибольший предел МΩ. Если данной величины недостаточно, необходимо воспользоваться более точным диапазоном. Все дальнейшие цепочки измерений должны выполняться в такой же последовательности. Некоторые конструкции мегаомметров могут работать в прерывистом режиме. В этом случае на протяжении одной минуты выдается напряжение, после чего в течение двух минут выдерживается пауза.
При наличии в измерительных приборах стрелочного индикатора, для всех замеров используется горизонтальная ориентация корпуса. Нарушение этого требования приводит к дополнительным погрешностям. Современные цифровые мегаомметры могут работать в любом положении.
Количество просмотров на Youtube 28953
Ссылка на страницу с видео:
HTML-ссылка на страницу с видео:
Последние комментарии на сайте
NEW! VibeX 497 Софт по Вайбер Рассылке – Теперь Проходит Капчу (captcha) – Смотреть/скачать
⇒ ““Дмитрий Шешин мошенник, остерегайтесь! Предлагает услуги по рассылки рекламных сообщений Viber, берет деньги и ничего не рассылает. При этом говорит, что услуга оказана. Также предлагает купить нерабочие программы по VIber. Все скрины у меня есть, все доказательства обмана тоже. Не ведитесь и не покупайте ничего по предоплате у данного лица”“
Добавлено – 19.10.2018 Тесто для пиццы как в пиццерии за 10 минут. – Смотреть/скачать
⇒ “Хороший видео рецепт, главное все четко, понятно, наглядно и доступно ничего лишнего. Очень простой и быстрый рецепт. Люблю рецепты с пошаговым выполнением действий.Спасибо автору за наглядное видео. Залог вкусной пиццы это вкусное тесто, а начинка может быть разнообразной и зависит от фантазии и предпочтений готовившкго. Тесто получается очень вкусным, все готовится очень быстро, давно искала рецепт быстрого приготовления теста для пиццы, теперь он записан у меня в кулинарной книге и добавлен в закладки.“
Добавлено – 19.10.2018 Отель Элеон – 3 серия 3 сезон (45 серия) – комедия HD – Смотреть/скачать
⇒ “Смотрю сериал с самого начала, даже с сериала “Кухня”. Актеры здорово играют, за столько серий уже привык к ним“
Добавлено – 19.10.2018 “Быки тротуарные” или хозяева жизни в Краснодаре? Часть 1 (18+) – Смотреть/скачать
⇒ “клевое видео.. только ребятам не хватает биты, бить лобовые стекла мудаков.. это было бы справедливо. в след. у мудака включится мозжечок..“
Добавлено – 19.10.2018 Три богатыря и морской царь – Смотреть/скачать
⇒ “очень хороший мультфильм“
Добавлено – 19.10.2018
подготовка к работе и проверка работоспособности мегаомметра М4100/3
Почему вы так быстро вращаете ? По инструкции – 120 оборотов в мин., те 2 оборота в секунду.
На шкале написано М1101М 1000 v . Спасибо большое за разъяснения. Я запланировал постепенно стать электриком – самоучкой и уметь паять и ремонтировать бытовую технику. Возможно, с постепенным накоплением знаний мегаомметр мне понадобится. Если я пойму, что мне негде его использовать, то продам, в крайнем случае. Вроде, они дорогие относительно .
Для проверки изоляции в квартире нужен мегаомметр на 500В. Ваш я думаю на 100В. В любом случае при пробое изоляции должно выбить в щите автомат. А напряжение которое выдерживает проводка указывается в маркировке на проводе. Думаю и у вас он будет продолжать лежать в гараже
Честно говоря, пока что я не знаю, что я им буду мерять. Просто отец , когда я его спрашивал “что это за прибор” , он отвечал “это ценная вещь”, тем не менее, я не видел, что – бы он его использовал. Насколько я понимаю, мегаомметр нужен, например, что – бы оценить качество изоляции провода , узнать, какое напряжение выдержит проводка до возникновения короткого замыкания (т.е. пробъется изоляция)?
У каждого электрика в гараже лежит мегаомметр. ))) Для чего Вы им хотите пользоваться? Это прибор для измерения сопротивления изоляции кабельных линий и электрооборудования. В быту достаточно тестера
Ясно, спасибо. Признаюсь, что я только начинаю разбираться с электрикой. У меня есть примерно такой же прибор. Мегаомметр М1101М 1972 года. Я не электрик (пока что) , но пытаюсь вникнуть , что – бы уметь самому ремонтировать все дома. Как вы считаете, для бытовых нужд этот прибор нужен ? Или это только надо на производстве для электриков ? Этот прибор принадлежал отцу (он был электриком но я никогда не видел, что – бы он его использовал в быту ) . Просто лежал в гараже все время. Не подскажете, стоит ли таким пользоваться или он сейчас – каменный век ?
Алексей Кузнецов Hace 9 meses
У меня самого такой-же мегаомметр, только на 2500 В , а у Вас такой-же тип на 500 В. Практика показывает, что проверять сопротивление изоляции на напряжении меньше, чем 2500 В это самообман, так-как всё хоть условно и считается низковольтной аппаратурой всё равно подвержено при эксплуатации большим перенапряжениям за счёт разрыва индуктивных цепей, что плохую изоляцию может просто пробить и создать опасность. Кроме того когда я проверял сопротивление изоляции мегаомметром на 2500 В у меня начинало сразу бить по воздуху на корпус в местах проколов и трещин в изоляции проводов, что меня сразу заставляло исправлять и изолировать эти потенциально опасные повреждения и дефекты электромонтажа электроустановок и бытовых электроприборов, а при проверке сопротивления изоляции напряжением 1000 В , а тем более как у Вас 500 В , эти опасные дефекты с проколами и трещинами изоляции проводов электромонтажа просто не будут выявлены. Алексей.
Алексей Кузнецов Hace 8 meses
Я работаю на производстве более 20 лет в составе ЭТЛ и указанный Вами эффект наблюдал только при останове высоковольтных двигателей. Для борьбы с ним эффективно применяются ограничители перенапряжений (ОПН). Напомню, что мегаомметром мы просто измеряем сопротивление изоляции. Испытания оборудования до 1000В рекомендовано проводить напряжением 1кВ промышленной частоты в течении 1 мин. Лично для себя Вы можете проводить любые испытания, порой даже это и полезно, но подвергать излишним нагрузкам электрооборудование все и всегда не следует.
Алексей Кузнецов Hace 8 meses
Проблемой является то, что указанные нормы проверки сопротивления изоляции у меня вызывают слишком много споров, так-как в них не учитывается высокое напряжение самоиндукции в индуктивных цепях электроустановок во время их эксплуатации, возникающее при разрыве индуктивных цепей при резком прекращении в них тока. И любой Ваш трёхфазный асинхронный двигатель относится к такой индуктивной нагрузке. А в таких электроустановках в которых возникают высокие напряжения самоиндукции при разрывах индуктивных цепей я бы всегда рекомендовал использовать для проверки сопротивления изоляции в том числе и обмоток мегаомметры с номинальным напряжением проверки изоляции 2500 В. Иначе изоляция может быть пробита и это может создать опасность при разрыве индуктивной цепи при выключении контактора. И практика мне показала, что любая целая исправная, а не условно пригодная изоляция чего угодно успешно проходит проверку напряжением испытания мегаомметром на 2500 В , и меньшее напряжение испытания изоляции практически мне оказывается не нужным. И электропроводка в квартире мною проверялась на сопротивление изоляции мегаомметром на 2500 В , и всё равно у меня всегда получалась бесконечность, а не пробой. Алексей.
Алексей Кузнецов Hace 8 meses
Алексей Кузнецов у меня есть мегаомметры на любое напряжение. Практика тут ни при чем. Производя работы нужно следовать правилам. Так используя мегаомметр на 2500 В для проверки изоляции электродвигателя на 380В можно просто сжечь этот двигатель. На практике если изоляция кабеля при измерении мегаомметром не менее 1МОм то и измерение мегаомметром на 2500В она выдержит, лишь показания прибора чуть уменьшаться. Если же изоляция кабеля меньше допустимой то можно попробовать и мегаомметр использовать как это делаете вы для отыскания дефектов. Кроме того в правилах есть запись. Что испытания повышенным напряжением 1000В можно заменить на испытания мегаомметром на 2500В. Только это нужно и допустимо не для любого оборудования. Желаю удачи и ещё раз никакого самообмана нет а Правила есть
подготовка к работе и проверка работоспособности мегаомметра М4100/3
Почему вы так быстро вращаете ? По инструкции – 120 оборотов в мин., те 2 оборота в секунду.
На шкале написано М1101М 1000 v . Спасибо большое за разъяснения. Я запланировал постепенно стать электриком – самоучкой и уметь паять и ремонтировать бытовую технику. Возможно, с постепенным накоплением знаний мегаомметр мне понадобится. Если я пойму, что мне негде его использовать, то продам, в крайнем случае. Вроде, они дорогие относительно .
Для проверки изоляции в квартире нужен мегаомметр на 500В. Ваш я думаю на 100В. В любом случае при пробое изоляции должно выбить в щите автомат. А напряжение которое выдерживает проводка указывается в маркировке на проводе. Думаю и у вас он будет продолжать лежать в гараже
Честно говоря, пока что я не знаю, что я им буду мерять. Просто отец , когда я его спрашивал “что это за прибор” , он отвечал “это ценная вещь”, тем не менее, я не видел, что – бы он его использовал. Насколько я понимаю, мегаомметр нужен, например, что – бы оценить качество изоляции провода , узнать, какое напряжение выдержит проводка до возникновения короткого замыкания (т.е. пробъется изоляция)?
У каждого электрика в гараже лежит мегаомметр. ))) Для чего Вы им хотите пользоваться? Это прибор для измерения сопротивления изоляции кабельных линий и электрооборудования. В быту достаточно тестера
Ясно, спасибо. Признаюсь, что я только начинаю разбираться с электрикой. У меня есть примерно такой же прибор. Мегаомметр М1101М 1972 года. Я не электрик (пока что) , но пытаюсь вникнуть , что – бы уметь самому ремонтировать все дома. Как вы считаете, для бытовых нужд этот прибор нужен ? Или это только надо на производстве для электриков ? Этот прибор принадлежал отцу (он был электриком но я никогда не видел, что – бы он его использовал в быту ) . Просто лежал в гараже все время. Не подскажете, стоит ли таким пользоваться или он сейчас – каменный век ?
Алексей Кузнецов 9 meses atrás
У меня самого такой-же мегаомметр, только на 2500 В , а у Вас такой-же тип на 500 В. Практика показывает, что проверять сопротивление изоляции на напряжении меньше, чем 2500 В это самообман, так-как всё хоть условно и считается низковольтной аппаратурой всё равно подвержено при эксплуатации большим перенапряжениям за счёт разрыва индуктивных цепей, что плохую изоляцию может просто пробить и создать опасность. Кроме того когда я проверял сопротивление изоляции мегаомметром на 2500 В у меня начинало сразу бить по воздуху на корпус в местах проколов и трещин в изоляции проводов, что меня сразу заставляло исправлять и изолировать эти потенциально опасные повреждения и дефекты электромонтажа электроустановок и бытовых электроприборов, а при проверке сопротивления изоляции напряжением 1000 В , а тем более как у Вас 500 В , эти опасные дефекты с проколами и трещинами изоляции проводов электромонтажа просто не будут выявлены. Алексей.
Алексей Кузнецов 8 meses atrás
Я работаю на производстве более 20 лет в составе ЭТЛ и указанный Вами эффект наблюдал только при останове высоковольтных двигателей. Для борьбы с ним эффективно применяются ограничители перенапряжений (ОПН). Напомню, что мегаомметром мы просто измеряем сопротивление изоляции. Испытания оборудования до 1000В рекомендовано проводить напряжением 1кВ промышленной частоты в течении 1 мин. Лично для себя Вы можете проводить любые испытания, порой даже это и полезно, но подвергать излишним нагрузкам электрооборудование все и всегда не следует.
Алексей Кузнецов 8 meses atrás
Проблемой является то, что указанные нормы проверки сопротивления изоляции у меня вызывают слишком много споров, так-как в них не учитывается высокое напряжение самоиндукции в индуктивных цепях электроустановок во время их эксплуатации, возникающее при разрыве индуктивных цепей при резком прекращении в них тока. И любой Ваш трёхфазный асинхронный двигатель относится к такой индуктивной нагрузке. А в таких электроустановках в которых возникают высокие напряжения самоиндукции при разрывах индуктивных цепей я бы всегда рекомендовал использовать для проверки сопротивления изоляции в том числе и обмоток мегаомметры с номинальным напряжением проверки изоляции 2500 В. Иначе изоляция может быть пробита и это может создать опасность при разрыве индуктивной цепи при выключении контактора. И практика мне показала, что любая целая исправная, а не условно пригодная изоляция чего угодно успешно проходит проверку напряжением испытания мегаомметром на 2500 В , и меньшее напряжение испытания изоляции практически мне оказывается не нужным. И электропроводка в квартире мною проверялась на сопротивление изоляции мегаомметром на 2500 В , и всё равно у меня всегда получалась бесконечность, а не пробой. Алексей.
Алексей Кузнецов 8 meses atrás
Алексей Кузнецов у меня есть мегаомметры на любое напряжение. Практика тут ни при чем. Производя работы нужно следовать правилам. Так используя мегаомметр на 2500 В для проверки изоляции электродвигателя на 380В можно просто сжечь этот двигатель. На практике если изоляция кабеля при измерении мегаомметром не менее 1МОм то и измерение мегаомметром на 2500В она выдержит, лишь показания прибора чуть уменьшаться. Если же изоляция кабеля меньше допустимой то можно попробовать и мегаомметр использовать как это делаете вы для отыскания дефектов. Кроме того в правилах есть запись. Что испытания повышенным напряжением 1000В можно заменить на испытания мегаомметром на 2500В. Только это нужно и допустимо не для любого оборудования. Желаю удачи и ещё раз никакого самообмана нет а Правила есть
подготовка к работе и проверка работоспособности мегаомметра М4100/3
Сопротивление изоляции обмоток статора электродвигателя с рабочим напряжением до 500в проверяется напряжением мегаомметра 500в и должно быть не менее 0.5 Мом.Если сопротивление не доходит до 0.5 Мом,но держится близ этого значения, скорее всего в двигателе влага,если падает до нуля значит замыкание на корпус.
Из общения с одним из читателей моего сайта www.ceshka.ru Он попросил научить читать электрические схемы токарных станков, что бы объяснить немного- решил записать небольшое видео на базе электросхемы токарно- винторезного станка 1К62
Видео о том как проверить якорь електродвигателя не зависимо от того какой у вас двигатель. все это делается с помощью мультиметра или тестера на котором есть измерение сопротивления
Мегомметр,очень полезная штука,в производстве,помогает вовремя определить неисправность линий и машин.
Подключение трех фазного двигателя на 380в, к сети 220в. Схема подключения.
Когда у вас ржавая труба, или ещё хуже она подтекает, то вы это видите. А как же быть с электропроводкой? Утечек тока не видно, да и нагрев провода не всегда можно заметить (они же скрыты)…. Как же проверить электропроводку?
Порядок производства измерений сопротивления обмоток постоянному току. Конструкция и особенности работы микроомметра СА10 Chauvin Arrnoux. Принцип мостовой схемы измерения сопротивлений, достоинства четырехпроводной схемы. Практические советы по проведению подобного вида измерений на трансформаторах.
Помните пакет с древними приборами? Начинаем их обзор с мегаомметра М4100/3. Экземпляр 1974 года, не требующий какого-либо источника питания, полностью автономный прибор. В видео проверим как он работает, для чего нужен мегаомметр, проведем несколько опытов с мегаомметром и конечно же раскрутим его для осмотра внутренностей. Второй канал – https://www.youtube.com/channel/UCmFShoAkY07TBzOdHMsaO1w Группа ВК – https://vk.com/radioblogful Партнерская сеть BroadBatdTV – http://bbtv.go2cloud.org/SHzr Инстаграм – https://instagram.com/radioblogful
Метод прост . На другом конце кабеля соединяются вместе все жилы кабеля . Если на кабеле есть разьем – то лучше найти ответную часть разьема с замкнутыми выводами . Далее на ближнем конце провода прозваниваются мультиметром все жилы кабеля между собой . Если одна из жил не прозванивается – то данная жила оборвана . Если не прозваниваются все жилы кабеля – то либо кабель не тот либо кабель перебит .
Рассказ ЗАЧЕМ измеряют, принцип действия прибора, разберем. Проведем измерения.
В последнее время участились запросы на приборы выпускаемые в СССР, в частности мегомметры серии М4100, это понятно, наконец то вспомнили про ГОСТЫ, метрологию и нормативные документы регламентирующие различного рода измерения.
Ведь в технологической документации было прописано какими приборами измерять тот или иной параметр, но, к сожалению, технологические карты написаны давно и приборы в них указаны древние.
Отвечая на вопросы многих покупателей мы решили составить перечень возможной замены устаревших приборов – мегомметров серии М4100, выпускавшихся в Советское время.
Конечно, надо принимать во внимание такие параметры как тип питания мегомметра, возможность работы при отрицательных температурах, вес, габариты, связь с компьютером, в конце концов, его цена, но это уже скорее удобство пользования мегомметром, чем его параметры или характеристики.
Из находящихся в эксплуатации и производимых в настоящее время мегомметров хотелось бы остановить свое внимание на следующих отечественных сертифицированных приборах:
Е6-24, Е6-24/1, М4122, М4122U, М4122RS, М6-1, М6-4
Из импортных MI2177, MI3121, SEW 1832IN, SEW 1851IN, MIC-3, Fluke1507,APPA 607,MIC-10, АКИП8403
Найти подробные описания всех мегомметров, а также купить можно найти на нашем сайте http://megommetr.ru
Сводную таблицу по выбору мегаомметров с параметрами в том числе и по цене, можно посмотреть здесь Выбор мегаомметра – сравнительная таблица
Мегомметры,как ни какие другие приборы, чаще всего называют не всегда правильно и чаще всего можно встретить следующие наименования: мегоометр, мегометр, мегаометр, мегаомметр и так далее. Во всех словарях Русского языка это слово пишется так – мегомметр. Вообще слово мегомметр, сложное слово, состоящее из трех слов написанных вместе, а именно
мег-ом-ме́тр
мег – сокращенное от МЕГА- приставка к цифрам обозначающая 1 000 000ом – обозначение физической величины электрического сопротивления метр – в данной ситуации обозначает мерить, измерять Итого, получается что слово
МЕГОММЕТР это ИЗМЕРЯЕМ ЭЛЕКТРИЧЕСКОЕ СОПРОТИВЛЕНИЕ В МИЛЛИОНАХ ОМ, или еще проще прибор для измерения высоких сопротивлений , или в окончательном виде МЕГОММЕТР и ни как иначе!
Таблица возможной замены приборов предложенная производителем мегомметров М4100 – заводом «Мегомметр» г. Умань
Автор статьи: Антон Кислицын
Я Антон, имею большой стаж домашнего мастера и фрезеровщика. По специальности электрик. Являюсь профессионалом с многолетним стажем в области ремонта. Немного увлекаюсь сваркой. Данный блог был создан с целью структурирования информации по различным вопросам возникающим в процессе ремонта. Перед применением описанного, обязательно проконсультируйтесь с мастером. Сайт не несет ответственности за прямой или косвенный ущерб.
✔ Обо мне ✉ Обратная связь Оцените статью: Оценка 3.5 проголосовавших: 13устройство прибора, описание принципа действия электронного агрегата megger
Мегаомметр является прибором для замеров электрического сопротивления. Единицей изменения выступают мегаомы. Приспособление используется при работе с электрическими цепями, отсоединенными от питания, диэлектрической изоляцией, которая часто встречается в электродвигателях, проводах, кабелях, трансформаторах.
Прибор в применении
В основу принципа работы мегаомметра положен закон Ома для отдельного участка цепи. Измерение осуществляется за счет элементов, помещенных в единый корпус. Основа — источник напряжения, имеющий откалиброванную постоянную величину. Дополнением выступают выходные клеммы, непосредственно определитель тока.
Модели от разных производителей кардинально отличаются по конструкции источника, но имеют одно назначение. В бюджетных вариантах и выпущенных в годы СССР агрегатах присутствуют обыкновенные динамомашины ручного типа. Усовершенствованные аналоги оснащены встроенными или внешними источниками. Выходная мощность генератора и его напряжение изменяется в широких диапазонах или же остается в неизменном фиксированном состоянии. К клеммам описываемого устройства подводятся провода, встроенные в измеряемую цепь. Для обеспечения более надежного контакта задействуются зажимы, называемые «крокодилами».
В электрической обозначенной схеме обязательно присутствует амперметр, который определяет величину тока по цепи. Напряжение отображается в точном значении, соответственно, и шкала на измерительном приборе размечается в необходимых единицах сопротивления — килоомах или мегаомах. Существуют мегаомметры с табло, на котором одновременно отображаются оба значения, выводимых на удобный дисплей.
Особенности устройства
Устройство мегаомметра стандартного типа представлено генератором, переключателем, выставляемым на необходимые пределы измерения, измерительной головкой, токоограничивающими резисторами.
Перечисленные детали правильно удерживаются в прочном диэлектрическом корпусе, оснащенном ручкой для удобства перемещения, генераторной рукояткой складывающегося типа. Для начала выработки напряжения она изначально раскладывается и раскручивается. Корпус оснащен тумблером с клеммами выходного типа, к ним и подводятся соединительные провода. Выделяется три выхода со значением на экран (Э), линию (Л), землю (З):
- Что касается клемм на электронном мегаомметре с обозначением «Л «и «З», они задействуются в ходе работы всегда при необходимости замера изоляционного сопротивления относительно контура земли.
- Вывод «Э» предназначается для нейтрализации действия токов утечки во время проведения измерения между параллельными жилами, аналогичными им токоведущими частями. Данная клемма функционирует в паре с измерительным устройством с экранированными концами, соединяется с экраном или кожухом. Она помогает выполнить самые точные замеры.
Если рассматривать специфику работы изделий с внешними и внутренними источниками, они практически ничем не отличаются от конструкций, оснащенных ручкой. Выдача напряжения на схему запускается нажатием соответствующей кнопки с последующим ее удерживанием. Некоторые модели устройств способны одновременно подавать различные комбинации напряжения, для чего нужно одновременно работать с несколькими пусками.
Модернизированные модели мегера представлены многоступенчатым внутренним наполнением. Если рассматривать напряжение, которое исходит от генераторов нескольких конструкций, оно представлено примерно таким рядом величин: 100, 250, 500, 700, 1000, а также 2500 вольт. Одни модели устройств функционируют в пределах только обозначенного диапазона, другие — одновременно в нескольких.
Мегаомметры различны по описанию, выходной мощности. С помощью одних устройств диагностируется изоляция на высоковольтном оборудовании. Другие приборы уместны для работы (проверить изоляцию) только с бытовой проводкой. Соответственно, такие изделия отличаются по размерам, общим масштабам.
Повышенное напряжение на агрегате
Работа с помощью мегаомметра определяется особенностями, которые должны учитываться. Первое, на что нужно обратить внимание, это напряжение устройства. Дело в том, что генератор встроенного типа выдает выходную мощность, которой хватает не только для качественной проверки изоляции, но и для серьезного травматизма. Следовательно, использовать измерительные агрегаты должны специально обученные специалисты.
При эксплуатации завышенное напряжение распространяется на обрабатываемый участок вместе с соединительными проводами и клеммами. Надлежащую защиту создадут щупы с усиленным изолированным покрытием. Что касается краев таких приспособлений, они ограничиваются запретной зоной через предохранительные кольца. Это необходимо для предотвращения контакта с ними открытых частей тела.
Щупы имеют рабочую зону, которая задействуется при выполнении измерения. Вот за обозначенный участок человек смело может браться руками. Что касается подключения в общую схему, оно производится посредством специальных зажимов «крокодилов» с достаточной изоляцией. Недопустимо применение другого вида щупов, проводов.
Когда проводятся мероприятия с помощью мегаомметра, в пределах обследуемой зоны не должны присутствовать люди. Особенно актуален этот вопрос при работе на длинномерных кабелях.
Наведенный ток
Электроэнергия, присутствующая в проводах ЛЭП, характеризуется существенным магнитным полем, которое изменяется согласно синусоидальному закону. В результате металлические проводники приобретают ток I2 и вторичную электродвижущую силу. Если рассматривать ощутимую протяженность кабеля, вырастает и величина наведенного напряжения.
Этот фактор следует учитывать, т. к. он сказывается на точности проводимых замеров. Сложность заключается в том, что величина и направление электротока, протекающего через используемый прибор, остаются неизвестными. Подобный ток образует наведенное напряжение, а его показатели накладываются на значения мегаомметра. В результате получается сумма из токовых величин неизвестного диапазона, поэтому метрологическую задачу будет сложно разрешить. Специалисты указывают на тот факт, что измерительные мероприятия на изоляции бессмысленно проводить в случае присутствия малейшего напряжения в сети.
Остаточное явление в действии
Когда генератор описываемого устройства вырабатывает напряжение, поступающее впоследствии в измеряемую сеть, образуется разность потенциалов между контуром заземления и проводом. Впоследствии создается емкость, в которой присутствует определенный заряд.
При отключении измеряющего провода имеющаяся в мегаомметре цепь разрывается. Но частичному сохранению подлежит потенциал из-за появления емкостного заряда в шине, проводе. Контакт человека с подобным участком приведет к электротравме токовым зарядом, который пройдет через тело. Избежать такой опасности поможет переносное заземление с обязательной изоляцией его рукоятки для безопасного устранения емкостного напряжения.
Прежде чем включать мегаомметр для работы, следует убедиться в отсутствии в проверяемой схеме напряжения остаточного заряда. В этом случае рекомендуется воспользоваться вольтметром, специальными индикаторами, подающими необходимый сигнал. Описываемый прибор дает возможность выполнять ряд процедур, в частности это:
- проверка изоляции десятижильного кабеля по отношению к земле;
- проведение необходимых замеров в каждой жиле относительно друг друга;
- определение качества изоляции между жильными проходами.
В любом случае обязательно должно использоваться переносное заземление. Для обеспечения правильной и безопасной работы предварительно заземляющий проводник замыкается с контуром на грунте. В таком состоянии он находится до завершения всех мероприятий. Другим концом проводник соединяется с изоляционной штангой, с помощью которой и обеспечивается заземление для последующего устранения остаточного заряда.
Безопасное использование
Приступая к выполнению измерения, нужно убедиться в полной исправности устройства. Более того, оно должно проверяться перед эксплуатацией в лабораторных условиях на предмет исправности комплектующих деталей, собственной изоляции. В ходе проводимых испытаний обычно задействуется высокое напряжение, а по окончании проверки мегаомметр получает разрешение на работу. Определяется класс точности агрегата, а после контрольных замеров на корпус наносится клеймо, подлежащее сохранности на протяжении всего времени применения прибора.
Безопасность при использовании мегаомметра определяется и правильной областью его использования. Каждому замеру предшествует определение величины выходного напряжения. Перед испытанием изоляции в проверяемой зоне специально задаются экстремальные условия, т. е. подается не номинальное, а завышенное напряжение. Так выявляются дефекты, предотвращается их недопущение в будущем.
В каждой схеме, проходящей проверку, имеются особенности, угрожающие безопасной работе измерительного агрегата. Важно перед работой устранить все неисправности, поломки в цепи. В современной технике присутствует множество:
- конденсаторов;
- полупроводников;
- микропроцессоров и пр.
Такие детали не рассчитаны на экстремальное напряжение, выдаваемое генератором в мегаомметре. Их рекомендуется перед проверкой изоляции шунтировать, полностью извлекать из общей схемы.
Измерение сопротивления в изоляции
Поняв, как работать мегаомметром, перед его использованием стоит ознакомиться со схематическими особенностями, убедиться в исправности и надлежащем обеспечении защиты. Обрабатываемая зона выводится из эксплуатации. Прибор на предмет исправности проверяется следующим образом:
- края измерительного провода между собой закорачиваются;
- далее генератором на них подается напряжение;
- если устройство полностью исправно, в закороченной цепи показатели измерения равняются нулю;
- следующий шаг — разъединение проводов, отведение их в стороны с проведение повторного замера;
- в норме на стрелочной шкале megger высвечивается сигнал безопасности.
Процедура проверки изоляции осуществляется в строго обозначенной последовательности. Заземление переносного типа подводится к контуру, на участке полностью исключается наличие напряжения. После этого создается измерительная схема. В нее подается напряжение калиброванного типа до момента выравнивания емкостного заряда. Следующим этапом фиксируется отсчет и вырабатываемая генератором энергия выравнивается. Остаточный заряд нейтрализуется переносным заземлением.
Сопротивление изоляции проверяется мегаомметром при самом высоком пределе МΩ. Принцип действия некоторых моделей основан на прерывистом режиме. Следовательно, в течение 1 минуты подается напряжение, создается пауза в 2−3 минуты.
Узнав, для чего нужен мегаомметр и как он работает, следует разобраться в простых нюансах. Модели со стрелочным корпусом должны ориентироваться на горизонтальное размещение во время работы. В противном случае дополнительных погрешностей не избежать. Что касается усовершенствованных установок, они работают в любом положении с максимальной точностью.
Мегаомметр
4 УСТРОЙСТВО И ПРИНЦИП РАБОТЫ
4.1 Конструктивное исполнение. Мегаомметр выполнен в пластмассовом корпусе.
На передней панели расположены: отсчетное устройство; гнезда для подключения измеряемого объекта; органы управления и индикации.
В нижней части корпуса мегаомметра размещен технологический отсек, используемый для настройки прибора.
4.2 Принцип действия.
Мегаомметры построены по схеме логарифмического измерителя отношений. Схема электрическая принципиальная мегаомметра ЭС0202/1-Г приведена в приложении Б, мегаомметра ЭС0202/2-Г- приложении В.
Мегаомметры состоят из следующих основных узлов: электромеханического генератора переменного тока; преобразователя; электронного измерителя. Преобразователь предназначен для получения стабильного измерительного напряжения и выполнен по схеме с регулированием в цепи переменного тока (D1, V11). Переключение измерительного напряжения осуществляется изменением опорного напряжения на входе микросхемы D1 переключателем S2 путем изменения коэффициента деления делителя R12, R13, R14, R15.
Электронный измеритель выполнен по схеме логарифмического усилителя (D2, D3). Принцип работы мегаомметра рассмотрим на примере ЭС0202/1-Г.
Измерительное напряжение через резистор R11 поступает одновременно на резисторы R16, R32, R33 и измеряемый резистор. Ток измерителя Iр равен:
где К — коэффициент пропорциональности, Rх — измеряемое сопротивление, R16, R17, R18, R32, R33 — сопротивления, см. приложение Б.
Из приведенной выше зависимости следует, что ток измерителя пропорционален логарифму отношения сопротивлений и не зависит от измерительного напряжения.
ПРИЛОЖЕНИЕ Б (справочное) СХЕМА ЭЛЕКТРИЧЕСКАЯ ПРИНЦИПИАЛЬНАЯ МЕГАОММЕТРОВ ЭС0202/1-Г
Примечания:
1.Конденсаторы С2-К50-35-63В;С6-К73-9-100В ±1 О %-А; С4,С8…С11,С14, С16-К73-17-260В ±10%; С7-МБМ-750В ±10%; СЗ-МБМ-ЮООВ ±10%; С5-МБМ-1600В ±10%; С1-К73-17-630В ±10%.
2.Переключатели S2.1, S2.2.S» 1.S3.2- герконы КЭМ-2,группа 0.
3.Резисторы R1…R6, R11, К19, R31, R42- С2-23…±10%-А-Д-В; R8,R9,R12…R16, R23…R2S,R27,R32,R33 — С2-29В…±1%-1,0-Б; R28,R17,R18,R20, R22 — С2-29В…±0,б%-1,0-Б; R21 — СПб-2-1 ±10%, R10, R41-С2-14…+1 %Б.
4.»ВН» o выходное напряжение.
5.Р- механизм измерительный Баб.171.074.
6.R19, R41, R42 устанавливаются при необходимости.
7.Допускается вместо микросхемы AS394CH применять микросхему КР159НТ1А.
8.Трансформаторы Т2 — Ба4.720.074, ТЗ — Ба4.720.075.
9.G — генератор Баб.126.006.
* Подбирают при регулировании.
ПРИЛОЖЕНИЕ В (справочное) СХЕМА ЭЛЕКТРИЧЕСКАЯ ПРИНЦИПИАЛЬНАЯ МЕГАОММЕТРОВ ЭС0202/2-Г
Примечания:
1.Конденсаторы С2-К50-35-63В;С4,С8..С11,С14,С16-К73-17-250В ±10%; СЗ-МБМ-ЮООВ ±10%;С6,С16,С17- МБМ-1500В ±10%; С1,С6-К73-17-630В ±10%. 2.Переключатели S2.1, S2.2,S3.1,S3.2- герконы КЭМ-2,группа 0.
3.Резисторы R1…R6, R11.R19, R26,R29,R31,R42- С2-23…±10%-А-Д-В; R8,R9,R12…R1G,R23…R25,R27,R32…R40 — С2-29В…±1%-1,0-Б; R28,R17,R18,R20,R22 — С2-29В…±0,5%-1,0-Б; R21- Cn5-2±10%,R10, R41 — С2-14…±1% Б.
4.»ВН» — выходное напряжение.
5.Р- механизм измерительный Баб.171.074-03.
6.R19, R41, R42 устанавливаются при необходимости.
7.Допускается вместо микросхемы AS394CH применять микросхему КР159НТ1А.
8.Трансформаторы Т2 — Ба4.720.074, ТЗ — Ба4.720.075.
9.G — генератор Баб.126.005.
* Подбирают при регулировании.
Схема подключения щитового мегаомметра f96 bm. Как проверить изоляцию кабеля мегаомметром
Мегаомметр– специализированный прибор, предназначенный для выполнения замеров сопротивления. В отличие от омметра, данное устройство получило название вследствие особенностей функционального назначения устройства. «Мега» означает тысяча, а это значит, что прибор применяется с целью нахождения сопротивлений высоких значений. Поэтому устройство обеспечивает генерацию напряжений, благодаря которым и осуществляется измерение.
В большинстве случаев мегаомметр необходим для выяснения величин сопротивления в электроизоляции кабелей, электроцепей, трансформаторных установок, электродвигателей и других электрических установок. Изоляция представляет материал, который препятствует протеканию электротока в ненужном направлении. Необходимость проверки изоляции токопроводящих частей вызвана тем, чтобы не было короткого замыкания, возгорания, а также поражения людей электротоком.
ВидыМегаомметр бывает двух основных видов, они различаются методом измерения, а также типом источника питания.
- Аналоговые . Их часто именуют стрелочными устройствами. Главная их особенность в том, что в них встроена индивидуальная динамо-машина, которая запускается с помощью кругового движения рукоятки. Также предусмотрена шкала со стрелкой. Сопротивление измеряется благодаря магнитоэлектрическому действию. Стрелка крепится на оси, на которой также находится рамочная катушка, на которую действует магнитное поле постоянного магнита. Когда ток протекает по катушке, то наблюдается отклонение стрелки на некоторый угол. Величина угла зависит от напряжения и силы тока. Возможность подобного измерения определяется законом электромагнитной индукции.
К преимуществам стрелочного устройства относятся надежность и неприхотливость. В то же время прибор является морально устаревшим, ведь данный агрегат имеет существенные размеры и большую массу.
- Цифровые . Данные измерители наиболее распространены. В них установлен мощный генератор импульсов, который работает с помощью полевых транзисторов. Подобные устройства оснащаются источником питания, они производят преобразование переменного тока в постоянный. В качестве источника тока может использоваться сеть либо аккумулятор. Измерение сопротивления осуществляется с помощью усилителя посредством сравнения падения напряжения в электроцепи с сопротивлением эталона.
Показатели отражаются на экране. В большинстве случаев предусмотрено сохранение результатов в памяти, дабы в дальнейшем была возможность сравнить данные. Электронное устройство имеет малый вес и небольшие габариты, благодаря чему можно выполнять разные электрические измерения. Но, чтобы работать с таким устройством, требуется достаточно высокая квалификация пользователя.
Кроме того, устройства отличаются друг от друга генерируемым напряжением и пределами измерений:
- Рабочее напряжение достигает 500 Вольт и предела в 500 МОм;
- 1000 Вольт и предела в 1000 МОм.
- 2500 Вольт и предела в 2500 МОм.
Также устройства отличаются классом точности. Например, устройство М4100, которое пользуется значительной популярностью у профессионалов, функционирует с погрешностью максимум 1%. Ф4101 выделяется погрешностью не выше 2,5%. Данные показатели следует учитывать в особенности там, где нужна большая точность определения сопротивления. Подбирать средство для испытаний и тестирования электросистемы следует с учетом сопротивления и иных показателей.
УстройствоМегаомметрлюбого вида имеет следующие элементы:
В стрелочных устройствах напряжение создается динамомашиной, которая заключена в корпус. Динамомашина запускается благодаря пользователю, который крутит ручку устройства с установленной частотой. В большинстве случаев частота вращении должна составлять двум оборотам в секунду. Цифровые устройства питаются от электросети, но в то же время могут работать от или . Функционирует устройство благодаря закону Ома, который определяет силу тока как отношение напряжения к сопротивлению. Устройство мерит электроток, протекающий между двумя включенными объектами, к примеру, жила-земля, 2 жилы и так далее. Измерения осуществляются эталонным напряжением, оно известно наперед. Мегаомметр, учитывая напряжение и ток, легко определяет сопротивление изоляционного слоя, которое измеряет.
В качестве источника постоянного напряжения выступает генератор постоянного тока. Чтобы менять пределы измерения, предусмотрен тумблер-переключатель, который дает возможность коммутировать разные резисторы. Благодаря этому можно менять режим работы и выходное напряжение.
Принцип действияКаждый материал, который не проводит ток, имеет сопротивление изоляции. Со временем она устаревает, либо повреждается. При этом повреждения могут возникать внезапно, иногда их невозможно увидеть. Однако процесс может привести к выходу из строя применяемого оборудования, могут возникнуть замыкания и пожары. К тому же отсутствие изоляции может повлечь появлению на электрическом оборудовании напряжения, которое будет опасно для жизни человека.
Именно для таких измеренй применяется мегаомметр, он создает на измерительных выводах напряжение необходимой величины, чтобы измерить ток, который проходит по цепи. Изначально для генерации напряжений применялись электромеханические машины. Необходимо было вращать рукоятку, дабы генератор вырабатывал напряжение. Главное достоинство таких устройств в том, что им не нужна сеть либо батарея. Измерительная система здесь аналоговая, применяется стрелка, которая демонстрирует показания на шкале.
Также существуют электронные приборы и микропроцессорные устройства. Последние включают измерители тока и напряжения, жидкокристаллический дисплей, микроконтроллер, клавиатуру, источник питания, импульсный преобразователь напряжения. С клавиатуры задается значение испытательного напряжения, после чего генератор создает импульсы тока. Проводятся измерения, полученное значение применяется для вычисления измеряемого сопротивления. Устройство имеет несколько диапазонов измерений, которые переключаются автоматически с помощью изменения коэффициента передачи.
Активный выпрямитель выполняет преобразование переменного тока в постоянный. Напряжение постоянного тока при измерении сопротивления преобразуется в дискретную форму посредством преобразователя частоты напряжения, после чего оно направляется в микроконтроллер. В микроконтроллере происходит обработка команд, которые идут с клавиатуры. Далее идет управление генератором, автоматическим переключением диапазонов. Микроконтроллер вычисляет и запоминает значения измеряемых сопротивлений.
В большинстве случаев в устройстве применяется двухстрочный жидкокристаллический дисплей. Стандартные сервисные функции экрана включают индикатор разряда батареи и выключателя питания в случае отсутствия манипуляций. Корпус выполняется из прочного диэлектрического пластика, на панели спереди располагается клавиатура и индикатор гнезда, куда подключается измерительные щупы. На торце корпуса находится разъем, предназначенный для подключения адаптера. Питание устройства осуществляется от встроенного аккумулятора. Подзарядка батареи осуществляется от бытовой электрической сети в 220 вольт.
ПрименениеМегаомметрнаходит следующее применение:
- Измерение изоляции электрических приборов, а также установок во время наладки и обслуживания в промышленных и лабораторных условиях.
- Измерение сопротивления разъемов, изоляционных материалов, в том числе обмоток электромашин. В большинстве случаев устройство используется для проверки изоляции.
- Измерение сопротивлений с целью проведения расчетов коэффициентов абсорбции, а также поляризации.
При работе мегаомметр создает напряжение, которое может быть опасным для пользователя. Поэтому следует проявлять осторожность. Для начала нужно обесточить оборудование или кабели, в которых нужно провести измерение сопротивления. В промышленности для работы с устройством допускаются только специалисты, которые имеют группу электробезопасности не меньше третьей. Во время измерения изоляции оборудования, к примеру, электрических двигателей, необходимо отключить их от сети. Затем цепи нужно заземлить. С этой целью к шине заземления подключается многожильный провод с хорошей изоляцией.
В электрических цепях важнейшую роль играет сопротивление изоляции. Особенно это важно для высоковольтных установок. Напряжение промышленного тока 230/400В (220/380В по устаревшим стандартам) можно без сомнений считать высоким с точки зрения безопасности. Поэтому проверка сопротивления изоляции электроустановок всегда выполняется:
- при вводе электроустановки в эксплуатацию;
- после окончания ремонтных работ;
- периодически, для профилактики.
Для таких испытаний используется специальный прибор — мегаомметр. Из его названия следует, что он измеряет сопротивление в миллионах Ом. Поэтому работа с мегаомметром проводится с использованием высокого напряжения. Иначе нельзя получить электрического поля, близкого к реальным условиям, и слабый ток утечки невозможно измерить существующими приборами.
Необходимо знать, как пользоваться мегаомметром, этот прибор требует группу допуска 3 и выше по электробезопасности. На выходных клеммах прибора в момент измерений присутствует высокое напряжение порядка 500-2500В. При измерении сопротивления изоляции мегаомметром кабельных и других линий, или когда измеряется коэффициент абсорбции, в проводнике накапливается существенный заряд, так как емкость длинных проводников может достигать нескольких мФ.
Изолирующий материал имеет диэлектрическую проницаемость, которая увеличивает емкость. Неосторожное прикосновение к такому проводнику ПОСЛЕ проверки изоляции может быть смертельно опасным! Так как не все, даже электрики, являются любителями и знатоками физики, то буквальное знание инструкций по работе с мегаомметром является обязательным и проверяется независимо от образования и квалификации у всех работников, получающих допуск на право проводить измерения.
Правила определяют, как измерить сопротивление изоляции в каждом конкретном случае. Измерение сопротивления изоляции мегаомметром — это действие, для которого он и предназначен. Например, измерение сопротивления изоляции электродвигателя или коэффициента абсорбции. С другой стороны, измерение сопротивления обмоток постоянному току предпочтительно проводить другим прибором (омметром, а лучше мостом постоянного тока), хотя мегаомметр может работать в диапазоне низких сопротивлений, результаты будут грубыми. Можно лишь прозвонить проводник мегаомметром — в этом случае он покажет нулевое сопротивление или очень близкое к нему.
Устройство мегаомметра
Современные мегаомметры имеют устройство, существенно отличающееся от приборов ранних образцов, однако, принцип их действия остается тем же: подача в измерительную цепь повышенного напряжение и измерение малых токов, которые протекают в этой цепи. Вместо динамо-машинки и стрелочного гальванометра, помещенных в массивный карболитовый корпус, современный прибор содержит импульсный высоковольтный генератор, выпрямитель, цифровой микроамперметр, управляющий контроллер и дисплей для вывода результатов измерений.
Для питания используются щелочные или литий-ионные элементы, общим напряжением 9-12 В. Именно такие приборы сейчас получили распространение. Приборы устаревших типов из-за физического старения могут просто не пройти поверку и не получат сертификата. Без этого документа измерения считаются недействительными.
Режимы и нормы измерений
Для бытовой проводки и электроустановок испытания сопротивления изоляции проводов производятся напряжением 500 В, а для промышленных напряжением 1-2,5 кВ. Минимальное сопротивление изоляции бытовых сетей и установок должно быть не менее 0.5 МОм, а промышленных не менее 1.0 МОм, отсюда такая разница в напряжениях, которые требуются для мегаомметра.
Изоляция кабелей и проводки
Измерение сопротивления изоляции кабеля выполняют между его проводниками и между отдельнымипроводниками и землей или экраном (кожухом), если он имеется. Если кабель имеет экран или оплетку, то ее присоединяют к клемме «Э» мегаомметра для компенсации токов утечки при измерении изоляции между проводниками. Если испытуемое устройство представляет шкаф, то с клеммой «Э» соединяется корпус. Экран кабеля, оплетка, кожух или корпус электроустановки всегда заземляются. Для подключения прибора применяют только изолированный провод. Трогать его руками во время измерений запрещается. Проверяемый проводник после испытаний заземляется проводником при помощи изолирующей штанги.
Изоляция электродвигателей и трансформаторов
Поскольку и электродвигатель и трансформатор считаются электрическими машинами, то существует много общего в том, как выполняется измерение сопротивления изоляции трансформатора и мотора. Электродвигатель (трансформатор) испытывается на сопротивление межобмоточной изоляции — изоляции между фазами, а также на сопротивление изоляции между каждой из обмоток и корпусом. В случае, если обмотки соединены в звезду или треугольник внутренним образом, то испытывается только сопротивление между обмотками и корпусом. В электродвигателях дополнительно могут проводиться испытания подшипниковой изоляции.
Безопасность при измерениях
Измерения мегаомметром всегда сообщают изолированным проводникам заряды, и чем лучше качество изоляции, тем дольше держится заряд. В целях безопасности обязательно снимают эти заряды при помощи проводов с изолированными рукоятками. Закорачивают точки подсоединения проводов от прибора и каждый из проводников дополнительно замыкают на землю. Цель одна — снять все остаточные заряды для безопасности людей.
Измерение изоляции электроустановок выполнить легче, чем линий и сетей, по причине сосредоточенности и близости к персоналу. Ниже приводится пошаговый порядок действий при измерениях на линиях.
Измерение изоляции на линиях
При подготовке к измерениям кабельных линий необходимо удалить из всех мест, где возможен доступ к проводникам, посторонних людей и животных. Вывесить предупреждающие таблички и поставить дежурных.
Линия должна быть полностью обесточена и отключена от всех нагрузок: автоматов, УЗО, вставок, должны быть вынуты все вилки из розеток и т.п. иначе померить сопротивление изоляции кабеля окажется невозможным, а некоторые приборы, оказавшиеся в нагрузке, могут быть повреждены.
Выбрав цепь для измерения сначала на некоторое время закорачивают ее проводники на землю или корпус (если уже известно, что сопротивление заземления корпуса в норме). Это требуется для снятия остаточных зарядов и точности измерений.
Измерительный прибор (мегаомметр) надежно подключается к выбранным точкам, между которыми испытывается изоляция. Экраны, оплетки и корпуса подключаются к клемме «Э». Изоляционный материал проводов мегаомметра должен быть целым по всей их длине.
Нажимают кнопку «Пуск» и в линию подается напряжение. Через 15 секунд автоматически делается первый отсчет сопротивления изоляции. Еще через 45 делается второй. Прибор рассчитывает коэффициент абсорбции. Это отношение второго отсчета к первому. Коэффициент абсорбции показывает меру влажности изоляции.
Коэффициент поляризации измеряют в течении 600 секунд. Это третий отсчет. Отношение третьего отсчета ко второму является коэффициентом поляризации. Это мера качества изоляции.
Проведенный измерительный процесс запоминается в мегаомметре и все данные можно вывести на дисплей или сохранить в памяти (это зависит от марки прибора).
Мегаомметр отключают, при помощи изолированных штанг и специального проводника разряжают линейные проводники по цепи измерения и на землю. Действия повторяют для всех необходимых цепей.
Оценка результатов
Для небольших объектов за сопротивление изоляции считают данные, полученные через 15 секунд. Экраном не пользуются, так как емкость невелика (например, электродвигатель, который не подключен к длинному кабелю.) Коэффициент абсорбции также не измеряют. Во всех остальных случаях, и для кабельных линиях сопротивлением изоляции считают данные, полученные после 60 секунд. Индекс поляризации измеряют при комплексных испытаниях электроустановок.
Читателям этой статьи, скорее всего, придется измерять небольшие объекты, где измерение изоляции производится по упрощенному варианту. Мегаомметры дают возможность выбирать требуемые режимы измерений в своем меню, поскольку все измерительные процедуры более-менее стандартизованы. Несмотря на это, нельзя ни на секунду забывать о соблюдении мер безопасности, которые перечислены в статье!
Сопротивление изоляционного слоя кабеля один из самых главных параметров его работоспособности. Если вы купили кабель, и он у вас хранился некоторое время на складе, не думайте что изоляция его будет такой же, как и при покупке. Изоляция может ухудшаться как при неудовлетворительных условиях хранения, так и в процессе работы и монтажа. Для того, чтобы выявить все возможные проблемы и осуществляется проверка изоляции кабеля мегаомметром.
Причины плохой изоляции кабеля
Есть несколько факторов влияющих на изоляционные свойства кабелей:
Для того чтобы вовремя выявить проблему с изоляцией, потребуется специальный прибор – мегаомметр. Данные приборы бывают старого образца (механические, где нужно вращать ручку):
и нового образца – электронные:
Рассмотрим работу этих устройств.
Правила безопасности
Проверка изоляции кабеля мегаомметром производится только на отключенном и обесточенном оборудовании.
Мегаомметр способен выдать высокое напряжение (отдельные виды до 5000 Вольт), поэтому при работе с ним строго соблюдайте следующие правила:
Подготовительные работы
Испытуемый кабель перед проверкой необходимо подготовить.
Для этого:
- ⚡ проверяете отсутствие напряжения на жилах кабеля
- ⚡ на длинных кабелях может быть наведенное или остаточное напряжение
Поэтому перед каждым замером, с помощью отдельного кусочка провода или переносного заземления, в диэлектрических перчатках необходимо коснуться жилы и заземленного корпуса или контура заземления, чтобы снять этот заряд; - ⚡ отсоединяете кабель от подключенного оборудования.
Это необходимо сделать, чтобы при проверке изоляции кабеля мегаомметром, в испытании участвовал только сам кабель, без того оборудования или автоматов к которым он подключен. Отключение необходимо выполнить с двух сторон кабеля. Иногда для ускорения работы этого не делают. Сначала проводят замер, и если он показал отрицательный результат, то только после этого откидывают жилы.
Проверка мегаомметра
Перед проверкой изоляции кабеля мегаомметром, необходимо испытать на работоспособность сам аппарат.
Вот как это делается на мегаомметре М4100. Прибор имеет 2 шкалы: верхнюю для измерения в мегаомах и нижнюю для замеров в килоомах.
Для работы в мегаомах:
- ⚡ подключаете концы провода щупов к двум левым клеммам. Щупы должны быть разомкнуты;
- ⚡ вращаете ручку и смотрите показания стрелки. При исправности прибора она будет стремиться в левую сторону — к бесконечности;
- ⚡ замыкаете щупы между собой. При вращении ручки стрелка должна отклониться вправо до нуля.
Для работы в килоомах:
- ⚡ на 2 левые клеммы ставите между собой перемычку и один из концов подключаете туда. Второй конец подключается на правую крайнюю клемму. Щупы разомкнуты;
- ⚡ Вращаете ручку и смотрите показания. При исправности прибора стрелка отклоняется максимально вправо;
- ⚡ После замыкания щупов и вращении ручки, стрелка будет стремиться к нулю по нижней шкале (т.е. в левую сторону).
Работа с мегаомметром М4100
- первым делом проверяете отсутствие напряжения на кабеле
- заземляете все жилы
- прибор размещаете на ровную поверхность
- при замере изоляции жилы на “землю” один из щупов присоединяется к проводу, другой к броне или заземляющему устройству. После чего снимаете заземление только с измеряемой жилы;
- равномерно вращаете ручку в течение 60 секунд. Скорость вращения – два оборота в секунду. На 60 секунде отмечайте показания прибора;
- после каждого замера снимайте остаточный заряд с жилы и с проводов мегаомметра, путем их прикосновения к заземлению.
Бытовые сети и домашние проводки достаточно испытывать напряжением 500 Вольт. Минимальное значение, которое должна показать проверка изоляции кабеля мегаомметром в этом случае — 0,5мОм.
В промышленных эл.сетях кабели испытываются мегаомметрами на 2500 Вольт. Сопротивление изоляции при этом должно быть не меньше 10 мОм.
Работа с электронным мегаомметром
Как часто проводится проверка изоляции кабеля мегаометром?
- Первый замер делается на заводе изготовителе
- Перед монтажом на объекте
- После монтажа перед подачей напряжения
- В течение эксплуатации при выявлении дефектов или при техобслуживании один раз в три года.
- ⚡ некоторые путаются со шкалами прибора М4100. Где расположена шкала измерения в мегаомах, а где в килоомах? Чтобы не запамятовать воспользуйтесь подсказкой: мегаом (мОм) как единица измерения выше, чем килоом (кОм), соответственно и ее шкала находится выше!
- ⚡ перед измерением очищайте концы жил кабеля от грязи. Грязная изоляция может дать плохие результаты, хотя сам кабель будет исправным;
- ⚡ измерительные провода самого мегаомметра должны иметь изоляцию минимум 10мОм. Не используйте непонятные обрезки или куски старых проводов. Вы только ухудшите показания измерений и не узнаете точных результатов;
- ⚡ когда проверяете кабель, в цепи которого присутствует счетчик, обязательно отсоединяйте все фазные жилы и нулевую жилу от корпуса или шинки. Иначе из-за прибора учета, у вас будут показания мегаомметра, как будто жилы кабеля дают короткое замыкание между собой;
- ⚡ если вы последовательно проводите измерения отдельных участков проводки, всегда отключайте нулевые жилы от общей шины. В противном случае получите одинаковые замеры на всех кабелях. И эти результаты будут равны худшему сопротивлению одного из подключенных кабелей;
- ⚡ если кабель протяженный (более 1 км), с большой емкостью, то снимать остаточный заряд необходимо с помощью специальной штанги. А то можно создать большой ”бум” прямо перед глазами;
- ⚡ при измерениях в сетях освещения выкручивайте лампочки накаливания со светильников, сами выключатели оставляйте включенными. Для газоразрядных ламп замеры можно проводить не вытаскивая лампочек из корпусов, но с обязательным выкручиванием стартера.
Измерения мегаомметром в процессе эксплуатации разрешается выполнять обученным работникам из числа электротехнического персонала. В электроустановках напряжением выше 1000 В измерения производятся по
наряду, кроме работ, указанных в пунктах 6.12, 6.14 Правил, в электроустановках напряжением до 1000 В и во вторичных цепях – по распоряжению или по перечню работ, выполняемых в порядке текущей эксплуатации.
(6.12. Один наряд для одновременного или поочередного выполнения работ на разных рабочих местах одной электроустановки допускается выдавать в следующих случаях:
при прокладке и перекладке силовых и контрольных кабелей, испытаниях электрооборудования, проверке устройств защиты, измерений, бло-кировки, электроавтоматики, телемеханики, связи;
при ремонте коммутационных аппаратов одного присоединения, в том числе когда их приводы находятся в другом помещении;
при ремонте отдельного кабеля в туннеле, коллекторе, колодце, траншее, котловане;
при ремонте кабелей (не более двух), выполняемом в двух котлованах или РУ и находящемся рядом котловане, когда расположение рабочих мест позволяет производителю работ осуществлять надзор за бригадой.
При этом разрешается рассредоточение членов бригады по разным рабочим местам. Оформление в наряде перевода с одного рабочего ме-ста на другое не требуется.
6.14. Допускается выдавать один наряд для поочередного проведения однотипной работы на нескольких электроустановках, предназначен-ных для преобразования и распределения электрической энергии (далее — подстанциях) или нескольких присоединениях одной подстанции.
К таким работам относятся: протирка изоляторов; подтяжка контактных соединений, отбор проб и доливка масла; переключение от-ветвлений обмоток трансформаторов; проверка устройств релейной защиты, электроавтоматики, измерительных приборов; испытание повышенным напряжением от постороннего источника; проверка изоляторов измерительной штангой; отыскание места повреждения КЛ. Срок действия такого наряда — 1 сутки.
Допуск на каждую подстанцию и на каждое присоединение оформляется в соответствующей графе наряда.
Каждую из подстанций разрешается включать в работу только после полного окончания работы на ней.)
Разрешается измерение мегаомметром сопротивления изоляции электрооборудования выше 1000 В, включаемого в работу после ремонта, выполнять по распоряжению двум работникам из числа оперативного персонала, имеющим группу IV и III при условии выполнения технических мероприятий, обеспечивающих безопасность работ со снятием напряжения.
Измерение сопротивления изоляции мегаомметром должно осуществляться на отключенных токоведущих частях, с которых снят заряд путем предварительного их заземления. Заземление с токоведущих частей
следует снимать только после подключения мегаомметра
При измерении мегаомметром сопротивления изоляции токоведущих частей соединительные провода следует присоединять к ним с помощью изолирующих держателей (штанг), при этом следует пользоваться
Как говорится “по многочисленным просьбам…” записал сегодня на видео пример измерения мегаомметром сопротивления изоляции токоведущих частей.
Мегаомметр- электромеханический, то есть с “крутилкой”, надо вращать ручку как на шарманке))
Лично мне такой больше по душе чем электронный, с тем у меня как то не сложились отношения…
На видео рассказываю как устроен мегаомметр, основные технические характеристики и правила применения- что куда подключать. как крутить и т.д.
Получилась своеобразная краткая инструкция по мегаомметру в видеоформате.
С видео опять у меня не очень… Когда уже начал просматривать- оказалось что стрелочный указатель совсем не видно. Эх, что ж делать, фотоаппарат у меня не справляется с поставленой задачей)))
В статье на фото все прекрасно видно- можно посмотреть.
У кого нет возможности смотреть видео- читайте статью.
Для чего предназначен мегаомметр? Для измерения сопротивления изоляции токоведущих частей. На выходе мегометра при вращении рукоятки появляется высокое напряжение и если изоляция плохая- ее начинает “прошивать”.
И чем хуже изоляция тем сильнее ее пробивает повышенным напряжением мегаомметра- тем ниже ее сопротивление.
Токоведущие части- это провода, шины и т.п. которые в нормальном режиме находятся под напряжением и по ним протекает электрический ток.
А вот как раз для того, что бы этот режим работы был нормальным, а не аварийным нам и надо иметь хорошую изоляцию токоведущих частей относительно земли, корпусов оборудования и всего того где не должно быть опасного потенциала.
Вообще в энергетике самый главный приоритет- это жизнь и здоровье человека. Железяку можно отремонтировать, заменить, а жизнь человека бесценна.
Электричество же представляет реальную угрозу здоровью, поэтому от него отделяются, отгораживаются- изолируются всеми возможными средствами.
В проводах это всевозможный нетокопроводящий материал, на подстанциях с высоким напряжением и громоздким оборудованием- соответствующий воздушный зазор, фарфоровая изоляция ну и т.д.
А вот что бы знать в каком состоянии у нас находится изоляция- и предназначен мегаомметр.
Все прекрасно знают и постоянно передают в новостях- сколько происходит пожаров от неисправной электропроводки- вот последствия нарушенной изоляции.
Параметры изоляции регламентируются в ПУЭ- правилах устройства электроустановок и измеряются естественно в Омах.
А так как сопротивление изоляции очень высокое и значения получаются иногда с девятью нулями то используют приставку МЕГА, то есть шесть нулей сокращается и значение например 9000000000 превращается в 9 тыс.МОм.
Это было небольшое вступление, а сейчас про мегаомметр.
Предназначен уже сказал для чего, технические характеристики кратко:
режим работы прерывистый, 1 мин. максимум можно измерять, 2 мин. перерыв и т.д.
режимы измерения повышенным напряжением 500, 1000, и 2500 Вольт
измерительная шкала- верхняя и нижняя.
По верхней измеряется очень высокое сопротивление от 50 до 10 тыс.МОм
По нижней- от 0 до 50 МОм
Скорость вращения рукоятки- 120-140 оборотов в минуту.
Рабочее положение- горизонтальное, при любом другом стрелочный индикатор будет давать погрешность измерения- немножко врать.
На корпусе имеется клемная колодка куда подключаются измерительные провода с щупами. Всего- три клеммы.
Клемма с буквой “Э” обозначает экран. Сюда подключается специальный третий провод из комплекта, идущего с мегаомметром.
Второй конец этого провода фиксируется на кожухе или экране. Это используется при измерении сопротивления изоляции между двумя токоведущими частями для устранения токов утечки, возникающих при этих измерениях.
Если же меряется изоляция относительно корпуса оборудования или “земли”- то подключать клемму “Э” не надо!
На одном из измерительных проводов на конце- две клеммы, одна- маркированная буквой “Э” подключается на на соответствующую клемму “Э” мегаомметра, вторая- на среднюю клемму.
Второй измерительный провод подключается на клемму со знаком минус.
Если экран не нужен- эту клемму провода просто не подключаем.
Как работать мегаомметром?
Для начала надо убедиться что токоведущие части где будем измерять отключены- проверяем отключенные автоматы, рубильники и т.п.
Затем заземляем токоведущие части и снимаем заземление только после подключения мегаомметра.
Измерительные щупы мегаомметра брать только за изолирующие рукоятки (при напряжении выше 1000Вольт кроме этого еще используют диэлектрические перчатки)
Когда измеряем- нельзя касаться токоведущих частей!
Делаем измерение изоляции и по окончании- снимаем заряд с токоведущих частей прикасаясь к ним кратковременно проводом заземления.
Снимаем заряд и с самого мегаомметра- прикасаемся измерительными щупами друг к другу.
Не забываем снять заземление с токоведущих частей! Иначе будет конкретное КЗ!
Основу вроде всю написал, если у вас есть что добавить- пишите в комментарии.
Узнайте первым о новых материалах сайта!
Принцип работы мегомметра| Принцип работы мегомметра
МегомметрМегомметр (или мегомметр) — это прибор для измерения очень высоких сопротивлений, таких как сопротивление изоляции электрических кабелей.
Для пропускания измеряемого тока через такие сопротивления требуется источник высокого напряжения. Таким образом, мегомметр — это, по сути, омметр с чувствительным прибором отклонения и источником высокого напряжения. Как показано на рисунке (1), напряжение обычно создается генератором с ручным заводом.Генерируемое напряжение может составлять от 100 В до 2,5 кВ.
Рис.1: Мегомметр с ручным управлением
Как и в случае омметра с низким сопротивлением, шкала мегомметра показывает бесконечность (∞) при измерении обрыва цепи, ноль при коротком замыкании и половину — шкала, когда неизвестное сопротивление равно стандартному резистору внутри мегомметра. В других точках шкалы отклонение пропорционально соотношению неизвестного и стандартного резисторов. Диапазон прибора может быть изменен путем включения различных номиналов стандартного резистора в схему.
Также доступны мегаомметры с батарейным питанием, и по сути, это омметры с очень высоким сопротивлением. Напряжение аккумулятора обычно повышается (с помощью электронных схем) до уровня 1000 В, чтобы получить измеримый ток через неизвестное сопротивление. Измерение производится при кратковременном нажатии и удерживании кнопки питания. Это действие минимизирует ток утечки на батарее.
Приложения Megger | Применение мегомметраМегомметр также используется для обнаружения нарушения изоляции двигателей и трансформаторов.Это достигается за счет наведения высокого напряжения на обмотки этих электрических компонентов. Подача большого напряжения приведет к обнаружению ослабленной изоляции; скорее всего, приведет к отказу двигателя или короткому замыканию трансформатора. Напряжение, используемое при испытании изоляции Megger, может находиться в диапазоне от 50 В до 5000 В. Подав высокое напряжение на обмотки двигателя или трансформатора, вы сможете определить, есть ли ухудшение изоляции. В таком случае ток будет вытекать из обмоток.Уходящий ток может привести к замыканию на землю или короткому замыканию обмоток двигателя или трансформатора.
Принципиальная схема мегомметраНа Рисунке 3 показана подробная принципиальная схема мегомметра.
Рис.3: Схема мегомметра
1 и 2: Управляющая и отклоняющая катушки
Обычно они устанавливаются друг к другу под углом 90 градусов и соединяются с генератором параллельно. Полярность такова, что крутящий момент, развиваемый этими катушками, находится в противоположном направлении.
3 и 4: шкала и указатель
Указатель привязан к катушкам, и конец указателя перемещается по шкале счетчика, имеющей диапазон от «нуля» до «бесконечности». Шкала откалибрована в «омах».
5 и 6: Сопротивления катушки давления и катушки тока
Они обеспечивают защиту от любых повреждений в случае низкого внешнего сопротивления при испытании.
7: Подключение генератора постоянного тока или аккумулятора
В ручном мегомметре генератор постоянного тока обеспечивает испытательное напряжение, в то время как в мегомметре цифрового типа это осуществляется с помощью аккумулятора или зарядного устройства.
8: Постоянные магниты
Постоянные магниты создают эффект намагничивания, чтобы отклонить указатель.
Как использовать мегомметр- Изолируйте тестируемое оборудование от всех силовых цепей
- Подключите провода к соответствующим клеммам для проверки изоляции
- Установите переключатель функций на желаемое напряжение, которое измеритель будет вводить в электрическую цепь. компонент
Примечание: Перед тем, как продолжить, важно проконсультироваться с производителем относительно проведения испытаний изоляции и номинальных характеристик электрического компонента.Слишком высокое напряжение может привести к аннулированию гарантии, сокращению срока службы или повреждению проверяемого двигателя или трансформатора.
- Подсоедините наконечники щупов к тестируемому оборудованию. Если есть напряжение, большинство измерителей выдадут какое-то предупреждение.
- Следуйте инструкциям по эксплуатации оборудования и начните проверку.
При тестировании между обмоткой и землей результат должен быть нулевым сопротивлением. Если между обмотками и землей есть какое-либо сопротивление, результатом будет замыкание на землю в этой точке, и важно заменить блок.
При испытании между двумя отдельными обмотками результат должен быть близок к нулю. Если между двумя отдельными обмотками имеется какое-либо сопротивление, это указывает на то, что в этот момент происходит разрыв изоляции, и важно спланировать замену оборудования.
написано Ахмедом Файзаном, M.Sc. (США)
Измерения мегомметра и приборы для испытания изоляции
Измерения мегомметра теперь могут быть более точными, быстрыми и безопасными, чем когда-либо прежде.
JEFF JOWETT, MEGGER
Значительное количество электронщиков, работающих в электротехнической промышленности, прошли военную подготовку. И многие из них учились на простом аналоговом измерителе с ручным заводом, правильное название которого — мегомметр, или тестер изоляции. Эти тестеры обычно представляли собой блоки на 500 В, которые измеряли до нескольких сотен МОм и могли выполнять проверку целостности цепи, возможно, до 100 Ом. Испытательные напряжения поступали от бортового генератора, приводимого в действие оператором, поворачивающим ручку, с выпрямителем, преобразующим выходной сигнал в постоянный ток.Переключатель предоставлял возможность проверки изоляции с высоким сопротивлением или проверки целостности цепи с низким сопротивлением. Многие из этих тестеров все еще находятся в рабочем состоянии, и при условии, что они находятся в хорошем состоянии и откалиброваны, нет причин, по которым они не должны быть в таком состоянии.
на протяжении десятилетий оставались весьма схожими по конструкции и функциям. Различия заключались в основном в качестве изготовления. Но революция в микроэлектронных схемах вызвала взрыв в быстром переходе на новые и лучшие конструкции.Теперь измерения могут быть более точными, быстрыми и безопасными, чем когда-либо прежде.
Сначала основы: мегаомметр измеряет качество электрической изоляции путем приложения напряжения к изоляции и измерения величины тока, который «протекает» через нее (отсюда и термин «ток утечки»). Напряжения обычно применяются при номинальном рабочем напряжении для текущего обслуживания или в два раза выше номинального для поиска и устранения неисправностей. Токи очень малы … обычно наноамперами … и поэтому тестер должен обладать исключительной чувствительностью.Сила тока всего 5 мА достаточно, чтобы шокировать человека. Испытательное напряжение и измеренный ток преобразуются в сопротивление в миллионах Ом (мегом, МОм). Все, что меньше МОм, обычно считается непригодным для эксплуатации (исключение составляют оборудование, работающее при очень низких напряжениях, и узлы, которые будут заключены в дополнительную изоляцию внутри более крупного оборудования).
Все это сделали оригинальные тестеры, но не более того. Испытания на электрическую изоляцию определили, что необходимо очистить, отремонтировать или утилизировать, а что можно надежно сохранить в эксплуатации.Испытания изоляции являются жизненно важным звеном в противопожарной защите, устранении дорогостоящих отказов в процессе эксплуатации и обеспечении безопасной эксплуатации. Простые инструменты могут выполнять эти функции достаточно хорошо, и за те десятилетия, которые они эксплуатировали, вокруг них выросло определенное количество знаний.
Все оригинальные тестеры имели аналоговые механизмы. Они должны были; не было микроэлектроники. Стрелки находились на верхнем уровне, в начале теста были зафиксированы на низком уровне из-за емкостных зарядных токов, затем стабильно смещались (как предполагалось) обратно к верхнему пределу или останавливались при измерении.Многие операторы научились наблюдать за поездками и стали меньше обращать внимание на фактические цифры.
Этому навыку было трудно научить; его нужно было изучить, и он до сих пор практикуется опытными техническими специалистами. Но аналоговые движения были чувствительны и выдерживали небольшие удары. Они также могут пострадать от параллакса и интерпретации оператором того места, где остановился указатель.
Современные мегомметры: семейство MIT4002 от Megger. Обратите внимание на использование как цифровых, так и аналоговых отображений сопротивления в логарифмической шкале.ЖК-дисплеев представили цифровые измерения. Эти устройства обычно можно было сбросить и снова ввести в эксплуатацию, при условии, что они не приземлялись прямо на дисплей; огромный бонус в экономии времени и средств. Цифровые измерения также могут быть чрезвычайно точными, с точностью до одного-двух процентов по качеству инструментов, и не требуют интерпретации. Но дорожка указателя, заветная ветеранам техники, была потеряна.
Тогда технологии снова пришли на помощь! Комбинированные дисплеи доступны в качественных приборах с электронной стрелкой и цифровым результатом в состоянии покоя.Помните: ищите логарифмическую дугу, которая расширена для лучшего разрешения на очень важном нижнем конце шкалы. Простая изогнутая гистограмма не ведет себя как настоящий аналог.
Специалисты по аналоговым технологиям привыкли к хорошей изоляции, измеряющей верхний предел шкалы, отмеченный символом бесконечности. Это всегда желательно, но не всегда понимается.
Infinity — это не измерение; это просто означает, что изоляция лучше, чем этот тестер может измерить в пределах заявленных параметров.Старые оригинальные тестеры могли достичь только 200 МОм, или, что более вероятно, 1000 МОм (1 Гигаом). Этого было достаточно, чтобы отсеять плохое или неисправное оборудование. Но больше информации там не было.
Тестеры качестватеперь измеряют в диапазонах гигаом или тераом (1000 ГОм). У этого расширенного ассортимента есть два основных преимущества. Сопротивление изоляции медленно и неуклонно снижается во время работы и может действовать как автомобильный одометр в обратном направлении; чем меньше число, тем меньше оставшийся срок службы.
Это поведение может быть изменено, чтобы предоставить график технического обслуживания и замены.Более высокие значения позволяют заранее предупредить, если сопротивление быстро падает, например, из-за попадания влаги или ближайших источников загрязнения. Во-вторых, производители изоляционных материалов постоянно разрабатывают более крупные сшитые макромолекулы, которые повышают качество и повышают ранние результаты измерений. Измерительные возможности тестеров должны идти в ногу с такими разработками.
Наконец, вы должны записать результат, если ваш тест действительно идет на бесконечность (выход за пределы диапазона), и знать, какую высоту ваш тестер может измерить.Предел диапазона обычно повышается с увеличением испытательного напряжения, поэтому помните об используемом напряжении и пределах этого диапазона. Затем запишите его как более
этого предела (например,> 100 ГОм). Нет ничего плохого в
на пределе диапазона.
РУЧНАЯ КОЛОДКА VS АККУМУЛЯТОР
Линия питания не подходила для многих сред, в которых проводились испытания, таких как строительные площадки и удаленные схемы, поэтому ручные рукоятки с годами приобрели значительную загадочность. Когда батареи начали использоваться, они усилили, а не вытеснили загадочность ручного управления.Ранняя работа с батареями была нестабильной и заработала плохую репутацию, вплоть до изгнания в некоторых кругах. Батареи могут разрядиться до конца смены, оставив техника без инструмента. Хуже того, когда они теряли заряд, показания могли стать регрессивно менее точными.
К концу 1970-х годов технология аккумуляторов значительно улучшилась, и эти проблемы можно было избежать. Теперь качественный тестер изоляции может провести 2000 тестов с одним комплектом. Кроме того, все указанные возможности доступны вплоть до появления предупреждения LO BAT.Тем не менее, ручные рукоятки настолько укоренились, что продолжают широко использоваться. Опытные операторы могут настаивать на том, что они могут сказать что-то о качестве тестового объекта по очереди генератора. Но, как и ощущение управляемости автомобиля, это утверждение не поддается количественной оценке с научной точки зрения.
По-прежнему можно получить тестеры изоляции с рукояткой. Примером является MJ159, который также имеет несколько тестовых напряжений для точечного и ступенчатого тестирования напряжения, защитный терминал для устранения поверхностного тока утечки и считывание без масштабных множителей, чтобы избежать возможных ошибок чтения оператора.Измерители изоляции обеспечивают высокое напряжение, но малую мощность. Поначалу это может показаться нелогичным, но небольшое размышление проясняет это. Тестируемый элемент, который пропускает более нескольких миллиампер, больше не подходит в качестве изоляции. Следовательно, мегомметры обычно ограничены выходным сигналом примерно до 5 мА или меньше. Этот низкий уровень делает тестировщик безопасным, но не тестируемый объект. Испытываемые предметы с высокой емкостью (длинные участки кабеля, большие обмотки двигателей и трансформаторов) могут накапливать достаточно энергии, чтобы привести к летальному исходу.Когда тест заканчивается и градиент напряжения, создаваемый мегомметром, прекращается, вся эта накопленная энергия разряжается.
В прошлом защита от таких трудностей в основном предоставлялась хорошей рабочей практике. У некоторых тестеров были выключатели разряда, но их можно было случайно не заметить. Практическое правило заключалось в том, чтобы выпустить в пять раз больше длины теста; то есть десятиминутный тест был оставлен заземленным на пятьдесят минут перед отключением, предполагая, что этого будет более чем достаточно.
Сейчас на повестке дня избыточная безопасность.Безопасная работа дополняется разрядным контуром в приборе со звуковыми и визуальными предупреждениями. Оператору нужно только наблюдать, как процесс разгрузки отображается на дисплее. Защитная схема также используется в начале и во время теста. Если цепь находится под напряжением или становится под напряжением во время теста, современные тестеры предупреждают оператора и отключают тестирование.
Раньше тестеры изоляции обычно возвращались для «гарантийного» ремонта с прожженными следами по всем направлениям.Живое общение; ошибка оператора; нет гарантии.
Теперь тестер качества определяет напряжение под напряжением и отключает тестирование. Это еще не все. Для проверки целостности цепи — следствия проверки изоляции для проверки правильности подключения цепей — требуется испытательная цепь с низким сопротивлением. Но цепь разряда с высоким сопротивлением остается включенной до тех пор, пока тестер не обнаружит, что оба провода подключены к безопасной цепи с низким сопротивлением.
Старые тестеры когда-то приходили со стопкой тестовых карточек.Техник записывал данные и иногда соединял точки для построения графика. Их часто вешали на машины в водонепроницаемых куртках. Практика отнимала много времени и была подвержена человеческим ошибкам. Современные тестировщики сохраняют данные одним нажатием кнопки; даже все данные длительной процедуры. Помимо легкости хранения, такая практика также исключает множество споров с третьими сторонами и властями. Протоколы испытаний и сертификаты печатаются так же легко. А математические расчеты, такие как поправка на температуру, выполняются автоматически и без ошибок.
ИСПЫТАТЕЛЬНОЕ НАПРЯЖЕНИЕ
Испытания изоляции однажды проводились при одном напряжении, к которому было добавлено несколько важных вариантов выбора переключателя. Но только один читал напрямую. Остальные измерения пришлось скорректировать с помощью множителя или деления, которые были напечатаны на селекторе. Variacs обеспечивает бесконечную регулировку напряжения, но только одно или два положения читаются напрямую. Все остальные пришлось скорректировать на коэффициент, указанный на шкале. В конце концов, появилось несколько позиций селектора, которые можно было читать напрямую.Они оказали огромную помощь и доминировали около полувека. Теперь опытные тестировщики предоставляют возможность прямого считывания с шагом 1 В по всему диапазону тестера.
Кроме того, тестеры могут измерять несколько параметров, помимо сопротивления изоляции, напрямую отображая ток утечки (обратно пропорциональный сопротивлению), частоту, фактическое испытательное напряжение, емкость и другие параметры. Можно настроить звуковые индикаторы прохождения / непрохождения и одновременное отображение нескольких измерений. Стандартные процедуры могут выполняться автоматически, пока оператор занимается другой задачей.
Международные стандарты обеспечивают рабочие процедуры и анализ результатов. Двумя наиболее важными из них являются IEC 61010, который определяет общие требования безопасности для нескольких типов электрического оборудования, и степень защиты IP (степень защиты от проникновения). Рейтинг IEC CAT, или категория, указывает на уровень защиты от дугового разряда / дугового разряда. Всегда знайте рейтинг CAT инструмента и применяйте его соответствующим образом.
Проникновение посторонних материалов… пыли, влаги… не смертельно для оператора, но может быть опасно для прибора.Корпуса значительно улучшились по сравнению со старыми бакелитовыми и фенольными материалами. Рейтинг IP позволяет количественно оценить характеристики корпуса, объективно и надежно указывая, в каких условиях окружающей среды прибор будет продолжать работать. Есть даже рейтинг погружения, хотя испытания изоляции обычно не проводятся под водой.
В целом, эволюция приборов за столетие значительно снизила вероятность ошибки. Но есть еще несколько передовых методов, которые следует учитывать при проведении испытаний изоляции: Тестирование должно соответствовать правилам безопасной работы работодателя, профсоюза или источника стандартов.Изолируйте тестовый предмет и держите его недоступным для посторонних или прохожих. Проведите тест производительности на тестовом оборудовании и подключите провода. Поврежденные потенциальные клиенты часто остаются незамеченным источником сбивающих с толку или неточных результатов.
Знать основную электрическую конфигурацию объекта испытаний; вы должны проверить изоляцию между выводами. У двигателей и трансформаторов будут открытые обмотки, поэтому вы не проводите проверку целостности цепи. Закройте открытые концы крышкой или разделите их, чтобы исключить возможность возникновения дуги.Знайте единицу измерения, чтобы не путать МОм с ГОм или ТОм. Хороший тестер покажет единицы измерения на дисплее, но операторы иногда не обращают на это внимания.
Прежде всего, обязательно учитывайте время и температуру. И то, и другое сильно влияет на показания. Установите обычную температуру, используя коэффициент изоляционного материала (часть технических характеристик). Снимайте показания в одно и то же время теста, как только цифры установятся (например, 30 секунд, 1 минута).
Наконец, одножильный кабель нельзя протестировать традиционным способом, потому что нет места для присоединения второго провода.Можно сделать специальные приспособления для тестирования одиночных проводников, но не ожидайте, что будут применяться стандартные процедуры для многоядерных.
Megger 210400 Мегомметр, сопротивление 100 гигаом, 2,5 кВ, 5 кВ Испытательное напряжение: Омметры: Amazon.com: Industrial & Scientific
Мегаомметр серии Megger 210400 — это аналоговый измеритель, который измеряет сопротивление изоляции, чтобы помочь снизить опасность поражения электрическим током и время простоя в электросети. системы, которые включают провода, кабели, трансформаторы и электродвигатели.Ручка ручного выбора диапазона позволяет оператору выбирать диапазон измерения, а плавно регулируемое испытательное напряжение обеспечивает высокочувствительные показания сопротивления изоляции. Устройство проверяет сопротивление изоляции с помощью испытательного напряжения низкого или высокого напряжения. Экранированный высоковольтный выходной кабель постоянно прикреплен к устройству, чтобы избежать его повреждения. Устройство включает в себя автоматический выключатель и резервные заземляющие соединения для повышения безопасности. Серия 210400 обычно используется электриками и подрядчиками.
Измерители электрических испытаний сообщают о таких свойствах электрических цепей, как напряжение, сопротивление, емкость и целостность цепи. Доступные в портативном или настольном исполнении, они обнаруживают электрические проблемы в оборудовании, проводке и источниках питания. Для подключения измерителя к цепи или устройству можно использовать различные зонды, зажимы и провода. Однофункциональные измерители, такие как тестеры батарей и тестеры напряжения, измеряют одно свойство цепи, а мультиметры измеряют несколько свойств. Электрические измерительные приборы отображают информацию либо в аналоговой форме с помощью стрелки, которая движется по калиброванной шкале, либо в цифровой форме на светодиодном экране.Счетчики обладают электрическими характеристиками, которые необходимо измерить, и ожидаемым диапазоном результатов, а также должны иметь номинал, превышающий максимальное значение ожидаемого диапазона. Измерители измеряют электрические свойства и имеют рейтинг безопасности для измерения определенного диапазона результатов. Диапазон на измерителе должен быть выше, чем максимальное ожидаемое значение, которое необходимо измерить. Измеритель электрических испытаний имеет несколько настроек, соответствующих диапазонам возможных значений свойств, которые он может измерять. Ручной измеритель дальности требует от оператора пролистывать различные настройки, пока не будет достигнут правильный диапазон.Измеритель с автоматическим выбором диапазона автоматически перебирает настройки диапазона, пока не достигнет правильного диапазона.
Megger производит оборудование для обнаружения повреждений кабеля, тестирования защитных реле, телекоммуникаций и целостности данных, а также тестирования качества электроэнергии под несколькими торговыми марками, среди которых Megger, Biddle, States и AVO. Компания, основанная в 1889 году, со штаб-квартирой в Дувре, Англия, соответствует стандартам Международной организации по стандартизации (ISO) 9001: 2008.
Что в коробке?
- Мегомметр серии 210400
- 3 м (10 футов.) кабель заземления
- (1) Универсальная тестовая карта
- Инструкции
Создание низковольтного тестера изоляции
Замыкания на землю — проклятие для систем пожарной сигнализации. Даже небольшая утечка тока на землю где-нибудь в здании может вызвать внеплановую пожарную тревогу. Что еще хуже, второе замыкание на землю в другом месте здания может привести к короткому замыканию всей системы. Вот почему все системы пожарной сигнализации имеют цепи обнаружения замыкания на землю, поэтому проводку в прилегающем здании можно отремонтировать до возгорания.
Это было недоумение. Я пытался отремонтировать пожарную сигнализацию в школе. Воздух снаружи был теплым и влажным, но внутри был кондиционер. Свет на панели пожарной сигнализации указывал на «замыкание на землю» где-то в проводке в здании, но мой цифровой омметр утверждал, что целостности заземления нет. Как я мог найти этот токопроводящий путь, если мой омметр его не обнаружил?
Попробовав несколько способов обнаружения, я решил поднять напряжение на мой омметр.Это сделали пара 12-вольтовых батарей из моего запаса, соединенных последовательно с отрицательным проводом омметра. Теперь, когда для управления током моего омметра использовалось около 27 вольт в час, это указывало на целостность цепи, и я мог проследить за проводкой, чтобы найти замыкание на землю. Оказалось, что это вода конденсировалась на посту пожарной сигнализации в спортзале. Влага от теплого воздуха, просачивающегося снаружи через стену, конденсировалась на выключателе кондиционирования воздуха внутри. Итак, почему мой омметр не показал непрерывности, пока не получил дополнительное повышение напряжения от батарей?
Я имел дело с нелинейным сопротивлением, основанным на напряжении; сопротивление, которое меняет значение при изменении напряжения, поэтому ток, похоже, не подчиняется закону Ома.Сопротивление водяного конденсата было почти бесконечным для трехвольтовой внутренней батареи моего омметра, но сопротивление упало до нескольких тысяч Ом, когда напряжение было увеличено за счет добавления дополнительных батарей (см. Рисунок 1 ).
РИСУНОК 1. На этой диаграмме показано, как нелинейное сопротивление уменьшается при повышении напряжения. Показанное здесь напряжение будет напряжением батареи омметра.
Нелинейное сопротивление
Изоляция проводов не обязательно должна быть дымящей, прежде чем она будет признана плохой; он может медленно разрушаться.Согласно Megger, одному из многих производителей тестеров изоляции, причинами пробоя изоляции могут быть электрическое напряжение, механическое напряжение, химические воздействия, термическое напряжение и загрязнение окружающей среды (например, конденсация воды на изолированной стороне переключателя).
Все эти раздражители вызывают нелинейное сопротивление на основе напряжения — по крайней мере, при напряжениях ниже стадии курения. Низкое напряжение, характерное для цифровых омметров, показывает высокое сопротивление, потому что низкого напряжения недостаточно для пропускания тока через изоляцию.С другой стороны, более высокого напряжения в тестере изоляции достаточно, чтобы пропустить ток через частично поврежденную изоляцию, и измеренное сопротивление ниже. (См. Рисунок 1 .)
Тестер изоляции
То, что я придумал, не было новым изобретением. Это был испытательный прибор, используемый электриками, называемый тестером изоляции, который представляет собой омметр с внутренней высоковольтной батареей. В случае с измерительным прибором, который я придумал, напряжение всех батарей вместе составляло около 27 вольт: три вольта батареи внутри моего омметра плюс 24 вольта от двух дополнительных 12-вольтных батарей.
Мне действительно нужно было иметь с собой одного из этих тестеров для такого рода устранения неполадок, но не было ничего из того, что я мог себе позволить. Придется создать свой собственный. Сначала я попробовал цифровой омметр, который обычно использовал для поиска и устранения неисправностей, и вставил батареи последовательно с его выводами. Когда я проверил сопротивление той же проблемы, с которой я столкнулся — вода на поверхности изолятора, — числа на дисплее постоянно менялись и их было трудно прочитать. Оказалось, что вода временная, поэтому сопротивление воды постоянно меняется в большую и меньшую сторону.Я занимаюсь устранением неполадок и хотел сконцентрироваться на устранении неполадок, а не тратить время на считывание показаний счетчика, поэтому использование цифрового счетчика не помогло мне.
Затем я попробовал старый аналоговый измеритель, который у меня валялся. С дополнительными батареями числа на шкале Ом больше не были точными, но я мог с этим справиться. По крайней мере, стрелка на измерителе не очень сильно двигалась вперед и назад, и я мог получить несколько стабильные показания. Затем я подумал о напряжении.Обычно в системах пожарной сигнализации используется напряжение 24 В, и мне нужно было проверить проводку при более высоком напряжении. 36 вольт от четырех девятивольтных батарей казались разумным напряжением, и четыре батареи можно было привязать к задней части счетчика, так что я использовал именно это.
РИСУНОК 2. Недорогой мультиметр.
РИСУНОК 3. Батареи, зажимы для батарей и резистор, необходимые для проекта.
Единственное реальное беспокойство заключалось в том, что механизм измерителя может быть поврежден из-за чрезмерного тока, когда провода измерителя — вместе с добавленными батареями — будут закорочены вместе.Чтобы предотвратить это расплавление, ограничительный резистор еще неизвестного значения должен быть вставлен последовательно с добавленными батареями (см. рисунки 7, и 8, ). Чтобы упростить калибровку измерителя, значение этого резистора должно быть выбрано таким образом, чтобы измеритель показывал нулевое сопротивление, когда провода были закорочены вместе — как обычный омметр.
Строительство
Начните с зажимов аккумулятора. Припаяйте провода зажима батареи красный к черному, чтобы батареи были соединены последовательно.Только не сокращайте количество потенциальных клиентов. Дополнительный провод позволит изгибаться, когда батареи изнашиваются и требуют замены. По отдельности заклеивайте или термоусаживайте соединения.
Для аккуратности и организованности скрепите все четыре батареи вместе. Подсоедините зажимы к батареям и используйте изоленту, чтобы соединить свободные провода зажима батареи (снова см. Рисунок 7, ).
Расчет номинала ограничивающего резистора
Ограничивающий резистор (см. Рисунок 4 ) компенсирует дополнительное напряжение батарей.Таким образом, когда измерительные провода закорочены, омметр покажет ноль сопротивления (как обычный омметр). Прежде чем продолжить, убедитесь, что омметр настроен на максимальное значение шкалы Ом: RX100 или выше. Это шкала, которая будет использоваться для всех будущих измерений.
РИСУНОК 4. Упрощенная схема омметра, показывающая добавление 36-вольтовых батарей и ограничивающего резистора.
Существует два метода определения номинала ограничивающего резистора.Один — это измерение тока, который омметр использует для измерения нулевого сопротивления, а другой — эксперимент, чтобы найти значение. Оба метода работают.
Текущий метод
Измерьте ток, генерируемый омметром, последовательно подключив цифровой миллиамперметр (см. , рисунок 6, ). Ток, измеренный амперметром, — это ток, который омметр называет нулевым сопротивлением.
РИСУНОК 6. Установка для измерения тока омметра.
Моему измерителю требуется примерно 3 миллиампера для индикации нулевого сопротивления.Формула закона Ома (E / I = R) представляет собой 36-вольтовые батареи, разделенные на 0,003 ампер (3 мА), генерируемые омметром, что равняется 12000 Ом для ограничивающего резистора.
Вы можете подтвердить, что этот метод нашел правильное значение ограничивающего резистора, временно вставив резистор в схему измерителя, как показано на рисунках 7, и 8 . Если измеритель не может быть обнулен с помощью регулировки сопротивления на измерителе, сопротивление ограничительного резистора, возможно, придется отрегулировать экспериментальным методом.
РИСУНОК 7. Измеритель, батарейки, зажимы батарей и закороченные измерительные провода.
РИСУНОК 8. Электромеханическое расположение всех компонентов тестера изоляции.
Экспериментальный метод
Отцентрируйте ручку регулировки сопротивления на измерителе. Это позволит отрегулировать ручку в любую сторону позже. Начните с ограничительного резистора 20 000 Ом и вставьте резистор в схему (снова см. рисунки 7, и 8, ).Стрелка, вероятно, не покажет ноль сопротивления, поэтому попробуйте резистор с немного другим значением. Помните, что меньшее значение сопротивления переместит стрелку вправо.
Посмотрите еще раз на омметр. Продолжайте изменять значение ограничивающего резистора, пока стрелка не приблизится к нулю. Это станет ограничивающим резистором. Регулировку сопротивления на измерителе можно использовать для прикосновения стрелки к нулю сопротивления.
Обрезка отрицательного тестового провода
Используйте черный провод датчика, который идет в комплекте с измерителем; в нем уже есть разъемы.Отрежьте его примерно на семь дюймов от конца, который входит в счетчик, и зачистите свободные концы (см. Рисунок 5 ). Семи дюймов должно быть достаточно, чтобы прикрепить припаянный конец к батареям и при этом подключить к измерителю.
РИСУНОК 5. Припаянный измерительный провод, зажимы батареи и резистор.
Припаяйте этот короткий провод к одному концу ограничительного резистора, а другой конец резистора к положительному выводу зажима аккумулятора. Заклейте соединения лентой или термоусадите.
Припаяйте зачищенный конец длинного провода щупа к отрицательному зажиму аккумуляторной батареи (см. Рисунок 5 ). Заклейте это соединение изолентой или термоусадите.
Окончательная сборка
Приклейте ограничительный резистор и оба паяных черных конца тестовых проводов к гибкому кабелю, чтобы обеспечить механическую прочность всех паяных соединений. Этот измеритель будет дребезжать с другими инструментами в ящике для инструментов, а паяные соединения должны быть защищены, чтобы они не двигались и не ломались.
Эта сборка батарей и пигтейла может быть помещена в пластиковую коробку шасси, а затем прикреплена к измерителю.Лично я никогда не находил коммерческую коробку, которая была бы достаточно большой, чтобы вместить всю батарею в сборе, и достаточно маленькой, чтобы поместиться на задней панели счетчика, поэтому я просто использовал обильное количество изоленты, чтобы прикрепить блок к задней части счетчика. .
Омметр
Омметрыиспользуют закон Ома (сопротивление = напряжение сила тока) для определения сопротивления измеряемого устройства. Напряжение обеспечивается внутренней батареей измерителя и остается относительно постоянным. Сила тока — это сила тока через проверяемое устройство; в этом случае изоляция на проводе.
На аналоговом измерителе (измерителе с механическим движением измерителя) стрелка фактически показывает количество тока, протекающего через устройство. Он перемещается вправо по мере уменьшения сопротивления и увеличения тока. Когда сопротивление достигает нуля Ом (провода закорочены), ток через измеритель достигает максимума, а стрелка находится полностью вправо. Цифры на лицевой стороне счетчика составляют таблицу преобразования или таблицу перекрестных ссылок. Он преобразует ток, протекающий через измеряемое устройство, в сопротивление этого устройства.Затем числа на лицевой стороне измерителя умножаются на положение переключателя RX1, RX10 или RX100 для расчета общего измеряемого сопротивления. Цифровой омметр автоматически выполняет эту перекрестную ссылку; он преобразует испытательный ток в сопротивление, чтобы отображать показания на дисплее.
Создание таблицы перекрестных ссылок
С добавленными батареями и ограничивающим резистором цифры на лицевой стороне измерителя больше не калибруются на заводе. Например, резистор, тестируемый моим омметром, может показывать 25 по шкале Ом.Обычно это число умножается на 100 (RX100), чтобы получить 2500 Ом. Мой измеритель был изменен, поэтому, используя таблицу перекрестных ссылок, я вижу, что этот резистор является резистором 47000 Ом.
Вопрос: «Как мне получить эту таблицу перекрестных ссылок?» Ответ: «Сделай это». Каждый счетчик отличается, поэтому для каждого счетчика требуется своя диаграмма.
РИСУНОК 9. Таблица перекрестных ссылок.
Чтобы составить диаграмму, выберите значения резисторов, показанные на Рисунок 9 .Затем измеряйте резисторы по одному, не забывая обнулять счетчик между каждым измерением. Запишите показания счетчика для каждого резистора рядом с его значением. Когда таблица будет заполнена, ее можно будет использовать в качестве перекрестной справочной таблицы.
Просто не забудьте использовать настройку RX100 на измерителе для всех измерений сопротивления. Кроме того, имейте в виду, что измеритель теперь подает более 36 вольт на все, что проверяется, поэтому убедитесь, что в измеряемой цепи нет какой-либо хрупкой электроники.
Заключение
Этот модифицированный измеритель больше не является обычным омметром; это «тестер изоляции». С помощью такого измерителя я обнаружил провода с частично стертой изоляцией; Я нашел негерметичный грозовой разрядник; Я обнаружил провод к разрыву проводов внутри стен; и я нашел много случаев повреждения водой. Любую неисправность или проводимость, которую панель пожарной сигнализации обнаруживает с помощью цепи обнаружения замыкания на землю, я теперь могу найти с помощью этого тестера изоляции.
Мой старый недорогой аналоговый измеритель снова нашел применение, и я легко могу найти неисправности в проводке в здании, которые нельзя найти с помощью обычного омметра. NV
ПЕРЕЧЕНЬ ДЕТАЛЕЙ
| КОЛ-ВО | ОПИСАНИЕ |
|---|---|
| 1 | Meter * — мультитестер Sperry Instruments HSP10 от Home Depot или аналог |
| 1 | Комплект резисторов ** — Digi-Key RS125-ND — 1/4 Вт (0,25 Вт), 5%, углеродная пленка, осевой вывод, 365 штук (5 шт., 1,0 ~ 1,0 МОм) |
| 4 | Девятивольтовые батареи |
| 4 | Зажимы с выводами для аккумуляторов — Digi-Key |
| 377-1549-ND или эквивалент | |
| Изолента | |
| Припой и паяльник | |
| Диаграммная бумага для создания таблицы перекрестных ссылок | |
| Стоимость: Метр — около 18 долларов Комплект смешанных резисторов — около 15 долларов Батарейки, зажимы для батарей и прочее — около 10 долларов плюс доставка | |
| * Если у вас есть старый аналоговый измеритель, который больше ни для чего не используется, вы можете использовать его вместо покупки нового.Все, что требуется измерителю, — это внутренняя батарея и измерительные провода. ** Большинство резисторов в комплекте не будут использоваться, кроме как для калибровки измерителя, и резисторы могут быть повторно использованы в будущих проектах. Если у вас уже есть несколько резисторов, комплект резисторов не нужен. | |
КАЛИБРОВКА СТАНДАРТНОГО ОММЕТРА
(ВОМ, ИЛИ ВОЛЬТ-ОМ-МИЛЛИАМПОМЕР)
Метод калибровки аналогового омметра.
При калибровке аналогового омметра следует помнить только о двух концах шкалы.Стрелка указывает влево, показывая бесконечное сопротивление (измеритель в состоянии покоя), когда датчики ничего не касаются, или полностью вправо, показывая нулевое сопротивление (максимальный измерительный ток), когда датчики закорочены вместе. Когда два конца откалиброваны, числа между ними позаботятся о себе сами. Взгляните на цифру .
Шаг первый: Установите измеритель в состояние покоя, разделив зонды. Поверните механический регулировочный винт в любую сторону, чтобы стрелка показывала бесконечное сопротивление.
Шаг второй: Установите переключатель выбора на желаемую шкалу сопротивления: RX1 (сопротивление, умноженное на 1), RX10 (умноженное на 10) или RX100 (умноженное на 100). В случае тестера изоляции всегда используйте шкалу RX100. Теперь замкните тестовые провода вместе. Поверните ручку регулировки сопротивления в одну или другую сторону, пока стрелка не окажется точно над нулевым сопротивлением на лицевой панели измерителя.
Теперь счетчик откалиброван. Эту калибровочную настройку следует выполнять каждый раз, когда измеритель используется для измерения сопротивления, или каждый раз, когда переключатель выбора устанавливается в другое положение RX.
Наихудшее замыкание на землю
Пробовали штатным омметром найти замыкание на землю. Я смотрел на них. Сразу после захода солнца, когда было достаточно света, чтобы разглядеть городской пейзаж и зажженные уличные фонари, я стоял на вершине холма с видом на Дулут, штат Миннесота. Они были линейными специалистами энергокомпании, и они только что подъехали к трехфазной линии электропередач на 13 800 вольт через дорогу от телестанции, которая была отключена из-за отключения электроэнергии. Линейщик в сборщике вишен использовал свой омметр, чтобы проверить, нет ли коротких замыканий в линии метро.С батареей на девять вольт не будет большой проблемы с линией электропередачи на 13 800 вольт, и вот что было обнаружено — не большая проблема. Что ж, они вставили новый предохранитель в верхнюю часть столба, включили выключатель, и со звуком дробовика и 15-футовым ливнем искр, предохранитель сгорел. Весь город Дулут почернел. Действительно было короткое время. Правильный тестер изоляции, использующий источник питания 15000 вольт, обнаружил бы проблему.
ИДЕИ НА БУДУЩЕЕ
Контакты переключателя загрязняются, и один из способов убедиться, что грязные контакты не вызывают проблем, — это припаять контакты переключателя.Конечно, это выделит счетчик и предотвратит его использование для чего-либо еще.
Замена внутренних батарей, когда корпус склеен, может быть настоящей болью. Одна из идей — вынуть аккумулятор и заменить его впаянной перемычкой. Тогда нет внутренней батареи, которую нужно заменить.
Для тех, у кого есть реальная энергия, счетчик может быть спроектирован в обратном порядке, а внутренние резисторы пересчитаны, чтобы счетчик можно было использовать во всех масштабах (RX1, RX10, RX100). Шкала сопротивления на лицевой стороне измерителя по-прежнему будет отключена, поэтому потребуется таблица перекрестных ссылок, но измеритель будет немного более универсальным.
Попробуйте дома
РИСУНОК A. Проверка устойчивости лужи с водой. Зонды здесь примерно на 1/2 дюйма друг от друга, и оба они находятся в воде.
Обнаружит ли тестер изоляции проблемы, которых не обнаружит обычный цифровой омметр? Выяснить! Попробуйте это на одном типе проблемы изоляции: вода на проводке.
Налейте немного воды из-под крана на чистую стойку. Лужа должна быть примерно одного или двух дюймов в диаметре.Только не добавляйте в воду соль или другие загрязнения. Измерьте сопротивление воды с помощью обычного цифрового омметра, удерживая концы зондов на расстоянии не менее 1/2 дюйма, как показано на Рис. A . Запишите сопротивление, указанное на омметре. Некоторые цифровые омметры измеряют бесконечное сопротивление, и если оно измеряется, это то, что следует записать. В качестве контроля найдите резистор примерно такого же номинала и измерьте его сопротивление. Запишите это измерение.
Используйте тестер изоляции, чтобы измерить ту же воду. Найдите фактическое сопротивление в таблице перекрестных ссылок и запишите это сопротивление. Сопротивление, измеренное цифровым омметром, и сопротивление, измеренное тестером изоляции, будут совершенно разными.
Чтобы проверить точность измерителя сопротивления изоляции, используйте его для измерения сопротивления управляющего резистора. (Обязательно держите пальцы подальше от проводов, потому что они могут испортить показания.) Найдите истинное сопротивление резистора в таблице перекрестных ссылок.
Измеренное сопротивление управляющего резистора должно быть примерно одинаковым, независимо от того, используется ли цифровой омметр или тестер изоляции. С другой стороны, вода имеет нелинейное сопротивление, зависящее от напряжения. Это помогает объяснить, почему тестер изоляции — с его высоковольтной батареей — обнаруживает определенную проблему — воду на изоляции, в то время как цифровой омметр — с его низковольтной батареей — показывает неточные показания.
Если вы действительно хотите получить удовольствие от этого эксперимента, попробуйте встряхнуть пучок соли в лужу с водой и снова измерить сопротивление воды обоими измерителями.
ССЫЛКИ
EC&M: Проверка сопротивления изоляции: как и почему ?; Джон А. ДеДад
https://www.ecmweb.com/cee-news-magazine-archive/article/20895083/insulation-resistance-testing-how-and-why
Megger: Руководство по диагностическому тестированию изоляции напряжением выше 1 кВ
www.biddlemegger.com/biddle/5kV-DiagnosticTesting.pdf
Megger: Stitch In Time
www.biddlemegger.com/biddle/A Stitch In Time.pdf
Гиперфизика: измерители подвижной катушки
http: // hyperphysics.phy-astr.gsu.edu/hbase/mintage/movcoil.html
Лучший тестер сопротивления изоляции (мегомметр): 6 лучших тестеров 2021 года
Последнее обновление 26 апреля 2021 года в 22:35.
Измерители сопротивления изоляции (мегомметры или мегомметры) — это омметры, используемые для измерения электрического сопротивления различных изоляторов.
Поврежденная изоляция крайне опасна как для электриков, так и для людей поблизости — плохой тестер сопротивления изоляции может вызвать много проблем, а это пустая трата денег и времени.
С другой стороны, хороший тестер сопротивления изоляции обеспечивает точные показания, имеет широкий диапазон испытаний изоляции и прост в использовании.
Мы тщательно проверили некоторые из лучших тестеров сопротивления изоляции и мегомметров на рынке — мы нашли 6 лучших тестеров сопротивления изоляции 2021 года и .
Покупайте с уверенностью, что получите один из лучших тестеров сопротивления изоляции на рынке. Перейдем сразу к отзывам.
| Предварительный просмотр | Продукт | Основные характеристики | |
|---|---|---|---|
Лучший общий | Fluke 1507 Цифровой мегомметр для измерения сопротивления изоляции с труднодоступностью или простой способ измерения сопротивления изоляции. измерительный зонд | ПРОВЕРКА ЦЕНЫ | |
Premium Choice | Fluke Мультиметр 1587, ЖК-дисплей, сопротивление изоляции 2 гигаома, до 1000 В… |
| ПРОВЕРИТЬ ЦЕНУ |
Превосходное значение | Extech 380260 Цифровой тестер изоляции с автоматическим переключением диапазонов |
| ПРОВЕРИТЬ ЦЕНУ |
| AEMC 2126.53 Цифровой мегомметр, 1000 В |
| ПРОВЕРИТЬ ЦЕНУ | |
| Megger MIT230-EN Тестер изоляции, сопротивление 1000 МОм, 250 В, 500 В, 1000 В Испытательное напряжение |
| ПРОВЕРИТЬ ЦЕНУ | |
| Amprobe AMB -25 Цифровой измеритель сопротивления изоляции |
| ПРОВЕРИТЬ ЦЕНУ |
Лучшие 6 лучших мегомметров для измерения сопротивления изоляции
Fluke 1507 Мегомметр для проверки изоляции проверка изоляции при обнаружении напряжения более 30 В для дополнительной защиты пользователя
Первым тестером изоляции в нашем списке является Fluke 1507, один из лучших доступных тестеров.У этого инструмента есть все: широкий спектр функций по отличной цене. Тестер Fluke может измерять сопротивление от 0,01 мегаом до 10 гигаом. Также имеется широкий диапазон испытательных напряжений, которые может выполнять эта модель, от 50 В до 100 В, 250 В, 500 В и 1000 В.
Его дисплей больше, чем на других моделях, что делает его легче увидеть показания. Кроме того, он имеет подсветку, поэтому его можно использовать в затемненных областях.
С точки зрения безопасности тестер Fluke 1507 может похвастаться рядом функций, которые позволяют легко использовать его даже новичкам.Устройство не позволит выполнить тест, если система обнаружения цепей под напряжением обнаружит напряжение выше 30 В.
Кроме того, устройство автоматически разряжает емкостное напряжение, чтобы снизить вероятность поражения пользователя электрическим током. Обладая классом безопасности Cat IV, это устройство идеально подходит для работы с более высокими напряжениями.
Что касается конструкции, то тестер сопротивления изоляции Fluke 1507 отличается компактностью и легкостью. Он идеально помещается в любой ящик с инструментами электрика и может выполняться, не испытывая усталости.
Fluke 1507 также отличается более длительным сроком службы батареи, чем другие модели в этом ценовом диапазоне. Используя новый набор ячеек, он должен иметь возможность провести около 1000 испытаний изоляции, прежде чем они потребуют замены. В комплект также входят четыре батарейки типа АА.
Из-за множества функций и мер безопасности, предлагаемых Fluke, мы решили включить этот тестер в список наших лучших мегомметров в целом. Однако, если вы все еще не уверены, вы можете ознакомиться с нашим полным подробным обзором Fluke 1507.
КОНТРОЛЬНАЯ ЦЕНАПреимущества
- Чрезвычайно точное показание среднеквадратичного значения
- Диапазон измерения сопротивления до 10 ГОм
- Имеет удаленный измерительный щуп для сложных испытаний
- Дисплей с подсветкой
- Включает меры безопасности
Недостатки
- Тестер не обнаруживает аллигатора зажимы
Fluke 1587 Измеритель изоляции (2 гигаома)
Fluke 1587 изоляционный мультиметр, ЖК-дисплей, сопротивление изоляции 2 гигаома, до 1000 В…- Цифровой мультиметр изоляции с ручным и автоматическим переключением диапазона измеряет сопротивление изоляции, ток, напряжение, емкость, частоту, сопротивление и температуру, а также выполняет тесты диодов для проверки изоляции линии на двигателях, генераторах, кабелях и коммутационном устройстве
- Измеритель истинного среднеквадратичного значения обеспечивает точные показания при измерении линейных или нелинейных нагрузок, когда ток или напряжение имеют неискаженную или искаженную форму волны
- Испытательные напряжения изоляции 50, 100, 250, 500 и 1000 В и диапазон измерения изоляции 0.От 01 МОм до 2 гигомов
Наш лучший выбор — тестер изоляции Fluke 1587, более дорогая альтернатива Fluke 1507. Этот тестер имеет множество дополнительных функций и отличается удобным дизайном. Fluke 1587 объединяет в себе характеристики тестера изоляции и мультиметра.
Его лучшей общей особенностью является автоматический выбор диапазона, позволяющий измерять сопротивление изоляции, ток, напряжение, емкость, частоту, сопротивление и температуру. Fluke 1587 также выполняет тесты диодов для проверки изоляции линий двигателей, генераторов, кабелей и распределительного устройства.
Диапазон испытательных напряжений изоляции варьируется от минимум 50 В до максимум 1000 В. Его диапазон измерения изоляции составляет от 0,01 МОм до 2 ГОм. Кроме того, эта модель имеет рейтинг безопасности CAT III до 1000 В и рейтинг CAT IV до 600 В.
Эта модель Fluke не позволит вам проводить испытания, если обнаруживает напряжение выше 30 В. Это большой , дисплей с подсветкой, гарантирует, что вы сможете увидеть результаты своих тестов, не напрягая глаза.
Являясь также подлинным цифровым мультиметром True RMS, Fluke 1587 снимает точные показания при измерении линейных или нелинейных нагрузок, когда ток или напряжение имеют неискаженную или искаженную форму волны.
Срок службы батареи больше ожидаемого из-за способности тестера автоматически отключаться после 20 минут бездействия. Fluke также включил индикатор разряда батарей, который покажет вам, когда вам необходимо заменить батарейки.
В целом, Fluke 1587 — это самый качественный и универсальный тестер изоляции на рынке.Он также функционирует как мультиметр True RMS, что делает его идеальным для электриков, которым нужен полноценный инструмент для выполнения своих электромонтажных работ.
Несмотря на высокую цену, Fluke 1587 — идеальный инструмент для профессиональных электриков, которые часто проводят испытания изоляции и сопротивления. Вы можете прочитать наш полный обзор Fluke 1587, чтобы понять, что может предложить этот инструмент.
ПРОВЕРИТЬ ЦЕНУПреимущества
- Превосходное качество сборки
- Обладает фильтром нижних частот, который блокирует нежелательные напряжения при считывании напряжения переменного тока и частоты переменного тока
- Точный измеритель истинного среднеквадратичного значения
- Автоматический разряд емкостного напряжения
- Сертификат IP40
Тестер изоляции Extech 380260
Наш выбор по отличной цене — тестер изоляции Extech 380260, надежный выбор для любого электрика с ограниченным бюджетом.Он имеет потрясающую конструкцию, точные показания и функции безопасности ecxtra. Диапазон испытаний сопротивления изоляции составляет от 200 до 2000 МОм.
Диапазон напряжения для тестирования начинается с 250 В, 500 В и достигает 1000 В. Эта модель также оснащена дисплеем с подсветкой и большими показаниями, так что вы можете использовать устройство в темных местах. Дисплей с двойной подсветкой показывает как испытательное напряжение, так и сопротивление изоляции.
Обладая базовым уровнем точности +/- 3%, Extech является одной из самых точных моделей в своем ценовом диапазоне, и при использовании она не выдает никаких серьезных ошибок.Несмотря на низкую цену, он также поставляется со всем, что нужно электрику для начала работы — 6 батареями AA, измерительными проводами для мультиметра, зажимами из крокодиловой кожи и сумкой для переноски.
Устройство также может блокировать себя в непрерывном режиме, что означает, что вам не нужно держать его, чтобы оно могло выполнять свою работу. Это полезно, когда вы работаете в одиночестве и вам нужно отвлечься на что-то другое. В конце каждого теста устройство автоматически разряжается в качестве меры безопасности.
Конструктивно тестер Extech имеет литой корпус, защищающий внутренние компоненты от ударов. Это также один из самых легких тестеров сопротивления изоляции на рынке.
В целом, это лучший выбор для электрика с ограниченным бюджетом. Низкая цена предлагает множество замечательных функций, которые должны убедить вас в покупке этого устройства.
КОНТРОЛЬНАЯ ЦЕНАПреимущества
- Обеспечивает точные показания
- Надежное устройство
- Очень доступно
- Включает измерительные провода и жесткий футляр для переноски
Недостатки
- Меньше функций, чем у других моделей
Мегомметр сопротивления изоляции AEMC
Следующая запись в нашем списке — мегомметр AEMC, отличный вариант для электриков, которые ищут хороший, но доступный по цене инструмент.Эта модель является одним из самых легких тестеров сопротивления изоляции в своем ценовом диапазоне, ее вес составляет всего 24 унции.
Вы можете выполнить три напряжения проверки изоляции: 250 В, 500 В и 1000 В. Что касается сопротивления, тестер AEMC может измерять от 1 кОм до 4000 МОм. Одна из его интересных особенностей — включенный звуковой сигнал, так что вы можете слышать результаты, если ваше сопротивление ниже 35 Ом.
Устройство также оснащено защитой от перегрузки до 600 В среднеквадратического значения. Если вы проводите расширенное тестирование, вы можете заблокировать кнопку тестирования на срок до 15 минут.
Его цифровой дисплей с подсветкой позволяет работать с этим тестером сопротивления изоляции в затемненных помещениях, и он имеет рейтинг IP51, поэтому он может противостоять пыли и каплям воды. Тестер AEMC имеет более продолжительный срок службы батареи, чем его конкуренты, хотя он использует шесть батареек AA.
Хотя этот тестер сопротивления изоляции не так надежен, как другие модели, он по-прежнему является хорошим выбором, если у вас ограниченный бюджет и вы поклонник AEMC.
КОНТРОЛЬНАЯ ЦЕНАПреимущества
- Истинный мегомметр
- Легкий
- Защита от пыли и влаги
- Доступный
Недостатки
- Низкоомный рейтинг
- Ненадежный, требует частого перезапуска
Еще один замечательный тестер изоляции, который мы рассмотрели, — мегомметр Megger MIT230.Это, пожалуй, лучший тестер мегомметра из доступных благодаря ряду потрясающих функций, которые выделяют его. Он включает в себя датчик среднего значения, что означает, что вы можете измерять линейные нагрузки без необходимости самостоятельно рассчитывать средние показания.
Компактный дизайн делает тестер Megger одним из самых портативных устройств в своем ценовом диапазоне. Кроме того, простой набор включенных элементов управления гарантирует, что этот тестер также станет отличным выбором для новичков. CAT III с номиналом до 600 В и классом защиты IP40, этот тестер безопасен в использовании, и его довольно сложно сломать.
Недостатком этой модели является меньший размер цифрового дисплея, что затрудняет чтение, если у вас нет зрения. Но тестер включает в себя измеритель аналогового типа, так что пользователи обоих типов тестеров изоляции могут быть довольны им.
Эта модель может измерять сопротивление изоляции от 0 до 1000 МОм и может считывать напряжения в диапазоне от 25 В до 600 В.
Несмотря на то, что это дорогое устройство, тестер изоляции Megger по-прежнему является лучшим из доступных тестеров мегомметров, что делает его лучший вариант для богатого электрика.
ПРОВЕРИТЬ ЦЕНУПреимущества
- Лучший тестер изоляции из имеющихся
- Степень защиты IP40
- Измеритель среднего значения обеспечивает точные показания для линейных нагрузок
- CAT III, рассчитанный на 600 В
Недостатки
- Дорогое устройство
- Маленький экран
Тестер сопротивления изоляции Amprobe (1000 МОм)
Наш последний пункт в списке лучших мегомметров — это тестер сопротивления изоляции Amprobe, доступный вариант, который стоит каждой копейки.
Этот тестер может измерять сопротивление от 0 до 1000 МОм и поддерживает испытательные напряжения постоянного тока 250 В, 500 В и 1000 В. Он также является одним из самых безопасных бюджетных тестеров сопротивления на рынке, так как он имеет категорию CAT III. номинальное напряжение до 1000 В.
Конструктивно тестер Amprobe имеет прочный корпус, что делает его одним из самых надежных устройств на рынке. Этот тестер со встроенным вольтметром позволяет проверять изоляцию проводов, кабелей или электродвигателей.
Его внутренняя память позволяет сохранять до 4000 результатов испытаний и загружать их на свой ПК для дальнейшего использования. В отличие от многих своих конкурентов, тестер сопротивления Amprobe также чрезвычайно надежен, так как известно, что эти устройства продолжают исправно работать в течение многих лет.
Несмотря на то, что тестер Amprobe дороже модели Extech, он не содержит многих дополнительных функций. Тем не менее, он по-прежнему является отличным выбором для любого электрика, новичка или профессионала.
КОНТРОЛЬНАЯ ЦЕНАПреимущества
- Чрезвычайно надежная
- Долговечная сборка
- Внутренняя память для хранения результатов тестирования
- Cat III, рассчитанная на 1000 В
Недостатки
- Дороже, чем аналогичные тестеры
- Недостаточно дополнительных устройств
МЕГГЕР ИЛИ МЕГОММЕТР | Морской почтовый ящик
Megger — самый портативный тестер изоляции.Он используется для измерения очень высокого сопротивления порядка МОм.
Типы мегомметров
Это можно разделить в основном на две категории: —
- Электронный Тип (с батарейным питанием)
2. Ручной тип (с ручным управлением)
Принцип
Этот прибор работает по принципу соотношения метр / омметр. Отклоняющий момент создается как напряжением системы, так и током. Из-за взаимосвязи между магнитными полями, создаваемыми напряжением и током, создается отклоняющий момент.Катушки расположены так, что отклоняющий момент пропорционален соотношению.
Строительство
Это состоит из:
- Постоянный ток с ручным приводом генератор.
- Движущийся элемент, который имеет 2 катушки, отклоняющую катушку (или токовую катушку) и управляющую катушку (или потенциальная катушка)
- Калиброванная шкала в МОм.
- Указатели и
- Постоянный магнит.
Катушки жестко закреплены под углом обзора друг к другу.Они прикреплены к небольшому генератору с ручным приводом. Катушки легко перемещаются в воздушном зазоре постоянного магнита. Для защиты катушек от короткого замыкания последовательно с катушками включен ограничительный резистор.
Эксплуатация
Измеряемое сопротивление подключается к измерительным клеммам, т. Е. Последовательно с отклоняющей катушкой и генератором. Когда токи подводятся к катушкам, они имеют вращающий момент в противоположных направлениях.
Если измеряемое сопротивление велико, через отклоняющую катушку не будет протекать ток.Управляющая катушка установится перпендикулярно магнитной оси и, следовательно, установит указатель на бесконечность.
Если сопротивление, которое необходимо измерить, мало, через отклоняющую катушку протекает большой ток, и результирующий крутящий момент устанавливает стрелку на ноль.
Для промежуточных значений сопротивления, в зависимости от создаваемого крутящего момента, указатель устанавливается в точку между нулем и бесконечностью.
Генератор с ручным приводом представляет собой тип постоянного магнита и рассчитан на выработку от 500 до 2500 вольт.
Проверка правильности работы
Укоротите щупы вместе и переключите на МОм, стрелка должна показывать приблизительно «0».
Megger используется для измерения сопротивления изоляции и других значений высокого сопротивления. Он также используется для проверки целостности заземления и короткого замыкания в системе электропитания. Основным преимуществом мегомметра перед омметром является его способность измерять сопротивление с высоким потенциалом или напряжение пробоя.
Сопротивление изоляции очень высокое.Мегомметр специально разработан для точного измерения больших сопротивлений. Обычный мультиметр предназначен для измерения более низких, более конечных импедансов. Следовательно, мегомметр более точен для приложения.
Испытания изоляции
- Расчет сопротивления изоляции является одним из лучших показателей состояния электрического оборудования. Сопротивление следует измерять между проводниками и землей, а также между проводниками.
- ИК-тестер мегомметра должен использоваться для проверки того, находится ли проверяемая цепь под напряжением.Переключите прибор на «МОм» и подключите щупы к парам клемм оборудования. НЕ нажимайте кнопку. Измеритель теперь покажет, находится ли цепь под напряжением. Если цепь не работает, можно безопасно нажать кнопку тестирования. Убедитесь, что надежно заземленное заземление достигается путем подключения зондов к двум отдельным точкам заземления на корпусе оборудования при проверке целостности цепи с низким сопротивлением.
- Для ИК-теста трехфазной машины измерьте и запишите значения сопротивления изоляции между фазами.Следует рассчитать три показания как U-V, V-W, W-U.
- рассчитать и зарегистрировать значения сопротивления изоляции между фазой и землей. Следует рассчитать три показания как U-E, V-E, W-E.
- Изоляция становится более негерметичной при высокой температуре, то есть ИК уменьшается с повышением температуры, поэтому тестирование в горячем состоянии показывает реалистичное значение ИК при ее рабочей температуре или около нее.
Проверка целостности
Тестер изоляции (мультиметр) обычно также включает в себя устройство для проверки целостности цепи низкого напряжения.Это прибор с низким сопротивлением для измерения целостности проводов. Его следует использовать для измерения низкого сопротивления кабелей, обмоток двигателя, обмоток трансформатора, заземляющих лент и т. Д. Процедура следующая:
- Подтвердите правильность работа прибора.
- Изолировать и заблокировать оборудование, подлежащее тестированию.
- Подтвердите оборудование на быть мертвым.
- Переключите прибор на «Ω» или преемственность.
- Подключите датчики к схема.
- Включить тестовый переключатель и проверьте показания по шкале «Ω». Запишите все показания.
Серия тренингов по электричеству и электронике ВМС (NEETS), модуль 3, 1-31–1-40
Модуль 3 — Введение в защиту, управление и измерения цепейСтраницы i, 1−1, 1-11, 1−21, 1−31, 1−41, 1−51, 1−61, 1−71, 2−1, 2-11, 1−21, 2−31, 2−41, 3−1, 3-11, 3−21, 3−31, АИ-1, AII − 1, AIII − 1, IV − 1, Показатель
Рисунок 1-30.- Считывание показаний вольтметра в различных диапазонах.
На рисунке 1-30 (A) счетчик находится в диапазоне 1000 вольт. Указатель чуть выше отметки 0. это невозможно точно прочитать это напряжение. На рисунке 1-30 (B) счетчик переключен на диапазон 250 вольт. Из По положению указателя напряжение можно приблизительно определить как 20 вольт. Поскольку это значительно ниже следующего диапазон, измеритель переключается, как на рисунке 1-30 (C). Когда счетчик находится в диапазоне 50 В, можно читать напряжение как 22 вольта.Поскольку это больше, чем следующий диапазон счетчика (10 вольт), счетчик не будет перешел на следующую (нижнюю) шкалу.
Q34. Как можно использовать движение измерителя тока, чувствительного к току
измерить напряжение?
Q35. Что такое чувствительность вольтметра?
Q36. Какой метод используется для
разрешить вольтметру иметь несколько диапазонов?
Q37. Почему вы всегда должны использовать самый высокий диапазон, когда
подключить вольтметр к цепи?
ДВИЖЕНИЕ ЭЛЕКТРОСТАТИЧЕСКОГО СЧЕТЧИКА
Последним движением счетчика, описанным в этой главе, является ДВИЖЕНИЕ ЭЛЕКТРОСТАТИЧЕСКОГО СЧЕТЧИКА.Другой метр все движения, которые вы изучили, реагируют на ток, движение электростатического измерителя реагирует на напряжение.
Механизм основан на отталкивании одноименных зарядов на пластинах конденсатора. Электростатический счетчик движения на самом деле большой переменный конденсатор, в котором допускается один набор пластин
1-31
переезд. Движению пластин противодействует пружина, прикрепленная к пластинам. указатель, который указывает значение напряжения, приложенного к этим подвижным пластинам.По мере увеличения напряжения пластины развивать больший крутящий момент. Чтобы развить достаточный крутящий момент, пластины должны быть большими и близко расположенными. очень высокий напряжение необходимо для обеспечения движения, поэтому электростатические вольтметры используются только для измерения высокого напряжения. измерение.
МЕРЫ ПРЕДОСТОРОЖНОСТИ ДЛЯ ВОЛЬТМЕТРА
Так же, как амперметры, вольтметры
требуются меры безопасности для предотвращения травм персонала и повреждения вольтметра или оборудования.Следующий
список МИНИМАЛЬНЫХ мер безопасности при использовании вольтметра.
· Всегда подключайте вольтметры параллельно.
· Всегда начинайте с самого высокого диапазона вольтметра.
· Обесточьте и полностью разрядите цепь перед подключением или отключением вольтметра.
· В вольтметрах постоянного тока соблюдайте полярность цепи, чтобы не повредить измеритель.
· Никогда не используйте вольтметр постоянного тока для измерения переменного напряжения.
· Соблюдайте общие правила техники безопасности при работе с электрическими и электронными устройствами.
Q38. Какой тип движения счетчика реагирует на напряжение, а не на ток?
Q39. Что
использовать только для движения измерителя, чувствительного к напряжению?
Q40. Перечислите шесть мер предосторожности при использовании
вольтметров.
ОММЕТРОВ
Два инструмента, наиболее часто используемые для проверки непрерывность (полная цепь), или для измерения сопротивления цепи или элемента цепи, являются ОММЕТРОМ и MEGGER (мегомметр).Омметр широко используется для измерения сопротивления и проверки целостности цепи. электрические схемы и устройства. Его диапазон обычно составляет всего несколько МОм. Меггер широко используется для измерение сопротивления изоляции, например, между проводом и внешней поверхностью изоляции, а также изоляцией сопротивление кабелей и изоляторов. Диапазон мегомметра может составлять более 1000 МОм.
Омметр состоит из амперметра постоянного тока с несколькими дополнительными функциями.Дополнительные функции:
1. Источник постоянного тока потенциал (обычно 3-вольтовая батарея)
2. Один или несколько резисторов (один из которых переменный)
3. простая схема омметра показана на рисунке 1-31.
Отклонение стрелки омметра контролируется величина тока батареи, проходящего через подвижную катушку. Перед измерением сопротивления неизвестного резистора или электрической цепи, измерительные провода омметра сначала закорачивают вместе, как показано на рисунке 1-31.С участием провода закорочены, измеритель откалиброван для правильной работы в выбранном диапазоне. Пока ведущие закорочен, ток измерителя максимальный, и стрелка отклоняется на максимальную величину, где-то около нулевого положения на Ом
1-32
Масштаб
. Из-за этого тока через счетчик с закороченными проводами необходимо удалить
тестовые провода, когда вы закончите использовать омметр. Если бы выводы были оставлены подключенными, они могли бы соприкоснуться
друг с другом и разрядите батарею омметра.Когда переменный резистор (реостат) настроен правильно,
если провода закорочены, стрелка измерителя остановится точно в нулевом положении. Это указывает
НУЛЕВОЕ сопротивление между тестовыми выводами, которые фактически закорочены. Нулевое показание серийного типа
омметр находится с правой стороны шкалы, тогда как нулевое показание
для амперметра или вольтметра
обычно в левую часть шкалы. (Есть еще один тип омметра, о котором мы поговорим чуть позже.
в этой главе.) Когда измерительные провода омметра разделены, стрелка измерителя вернется к
левая часть шкалы. Прерывание тока и натяжение пружины действуют на подвижный узел катушки,
перемещая указатель в левую часть (∞) шкалы.
Рисунок 1-31. — простая схема омметра.
ИСПОЛЬЗОВАНИЕ ОММЕТРА
После того, как омметр настроен на нулевое показание, он готов. быть подключенным в цепь для измерения сопротивления.типовая схема и расположение омметра показаны на рисунке 1-32.
1-33
Рисунок 1-32. — Измерение сопротивления цепи омметром.
Выключатель питания измеряемой цепи всегда должен находиться в положении OFF. Это предотвращает исходное напряжение цепи из-за приложения к измерителю, которое может вызвать повреждение движения измерителя.
Измерительные провода омметра подключаются последовательно к измеряемой цепи (рис.1-32). Это вызывает ток, вырабатываемый 3-вольтовой батареей счетчика, протекает через тестируемую цепь. Предположим, что измерительные провода измерителя подключаются к точкам a и b на рисунке 1-32. Количество тока, протекающего через Катушка счетчика будет зависеть от общего сопротивления резисторов R1 и R2, а также сопротивления счетчика. Поскольку измеритель был предварительно настроен (обнулен), величина движения катушки теперь зависит исключительно от сопротивления R1 и R2.Включение R1 и R2 увеличивает общее последовательное сопротивление, уменьшая ток и, таким образом, уменьшая отклонение указателя. Теперь стрелка остановится на шкале, показывающей суммарное сопротивление R1. и R2. Если R1 или R2, или оба были заменены резистором (ами), имеющим большее значение, ток течет в подвижная катушка измерителя будет уменьшена дальше. Прогиб также будет еще больше уменьшен, а масштаб индикация показала бы еще более высокое сопротивление цепи.Движение подвижной катушки пропорционально величине текущего потока.
ДИАПАЗОН ОММЕТРА
Величина сопротивления цепи, которую необходимо измерить может варьироваться в широком диапазоне. В некоторых случаях оно может составлять всего несколько Ом, а в других может достигать 1000000. Ом (1 МОм). Чтобы измеритель показывал любое измеряемое значение с наименьшей ошибкой, шкала В большинстве омметров используются функции умножения. Например, у обычного измерителя будет четыре измерительных провода. разъемы-Common, R x 1, R x 10 и R x 100.Гнездо с пометкой Common подключается внутри через батарею к одна сторона подвижной катушки омметра. Гнезда с маркировкой R x 1, R x 10 и R x 100 подключаются к трем резисторы разного размера, расположенные внутри омметра. Это показано на рисунке 1-33.
1-34
Рисунок 1-33. — Омметр с умножителями.
Некоторые омметры оснащены переключателем для выбора желаемой шкалы умножения, поэтому только необходимы два гнезда для измерительных проводов.Другие измерители имеют отдельные гнезда для каждого диапазона, как показано на рисунке 1-33. В диапазон, который будет использоваться при измерении любого конкретного неизвестного сопротивления (Rx на рисунке 1-33), зависит от приблизительного значение неизвестного сопротивления. Например, предположим, что омметр на рисунке 1-33 откалиброван в делениях от От 0 до 1000. Если Rx больше 1000 Ом и используется диапазон R x 1, омметр не может его измерить. Это происходит из-за того, что общее последовательное сопротивление резистора R x 1 и Rx слишком велико, чтобы обеспечить достаточное ток батареи должен течь, чтобы отклонить указатель от бесконечности (∞).(Бесконечность — это величина, превышающая наибольшее количество, которое вы можете измерить.) Измерительный провод должен быть подключен к следующему диапазону, R x 10. С этим Готово, предположим, что стрелка отклоняется и показывает 375 Ом. Это будет означать, что Rx имеет 375 Ом x 10, или 3750 Ом. Ом сопротивление. Изменение диапазона вызвало отклонение, потому что резистор R x 10 имеет примерно 1/10 сопротивления резистора R x 1. Таким образом, выбор меньшего последовательного сопротивления позволил получить ток батареи достаточной величины чтобы вызвать полезное отклонение указателя.Если бы диапазон R x 100 использовался для измерения того же резистора 3750 Ом, указатель отклонится еще дальше, до положения 37,5 Ом. Это увеличенное отклонение могло бы произойти, потому что резистор R x 100 имеет примерно 1/10 сопротивление резистора R x 10.
. позволяет одинаковому количеству тока протекать через подвижную катушку измерителя независимо от того, измеряет ли измеритель 10000 Ом по шкале R x 10 или 100 000 Ом по шкале R x 100.
Для отклоните указатель в определенное положение на шкале (например, положение средней шкалы), независимо от коэффициент умножения. Поскольку резисторы умножителя имеют разные номиналы, необходимо ВСЕГДА «ноль» корректируют счетчик для каждого факта умножения или выбранного.
Вы должны выбрать коэффициент умножения (диапазон), который приведет к тому, что указатель остановится как можно ближе к средней точке шкалы.Это позволяет вам более точно считывать сопротивление, потому что показания шкалы легче интерпретируется в середине или около нее.
1-35
Q41. Какая электрическая величина измеряется омметром?
Q42. Какие еще измерения
может омметр сделать?
Q43. Как подключить омметр последовательного типа к измеряемой цепи?
Q44. Что используется для обеспечения нескольких диапазонов омметра?
Q45.Какая площадь омметра
шкалу следует использовать при измерении схем?
Шунтирующий ОММЕТР
Омметр, описанный до этого момента, известен как серийный
омметром, потому что сопротивление, которое необходимо измерить, последовательно с внутренними резисторами и движением измерителя
омметр. Другой тип омметра — Шунтирующий ОММЕТР. В шунтирующем омметре измеряемое сопротивление
шунтирует (параллельно) измеритель движения омметра.Самый очевидный способ отличить
между серийным и шунтирующим омметрами — по шкале измерителя. На рисунке 1-34 показан масштаб серии.
омметр и шкала шунтирующего омметра.
Рисунок 1-34. — Весы серийного и шунтового омметра.
Рисунок 1-34 (A) — это шкала последовательного омметра. Обратите внимание, что «0» находится справа, а «∞» — слева. Рисунок 1-34 (B) — это шкала шунтирующего омметра.В шунтирующем омметре справа находится «∞», а слева — «0». Схема шунтирующего омметра показана на рисунке 1-35.
На рисунке 1-35 R1 — это реостат, используемый для регулировки ∞ показания счетчика (отклонение от полной шкалы). R2, R3 и R4 используются для обеспечения R x 1, R x 10 и R x 100. диапазоны. Точки А и В представляют выводы измерителя. При отсутствии сопротивления между точками А и В измеритель имеет полный ток и показывает
1-36
∞.Если сопротивление подключено между точками A и B, оно шунтирует часть тока от измерителя. движение, и движение счетчика реагирует на этот более низкий ток. Поскольку шкала измерителя нанесена в омах, указывается сопротивление шунтирующего резистора (между точками А и В). Обратите внимание на то, что переключатель имеет значение ofF положение, а также положения для R x 1, R x 10 и R x 100. Это предусмотрено для остановки тока и предотвращения аккумулятор от разряда, когда счетчик не используется.
Рисунок 1-35. — шунтирующий омметр с внутренними резисторами диапазона.
Шунтирующий омметр подключается к измеряемой цепи таким же образом, как и последовательный омметр. связаны. Единственное отличие в том, что на шунтирующем омметре корректируется показание ∞, а на серийном омметром устанавливается показание 0. Шунтирующие омметры обычно не используются, потому что они обычно ограничиваются измерение сопротивлений от 5 Ом до 400 Ом.Если вы используете шунтирующий омметр, обязательно переключите его на положение, когда вы закончите его использовать.
Q46. Какие бывают два типа омметров?
Q47.
В чем наиболее очевидное различие между двумя типами омметров?
Q48. Перечислите четыре вида безопасности
меры предосторожности при использовании омметров.
ОММЕР МЕРЫ ПРЕДОСТОРОЖНОСТИ
Следующие меры предосторожности и рабочие процедуры для омметров являются МИНИМАЛЬНЫМИ, необходимыми для предотвращения
травмы и повреждения.
· Убедитесь, что цепь обесточена и разряжена, прежде чем подключать омметр.
· Не подавайте питание на цепь во время измерения сопротивления.
· Когда вы закончите использовать омметр, переключите его в положение ofF, если таковое имеется, и снимите провода с измерителя.
· Всегда настраивайте омметр на 0 (или ∞ в шунтирующем омметре) после изменения диапазонов перед выполнением измерение сопротивления.
1-37
МЕГОММЕТР
Обычный омметр нельзя использовать для измерения сопротивления многомиллионные сопротивления, например, в изоляции проводника.Чтобы адекватно проверить пробой изоляции, необходимо использовать гораздо более высокий потенциал, чем обеспечивает батарея омметра. Этот потенциал размещен между проводником и внешней поверхностью изоляции.
Прибор под названием МЕГОММЕТР (MEGGER) используется для этих тестов. Мегомметр (рис. 1-36) — портативный прибор, состоящий из двух основных элементы: (1) генератор постоянного тока с ручным приводом, G, который подает высокое напряжение для проведения измерений, и (2) приборная часть, которая указывает значение измеряемого сопротивления.Инструментальная часть состоит из типа с противоположной катушкой, как показано на рисунке 1-36 (A). Катушки a и b установлены на подвижном элементе c с неподвижным связаны друг с другом и могут свободно вращаться как единое целое в магнитном поле. Катушка b имеет тенденцию перемещать указатель против часовой стрелки, а катушка a стремится перемещать указатель по часовой стрелке.
Рисунок 1-36. — внутренняя схема мегомметра.
Катушка a соединена последовательно с R3 и неизвестным сопротивлением Rx, которое необходимо измерить.Сочетание катушка, R3 и Rx образуют прямой последовательный путь между положительной (+) и отрицательной (-) щетками цепи постоянного тока. генератор. Катушка b подключена последовательно с R2, и эта комбинация также подключена к генератору. На подвижном элементе инструментальной части мегомметра нет удерживающих пружин. Следовательно, когда генератор не работает, стрелка свободно плавает и может остановиться в любом положении на шкале.
1-38
Защитное кольцо задерживает ток утечки. Любые перехваченные токи утечки шунтируются на отрицательная сторона генератора. Они не проходят через змеевик а; поэтому они не влияют на показания счетчика.
Если измерительные провода разомкнуты, ток в катушке a не течет. Однако ток течет внутри через катушку. b, и отклоняет указатель на бесконечность, что указывает на слишком большое сопротивление для измерения.Когда сопротивление такое поскольку Rx подключен между измерительными выводами, ток также течет в катушке a, стремясь перемещать указатель по часовой стрелке. В то же время катушка b по-прежнему стремится перемещать указатель против часовой стрелки. Следовательно, движущийся элемент, состоящий из обеих катушек и указателя останавливается в положении, в котором две силы уравновешены. Эта позиция зависит от величины внешнего сопротивления, которое контролирует относительную величину тока в катушке а.Поскольку изменения напряжения влияют как на катушку a, так и на катушку b в одинаковой пропорции, положение подвижной системы не зависит от напряжения. Если измерительные провода замкнуты накоротко, указатель остается на нуле, потому что ток в катушке А относительно велик. При таких обстоятельствах инструмент не повреждается из-за тока ограничен R3.
Внешний вид мегомметра одного типа показан на рисунке 1-36 (B).
ВМС мегомметры обычно рассчитаны на 500 вольт.Чтобы избежать чрезмерных испытательных напряжений, большинство мегомметров оснащены фрикционными устройствами. сцепления. Когда генератор запускается быстрее, чем его номинальная частота вращения, сцепление проскальзывает, и частота вращения генератора и выходное напряжение не должно превышать своих номинальных значений. При очень высоком сопротивлении — например, 10000 мегом или более — необходимо измерить высокое напряжение, чтобы вызвать ток, достаточный для приведения в действие счетчика движение. Для расширенных диапазонов доступен генератор на 1000 вольт.
При использовании мегомметра генератор на измерительных проводах присутствует напряжение. Это напряжение может быть опасным для вас или для проверяемого оборудования. Поэтому НИКОГДА НЕ ПРИКАСАЙТЕСЬ К ИСПЫТАНИЯМ ВО ВРЕМЯ ИСПОЛЬЗОВАНИЯ MEGGER и изолируйте проверяемый элемент от оборудование перед использованием мегомметра.
Использование мегомметра
Использование мегомметра для проверки изоляция проводки, подключите один измерительный провод к изоляции, а другой измерительный провод к проводнику, после изоляция проводки от оборудования.Поворачивайте рукоятку до тех пор, пока фрикционная муфта не начнет проскальзывать, и обратите внимание на показания счетчика. Нормальная изоляция должна читать бесконечность. Любое небольшое значение сопротивления указывает на изоляцию. ломается.
Меры предосторожности мегомметра
При использовании мегомметра вы можете
травмировать или повредить оборудование, с которым вы работаете, если не соблюдаете следующие МИНИМАЛЬНЫЕ меры безопасности.
· Используйте мегомметры только для измерений высокого сопротивления (например, измерения изоляции или для проверки двух отдельные жилы на кабеле).
· Никогда не дотрагивайтесь до щупов во время поворота ручки.
· Обесточьте и полностью разрядите цепь перед подключением мегомметра.
· Отключите проверяемый элемент от других цепей, если возможно, перед использованием мегомметра.
Q49. Каково основное использование мегомметра?
1-39
Q50. Каков порядок использования мегомметра для проверки изоляции проводника?
Q51.Что является нормальным показанием мегомметра при проверке изоляции?
Q52. Перечислите четыре меры безопасности, соблюдаемые при использовании мегомметра.
МУЛЬТИМЕТР
МУЛЬТИМЕТР — наиболее распространенный измерительный прибор, используемый на флоте. Название мультиметр происходит от MULTIple. METER, и это именно то, что из себя представляет мультиметр. Это амперметр постоянного тока, вольтметр постоянного тока, вольтметр переменного тока и омметр, все в одной упаковке.На рис. 1-37 показан типичный мультиметр.
Рисунок 1-37. — мультиметр типовой.
1-30
NEETS Содержание
- Введение в материю, энергию и прямое Текущий
- Введение в переменный ток и трансформаторы
- Введение в защиту цепей, управление, и измерение
- Введение в электрические проводники, проводку Методы и схемы чтения
- Общие сведения о генераторах и двигателях
- Введение в электронную эмиссию, трубки, и блоки питания
- Введение в твердотельные устройства и Блоки питания
- Введение в усилители
- Введение в генерацию и формирование волн Схемы
- Введение в распространение и передачу волн Линии и антенны
- Принципы СВЧ
- Принципы модуляции
- Введение в системы счисления и логические схемы
- Введение в микроэлектронику
- Принципы синхронизаторов, сервоприводов и гироскопов
- Знакомство с испытательным оборудованием
- Принципы радиочастотной связи
- Принципы работы радаров
- Справочник техника, Главный глоссарий
- Методы и практика испытаний
- Введение в цифровые компьютеры
- Магнитная запись
- Введение в волоконную оптику

Аналоговый мегаомметр


