Ремонт электронного трансформатора своими руками
Мы постараемся ответить на вопрос: ремонт электронного трансформатора своими руками по рекомендациям подлинного мастера с максимально подробным описанием.
Электронные трансформаторы приходят на смену громоздким трансформаторам со стальным сердечником. Сам по себе электронный трансформатор, в отличие от классического, представляет собой целое устройство – преобразователь напряжения.
Применяются такие преобразователи в освещении для питания галогенных ламп на 12 вольт. Если вы ремонтировали люстры с пультом управления, то, наверняка, встречались с ними.
Вот схема электронного трансформатора JINDEL (модель GET-03) с защитой от короткого замыкания.
Как видим, схема довольно проста и собрана из радиодеталей, которые легко обнаружить в любом электронном балласте для питания люминесцентных ламп, а также в лампах – “экономках”.
Видео (кликните для воспроизведения).![]() |
Основными силовыми элементами схемы являются n-p-n транзисторы MJE13009, которые включены по схеме полумост. Они работают в противофазе на частоте 30 – 35 кГц. Через них прокачивается вся мощность, подаваемая в нагрузку – галогенные лампы EL1. EL5. Диоды VD7 и VD8 необходимы для защиты транзисторов V1 и V2 от обратного напряжения. Симметричный динистор (он же диак) необходим для запуска схемы.
На транзисторе V3 (2N5551) и элементах VD6, C9, R9 – R11 реализована схема защиты от короткого замыкания на выходе (short circuit protection).
Если в выходной цепи произойдёт короткое замыкание, то возросший ток, протекающий через резистор R8, приведёт к срабатыванию транзистора V3. Транзистор откроется и заблокирует работу динистора DB3, который запускает схему.
Резистор R11 и электролитический конденсатор С9 предотвращают ложное срабатывание защиты при включении ламп. В момент включения ламп нити холодные, поэтому преобразователь выдаёт в начале пуска значительный ток.
Для выпрямления сетевого напряжения 220V используется классическая мостовая схема из 1,5-амперных диодов 1N5399.
В качестве понижающего трансформатора используется катушка индуктивности L2. Она занимает почти половину пространства на печатной плате преобразователя.
В силу своего внутреннего устройства, электронный трансформатор не рекомендуется включать без нагрузки. Поэтому, минимальная мощность подключаемой нагрузки составляет 35 – 40 ватт. На корпусе изделия обычно указывается диапазон рабочих мощностей. Например, на корпусе электронного трансформатора, что на первой фотографии указан диапазон выходной мощности: 35 – 120 ватт. Минимальная мощность нагрузки его составляет 35 ватт.
Галогенные лампы EL1. EL5 (нагрузку) лучше подключать к электронному трансформатору проводами не длиннее 3 метров. Так как через соединительные проводники протекает значительный ток, то длинные провода увеличивают общее сопротивление в цепи. Поэтому лампы, расположенные дальше будут светить тусклее, чем те, которые расположены ближе.![]()
Также стоит учитывать и то, что сопротивление длинных проводов способствует их нагреву из-за прохождения значительного тока.
Стоит также отметить, что из-за своей простоты электронные трансформаторы являются источниками высокочастотных помех в сети. Обычно, на входе таких устройств ставится фильтр, который блокирует помехи. Как видим по схеме, в электронных трансформаторах для галогенных ламп нет таких фильтров. А вот в компьютерных блоках питания, которые собираются также по схеме полумоста и с более сложным задающим генератором, такой фильтр, как правило, монтируется.
Многие начинающие радиолюбители, и не только, сталкиваются с проблемами при изготовлении мощных источников питания. Сейчас в продаже появилось большое количество электронных трансформаторов, используемых для питания галогенных ламп. Электронный трансформатор представляет собой полумостовой автогенераторный импульсный преобразователь напряжения.
Импульсные преобразователи имеют высокий КПД, малые размеры и вес.
Стоят данные изделия не дорого, примерно 1рубль за один ватт. Их после доработки вполне можно использовать для питания радиолюбительских конструкций. В сети есть немало статей по этой теме. Хочу поделиться своим опытом переделки электронного трансформатора Taschibra 105W.
| Видео (кликните для воспроизведения). |
Рассмотрим принципиальную схему электронного преобразователя.
Выходное напряжение электронного трансформатора представляет собой прямоугольные импульсы частотой 30 кГц, промодулированные частотой 100 Гц.
Для того, чтобы использовать электронный трансформатор в качестве источника питания, его необходимо доработать.
Подключаем на выходе выпрямительного моста конденсатор, для сглаживания пульсаций выпрямленного напряжения. Емкость выбирается из расчета 1мкФ на 1Вт. Рабочее напряжение конденсатора должно быть не менее 400В.
При включении в сеть выпрямительного моста с конденсатором возникает бросок тока, поэтому нужно в разрыв одного из сетевых проводов включить терморезистор NTC или резистор 4,7 Ом 5Вт. Это ограничит пусковой ток.
Если необходимо другое выходное напряжение, перематываем вторичную обмотку силового трансформатора. Диаметр провода (жгута из проводов) выбирается исходя из тока нагрузки.
Электронные трансформаторы имеют ОС по току, поэтому выходное напряжение будет изменяться в зависимости от нагрузки.
Если нагрузка не подключена, трансформатор не запустится. Для того чтобы этого не было, нужно изменить схему обратной связи по току на ОС по напряжению.
Если преобразователь не запустится необходимо изменить направление намотки.
В трансформаторах Taschibra транзисторы прижаты к корпусу через картон, что небезопасно при эксплуатации. К тому же бумага очень плохо проводит тепло. Поэтому лучше установить транзисторы через теплопроводящую прокладку.
Для выпрямления переменного напряжения частотой 30кГц на выходе электронного трансформатора устанавливаем диодный мост.
Наилучшие результаты показали, из всех опробованных диодов, отечественные КД213Б (200В; 10А; 100кГц; 0,17мкс). При больших токах нагрузки они греются, поэтому их необходимо установить на радиатор через теплопроводящие прокладки.
Электронные трансформаторы плохо работают с емкостной нагрузкой или не запускаются вообще. Для нормальной работы необходим плавный запуск устройства. Обеспечению плавного запуска способствует дроссель L1. Совместно с конденсатором 100мкФ он также выполняет функцию фильтрации выпрямленного напряжения.
Дроссель L1 50мкГ наматывается на сердечнике Т106-26 фирмы Micrometals и содержит 24 витка проводом 1,2мм. Такие сердечники (жёлтого цвета, с одной гранью белого цвета) применяются в компьютерных блоках питания. Внешний диаметр 27мм, внутренний 14мм, и высота 12мм. Кстати, в убитых блоках питания можно найти и другие детали, в том числе терморезистор.

Если у вас есть шуруповерт или другой инструмент, у которого аккумуляторная батарея выработала свой ресурс, то в корпусе этой батареи можно поместить блок питания из электронного трансформатора. В результате у вас получится инструмент, работающий от сети.
Для стабильной работы на выходе блока питания желательно поставить резистор приблизительно 500 Ом 2Вт.
В процессе наладки трансформатора нужно быть предельно внимательным и аккуратным. На элементах устройства присутствует высокое напряжение. Не касайтесь фланцев транзисторов, чтобы проверить греются они или нет. Необходимо также помнить, что после выключения конденсаторы остаются заряженными некоторое время.
Возьмём для примера стандартный электронный трансформатор маркированный 12V 50Ватт, который используется для питания настольного светильника. Принципиальная схема будет такая:
Схема электронного трансформатора работает следующим образом. Напряжение сети выпрямляется с помощью выпрямительного моста до полусинусоидаьльного с удвоенной частотой.
Элемент D6 типа DB3 в документации называется “TRIGGER DIODE”, – это двунаправленный динистор в котором полярность включения значения не имеет и он используется здесь для запуска преобразователя трансформатора. Динистор срабатывает во время каждого цикла, запуская генерацию полумоста. Открытие динистора можно регулировать. Это можно использовать например для функции регулировки яркости подключенной лампы. Частота генерации зависит от размера и магнитной проводимости сердечника трансформатора обратной связи и параметров транзисторов, обычно составляет в пределах 30-50 кГц.
В настоящее время начался выпуск более продвинутых трансформаторов с микросхемой IR2161, которая обеспечивает как простоту конструкции электронного трансформатора и уменьшение числа используемых компонентов, так и высокими характеристиками. Использование этой микросхемы значительно увеличивает технологичность и надежность электронного трансформатора для питания галогенных ламп. Принципиальная схема приведена на рисунке.
Особенности электронного трансформатора на IR2161:
Интеллектуальный драйвер полумоста;
Защита от короткого замыкания нагрузки с автоматическим перезапуском ;
Защита от токовой перегрузки с автоматическим перезапуском ;
Качание рабочей частоты для снижения электромагнитных помех ;
Микромощный запуск 150 мкА;
Возможность использования с фазовыми регуляторами яркости с управлением по переднему и заднему фронтам ;
Компенсация сдвига выходного напряжения увеличивает долговечность ламп;
Мягкий запуск, исключающий токовые перегрузки ламп.
Входной резистор R1 (0,25ватт) – своеобразный предохранитель. Транзисторы типа MJE13003 прижаты к корпусу через изоляционную прокладку металлической пластинкой. Даже при работе на полную нагрузку транзисторы греются слабо. После выпрямителя сетевого напряжения отсутствует конденсатор, сглаживающий пульсации, поэтому выходное напряжение электронного трансформатора при работе на нагрузку представляет собой прямоугольные колебания 40кГц, модулированные пульсациями сетевого напряжения 50Гц.
Трансформатор Т1 (трансформатор обратной связи) – на ферритовом кольце, обмотки подключенные к базам транзисторов содержат по пару витков, обмотка, подключенная к точке соединения эмиттера и коллектора силовых транзисторов – один виток одножильного изолированного провода. В ЭТ обычно используются транзисторы MJE13003, MJE13005, MJE13007. Выходной трансформатор на ферритовом Ш-образном сердечнике.
Чтоб задействовать электронный трансформатор в импульсном источнике питания, нужно подключить на выход выпрямительный мост на ВЧ мощных диодах (обычные КД202, Д245 не пойдут) и конденсатор для сглаживания пульсаций. На выходе электронного трансформатора ставят диодный мост на диодах КД213, КД212 или КД2999. Короче нужны диоды с малым падением напряжения в прямом направлении, способные хорошо работать на частотах порядка десятков килогерц.
Преобразователь электронного трансформатора без нагрузки нормально не работает, поэтому его нужно использовать там, где нагрузка постоянна по току и потребляет достаточный ток для уверенного запуска преобразователя ЭТ.
При эксплуатации схемы надо учитывать, что электронные трансформаторы являются источниками электромагнитных помех, поэтому должен ставиться LC фильтр, предотвращающий проникновение помехи в сеть и в нагрузку.
Лично я использовал электронный трансформатор для изготовления импульсного источника питания лампового усилителя. Так-же представляется возможным питать ими мощные УНЧ класса А или светодиодные ленты, которые как раз и предназначены для источников с напряжением 12В и большим выходным током. Естественно подключение такой ленты производится не напрямую, а через токоограничительный резистор или с помощью коррекции выходной мощности электронного трансформатора.
Рассмотрим основные преимущества, достоинства и недостатки электронных трансформаторов. Рассмотрим схему их работы. Электронные трансформаторы появились на рынке совсем недавно, но успели завоевать широкую популярность не только в радиолюбительских кругах.
В последнее время в интернете часто наблюдаются статьи на основе электронных трансформаторов: самодельные блоки питания, зарядные устройства и многое другое.
На самом деле электронные трансформаторы являются простым сетевым импульсным блоком питания. Это самый дешевый блок питания. Зарядное устройство для телефона стоит дороже. Электронный трансформатор работает от сети 220 вольт.
Генератором в этой схеме является диодный тиристор или динистор. Сетевое напряжение 220 В выпрямляется диодным выпрямителем. На входе питания присутствует ограничительный резистор. Он одновременно служит и предохранителем, и защитой от бросков сетевого напряжения при включении. Рабочую частоту динистора можно определить от номиналов R-С цепочки.
Таким образом можно увеличить рабочую частоту генератора всей схемы или уменьшить. Рабочая частота в электронных трансформаторах от 15 до 35 кГц, ее можно регулировать.
Трансформатор обратной связи намотан на маленьком колечке сердечника. В нем присутствуют три обмотки. Обмотка обратной связи состоит из одного витка. Две независимые обмотки задающих цепей. Это базовые обмотки транзисторов по три витка.
Это равноценные обмотки. Ограничительные резисторы предназначены для предотвращения ложных срабатываний транзисторов и одновременно ограничения тока. Транзисторы применяются высоковольтного типа, биполярные. Часто используют транзисторы MGE 13001-13009. Это зависит от мощности электронного трансформатора.
т конденсаторов полумоста тоже многое зависит, в частности мощность трансформатора. Они применяются с напряжением 400 В. От габаритных размеров сердечника основного импульсного трансформатора также зависит мощность. У него две независимые обмотки: сетевая и вторичная. Вторичная обмотка с расчетным напряжением 12 вольт. Наматывается она, исходя из требуемой мощности на выходе.
Первичная или сетевая обмотка состоит из 85 витков провода диаметром 0,5-0,6 мм. Используются маломощные выпрямительные диоды с обратным напряжением в 1 кВ и током в 1 ампер. Это самый дешевый выпрямительный диод, который можно найти серии 1N4007.
На схеме детально виден конденсатор, частотно задающий цепи динистора.
Резистор на входе предохраняет от бросков напряжения. Динистор серии DB3, его отечественный аналог КН102. Также имеется ограничивающий резистор на входе. Когда напряжение на частотно задающем конденсаторе достигает максимального уровня, происходит пробой динистора. Динистор – это полупроводниковый искровой разрядник, который срабатывает при определенном напряжении пробоя. Тогда он подает импульс на базу одного из транзисторов. Начинается генерация схемы.
Транзисторы работают по противофазе. Образуется переменное напряжение на первичной обмотке трансформатора заданной частоты срабатывания динистора. На вторичной обмотке мы получаем нужное напряжение. В данном случае все трансформаторы рассчитаны на 12 вольт.
Он предназначен для питания галогенных ламп на 12 вольт.
Со стабильной нагрузкой, как галогенные лампы, такие электронные трансформаторы могут работать бесконечно долго. Во время работы схема перегревается, но не выходит из строя.
Подается напряжение 220 вольт, выпрямляется диодным мостом VDS1.
Через резисторы R2 и R3 начинает заряжаться конденсатор С3. Заряд продолжается то тех пор, пока не пробьется динистор DB3.
Напряжение открытия этого динистора составляет 32 вольта. После его открытия на базу нижнего транзистора поступает напряжение. Транзистор открывается, вызывая автоколебания этих двух транзисторов VT1 и VT2. Как работают эти автоколебания?
Ток начинает поступать через С6, трансформатор Т3, трансформатор управления базами JDT, транзистор VT1. При прохождении через JDT он вызывает закрытие VT1 и происходит открытие VT2. После этого ток течет через VT2, через трансформатор баз, Т3, С7. Транзисторы постоянно открывают и закрывают друг друга, работают в противофазе. В средней точке появляются прямоугольные импульсы.
Частота преобразования зависит от индуктивности обмотки обратной связи, емкости баз транзисторов, индуктивности трансформатора Т3 и емкостей С6, С7. Поэтому частотой преобразования управлять очень сложно. Еще частота зависит от нагрузки. Для форсирования открытия транзисторов используются ускоряющие конденсаторы на 100 вольт.
Для надежного закрытия динистора VD3 после возникновения генерации прямоугольные импульсы прикладываются к катоду диода VD1, и он надежно запирает динистор.
Кроме этого, есть устройства, которые используют для осветительных приборов, питают мощные галогенные лампы в течение двух лет, работают верой и правдой.
Сетевое напряжение через ограничительный резистор поступает на диодный выпрямитель. Сам диодный выпрямитель состоит из 4-х маломощных выпрямителей с обратным напряжением в 1 кВ и током 1 ампер. Такой же выпрямитель стоит на блоке трансформатора. После выпрямителя постоянное напряжение сглаживается электролитическим конденсатором. От резистора R2 зависит время заряда конденсатора С2. При максимальном заряде срабатывает динистор, возникает пробой. На первичной обмотке трансформатора образуется переменное напряжение частоты срабатывания динистора.
Основное достоинство этой схемы – это наличие гальванической развязки с сетью 220 вольт. Основным недостатком является малый выходной ток.
Схема предназначена для питания малых нагрузок.
Потребление тока 0,63 ампера, частота 50-60 герц, рабочая частота 30 килогерц. Такие электронные трансформаторы предназначены для питания более мощных галогенных ламп.
Если использовать приборы по прямому назначению, то имеется хорошая функция. Трансформатор не включается без входной нагрузки. Если вы просто включили в сеть трансформатор, то он не активен. Нужно подключить на выход мощную нагрузку, чтобы началась работа. Эта функция экономит электроэнергию. Для радиолюбителей, которые переделывают трансформаторы в регулируемый блок питания, это является недостатком.
Можно реализовать систему автовключения и систему защиты от короткого замыкания. Несмотря на имеющиеся недостатки, электронный трансформатор всегда будет самой дешевой разновидностью блоков питания полумостового типа.
В продаже можно найти более качественные недорогие блоки питания с отдельным генератором, но все они реализуются на основе полумостовых схем с применением самотактируемых полумостовых драйверов, таких как IR2153 и ему подобные.
Такие электронные трансформаторы гораздо лучше работают, более стабильны, реализована защита от короткого замыкания, на входе сетевой фильтр. Но старая Taschibra остается незаменимой.
Они имеют ряд недостатков, несмотря на то, что они сделаны по хорошим схемам. Это отсутствие каких-либо защит в дешевых моделях. У нас простейшая схема электронного трансформатора, но она работает. Именно эта схема реализована в нашем примере.
На входе питания отсутствует сетевой фильтр. На выходе после дросселя должен стоять хотя бы сглаживающий электролитический конденсатор на несколько микрофарад. Но он тоже отсутствует. Поэтому на выходе диодного моста мы можем наблюдать нечистое напряжение, то есть, все сетевые и другие помехи передаются на схему. На выходе мы получаем минимальное количество помех, так как реализована гальваническая развязка.
Рабочая частота динистора крайне неустойчива, зависит от выходной нагрузки. Если без выходной нагрузки частота составляет 30 кГц, то с нагрузкой может наблюдаться довольно большой спад до 20 кГц, зависит от конкретной нагруженности трансформатора.
Еще одним недостатком можно назвать то, что на выходе этих электронных трансформаторов переменная частота и ток. Чтобы использовать его в качестве блока питания, нужно выпрямить ток. Выпрямлять нужно импульсными диодами. Обычные диоды тут не подходят из-за повышенной рабочей частоты. Поскольку в таких блоках питания не реализованы никакие защиты, то стоит лишь замкнуть выходные провода, блок не просто выйдет из строя, а взорвется.
Одновременно при коротком замыкании ток в трансформаторе увеличивается до максимума, поэтому выходные ключи (силовые транзисторы) просто лопнут. Выходит из строя и диодный мост, поскольку они рассчитаны на рабочий ток в 1 ампер, а при коротком замыкании рабочий ток резко увеличивается. Выходят также из строя ограничительные резисторы транзисторов, сами транзисторы, диодный выпрямитель, предохранитель, который должен предохранять схему, но не делает этого.
Еще несколько компонентов могут выйти из строя. Если у вас имеется такой блок электронного трансформатора, и он случайно выходит по каким-то причинам из строя, то ремонтировать его нецелесообразно, так как это не выгодно.
Только один транзистор стоит 1 доллар. А готовый блок питания также можно купить за 1 доллар, совсем новый.
Сегодня в продаже можно найти разные модели трансформаторов, начиная от 25 ватт и заканчивая несколькими сотнями ватт. Трансформатор на 60 ватт выглядит следующим образом.
Производитель китайский, выпускает электронные трансформаторы мощностью от 50 до 80 ватт. Входное напряжение от 180 до 240 вольт, частота сети 50-60 герц, рабочая температура 40-50 градусов, выход 12 вольт.
На сегодняшний день, электромеханики достаточно редко занимаются починкой электронных трансформаторов. В большинстве случаев, я и сам не очень заморачиваюсь тем, чтобы потрудиться над реанимацией подобных устройств, просто потому что, обычно покупка нового электронного трансформатора обходится куда дешевле, чем ремонт старого. Однако, в обратной ситуации — почему бы и не потрудиться экономии ради. К тому же не у всех есть возможность добраться до специализированного магазина, чтобы подыскать там замену, или обратиться в мастерскую.
По этой причине, любому радиолюбителю нужно уметь и знать, как производится проверка и ремонт импульсных (электронных) трансформаторов в домашних условиях, какие могут возникнуть неоднозначные моменты и как их разрешить.
Ввиду того, что не все имеют обширный объём знаний по теме, постараюсь представить всю имеющуюся информацию максимально доступно.
Прежде, чем приступить к основной части, сделаю небольшое напоминание о том, что же такое электронный трансформатор и для чего он предназначен. Трансформатор используется для преобразования одной переменной напряжения в другую (например, 220 вольт в 12 вольт). Это свойство электронного трансформатора очень широко используется в радиоэлектронике. Существуют однофазные (ток течёт по двум проводам – фаза и «0») и трёхфазные (ток течёт по четырём проводам – три фазы и «0») трансформаторы. Основным значимым моментом при использовании электронного трансформатора является то, что при понижении напряжения сила тока в трансформаторе увеличивается.
У трансформатора имеется как минимум одна первичная и одна вторичная обмотка. Питающее напряжение подключается на первичную обмотку, ко вторичной обмотке подключается нагрузка, либо снимается выходное напряжение. В понижающих трансформаторах провод первичной обмотки всегда имеет меньшее сечение, чем провод вторичной. Это позволяет увеличить количество витков первичной обмотки и как следствие её сопротивление. То есть при проверке мультиметром первичная обмотка показывает сопротивление в разы большее, чем вторичная. Если же по какой-то причине диаметр провода вторичной обмотки будет небольшим, то по закону Джоуля-Лэнса вторичная обмотка перегреется и спалит весь трансформатор. Неисправность трансформатора может заключаться в обрыве и или КЗ (коротком замыкании) обмоток. При обрыве мультиметр показывает единицу на сопротивлении.
На самом деле, чтобы разобраться с причиной поломки не нужно обладать огромным багажом знаний, достаточно иметь под рукой мультиметр (стандартный китайский, как на рисунке №2) и знать, какие цифры должен выдавать на выходе каждый из компонентов (конденсатор, диод и т.
д.).
Мультиметр может измерить постоянное, переменное напряжение, сопротивление. Также он может работать в режиме прозвонки. Желательно, чтобы щуп мультиметра был обмотан скотчем, (как на рисунке №2), это убережёт его от обрывов.
Чтобы правильно производить прозвонку различных элементов трансформера рекомендую всё-таки выпаивать их (многие пытаются обойтись без этого) и исследовать отдельно, поскольку в противном случае показания могут быть неточными.
Нельзя забывать, что диоды прозваниваются только в одну сторону. Для этого мультиметр устанавливается в режим прозвонки, красный щуп прикладывается к плюсу, чёрный к минусу. Если всё в норме, то прибор издаёт характерный звук. При наложении щупов на противоположные полюса не должно происходит вообще ничего, а если это не так, то можно диагностировать пробой диода.
При проверке транзисторов, их также нужно выпаивать и прозванивать переходы база-эмиттер, база-коллектор, выявляя их проходимость в одну, и в другую сторону.
Обычно, роль коллектора в транзисторе выполняет задняя железная часть.
Нельзя забывать проверять обмотку, как первичную, так и вторичную. Если возникают проблемы с определением того, где первичная обмотка, а где вторичная, то помните, что первичная обмотка даёт большее сопротивление.
Ёмкость конденсатора измеряется в фарадах (пикофарадах, микрофарадах). Для его исследования тоже используется мультиметр, на котором выставляется сопротивление в 2000 кОм. Положительный щуп прикладывается к минусу конденсатора, отрицательный к плюсу. На экране должны появляться всё возрастающие цифры вплоть до почти двух тысяч, которые сменяются единицей, что расшифровывается как бесконечное сопротивление. Это может свидетельствовать об исправности конденсатора, но лишь в отношении его способности накапливать заряд.
Ещё один момент: если в процессе прозвонки возникла путаница с тем, где расположен «вход», а где «выход» трансформатора, то нужно просто перевернуть плату и на обратной стороне на одном конце платы вы увидите небольшую маркировку «SEC» (второй), которой обозначается выход, а на другом «PRI» (первый) — вход.
А также, не забывайте, что электронные трансформаторы нельзя запускать без загрузки! Это очень важно.
Возможность попрактиковаться в починке трансформатора представилась не так давно, когда мне принесли электронный трансформатор от потолочной люстры (напряжение — 12 вольт). Люстра рассчитана на 9 лампочек, каждая по 20 ватт (в сумме – 180 ватт). На упаковке от трансформатора значилось также: 180 ватт.А вот пометка на плате гласила: 160 ватт. Страна производитель – конечно же,Китай. Аналогичный электронный трансформатор стоит не более 3$, и это на самом деле совсем немного, если сравнивать со стоимостью остальных компонентов устройства, в котором он был задействован.
В полученном мной электронном трансформаторе сгорела пара ключей на биполярных транзисторах (модель: 13009).
Рабочая схема стандартная двухтактная, на месте выходного транзистора поставлен инвертор ТОР(Thor), у которого вторичная обмотка состоит из 6-ти витков, а переменный ток сразу же перенаправляется на выход, то есть к лампам.
Такие блоки питания обладают весьма значимым недостатком: отсутствует защита против короткого замыкания на выходе. Даже при секундном замыкании выходной обмотки, можно ожидать весьма впечатляющего взрыва схемы. Поэтому рисковать подобным образом и замыкать вторичную обмотку крайне не рекомендуется. В целом, именно по этой причине радиолюбители не очень любят связываться с электронными трансформаторами подобного типа. Впрочем, некоторые наоборот пытаются их самостоятельно доработать, что, на мой взгляд, весьма неплохо.
Но вернёмся к делу: поскольку наблюдалось потемнение платы прямо под ключами, то не приходилось сомневаться, что они вышли из строя именно из-за перегрева. Тем более, что радиаторы не слишком активно охлаждают заполненную множеством деталей коробочку корпуса, да ещё и прикрываются картонкой. Хотя, если судить по исходным данным, также имела место перегрузка в 20 ватт.
Из-за того, что нагрузка превышает возможности блока питания, достижение номинальной мощности практически равнозначно выходу из строя.
Те более, что в идеале, с расчётом на долговременное функционирование, мощность БП должна быть не меньше, а вдвое больше необходимого. Вот такая она китайская электроника. Снизить уровень нагрузки, сняв несколько лампочек, не представлялось возможным. Поэтому единственный подходящий, на мой взгляд, вариант исправления ситуации заключался в наращивании теплоотводов.
Чтобы подтвердить (или опровергнуть) свою версию, я запустил плату прямо на столе и дал нагрузку с помощью двух галогеновых парных ламп. Когда всё было подключено – капнул немного парафина на радиаторы. Расчёт был такой: если парафин будет таять и испаряться, то можно гарантировать, что электронный трансформатор (благо, если только он сам) будет сгорать меньше чем за полчаса работы по причине перегрева.После 5 минут работы воск так и не расплавился, получалось, что основная проблема связана именно с плохой вентиляцией, а не с неисправностью радиатора. Наиболее изящный вариант решения проблемы – просто подогнать другой более просторный корпус под электронный трансформатор, который обеспечит достаточную вентиляцию.
Но я предпочёл подсоединить теплоотвод в виде алюминиевой полоски. Собственно, этого оказалось вполне достаточно для исправления ситуации.
В качестве ещё одного примера починки электронного трансформатора я хотел бы рассказать о ремонте устройства, обеспечивающего понижение напряжения с 220 на 12 Вольт. Оно использовалось для галогенных ламп на 12 Вольт (мощность – 50 Ватт).
Рассматриваемый экземпляр перестал работать без всяких спецэффектов. До того, как он оказался у меня в руках, от работы с ним отказалось несколько мастеров: некоторые не смогли найти решение проблемы, другие, как уже и говорилось выше, решили, что это экономически нецелесообразно.
Для очистки совести я проверил все элементы, дорожки на плате, нигде не обнаружил обрывов.
Тогда я решил проверить конденсаторы. Диагностика мультиметром вроде бы прошла успешно, однако, с учётом того, что накопление заряда происходило на протяжении целых 10 секунд (это многовато для конденсаторов подобного типа), возникло подозрение, что неполадка именно в нём.
Я произвёл замену конденсатора на новый.
Тут нужно небольшое отступление: на корпусе рассматриваемого электронного трансформатора имелось обозначение: 35-105 VA. Эти показания говорят о том, при какой нагрузке можно включать устройство. Включать его вообще без нагрузки (или, если по-человечески, без лампы), как уже говорилось ранее, нельзя. Поэтому я подсоединил к электронному трансформатору лампу на 50 Ватт (то есть значение, которое вписывается между нижней и верхней границей допустимой нагрузки).
Рис. 4: Галогеновая лампа на 50Ватт (упаковка).
После подключения никаких изменений в работоспособности трансформатора не произошло. Тогда я ещё раз полностью осмотрел конструкцию и понял, что при первой проверке не обратил внимания на термопредохранитель (в данном случае модель L33, ограничение до 130C). Если в режиме прозвонки этот элемент даёт единицу, то можно говорить о его неисправности и обрыве цепи. Изначально термопредохранитель не был проверен по той причине, что при помощи термоусадки он вплотную крепится к транзистору.
То есть для полноценной проверки элемента придётся избавляться от термоусадки, а это весьма трудоёмко.
Рис.5: Термопредохранитель, прикреплённый термоусадкой к транзистору (элемент белого цвета, на который указывает ручка).
Впрочем, для анализа работы схемы без данного элемента, достаточно закоротить его «ножки» на обратной стороне. Что я и сделал. Электронный трансформатор тут же заработал, да и произведённая ранее замена конденсатора оказалась не лишней, поскольку ёмкость установленного до этого элемента не отвечала заявленной. Причина, вероятно, была в том, что он просто износился.
В итоге, я заменил термопредохранитель, и на этом ремонт электронного трансформатора можно было считать завершённым.
Электронный трансформатор — сетевой импульсный блок питания, который предназначен для питания галогенных ламп 12 Вольт. Подробнее о данном устройстве в статье «Электронный трансформатор (ознакомление)».
Устройство имеет достаточно простую схему.
Простой двухтактный автогенератор, который выполнен по полумостовой схеме, рабочая частота порядка 30кГц, но этот показатель сильно зависит от выходной нагрузки.
Схема такого блока питания очень не стабильна, не имеет никаких защит от КЗ на выходе трансформатора, пожалуй именно из-за этого, схема пока не нашла широкого применения в радиолюбительских кругах. Хотя в последнее время на разных форумах наблюдается продвижение данной темы. Люди предлагают различные варианты доработки таких трансформаторов. Я сегодня попытаюсь все эти доработки совместить в одной статье и предложить варианты не только доработки, но и умощнения ЭТ.
В основу работы схемы углубляться не будем, а сразу приступим к делу.
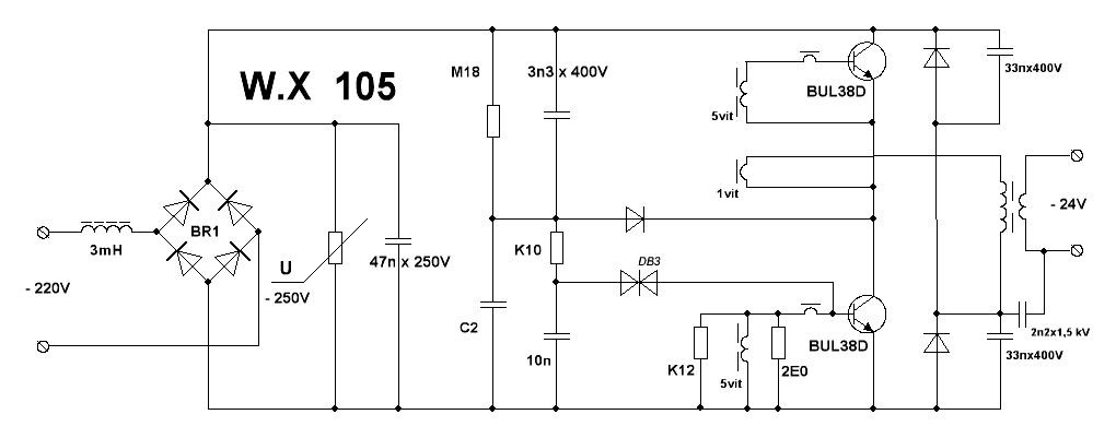
Мы попытаемся доработать и увеличить мощность китайского ЭТ Taschibra на 105 Ватт.
Для начала хочу пояснить, по какой причине я решил взяться за умощнение и переделку таких трансформаторов. Дело в том, что недавно сосед попросил сделать ему на заказ зарядное устройство для автомобильного аккумулятора, который был бы компактным и легким.
Собирать не хотелось, но позже я наткнулся на интересные статьи в которых рассматривалась переделка электронного трансформатора. Это натолкнуло на мысль — почему бы не попробовать?
Таким образом, были приобретены несколько ЭТ от 50 до 150 Ватт, но опыты с переделкой не всегда завершались успешно, из всех выжил только ЭТ на 105 Ватт. Недостатком такого блока является то, что трансформатор у него не кольцевой, в связи с чем неудобно отмотать или домотать витки. Но другого выбора не было и пришлось переделать именно этот блок.
Как нам известно, эти блоки не включаются без нагрузки, это не всегда является достоинством. Я планирую получить надежное устройство, которое можно свободно применять в любых целях, не боясь, что блок питания может перегореть или выйти из строя при КЗ.
Доработка №1
Суть идеи заключается в добавлении защиты от КЗ, также устранения вышеуказанного недостатка (активация схемы без выходной нагрузки или с маломощной нагрузкой).
Глядя на сам блок, мы можем увидеть простейшую схему ИБП, я бы сказал, что схема не до конца отработана производителем. Как мы знаем, если замкнуть вторичную обмотку трансформатора, то меньше, чем за секунду схема выйдет из строя. Ток в схеме резко возрастает, ключи в миг выходят из строя, иногда и базовые ограничители. Таким образом, ремонт схемы обойдется дороже стоимости (цена такого ЭТ порядка 2,5$).
Трансформатор обратной связи состоит из трех отдельных обмоток. Две из этих обмоток питают базовые цепи ключей.
Для начала удаляем обмотку связи на трансформаторе ОС и ставим перемычку. Эта обмотка включена последовательно с первичной обмоткой импульсного трансформатора.
Затем на силовом трансформаторе мотаем всего 2 витка и один виток на кольце (трансформаторе ОС). Для намотки можно использовать провод с диаметром 0,4-0,8мм.
Далее нужно подобрать резистор для ОС, в моем случае он на 6,2 ОМ, но резистор можно подобрать с сопротивлением 3-12 Ом, чем выше сопротивление этого резистора, тем меньше ток защиты от КЗ.
Резистор в моем случае использован проволочный, чего делать не советую. Мощность этого резистора подбираем 3-5 ватт (можно использовать от 1 до 10 ватт).
Во время КЗ на выходной обмотке импульсного трансформатора ток во вторичной обмотке падает (в стандартных схемах ЭТ при КЗ ток возрастает, выводя из строя ключи). Это приводит к уменьшению тока на обмотке ОС. Таким образом, прекращается генерация, сами ключи запираются.
Единственным недостатком такого решение является то, что при долговременном КЗ на выходе, схема выходит из строя, поскольку ключи греются и достаточно сильно. Не стоит подвергать выходную обмотку КЗ с длительностью более 5-8 секунд.
Схема теперь будет заводиться без нагрузки, одним словом мы получили полноценный ИБП с защитой от КЗ.
Доработка №2
Теперь постараемся, в какой-то мере сгладить сетевое напряжение от выпрямителя. Для этого будем использовать дроссели и сглаживающий конденсатор.
В моем случае использован готовый дроссель с двумя независимыми обмотками. Данный дроссель был снят от ИБП DVD проигрывателя, хотя можно использовать и самодельные дросселя.
После моста следует подключить электролит с емкостью 200мкФ с напряжением не менее 400 Вольт. Емкость конденсатора подбирается исходя из мощности блока питания 1мкФ на 1 ватт мощности. Но как вы помните, наш БП рассчитан на 105 Ватт, почему же конденсатор использован на 200мкФ? Это поймете уже совсем скоро.
Доработка №3
Теперь о главном — умощнение электронного трансформатора и реально ли это? На самом деле есть только один надежный способ умощнения без особых переделок.
Для умощнения удобно использовать ЭТ с кольцевым трансформатором, поскольку нужно будет перемотать вторичную обмотку, именно по этой причине мы заменим наш трансформатор.
Сетевая обмотка растянута по всему кольцу и содержит 90 витков провода 0,5-0,65мм. Обмотка мотается на двух сложенных ферритовых кольцах, которые были сняты от ЭТ с мощностью 150 Ватт.
Вторичная обмотка мотается исходя от нужд, в нашем случае она рассчитана на 12 Вольт.
Планируется увеличить мощность до 200 Ватт. Именно поэтому и нужен был электролит с запасом, о котором говорилось выше.
Конденсаторы полумоста заменяем на 0,5мкФ, в штатной схеме они имеют емкость 0,22 мкФ. Биполярные ключи MJE13007 заменяем на MJE13009.
Силовая обмотка трансформатора содержит 8 витков, намотка делалась 5-ю жилами провода 0,7мм, таким образом, имеем в первичке провод с общим сечением 3,5мм.
Идем дальше. Перед и после дросселей ставим пленочные конденсаторы с емкостью 0,22-0,47мкФ с напряжением не менее 400 Вольт (я использовал именно те конденсаторы, которые были на плате ЭТ и которые пришлось заменить для увеличения мощности).
Далее заменяем диодный выпрямитель. В стандартных схемах применяются обычные выпрямительные диоды серии 1N4007. Ток диодов составляет 1 Ампер, наша схема потребляет немало тока, поэтому диоды стоит заменить на более мощные, во избежание неприятных результатов после первого включения схемы.
Можно использовать буквально любые выпрямительные диоды с током 1,5-2 Ампер, обратное напряжение не менее 400 Вольт.
Все компоненты, кроме платы с генератором смонтированы на макетной плате. Ключи были укреплены на теплоотвод через изоляционные прокладки.
Продолжаем нашу переделку электронного трансформатора, дополнив схему выпрямителем и фильтром.
Дросселя намотаны на кольцах из порошкового железа (сняты от компьютерного БП), состоят из 5-8 витков. Намотку удобно сделать сразу 5-ю жилами провода с диаметром 0,4-0,6мм каждая жила.
Сглаживающий конденсатор подбираем с напряжением 25-35 Вольт, в качестве выпрямителя применен один мощный диод шоттки (диодные сборки из компьютерного блока питания). Можно использовать любые быстрые диоды с током 15-20 Ампер.
Автор статьи: Артем Кондратьев
Добрый день! Я Артем. Чуть меньше 9 лет работаю слесарем и мне нравиться работать руками. Когда создаешь новые полезные вещи или возвращаешь к жизни сломанные предметы.
Разве это не прекрасно? Рекомендую, перед реализацией идей с моего сайта, проконсультироваться со специалистами. Удачного рабочего дня!
Ремонт электронного трансформатора Eaglerise EET210LK для галогенных ламп — blog.instalator
Имеется подобная люстра, в которой используются низковольтные галогенные лампочки, на 12 Вольт. Люстра периодически начала гаснуть либо не включаться вообще, в итоге с громким щелчком погасла совсем. В самой люстре установлен электронный трансформатор для понижения сетевого напряжения 230 В до необходимых, для питания галогенных лампочек, 12 Вольт. Стало понятно, что неисправность, скорее всего именно в трансформаторе.
Люстра с низковольтными капсульными галогенными лампамиГалогенные лампочки на 12 Вольт в таком форм факторе.
Низковольтная капсульная галогенная лампаВ люстре установлен электронный трансформатор Eaglerise EET210LK, с выходным напряжением 11.
5 В.
Вскрываем его и не вооруженным глазом видим виновника громкого щелчка перед смертью (обведен на фото), это варистор.
Плата электронного трансформатора для галогенных ламп Eaglerise EET210LKСправа на фото то, что осталось от варистора.
Слева — нормальный варистор. Справа — сгоревший варистор.Первым делом проверил предохранитель, он оказался сгоревшим. Проверил диодный мост, все диоды оказались рабочими. Далее проверил 3 биполярных транзистора, один маленький 2N5551 и два P13009 установленных на радиаторах, они оказались тоже целые. После чего решил проверить все остальные диоды на плате — целые. Проверил все резисторы, особенно smd, они тоже оказались целыми.
Выпаял остатки сгоревшего варистора, заменил предохранитель, включил в розетку и…. нет, не взорвался, он не заработал. Включал естественно с нагрузкой, автомобильной галогенной лампочкой. Было слышно только чуть слышимое гудение трансформатора.
Выключил.
Нашел в сети схему электронного трансформатора другого производителя, но она один в один как наш пациент.
Электронный трансформатор для галогенных ламп Kanlux SET210Схема электронного трансформатора для галогенных ламп Kanlux SET210, Eaglerise EET210LKБез осциллографа невозможно посмотреть, что творится на ключах, решил пройтись по емкостям. Электролит 47 мкФ, заменил сразу, попробовал подкинуть емкости параллельно конденсаторам на первичной обмотке выходного трансформатора (обведено желтым) и блок завелся.
Выпаиваем эти конденсаторы
и проверяем их в чудо-приборе)
Проверка конденсаторов на Китайском тестере радиодеталейПроверка конденсаторов на Китайском тестере радиодеталейРезультат проверки как говорится налицо, по маркировке на конденсаторах их емкость должна быть 0.15 мкФ, а реальная у первого конденсатора емкость 94 пФ (пикофарад), у второго чуть лучше чем первый — 0.091 мкФ, но все равно не дотягивает до номинала, емкость практически в два раза ниже.
Снял с донорской платы вот такие конденсаторы, судя по форме, цвету и маркировке, это к73-17, тогда надписи на нем означают: 150 нФ или 0.15 мкФ , погрешность +- 5%, рабочее напряжение 400 Вольт.
Конденсатор к73-17Измеряем их емкость
Реальная емкость полностью соответствует маркировке — 152 нФ или 0,152 мкФ.
Впаиваем их в место китайских неисправных и электронный трансформатор заработал. Да будет свет.
Электронный трансформатор. Ремонт своими руками.
На сегодняшний день, электромеханики достаточно редко занимаются починкой электронных трансформаторов. В большинстве случаев, я и сам не очень заморачиваюсь тем, чтобы потрудиться над реанимацией подобных устройств, просто потому что, обычно покупка нового электронного трансформатора обходится куда дешевле, чем ремонт старого. Однако, в обратной ситуации — почему бы и не потрудиться экономии ради. К тому же не у всех есть возможность добраться до специализированного магазина, чтобы подыскать там замену, или обратиться в мастерскую. По этой причине, любому радиолюбителю нужно уметь и знать, как производится проверка и ремонт импульсных (электронных) трансформаторов в домашних условиях, какие могут возникнуть неоднозначные моменты и как их разрешить.
Ввиду того, что не все имеют обширный объём знаний по теме, постараюсь представить всю имеющуюся информацию максимально доступно.
Немного о трансформаторах
Рис.1: Трансформатор.
Прежде, чем приступить к основной части, сделаю небольшое напоминание о том, что же такое электронный трансформатор и для чего он предназначен. Трансформатор используется для преобразования одной переменной напряжения в другую (например, 220 вольт в 12 вольт). Это свойство электронного трансформатора очень широко используется в радиоэлектронике. Существуют однофазные (ток течёт по двум проводам – фаза и «0») и трёхфазные (ток течёт по четырём проводам – три фазы и «0») трансформаторы. Основным значимым моментом при использовании электронного трансформатора является то, что при понижении напряжения сила тока в трансформаторе увеличивается.
У трансформатора имеется как минимум одна первичная и одна вторичная обмотка. Питающее напряжение подключается на первичную обмотку, ко вторичной обмотке подключается нагрузка, либо снимается выходное напряжение. В понижающих трансформаторах провод первичной обмотки всегда имеет меньшее сечение, чем провод вторичной. Это позволяет увеличить количество витков первичной обмотки и как следствие её сопротивление. То есть при проверке мультиметром первичная обмотка показывает сопротивление в разы большее, чем вторичная. Если же по какой-то причине диаметр провода вторичной обмотки будет небольшим, то по закону Джоуля-Лэнса вторичная обмотка перегреется и спалит весь трансформатор. Неисправность трансформатора может заключаться в обрыве и или КЗ (коротком замыкании) обмоток. При обрыве мультиметр показывает единицу на сопротивлении.
Как проверять электронные трансформаторы?
На самом деле, чтобы разобраться с причиной поломки не нужно обладать огромным багажом знаний, достаточно иметь под рукой мультиметр (стандартный китайский, как на рисунке №2) и знать, какие цифры должен выдавать на выходе каждый из компонентов (конденсатор, диод и т.
д.).
Рис 2: Мультиметр.
Мультиметр может измерить постоянное, переменное напряжение, сопротивление. Также он может работать в режиме прозвонки. Желательно, чтобы щуп мультиметра был обмотан скотчем, (как на рисунке №2), это убережёт его от обрывов.
Чтобы правильно производить прозвонку различных элементов трансформера рекомендую всё-таки выпаивать их (многие пытаются обойтись без этого) и исследовать отдельно, поскольку в противном случае показания могут быть неточными.
Диоды
Нельзя забывать, что диоды прозваниваются только в одну сторону. Для этого мультиметр устанавливается в режим прозвонки, красный щуп прикладывается к плюсу, чёрный к минусу. Если всё в норме, то прибор издаёт характерный звук. При наложении щупов на противоположные полюса не должно происходит вообще ничего, а если это не так, то можно диагностировать пробой диода.
Транзисторы
При проверке транзисторов, их также нужно выпаивать и прозванивать переходы база-эмиттер, база-коллектор, выявляя их проходимость в одну, и в другую сторону.
Обычно, роль коллектора в транзисторе выполняет задняя железная часть.
Обмотка
Нельзя забывать проверять обмотку, как первичную, так и вторичную. Если возникают проблемы с определением того, где первичная обмотка, а где вторичная, то помните, что первичная обмотка даёт большее сопротивление.
Конденсаторы (радиаторы)
Ёмкость конденсатора измеряется в фарадах (пикофарадах, микрофарадах). Для его исследования тоже используется мультиметр, на котором выставляется сопротивление в 2000 кОм. Положительный щуп прикладывается к минусу конденсатора, отрицательный к плюсу. На экране должны появляться всё возрастающие цифры вплоть до почти двух тысяч, которые сменяются единицей, что расшифровывается как бесконечное сопротивление. Это может свидетельствовать об исправности конденсатора, но лишь в отношении его способности накапливать заряд.
Ещё один момент: если в процессе прозвонки возникла путаница с тем, где расположен «вход», а где «выход» трансформатора, то нужно просто перевернуть плату и на обратной стороне на одном конце платы вы увидите небольшую маркировку «SEC» (второй), которой обозначается выход, а на другом «PRI» (первый) — вход.
А также, не забывайте, что электронные трансформаторы нельзя запускать без загрузки! Это очень важно.
Ремонт электронного трансформатора
Пример 1
Возможность попрактиковаться в починке трансформатора представилась не так давно, когда мне принесли электронный трансформатор от потолочной люстры (напряжение — 12 вольт). Люстра рассчитана на 9 лампочек, каждая по 20 ватт (в сумме – 180 ватт). На упаковке от трансформатора значилось также: 180 ватт.А вот пометка на плате гласила: 160 ватт. Страна производитель – конечно же,Китай. Аналогичный электронный трансформатор стоит не более 3$, и это на самом деле совсем немного, если сравнивать со стоимостью остальных компонентов устройства, в котором он был задействован.
В полученном мной электронном трансформаторе сгорела пара ключей на биполярных транзисторах (модель: 13009).
Рис.3: Биполярный транзистор MOROCCO-13009.
Рабочая схема стандартная двухтактная, на месте выходного транзистора поставлен инвертор ТОР(Thor), у которого вторичная обмотка состоит из 6-ти витков, а переменный ток сразу же перенаправляется на выход, то есть к лампам.
Такие блоки питания обладают весьма значимым недостатком: отсутствует защита против короткого замыкания на выходе. Даже при секундном замыкании выходной обмотки, можно ожидать весьма впечатляющего взрыва схемы. Поэтому рисковать подобным образом и замыкать вторичную обмотку крайне не рекомендуется. В целом, именно по этой причине радиолюбители не очень любят связываться с электронными трансформаторами подобного типа. Впрочем, некоторые наоборот пытаются их самостоятельно доработать, что, на мой взгляд, весьма неплохо.
Но вернёмся к делу: поскольку наблюдалось потемнение платы прямо под ключами, то не приходилось сомневаться, что они вышли из строя именно из-за перегрева. Тем более, что радиаторы не слишком активно охлаждают заполненную множеством деталей коробочку корпуса, да ещё и прикрываются картонкой. Хотя, если судить по исходным данным, также имела место перегрузка в 20 ватт.
Из-за того, что нагрузка превышает возможности блока питания, достижение номинальной мощности практически равнозначно выходу из строя. Те более, что в идеале, с расчётом на долговременное функционирование, мощность БП должна быть не меньше, а вдвое больше необходимого. Вот такая она китайская электроника. Снизить уровень нагрузки, сняв несколько лампочек, не представлялось возможным. Поэтому единственный подходящий, на мой взгляд, вариант исправления ситуации заключался в наращивании теплоотводов.
Чтобы подтвердить (или опровергнуть) свою версию, я запустил плату прямо на столе и дал нагрузку с помощью двух галогеновых парных ламп. Когда всё было подключено – капнул немного парафина на радиаторы. Расчёт был такой: если парафин будет таять и испаряться, то можно гарантировать, что электронный трансформатор (благо, если только он сам) будет сгорать меньше чем за полчаса работы по причине перегрева.После 5 минут работы воск так и не расплавился, получалось, что основная проблема связана именно с плохой вентиляцией, а не с неисправностью радиатора. Наиболее изящный вариант решения проблемы – просто подогнать другой более просторный корпус под электронный трансформатор, который обеспечит достаточную вентиляцию. Но я предпочёл подсоединить теплоотвод в виде алюминиевой полоски. Собственно, этого оказалось вполне достаточно для исправления ситуации.
Пример 2
В качестве ещё одного примера починки электронного трансформатора я хотел бы рассказать о ремонте устройства, обеспечивающего понижение напряжения с 220 на 12 Вольт. Оно использовалось для галогенных ламп на 12 Вольт (мощность – 50 Ватт).
Рис. 4: Импульсный трансформатор от LUXMAN.
Рассматриваемый экземпляр перестал работать без всяких спецэффектов. До того, как он оказался у меня в руках, от работы с ним отказалось несколько мастеров: некоторые не смогли найти решение проблемы, другие, как уже и говорилось выше, решили, что это экономически нецелесообразно.
Для очистки совести я проверил все элементы, дорожки на плате, нигде не обнаружил обрывов.
Тогда я решил проверить конденсаторы. Диагностика мультиметром вроде бы прошла успешно, однако, с учётом того, что накопление заряда происходило на протяжении целых 10 секунд (это многовато для конденсаторов подобного типа), возникло подозрение, что неполадка именно в нём. Я произвёл замену конденсатора на новый.
Тут нужно небольшое отступление: на корпусе рассматриваемого электронного трансформатора имелось обозначение: 35-105 VA. Эти показания говорят о том, при какой нагрузке можно включать устройство. Включать его вообще без нагрузки (или, если по-человечески, без лампы), как уже говорилось ранее, нельзя. Поэтому я подсоединил к электронному трансформатору лампу на 50 Ватт (то есть значение, которое вписывается между нижней и верхней границей допустимой нагрузки).
Рис. 4: Галогеновая лампа на 50Ватт (упаковка).
После подключения никаких изменений в работоспособности трансформатора не произошло. Тогда я ещё раз полностью осмотрел конструкцию и понял, что при первой проверке не обратил внимания на термопредохранитель (в данном случае модель L33, ограничение до 130C). Если в режиме прозвонки этот элемент даёт единицу, то можно говорить о его неисправности и обрыве цепи. Изначально термопредохранитель не был проверен по той причине, что при помощи термоусадки он вплотную крепится к транзистору. То есть для полноценной проверки элемента придётся избавляться от термоусадки, а это весьма трудоёмко.
Рис.5: Термопредохранитель, прикреплённый термоусадкой к транзистору (элемент белого цвета, на который указывает ручка).
Впрочем, для анализа работы схемы без данного элемента, достаточно закоротить его «ножки» на обратной стороне. Что я и сделал. Электронный трансформатор тут же заработал, да и произведённая ранее замена конденсатора оказалась не лишней, поскольку ёмкость установленного до этого элемента не отвечала заявленной. Причина, вероятно, была в том, что он просто износился.
В итоге, я заменил термопредохранитель, и на этом ремонт электронного трансформатора можно было считать завершённым.
Пишите комментарии, дополнения к статье, может я что-то пропустил. Загляните на карту сайта, буду рад если вы найдете на моем сайте еще что-нибудь полезное.
ПохожееРемонт электронного трансформатора своими руками | Электронщик
На сегодняшний день, электромеханики достаточно редко занимаются починкой электронных трансформаторов. В большинстве случаев, я и сам не очень заморачиваюсь тем, чтобы потрудиться над реанимацией подобных устройств, просто потому что, обычно покупка нового электронного трансформатора обходится куда дешевле, чем ремонт старого. Однако, в обратной ситуации — почему бы и не потрудиться экономии ради. К тому же не у всех есть возможность добраться до специализированного магазина, чтобы подыскать там замену, или обратиться в мастерскую. По этой причине, любому радиолюбителю нужно уметь и знать, как производится проверка и ремонт импульсных (электронных) трансформаторов в домашних условиях, какие могут возникнуть неоднозначные моменты и как их разрешить.
Ввиду того, что не все имеют обширный объём знаний по теме, постараюсь представить всю имеющуюся информацию максимально доступно.
Немного о трансформаторах
Рис.1: Трансформатор.
Прежде, чем приступить к основной части, сделаю небольшое напоминание о том, что же такое электронный трансформатор и для чего он предназначен. Трансформатор используется для преобразования одной переменной напряжения в другую (например, 220 вольт в 12 вольт). Это свойство электронного трансформатора очень широко используется в радиоэлектронике. Существуют однофазные (ток течёт по двум проводам – фаза и «0») и трёхфазные (ток течёт по четырём проводам – три фазы и «0») трансформаторы. Основным значимым моментом при использовании электронного трансформатора является то, что при понижении напряжения сила тока в трансформаторе увеличивается.
У трансформатора имеется как минимум одна первичная и одна вторичная обмотка. Питающее напряжение подключается на первичную обмотку, ко вторичной обмотке подключается нагрузка, либо снимается выходное напряжение. В понижающих трансформаторах провод первичной обмотки всегда имеет меньшее сечение, чем провод вторичной. Это позволяет увеличить количество витков первичной обмотки и как следствие её сопротивление. То есть при проверке мультиметром первичная обмотка показывает сопротивление в разы большее, чем вторичная. Если же по какой-то причине диаметр провода вторичной обмотки будет небольшим, то по закону Джоуля-Лэнса вторичная обмотка перегреется и спалит весь трансформатор. Неисправность трансформатора может заключаться в обрыве и или КЗ (коротком замыкании) обмоток. При обрыве мультиметр показывает единицу на сопротивлении.
Как проверять электронные трансформаторы?
На самом деле, чтобы разобраться с причиной поломки не нужно обладать огромным багажом знаний, достаточно иметь под рукой мультиметр (стандартный китайский, как на рисунке №2) и знать, какие цифры должен выдавать на выходе каждый из компонентов (конденсатор, диод и т.д.).
Рис 2: Мультиметр.
Мультиметр может измерить постоянное, переменное напряжение, сопротивление. Также он может работать в режиме прозвонки. Желательно, чтобы щуп мультиметра был обмотан скотчем, (как на рисунке №2), это убережёт его от обрывов.
Чтобы правильно производить прозвонку различных элементов трансформера рекомендую всё-таки выпаивать их (многие пытаются обойтись без этого) и исследовать отдельно, поскольку в противном случае показания могут быть неточными.
Диоды
Нельзя забывать, что диоды прозваниваются только в одну сторону. Для этого мультиметр устанавливается в режим прозвонки, красный щуп прикладывается к плюсу, чёрный к минусу. Если всё в норме, то прибор издаёт характерный звук. При наложении щупов на противоположные полюса не должно происходит вообще ничего, а если это не так, то можно диагностировать пробой диода.
Транзисторы
При проверке транзисторов, их также нужно выпаивать и прозванивать переходы база-эмиттер, база-коллектор, выявляя их проходимость в одну, и в другую сторону. Обычно, роль коллектора в транзисторе выполняет задняя железная часть.
Обмотка
Нельзя забывать проверять обмотку, как первичную, так и вторичную. Если возникают проблемы с определением того, где первичная обмотка, а где вторичная, то помните, что первичная обмотка даёт большее сопротивление.
Конденсаторы (радиаторы)
Ёмкость конденсатора измеряется в фарадах (пикофарадах, микрофарадах). Для его исследования тоже используется мультиметр, на котором выставляется сопротивление в 2000 кОм. Положительный щуп прикладывается к минусу конденсатора, отрицательный к плюсу. На экране должны появляться всё возрастающие цифры вплоть до почти двух тысяч, которые сменяются единицей, что расшифровывается как бесконечное сопротивление. Это может свидетельствовать об исправности конденсатора, но лишь в отношении его способности накапливать заряд.
Ещё один момент: если в процессе прозвонки возникла путаница с тем, где расположен «вход», а где «выход» трансформатора, то нужно просто перевернуть плату и на обратной стороне на одном конце платы вы увидите небольшую маркировку «SEC» (второй), которой обозначается выход, а на другом «PRI» (первый) — вход.
А также, не забывайте, что электронные трансформаторы нельзя запускать без загрузки! Это очень важно.
Ремонт электронного трансформатора
Пример 1
Возможность попрактиковаться в починке трансформатора представилась не так давно, когда мне принесли электронный трансформатор от потолочной люстры (напряжение — 12 вольт). Люстра рассчитана на 9 лампочек, каждая по 20 ватт (в сумме – 180 ватт). На упаковке от трансформатора значилось также: 180 ватт.А вот пометка на плате гласила: 160 ватт. Страна производитель – конечно же,Китай. Аналогичный электронный трансформатор стоит не более 3$, и это на самом деле совсем немного, если сравнивать со стоимостью остальных компонентов устройства, в котором он был задействован.
В полученном мной электронном трансформаторе сгорела пара ключей на биполярных транзисторах (модель: 13009).
Рис.3: Биполярный транзистор MOROCCO-13009.
Рабочая схема стандартная двухтактная, на месте выходного транзистора поставлен инвертор ТОР(Thor), у которого вторичная обмотка состоит из 6-ти витков, а переменный ток сразу же перенаправляется на выход, то есть к лампам.
Такие блоки питания обладают весьма значимым недостатком: отсутствует защита против короткого замыкания на выходе. Даже при секундном замыкании выходной обмотки, можно ожидать весьма впечатляющего взрыва схемы. Поэтому рисковать подобным образом и замыкать вторичную обмотку крайне не рекомендуется. В целом, именно по этой причине радиолюбители не очень любят связываться с электронными трансформаторами подобного типа. Впрочем, некоторые наоборот пытаются их самостоятельно доработать, что, на мой взгляд, весьма неплохо.
Но вернёмся к делу: поскольку наблюдалось потемнение платы прямо под ключами, то не приходилось сомневаться, что они вышли из строя именно из-за перегрева. Тем более, что радиаторы не слишком активно охлаждают заполненную множеством деталей коробочку корпуса, да ещё и прикрываются картонкой. Хотя, если судить по исходным данным, также имела место перегрузка в 20 ватт.
Из-за того, что нагрузка превышает возможности блока питания, достижение номинальной мощности практически равнозначно выходу из строя. Те более, что в идеале, с расчётом на долговременное функционирование, мощность БП должна быть не меньше, а вдвое больше необходимого. Вот такая она китайская электроника. Снизить уровень нагрузки, сняв несколько лампочек, не представлялось возможным. Поэтому единственный подходящий, на мой взгляд, вариант исправления ситуации заключался в наращивании теплоотводов.
Чтобы подтвердить (или опровергнуть) свою версию, я запустил плату прямо на столе и дал нагрузку с помощью двух галогеновых парных ламп. Когда всё было подключено – капнул немного парафина на радиаторы. Расчёт был такой: если парафин будет таять и испаряться, то можно гарантировать, что электронный трансформатор (благо, если только он сам) будет сгорать меньше чем за полчаса работы по причине перегрева.После 5 минут работы воск так и не расплавился, получалось, что основная проблема связана именно с плохой вентиляцией, а не с неисправностью радиатора. Наиболее изящный вариант решения проблемы – просто подогнать другой более просторный корпус под электронный трансформатор, который обеспечит достаточную вентиляцию. Но я предпочёл подсоединить теплоотвод в виде алюминиевой полоски. Собственно, этого оказалось вполне достаточно для исправления ситуации.
Пример 2
В качестве ещё одного примера починки электронного трансформатора я хотел бы рассказать о ремонте устройства, обеспечивающего понижение напряжения с 220 на 12 Вольт. Оно использовалось для галогенных ламп на 12 Вольт (мощность – 50 Ватт).
Рис. 4: Импульсный трансформатор от LUXMAN.
Рассматриваемый экземпляр перестал работать без всяких спецэффектов. До того, как он оказался у меня в руках, от работы с ним отказалось несколько мастеров: некоторые не смогли найти решение проблемы, другие, как уже и говорилось выше, решили, что это экономически нецелесообразно.
Для очистки совести я проверил все элементы, дорожки на плате, нигде не обнаружил обрывов.
Тогда я решил проверить конденсаторы. Диагностика мультиметром вроде бы прошла успешно, однако, с учётом того, что накопление заряда происходило на протяжении целых 10 секунд (это многовато для конденсаторов подобного типа), возникло подозрение, что неполадка именно в нём. Я произвёл замену конденсатора на новый.
Тут нужно небольшое отступление: на корпусе рассматриваемого электронного трансформатора имелось обозначение: 35-105 VA. Эти показания говорят о том, при какой нагрузке можно включать устройство. Включать его вообще без нагрузки (или, если по-человечески, без лампы), как уже говорилось ранее, нельзя. Поэтому я подсоединил к электронному трансформатору лампу на 50 Ватт (то есть значение, которое вписывается между нижней и верхней границей допустимой нагрузки).
Рис. 4: Галогеновая лампа на 50Ватт (упаковка).
После подключения никаких изменений в работоспособности трансформатора не произошло. Тогда я ещё раз полностью осмотрел конструкцию и понял, что при первой проверке не обратил внимания на термопредохранитель (в данном случае модель L33, ограничение до 130C). Если в режиме прозвонки этот элемент даёт единицу, то можно говорить о его неисправности и обрыве цепи. Изначально термопредохранитель не был проверен по той причине, что при помощи термоусадки он вплотную крепится к транзистору. То есть для полноценной проверки элемента придётся избавляться от термоусадки, а это весьма трудоёмко.
Рис.5: Термопредохранитель, прикреплённый термоусадкой к транзистору (элемент белого цвета, на который указывает ручка).
Впрочем, для анализа работы схемы без данного элемента, достаточно закоротить его «ножки» на обратной стороне. Что я и сделал. Электронный трансформатор тут же заработал, да и произведённая ранее замена конденсатора оказалась не лишней, поскольку ёмкость установленного до этого элемента не отвечала заявленной. Причина, вероятно, была в том, что он просто износился.
В итоге, я заменил термопредохранитель, и на этом ремонт электронного трансформатора можно было считать завершённым
Пишите комментарии, дополнения к статье, может я что-то пропустил. Загляните на карту сайта Электронщик, буду рад если вы найдете на моем сайте еще что-нибудь полезное. Делитесь информацией в соцсетях, ставьте лайки, если вам понравилось — это поможет развитию канала
Бп для унч из электронного трансформатора. Как сделать блок питания из электронного трансформатора
Электронные трансформаторы для галогенных ламп (ЭТ) – не теряющая актуальности тема как среди бывалых, так и очень посредственных радиолюбителей. И это не удивительно, ведь они весьма просты, надежны, компактны, легко поддаются доработке и усовершенствованию, чем существенно расширяют сферу применения. А в связи с массовым переходом светотехники на светодиодные технологии ЭТ морально устарели и сильно упали в цене, что, как по мне, стало чуть ли не главным их преимуществом в радиолюбительской практике.
Про ЭТ есть много различной информации относительно преимуществ и недостатков, устройства, принципа работы, доработки, модернизации и т.д. А вот найти нужную схему, особенно качественных устройств, или приобрести блок с нужной комплектацией бывает весьма проблематично. Поэтому в этой статье я решил изложить фото, срисованные схемы с моточными данными и краткие обзоры тех устройств, которые попадались (попадутся) мне в руки, а в следующей статье планирую описать несколько вариантов переделок конкретных ЭТ из этой темы.
Все ЭТ для наглядности я условно делю на три группы:
- Дешевые ЭТ или «типичный Китай». Как правило только базовая схема из самых дешевых элементов. Зачастую сильно греются, низкий КПД, при незначительном перегрузе или КЗ сгорают. Иногда попадается «фабричный Китай», отличающийся более качественными деталями, но все равно далекий от совершенства. Самый распространенный вид ЭТ на рынке и в обиходе.
- Хорошие ЭТ . Главное отличие от дешевых — наличие защиты от перегрузки (КЗ). Надежно держат нагрузку вплоть до срабатывания защиты (обычно до 120-150%). Комплектация дополнительными элементами: фильтрами, защитами, радиаторами происходит в произвольном порядке.
- Качественные ЭТ , отвечающие высоким европейским требованиям. Хорошо продуманны, комплектуются по максимуму: хорошим теплоотводом, всеми видами защит, плавным пуском галогенок, входными и внутренними фильтрами, демпферными, а иногда и снабберными цепями.
Теперь давайте перейдем к самим ЭТ. Для удобства они отсортированы по выходной мощности в порядке возрастания.
1. ЭТ мощностью до 60 Вт.
1.1. L&B
1.2. Tashibra
Два вышеизложенные ЭТ – типичные представители самого дешевого Китая. Схема, как видите, типовая и широко распространенная в интернете.
1.3. Horoz HL370
Фабричный Китай. Хорошо держит номинальную нагрузку, греется не сильно.
1.4. Relco Minifox 60 PFS-RN1362
А вот представитель хорошего ЭТ итальянского производства, оснащенный скромным входным фильтром и защитами от перегрузки, перенапряжения и перегрева. Силовые транзисторы выбраны с запасом по мощности, поэтому не требуют радиаторов.
2. ЭТ мощностью 105 Вт.
2.1. Horoz HL371
Подобный вышеизложенной модели Horoz HL370 (п.1.3.) фабричный Китай.
2.2. Feron TRA110-105W
На фото две версии: слева более старая (2010 г.в.) – фабричный Китай, справа более новая (2013 г.в.), удешевленная до типичного Китая.
2.3. Feron ET105
Подобный Feron TRA110-105W (п.2.2.) фабричный Китай. Фото родной платы не сохранилось, поэтому взамен выкладываю фото Feron ET150, плата которого очень похожа на вид и подобна по элементной базе.
2.4. Brilux BZE-105
Подобный Relco Minifox 60 PFS-RN1362 (п.1.4.) хороший ЭТ.
3. ЭТ мощностью 150 Вт.
3.1. Buko BK452
Удешевленный до фабричного Китая ЭТ, в который не впаяли модуль защиты от перегрузки (КЗ). А так, блок весьма неплох по форме и содержанию.
3.2. Horoz HL375 (HL376, HL377)
А вот и представитель качественных ЭТ с весьма богатой комплектацией. Сразу кидается в глаза шикарный входной двухкаскадный фильтр, мощные парные силовые ключи с объемным радиатором, защиты от перегруза (КЗ), перегрева и двойная защита от перенапряжения. Данная модель знаменательна еще и тем, что является флагманской для последующих: HL376 (200W) и HL377 (250W). Отличия отмечены на схеме красным цветом.
3.3. Vossloh Schwabe EST 150/12.645
Очень качественный ЭТ от всемирно известного немецкого производителя. Компактный, хорошо продуманный, мощный блок с элементной базой от лучших европейских фирм.
3.4. Vossloh Schwabe EST 150/12.622
Не менее качественная, более новая версия предыдущей модели (EST 150/12.645), отличающаяся большей компактностью и некоторыми схемными решениями.
3.5. Brilux BZ-150B (Kengo Lighting SET150CS)
Один из самых качественных ЭТ, которые мне попадались. Очень хорошо продуманный блок на очень богатой элементной базе. Отличается от подобной модели Kengo Lighting SET150CS только трансформатором связи, который чуть меньше размером (10х6х4мм) с количеством витков 8+8+1. Уникальность этих ЭТ состоит в двухступенчатой защите от перегрузки (КЗ), первая из которых самовосстанавливающаяся, настроена на плавный пуск галогенных ламп и легкий перегруз (до 30-50%), а вторая – блокирующая, срабатывает при перегрузе более 60% и требующая перезагрузки блока (кратковременное отключение с последующим включением). Также примечательностью является довольно большой силовой трансформатор, габаритная мощность которого позволяет выжимать с него до 400-500 Вт.
Мне лично в руки не попадались, но видел на фото подобные модели в том же корпусе и с тем же набором элементов на 210Вт и 250Вт.
4. ЭТ мощностью 200-210 Вт.
4.1. Feron TRA110-200W (250W)
Подобный Feron TRA110-105W (п.2.2.) фабричный Китай. Наверное, лучший в своем классе блок, рассчитанный с большим запасом мощности, а посему является флагманской моделью для абсолютно идентичного Feron TRA110-250W, выполненного в таком же корпусе.
4.2. Delux ELTR-210W
По максимуму удешевленный, немного топорный ЭТ с множеством не впаянных деталей и теплоотводом силовых ключей на общий радиатор через кусочки электрокартона, который можно отнести к хорошим только из-за наличия защиты от перегруза.
4.3. Светкомплект EK210
Согласно электронной начинке подобный предыдущему Delux ELTR-210W (п.4.2.) хороший ЭТ с силовыми ключами в корпусе TO-247 и двухступенчатой защитой от перегруза (КЗ), не смотря на которую достался сгоревшим, причем практически полностью, вместе с модулями защиты (отчего отсутствуют фото). После полного восстановления при подключении нагрузки близкой к максимальной снова сгорел. Поэтому ничего толкового про этот ЭТ сказать не могу. Возможно брак, а возможно и плохо продуман.
4.4. Kanlux SET210-N
Без лишних слов довольно качественный, хорошо продуманный и очень компактный ЭТ.
ЭТ мощностью 200Вт можно также найти в п.3.2.
5. ЭТ мощностью 250 Вт и более.
5.1. Lemanso TRA25 250W
Типичный Китай. Та же общеизвестная Tashibra или жалкое подобие Feron TRA110-200W (п.4.1.). Даже не смотря на мощные спаренные ключи с трудом держит заявленные характеристики. Плата досталась искореженная, без корпуса, посему фото оных отсутствует.
5.2. Asia Elex GD-9928 250W
По сути усовершенствованная до хорошего ЭТ модель TRA110-200W (п.4.1.). До половины залита в корпусе теплопроводным компаундом, что значительно усложняет его разборку. Если такой попадется и потребуется разборка, поставьте его в морозилку на несколько часов, а после в темпе отламывайте по кусочкам застывший компауд, пока он не нагрелся и снова не стал вязким.
Следующая по мощности модель Asia Elex GD-9928 300W имеет идентичный корпус и схему.
ЭТ мощностью 250Вт можно также найти в п.3.2. и п.4.1.
Ну вот, пожалуй, и все ЭТ на сегодняшний момент. В заключение опишу некоторые нюансы, особенности и дам парочку советов.
Многие производители, особенно дешевых ЭТ, выпускают данную продукцию под разными названиями (брендами, типами) используя одну и ту же схему (корпус). Поэтому при поиске схемы следует более обращать внимание на ее подобность, нежели на название (тип) устройства.
Определить по корпусу качество ЭТ практически невозможно, поскольку, как видно на некоторых фото, модель может быть недоукомплектованной (с отсутствующими деталями).
Корпуса хороших и качественных моделей как правило выполнены из качественного пластика и разбираются довольно легко. Дешевые нередко скрепляются заклепками, а иногда и склеиваются.
Если после разборки определение качества ЭТ затруднительно, обратите внимание на печатную плату – дешевые обычно монтируются на гетинаксе, качественные – на текстолите, хорошие, как правило, тоже на текстолите, но бывают и редкие исключения. Про многое скажет и количество (объем, плотность) радиодеталей. Индуктивные фильтра в дешевых ЭТ всегда отсутствуют.
Также в дешевых ЭТ теплоотвод силовых транзисторов либо полностью отсутствует, либо выполнен на корпус (металлический) через электрокартон или ПВХ пленку. В качественных и многих хороших ЭТ он выполнен на объемном радиаторе, который обычно изнутри плотно прилегает к корпусу, также используя его для рассеивания тепла.
Присутствие защиты от перегрузки (КЗ) можно определить по наличию хотя-бы одного дополнительного маломощного транзистора и низковольтного электролитического конденсатора на плате.
Если планируется приобретение ЭТ, то обратите внимание, что есть много флагманских моделей, которые по цене обойдутся дешевле, чем их «более мощные» копии. Электронные трансформаторы .
Жизненных и творческих всем успехов.
На сегодняшний день, электромеханики достаточно редко занимаются починкой электронных трансформаторов. В большинстве случаев, я и сам не очень заморачиваюсь тем, чтобы потрудиться над реанимацией подобных устройств, просто потому что, обычно покупка нового электронного трансформатора обходится куда дешевле, чем ремонт старого. Однако, в обратной ситуации — почему бы и не потрудиться экономии ради. К тому же не у всех есть возможность добраться до специализированного магазина, чтобы подыскать там замену, или обратиться в мастерскую. По этой причине, любому радиолюбителю нужно уметь и знать, как производится проверка и ремонт импульсных (электронных) трансформаторов в домашних условиях, какие могут возникнуть неоднозначные моменты и как их разрешить.
Ввиду того, что не все имеют обширный объём знаний по теме, постараюсь представить всю имеющуюся информацию максимально доступно.
Немного о трансформаторах
Рис.1: Трансформатор.
Прежде, чем приступить к основной части, сделаю небольшое напоминание о том, что же такое электронный трансформатор и для чего он предназначен. Трансформатор используется для преобразования одной переменной напряжения в другую (например, 220 вольт в 12 вольт). Это свойство электронного трансформатора очень широко используется в радиоэлектронике. Существуют однофазные (ток течёт по двум проводам – фаза и «0») и трёхфазные (ток течёт по четырём проводам – три фазы и «0») трансформаторы. Основным значимым моментом при использовании электронного трансформатора является то, что при понижении напряжения сила тока в трансформаторе увеличивается.
У трансформатора имеется как минимум одна первичная и одна вторичная обмотка. Питающее напряжение подключается на первичную обмотку, ко вторичной обмотке подключается нагрузка, либо снимается выходное напряжение. В понижающих трансформаторах провод первичной обмотки всегда имеет меньшее сечение, чем провод вторичной. Это позволяет увеличить количество витков первичной обмотки и как следствие её сопротивление. То есть при проверке мультиметром первичная обмотка показывает сопротивление в разы большее, чем вторичная. Если же по какой-то причине диаметр провода вторичной обмотки будет небольшим, то по закону Джоуля-Лэнса вторичная обмотка перегреется и спалит весь трансформатор. Неисправность трансформатора может заключаться в обрыве и или КЗ (коротком замыкании) обмоток. При обрыве мультиметр показывает единицу на сопротивлении.
Как проверять электронные трансформаторы?
На самом деле, чтобы разобраться с причиной поломки не нужно обладать огромным багажом знаний, достаточно иметь под рукой мультиметр (стандартный китайский, как на рисунке №2) и знать, какие цифры должен выдавать на выходе каждый из компонентов (конденсатор, диод и т.д.).
Рис 2: Мультиметр.
Мультиметр может измерить постоянное, переменное напряжение, сопротивление. Также он может работать в режиме прозвонки. Желательно, чтобы щуп мультиметра был обмотан скотчем, (как на рисунке №2), это убережёт его от обрывов.
Чтобы правильно производить прозвонку различных элементов трансформера рекомендую всё-таки выпаивать их (многие пытаются обойтись без этого) и исследовать отдельно, поскольку в противном случае показания могут быть неточными.
Диоды
Нельзя забывать, что диоды прозваниваются только в одну сторону. Для этого мультиметр устанавливается в режим прозвонки, красный щуп прикладывается к плюсу, чёрный к минусу. Если всё в норме, то прибор издаёт характерный звук. При наложении щупов на противоположные полюса не должно происходит вообще ничего, а если это не так, то можно диагностировать пробой диода.
Транзисторы
При проверке транзисторов, их также нужно выпаивать и прозванивать переходы база-эмиттер, база-коллектор, выявляя их проходимость в одну, и в другую сторону. Обычно, роль коллектора в транзисторе выполняет задняя железная часть.
Обмотка
Нельзя забывать проверять обмотку, как первичную, так и вторичную. Если возникают проблемы с определением того, где первичная обмотка, а где вторичная, то помните, что первичная обмотка даёт большее сопротивление.
Конденсаторы (радиаторы)
Ёмкость конденсатора измеряется в фарадах (пикофарадах, микрофарадах). Для его исследования тоже используется мультиметр, на котором выставляется сопротивление в 2000 кОм. Положительный щуп прикладывается к минусу конденсатора, отрицательный к плюсу. На экране должны появляться всё возрастающие цифры вплоть до почти двух тысяч, которые сменяются единицей, что расшифровывается как бесконечное сопротивление. Это может свидетельствовать об исправности конденсатора, но лишь в отношении его способности накапливать заряд.
Ещё один момент: если в процессе прозвонки возникла путаница с тем, где расположен «вход», а где «выход» трансформатора, то нужно просто перевернуть плату и на обратной стороне на одном конце платы вы увидите небольшую маркировку «SEC» (второй), которой обозначается выход, а на другом «PRI» (первый) — вход.
А также, не забывайте, что электронные трансформаторы нельзя запускать без загрузки! Это очень важно.
Ремонт электронного трансформатора
Пример 1
Возможность попрактиковаться в починке трансформатора представилась не так давно, когда мне принесли электронный трансформатор от потолочной люстры (напряжение — 12 вольт). Люстра рассчитана на 9 лампочек, каждая по 20 ватт (в сумме – 180 ватт). На упаковке от трансформатора значилось также: 180 ватт.А вот пометка на плате гласила: 160 ватт. Страна производитель – конечно же,Китай. Аналогичный электронный трансформатор стоит не более 3$, и это на самом деле совсем немного, если сравнивать со стоимостью остальных компонентов устройства, в котором он был задействован.
В полученном мной электронном трансформаторе сгорела пара ключей на биполярных транзисторах (модель: 13009).
Рабочая схема стандартная двухтактная, на месте выходного транзистора поставлен инвертор ТОР(Thor), у которого вторичная обмотка состоит из 6-ти витков, а переменный ток сразу же перенаправляется на выход, то есть к лампам.
Такие блоки питания обладают весьма значимым недостатком: отсутствует защита против короткого замыкания на выходе. Даже при секундном замыкании выходной обмотки, можно ожидать весьма впечатляющего взрыва схемы. Поэтому рисковать подобным образом и замыкать вторичную обмотку крайне не рекомендуется. В целом, именно по этой причине радиолюбители не очень любят связываться с электронными трансформаторами подобного типа. Впрочем, некоторые наоборот пытаются их самостоятельно доработать, что, на мой взгляд, весьма неплохо.
Но вернёмся к делу: поскольку наблюдалось потемнение платы прямо под ключами, то не приходилось сомневаться, что они вышли из строя именно из-за перегрева. Тем более, что радиаторы не слишком активно охлаждают заполненную множеством деталей коробочку корпуса, да ещё и прикрываются картонкой. Хотя, если судить по исходным данным, также имела место перегрузка в 20 ватт.
Из-за того, что нагрузка превышает возможности блока питания, достижение номинальной мощности практически равнозначно выходу из строя. Те более, что в идеале, с расчётом на долговременное функционирование, мощность БП должна быть не меньше, а вдвое больше необходимого. Вот такая она китайская электроника. Снизить уровень нагрузки, сняв несколько лампочек, не представлялось возможным. Поэтому единственный подходящий, на мой взгляд, вариант исправления ситуации заключался в наращивании теплоотводов.
Чтобы подтвердить (или опровергнуть) свою версию, я запустил плату прямо на столе и дал нагрузку с помощью двух галогеновых парных ламп. Когда всё было подключено – капнул немного парафина на радиаторы. Расчёт был такой: если парафин будет таять и испаряться, то можно гарантировать, что электронный трансформатор (благо, если только он сам) будет сгорать меньше чем за полчаса работы по причине перегрева.После 5 минут работы воск так и не расплавился, получалось, что основная проблема связана именно с плохой вентиляцией, а не с неисправностью радиатора. Наиболее изящный вариант решения проблемы – просто подогнать другой более просторный корпус под электронный трансформатор, который обеспечит достаточную вентиляцию. Но я предпочёл подсоединить теплоотвод в виде алюминиевой полоски. Собственно, этого оказалось вполне достаточно для исправления ситуации.
Пример 2
В качестве ещё одного примера починки электронного трансформатора я хотел бы рассказать о ремонте устройства, обеспечивающего понижение напряжения с 220 на 12 Вольт. Оно использовалось для галогенных ламп на 12 Вольт (мощность – 50 Ватт).
Рассматриваемый экземпляр перестал работать без всяких спецэффектов. До того, как он оказался у меня в руках, от работы с ним отказалось несколько мастеров: некоторые не смогли найти решение проблемы, другие, как уже и говорилось выше, решили, что это экономически нецелесообразно.
Для очистки совести я проверил все элементы, дорожки на плате, нигде не обнаружил обрывов.
Тогда я решил проверить конденсаторы. Диагностика мультиметром вроде бы прошла успешно, однако, с учётом того, что накопление заряда происходило на протяжении целых 10 секунд (это многовато для конденсаторов подобного типа), возникло подозрение, что неполадка именно в нём. Я произвёл замену конденсатора на новый.
Тут нужно небольшое отступление: на корпусе рассматриваемого электронного трансформатора имелось обозначение: 35-105 VA. Эти показания говорят о том, при какой нагрузке можно включать устройство. Включать его вообще без нагрузки (или, если по-человечески, без лампы), как уже говорилось ранее, нельзя. Поэтому я подсоединил к электронному трансформатору лампу на 50 Ватт (то есть значение, которое вписывается между нижней и верхней границей допустимой нагрузки).
Рис. 4: Галогеновая лампа на 50Ватт (упаковка).
После подключения никаких изменений в работоспособности трансформатора не произошло. Тогда я ещё раз полностью осмотрел конструкцию и понял, что при первой проверке не обратил внимания на термопредохранитель (в данном случае модель L33, ограничение до 130C). Если в режиме прозвонки этот элемент даёт единицу, то можно говорить о его неисправности и обрыве цепи. Изначально термопредохранитель не был проверен по той причине, что при помощи термоусадки он вплотную крепится к транзистору. То есть для полноценной проверки элемента придётся избавляться от термоусадки, а это весьма трудоёмко.
Рис.5: Термопредохранитель, прикреплённый термоусадкой к транзистору (элемент белого цвета, на который указывает ручка).
Впрочем, для анализа работы схемы без данного элемента, достаточно закоротить его «ножки» на обратной стороне. Что я и сделал. Электронный трансформатор тут же заработал, да и произведённая ранее замена конденсатора оказалась не лишней, поскольку ёмкость установленного до этого элемента не отвечала заявленной. Причина, вероятно, была в том, что он просто износился.
В итоге, я заменил термопредохранитель, и на этом ремонт электронного трансформатора можно было считать завершённым.
Пишите комментарии, дополнения к статье, может я что-то пропустил. Загляните на , буду рад если вы найдете на моем еще что-нибудь полезное.
Бывает, что, собирая то или иное устройство, требуется определиться с выбором источника питания. Это чрезвычайно важно, когда устройствам необходим мощный блок питания. Приобрести железные трансформаторы с необходимыми характеристиками на сегодняшний день не составляет труда. Но они довольно дорогостоящие, а большие размеры и вес являются их главными недостатками. А сборка и наладка хороших импульсных блоков питания весьма сложная процедура. И многие не берутся за это.
Далее, вы узнаете о том, как собрать мощный и при этом несложный блок питания, взяв за основу конструкции электронный трансформатор. По большому счету, разговор пойдет об увеличении мощности таких трансформаторов.
Для переделки был взят 50-ваттный трансформатор.
Планировалось увеличить его мощность до 300 Вт. Этот трансформатор был приобретен в ближайшем магазине и стоил примерно 100 р.
Стандартная схема трансформатора выглядит следующим образом:
Трансформатор представляет собой обычный двухтактный полумостовой автогенераторный инвертор. Симметричный динистор является основным компонентом, осуществляющим запуск схемы, поскольку он подает первоначальный импульс.
В схеме задействованы 2 высоковольтных транзистора с обратной проводимостью.
Схема трансформатора до переделки содержит следующие компоненты:
- Транзисторы MJE13003.
- Конденсаторы 0,1 мкФ, 400 В.
- Трансформатор, имеющий 3 обмотки, две из которых являются задающими и имеют по 3 витка провода сечением 0,5 кв. мм. Еще одна в качестве обратной связи по току.
- Входной резистор (1 Ом) используется как предохранитель.
- Диодный мост.
Несмотря на отсутствие в этом варианте защиты от КЗ, электронный трансформатор работает без сбоев. Назначение устройства – это работа с пассивной нагрузкой (к примеру, офисные «галогенки»), поэтому стабилизация выходного напряжения отсутствует.
Что касается основного силового трансформатора, то его вторичная обмотка выдает около 12 В.
Теперь взгляните на схему трансформатора с увеличенной мощностью:
В ней стало даже меньше компонентов. Из первоначальной схемы были взяты трансформатор обратной связи, резистор, динистор и конденсатор.
Оставшиеся детали были извлечены из старых компьютерных БП, а это 2 транзистора, диодный мост и силовой трансформатор. Конденсаторы были приобретены отдельно.
Транзисторы не помешает заменить на более мощные (MJE13009 в корпусе TO220).
Диоды были заменены на готовую сборку (4 А, 600 В).
Также годятся и диодные мосты от 3 А, 400 В. Емкость должна составлять 2,2 мкФ, но можно и 1,5 мкФ.
Силовой трансформатор был изъят из БП формата ATX на 450 Вт. На нем были удалены все штатные обмотки и намотаны новые. Первичная обмотка была намотана тройным проводом 0,5 кв. мм в 3 слоя. Общее количество витков – 55. Необходимо следить за аккуратностью намотки, а также за ее плотностью. Каждый слой изолировался синей изолентой. Расчет трансформатора производился опытным путем, и была найдена золотая середина.
Вторичная обмотка наматывается из расчета 1 виток – 2 В, но это лишь в том случае если сердечник такой же, как в примере.
При первом включении обязательно использовать страховочную лампу накаливания на 40-60 Вт.
Стоит заметить, что в момент запуска лампа не вспыхнет, поскольку после выпрямителя нет сглаживающих электролитов. На выходе высокая частота, поэтому для того чтобы делать конкретные замеры, необходимо сначала выпрямить напряжение. Для этих целей был использован мощный сдвоенный диодный мост, собранный из диодов КД2997. Мост выдерживает токи до 30 А, если прикрепить к нему радиатор.
Вторичная обмотка предполагалась на 15 В, хотя на деле получилось чуть больше.
В качестве нагрузки было взято все, что оказалось под рукой. Это мощная лампа от кинопроектора на 400 Вт при напряжении в 30 В и 5 20-ваттных ламп на 12 В. Все нагрузки подключались параллельно.
Биометрический замок – Схема и сборка ЖК дисплея
Электронные трансформаторы приходят на смену громоздким трансформаторам со стальным сердечником. Сам по себе электронный трансформатор, в отличие от классического, представляет собой целое устройство — преобразователь напряжения.
Применяются такие преобразователи в освещении для питания галогенных ламп на 12 вольт. Если вы ремонтировали люстры с пультом управления , то, наверняка, встречались с ними.
Вот схема электронного трансформатора JINDEL (модель GET-03 ) с защитой от короткого замыкания.
Основными силовыми элементами схемы являются n-p-n транзисторы MJE13009 , которые включены по схеме полумост. Они работают в противофазе на частоте 30 — 35 кГц. Через них прокачивается вся мощность, подаваемая в нагрузку — галогенные лампы EL1…EL5. Диоды VD7 и VD8 необходимы для защиты транзисторов V1 и V2 от обратного напряжения. Симметричный динистор (он же диак) необходим для запуска схемы.
На транзисторе V3 (2N5551 ) и элементах VD6, C9, R9 — R11 реализована схема защиты от короткого замыкания на выходе (short circuit protection ).
Если в выходной цепи произойдёт короткое замыкание, то возросший ток, протекающий через резистор R8, приведёт к срабатыванию транзистора V3. Транзистор откроется и заблокирует работу динистора DB3, который запускает схему.
Резистор R11 и электролитический конденсатор С9 предотвращают ложное срабатывание защиты при включении ламп. В момент включения ламп нити холодные, поэтому преобразователь выдаёт в начале пуска значительный ток.
Для выпрямления сетевого напряжения 220V используется классическая мостовая схема из 1,5-амперных диодов 1N5399 .
В качестве понижающего трансформатора используется катушка индуктивности L2. Она занимает почти половину пространства на печатной плате преобразователя.
В силу своего внутреннего устройства, электронный трансформатор не рекомендуется включать без нагрузки. Поэтому, минимальная мощность подключаемой нагрузки составляет 35 — 40 ватт. На корпусе изделия обычно указывается диапазон рабочих мощностей. Например, на корпусе электронного трансформатора, что на первой фотографии указан диапазон выходной мощности: 35 — 120 ватт. Минимальная мощность нагрузки его составляет 35 ватт.
Галогенные лампы EL1…EL5 (нагрузку) лучше подключать к электронному трансформатору проводами не длиннее 3 метров. Так как через соединительные проводники протекает значительный ток, то длинные провода увеличивают общее сопротивление в цепи. Поэтому лампы, расположенные дальше будут светить тусклее, чем те, которые расположены ближе.
Также стоит учитывать и то, что сопротивление длинных проводов способствует их нагреву из-за прохождения значительного тока.
Стоит также отметить, что из-за своей простоты электронные трансформаторы являются источниками высокочастотных помех в сети. Обычно, на входе таких устройств ставится фильтр , который блокирует помехи. Как видим по схеме, в электронных трансформаторах для галогенных ламп нет таких фильтров. А вот в компьютерных блоках питания, которые собираются также по схеме полумоста и с более сложным задающим генератором, такой фильтр, как правило, монтируется.
После всего сказанного в предыдущей статье (смотрите ), кажется, что сделать импульсный блок питания из электронного трансформатора достаточно просто: поставить на выход выпрямительный мост, при необходимости стабилизатор напряжения и подключить нагрузку. Однако это не совсем так.
Дело в том, что преобразователь не запускается без нагрузки или нагрузка не достаточна: если к выходу выпрямителя подключить светодиод, разумеется, с ограничительным резистором, то удастся увидеть, лишь только одну вспышку светодиода при включении.
Чтобы увидеть еще одну вспышку, потребуется выключить и включить преобразователь в сеть. Чтобы вспышка превратилась в постоянное свечение надо подключить к выпрямителю дополнительную нагрузку, которая будет просто отбирать полезную мощность, превращая ее в тепло. Поэтому такая схема применяется в том случае, когда нагрузка постоянна, например, двигатель постоянного тока или электромагнит, управление которыми будет возможно только по первичной цепи.
Если для нагрузки необходимо напряжение более, чем 12В, которое выдают электронные трансформаторы потребуется перемотка выходного трансформатора, хотя есть и менее трудоемкий вариант.
Вариант изготовления импульсного блока питания без разборки электронного трансформатора
Схема такого блока питания показана на рисунке 1.
Рисунок 1. Двухполярный блок питания для усилителя
Блок питания изготовлен на основе электронного трансформатора мощностью 105Вт. Для изготовления такого блока питания понадобится изготовить несколько дополнительных элементов: сетевой фильтр, согласующий трансформатор Т1, выходной дроссель L2, VD1-VD4.
Блок питания в течение нескольких лет эксплуатируется с УНЧ мощностью 2х20Вт без нареканий. При номинальном напряжении сети 220В и токе нагрузки 0,1А выходное напряжение блока 2х25В, а при увеличении тока до 2А напряжение падает до 2х20В, что вполне достаточно для нормальной работы усилителя.
Согласующий трансформатор Т1 выполнен на кольце К30х18х7 из феррита марки М2000НМ. Первичная обмотка содержит 10 витков провода ПЭВ-2 диаметром 0,8мм, сложенного вдвое и свитого жгутом. Вторичная обмотка содержит 2х22 витка со средней точкой, тем же проводом, также сложенным вдвое. Чтобы обмотка получилась симметричной, мотать следует сразу в два провода — жгута. После обмотки для получения средней точки соединить начало одной обмотки с концом другой.
Также самостоятельно придется изготовить дроссель L2 для его изготовления понадобится такое же ферритовое кольцо, как и для трансформатора Т1. Обе обмотки намотаны проводом ПЭВ-2 диаметром 0,8мм и содержат по 10 витков.
Выпрямительный мост собран на диодах КД213, можно применить также КД2997 или импортные, важно лишь, чтобы диоды были рассчитаны на рабочую частоту не менее 100КГц. Если вместо них поставить, например, КД242, то они будут только греться, а требуемого напряжения получить от них не удастся. Диоды следует установить на радиатор площадью не менее 60 — 70см2, используя при этом изолирующие слюдяные прокладки.
C4, C5 составлены из трех параллельно соединенных конденсаторов емкостью по 2200 микрофарад каждый. Обычно так делается во всех импульсных источниках питания для того, чтобы снизить общую индуктивность электролитических конденсаторов. Кроме этого полезно также параллельно им установить керамические конденсаторы емкостью 0.33 — 0,5мкФ, которые будут сглаживать высокочастотные колебания.
На входе блока питания полезно установить входной сетевой фильтр, хотя будет работать и без него. В качестве дросселя входного фильтра использован готовый дроссель ДФ50ГЦ, применявшийся в телевизорах 3УСЦТ.
Все узлы блока монтируют на плате из изоляционного материала навесным монтажом, используя для этого выводы деталей. Всю конструкцию следует поместить в экранирующий корпус из латуни или жести, предусмотрев в нем отверстия для охлаждения.
Правильно собранный источник питания в наладке не нуждается, начинает работать сразу. Хотя, прежде чем ставить блок в готовую конструкцию следует его проверить. Для этого на выход блока подключается нагрузка — резисторы сопротивлением 240Ом, мощностью не менее 5Вт. Включать блок без нагрузки не рекомендуется.
Еще один способ доработки электронного трансформатора
Случаются ситуации, что хочется применить подобный импульсный блок питания, но нагрузка оказывается очень «вредной». Потребление тока либо очень мало, либо меняется в широких пределах, и блок питания не запускается.
Подобная ситуация возникла, когда попытались в светильник или люстру со встроенными электронными трансформаторами, вместо поставить . Люстра просто отказалась с ними работать. Что же делать в таком случае, как заставить все это работать?
Чтобы разобраться с этим вопросом давайте, посмотрим на рисунок 2, на котором показана упрощенная схема электронного трансформатора.
Рисунок 2. Упрощенная схема электронного трансформатора
Обратим внимание на обмотку управляющего трансформатора Т1, подчеркнутую красной полосой. Эта обмотка обеспечивает обратную связь по току: если тока через нагрузку нет, или он просто мал, то трансформатор просто не заводится. Некоторые граждане, купившие это устройство, подключают к нему лампочку мощностью 2,5Вт, а потом несут обратно в магазин, мол, не работает.
И все же достаточно простым способом можно не только заставить работать устройство практически без нагрузки, да еще и сделать в нем защиту от короткого замыкания. Способ подобной доработки показан на рисунке 3.
Рисунок 3. Доработка электронного трансформатора. Упрощенная схема.
Для того, чтобы электронный трансформатор мог работать без нагрузки или с минимальной нагрузкой следует обратную связь по току заменить обратной связью по напряжению. Для этого следует убрать обмотку обратной связи по току (подчеркнутую красным на рисунке 2), а вместо нее запаять в плату проволочную перемычку, естественно, помимо ферритового кольца.
Далее на управляющий трансформатор Тр1, это тот, который на маленьком кольце, наматывается обмотка из 2 — 3 витков. А на выходной трансформатор один виток, и далее получившиеся дополнительные обмотки соединяется, как указано на схеме. Если преобразователь не заведется, то надо поменять фазировку одной из обмоток.
Резистор в цепи обратной связи подбирается в пределах 3 — 10Ом, мощностью не менее 1Вт. Он определяет глубину обратной связи, которая определяет ток, при котором произойдет срыв генерации. Собственно это и есть ток срабатывания защиты от КЗ. Чем больше сопротивление этого резистора, тем при меньшем токе нагрузки будет происходить срыв генерации, т.е. срабатывание защиты от КЗ.
Из всех приведенных доработок, эта, пожалуй, самая лучшая. Но это не помешает дополнить ее еще одним трансформатором как в схеме по рисунку 1.
Электронные трансформаторы для галогенных ламп 12в схема. Увеличение мощности электронного трансформатора эт
Электронные трансформаторы для галогенных ламп (ЭТ) – не теряющая актуальности тема как среди бывалых, так и очень посредственных радиолюбителей. И это не удивительно, ведь они весьма просты, надежны, компактны, легко поддаются доработке и усовершенствованию, чем существенно расширяют сферу применения. А в связи с массовым переходом светотехники на светодиодные технологии ЭТ морально устарели и сильно упали в цене, что, как по мне, стало чуть ли не главным их преимуществом в радиолюбительской практике.
Про ЭТ есть много различной информации относительно преимуществ и недостатков, устройства, принципа работы, доработки, модернизации и т.д. А вот найти нужную схему, особенно качественных устройств, или приобрести блок с нужной комплектацией бывает весьма проблематично. Поэтому в этой статье я решил изложить фото, срисованные схемы с моточными данными и краткие обзоры тех устройств, которые попадались (попадутся) мне в руки, а в следующей статье планирую описать несколько вариантов переделок конкретных ЭТ из этой темы.
Все ЭТ для наглядности я условно делю на три группы:
- Дешевые ЭТ или «типичный Китай». Как правило только базовая схема из самых дешевых элементов. Зачастую сильно греются, низкий КПД, при незначительном перегрузе или КЗ сгорают. Иногда попадается «фабричный Китай», отличающийся более качественными деталями, но все равно далекий от совершенства. Самый распространенный вид ЭТ на рынке и в обиходе.
- Хорошие ЭТ . Главное отличие от дешевых — наличие защиты от перегрузки (КЗ). Надежно держат нагрузку вплоть до срабатывания защиты (обычно до 120-150%). Комплектация дополнительными элементами: фильтрами, защитами, радиаторами происходит в произвольном порядке.
- Качественные ЭТ , отвечающие высоким европейским требованиям. Хорошо продуманны, комплектуются по максимуму: хорошим теплоотводом, всеми видами защит, плавным пуском галогенок, входными и внутренними фильтрами, демпферными, а иногда и снабберными цепями.
Теперь давайте перейдем к самим ЭТ. Для удобства они отсортированы по выходной мощности в порядке возрастания.
1. ЭТ мощностью до 60 Вт.
1.1. L&B
1.2. Tashibra
Два вышеизложенные ЭТ – типичные представители самого дешевого Китая. Схема, как видите, типовая и широко распространенная в интернете.
1.3. Horoz HL370
Фабричный Китай. Хорошо держит номинальную нагрузку, греется не сильно.
1.4. Relco Minifox 60 PFS-RN1362
А вот представитель хорошего ЭТ итальянского производства, оснащенный скромным входным фильтром и защитами от перегрузки, перенапряжения и перегрева. Силовые транзисторы выбраны с запасом по мощности, поэтому не требуют радиаторов.
2. ЭТ мощностью 105 Вт.
2.1. Horoz HL371
Подобный вышеизложенной модели Horoz HL370 (п.1.3.) фабричный Китай.
2.2. Feron TRA110-105W
На фото две версии: слева более старая (2010 г.в.) – фабричный Китай, справа более новая (2013 г.в.), удешевленная до типичного Китая.
2.3. Feron ET105
Подобный Feron TRA110-105W (п.2.2.) фабричный Китай. Фото родной платы не сохранилось, поэтому взамен выкладываю фото Feron ET150, плата которого очень похожа на вид и подобна по элементной базе.
2.4. Brilux BZE-105
Подобный Relco Minifox 60 PFS-RN1362 (п.1.4.) хороший ЭТ.
3. ЭТ мощностью 150 Вт.
3.1. Buko BK452
Удешевленный до фабричного Китая ЭТ, в который не впаяли модуль защиты от перегрузки (КЗ). А так, блок весьма неплох по форме и содержанию.
3.2. Horoz HL375 (HL376, HL377)
А вот и представитель качественных ЭТ с весьма богатой комплектацией. Сразу кидается в глаза шикарный входной двухкаскадный фильтр, мощные парные силовые ключи с объемным радиатором, защиты от перегруза (КЗ), перегрева и двойная защита от перенапряжения. Данная модель знаменательна еще и тем, что является флагманской для последующих: HL376 (200W) и HL377 (250W). Отличия отмечены на схеме красным цветом.
3.3. Vossloh Schwabe EST 150/12.645
Очень качественный ЭТ от всемирно известного немецкого производителя. Компактный, хорошо продуманный, мощный блок с элементной базой от лучших европейских фирм.
3.4. Vossloh Schwabe EST 150/12.622
Не менее качественная, более новая версия предыдущей модели (EST 150/12.645), отличающаяся большей компактностью и некоторыми схемными решениями.
3.5. Brilux BZ-150B (Kengo Lighting SET150CS)
Один из самых качественных ЭТ, которые мне попадались. Очень хорошо продуманный блок на очень богатой элементной базе. Отличается от подобной модели Kengo Lighting SET150CS только трансформатором связи, который чуть меньше размером (10х6х4мм) с количеством витков 8+8+1. Уникальность этих ЭТ состоит в двухступенчатой защите от перегрузки (КЗ), первая из которых самовосстанавливающаяся, настроена на плавный пуск галогенных ламп и легкий перегруз (до 30-50%), а вторая – блокирующая, срабатывает при перегрузе более 60% и требующая перезагрузки блока (кратковременное отключение с последующим включением). Также примечательностью является довольно большой силовой трансформатор, габаритная мощность которого позволяет выжимать с него до 400-500 Вт.
Мне лично в руки не попадались, но видел на фото подобные модели в том же корпусе и с тем же набором элементов на 210Вт и 250Вт.
4. ЭТ мощностью 200-210 Вт.
4.1. Feron TRA110-200W (250W)
Подобный Feron TRA110-105W (п.2.2.) фабричный Китай. Наверное, лучший в своем классе блок, рассчитанный с большим запасом мощности, а посему является флагманской моделью для абсолютно идентичного Feron TRA110-250W, выполненного в таком же корпусе.
4.2. Delux ELTR-210W
По максимуму удешевленный, немного топорный ЭТ с множеством не впаянных деталей и теплоотводом силовых ключей на общий радиатор через кусочки электрокартона, который можно отнести к хорошим только из-за наличия защиты от перегруза.
4.3. Светкомплект EK210
Согласно электронной начинке подобный предыдущему Delux ELTR-210W (п.4.2.) хороший ЭТ с силовыми ключами в корпусе TO-247 и двухступенчатой защитой от перегруза (КЗ), не смотря на которую достался сгоревшим, причем практически полностью, вместе с модулями защиты (отчего отсутствуют фото). После полного восстановления при подключении нагрузки близкой к максимальной снова сгорел. Поэтому ничего толкового про этот ЭТ сказать не могу. Возможно брак, а возможно и плохо продуман.
4.4. Kanlux SET210-N
Без лишних слов довольно качественный, хорошо продуманный и очень компактный ЭТ.
ЭТ мощностью 200Вт можно также найти в п.3.2.
5. ЭТ мощностью 250 Вт и более.
5.1. Lemanso TRA25 250W
Типичный Китай. Та же общеизвестная Tashibra или жалкое подобие Feron TRA110-200W (п.4.1.). Даже не смотря на мощные спаренные ключи с трудом держит заявленные характеристики. Плата досталась искореженная, без корпуса, посему фото оных отсутствует.
5.2. Asia Elex GD-9928 250W
По сути усовершенствованная до хорошего ЭТ модель TRA110-200W (п.4.1.). До половины залита в корпусе теплопроводным компаундом, что значительно усложняет его разборку. Если такой попадется и потребуется разборка, поставьте его в морозилку на несколько часов, а после в темпе отламывайте по кусочкам застывший компауд, пока он не нагрелся и снова не стал вязким.
Следующая по мощности модель Asia Elex GD-9928 300W имеет идентичный корпус и схему.
ЭТ мощностью 250Вт можно также найти в п.3.2. и п.4.1.
Ну вот, пожалуй, и все ЭТ на сегодняшний момент. В заключение опишу некоторые нюансы, особенности и дам парочку советов.
Многие производители, особенно дешевых ЭТ, выпускают данную продукцию под разными названиями (брендами, типами) используя одну и ту же схему (корпус). Поэтому при поиске схемы следует более обращать внимание на ее подобность, нежели на название (тип) устройства.
Определить по корпусу качество ЭТ практически невозможно, поскольку, как видно на некоторых фото, модель может быть недоукомплектованной (с отсутствующими деталями).
Корпуса хороших и качественных моделей как правило выполнены из качественного пластика и разбираются довольно легко. Дешевые нередко скрепляются заклепками, а иногда и склеиваются.
Если после разборки определение качества ЭТ затруднительно, обратите внимание на печатную плату – дешевые обычно монтируются на гетинаксе, качественные – на текстолите, хорошие, как правило, тоже на текстолите, но бывают и редкие исключения. Про многое скажет и количество (объем, плотность) радиодеталей. Индуктивные фильтра в дешевых ЭТ всегда отсутствуют.
Также в дешевых ЭТ теплоотвод силовых транзисторов либо полностью отсутствует, либо выполнен на корпус (металлический) через электрокартон или ПВХ пленку. В качественных и многих хороших ЭТ он выполнен на объемном радиаторе, который обычно изнутри плотно прилегает к корпусу, также используя его для рассеивания тепла.
Присутствие защиты от перегрузки (КЗ) можно определить по наличию хотя-бы одного дополнительного маломощного транзистора и низковольтного электролитического конденсатора на плате.
Если планируется приобретение ЭТ, то обратите внимание, что есть много флагманских моделей, которые по цене обойдутся дешевле, чем их «более мощные» копии. Электронные трансформаторы .
Жизненных и творческих всем успехов.
Такой интересный компонент, как электронный трансформатор, так и просится для разнообразных радиолюбительских поделок. Цена его составляет всего пару долларов, и его легко можно приобрести и переделать в блок питания или компактное автомобильное зарядное устройство. Сегодня мы расскажем, как можно сделать блок питания из электронного трансформатора.
Основу нашего блока питания составит китайский электронный трансформатор с защитой от короткого замыкания под названием Taschibra, мощностью 105 Вт, схема которого изображена ниже.
Использовать его как обычный блок питания без доделки практически невозможно т.к. основная проблема в том, что на выходе электронного трансформатор переменное напряжение высокой частоты. Также такой трансформатор не способен работать без минимальной нагрузки.
Мы расскажем о методе переделки, при котором электронный трансформатор даже не придется разбирать, достаточно к его выходу подключить небольшую плату. На схеме ее компоненты выделены красной рамкой.
Она состоит из диода (обязательно используется диод Шоттки и фильтрующего конденсатора). Для запуска блока к его выходу должна быть подключено небольшая лампочка.
Как подобрать диод Шоттки. Первым делом нужно знать выходное напряжение электронного трансформатора. Как правило, оно составляет 12 В, а также максимальную силу тока, у нашего трансформатора она будет порядка 8 А. В зависимости от этих параметров и подбирается диод Шоттки.
Подбирать диод нужно с максимальным обратным напряжением как минимум в 3 раза выше, чем напряжение на выходе электронного трансформатора. По току лучше выбрать диод, прямой ток которого как минимум в 1,5 раза больше максимально выдаваемого с Вашего БП.
Примерно так выглядит наша плата.
Как видим, БП из электронного трансформатора работает, и на выходе мы уже имеем постоянный сглаженный ток. Если есть желание и возможность, тогда лучше составить более качественный фильтр и не ограничиваться лишь одним электролитическим конденсатором на выходе. Также при эксплуатации транзисторы и диод Шоттки необходимо установить на радиатор.
Где применять такой мощный блок питания из электронного трансформатора, решать только Вам. Конечно, он не подойдет для питания приемников или высококачественных усилителей, но с легкостью справится со светодиодной лентой, небольшим двигателем или другими нетребовательными приборами.
Вконтакте
Одноклассники
Comments powered by HyperComments
diodnik.com
cxema.org — Переделка электронного трансформатора
Переделка электронного трансформатора
Электронный трансформатор — сетевой импульсный блок питания, который предназначен для питания галогенных ламп 12 Вольт. Подробнее о данном устройстве в статье «Электронный трансформатор (ознакомление)». Устройство имеет достаточно простую схему. Простой двухтактный автогенератор, который выполнен по полумостовой схеме, рабочая частота порядка 30кГц, но этот показатель сильно зависит от выходной нагрузки. Схема такого блока питания очень не стабильна, не имеет никаких защит от КЗ на выходе трансформатора, пожалуй именно из-за этого, схема пока не нашла широкого применения в радиолюбительских кругах. Хотя в последнее время на разных форумах наблюдается продвижение данной темы. Люди предлагают различные варианты доработки таких трансформаторов. Я сегодня попытаюсь все эти доработки совместить в одной статье и предложить варианты не только доработки, но и умощнения ЭТ.
В основу работы схемы углубляться не будем, а сразу приступим к делу. Мы попытаемся доработать и увеличить мощность китайского ЭТ Taschibra на 105 Ватт.
Для начала хочу пояснить, по какой причине я решил взяться за умощнение и переделку таких трансформаторов. Дело в том, что недавно сосед попросил сделать ему на заказ зарядное устройство для автомобильного аккумулятора, который был бы компактным и легким. Собирать не хотелось, но позже я наткнулся на интересные статьи в которых рассматривалась переделка электронного трансформатора. Это натолкнуло на мысль — почему бы не попробовать?
Таким образом, были приобретены несколько ЭТ от 50 до 150 Ватт, но опыты с переделкой не всегда завершались успешно, из всех выжил только ЭТ на 105 Ватт. Недостатком такого блока является то, что трансформатор у него не кольцевой, в связи с чем неудобно отмотать или домотать витки. Но другого выбора не было и пришлось переделать именно этот блок.
Как нам известно, эти блоки не включаются без нагрузки, это не всегда является достоинством. Я планирую получить надежное устройство, которое можно свободно применять в любых целях, не боясь, что блок питания может перегореть или выйти из строя при КЗ.
Доработка №1
Суть идеи заключается в добавлении защиты от КЗ, также устранения вышеуказанного недостатка (активация схемы без выходной нагрузки или с маломощной нагрузкой).
Глядя на сам блок, мы можем увидеть простейшую схему ИБП, я бы сказал, что схема не до конца отработана производителем. Как мы знаем, если замкнуть вторичную обмотку трансформатора, то меньше, чем за секунду схема выйдет из строя. Ток в схеме резко возрастает, ключи в миг выходят из строя, иногда и базовые ограничители. Таким образом, ремонт схемы обойдется дороже стоимости (цена такого ЭТ порядка 2,5$).
Трансформатор обратной связи состоит из трех отдельных обмоток. Две из этих обмоток питают базовые цепи ключей.
Для начала удаляем обмотку связи на трансформаторе ОС и ставим перемычку. Эта обмотка включена последовательно с первичной обмоткой импульсного трансформатора. Затем на силовом трансформаторе мотаем всего 2 витка и один виток на кольце (трансформаторе ОС). Для намотки можно использовать провод с диаметром 0,4-0,8мм.
Далее нужно подобрать резистор для ОС, в моем случае он на 6,2 ОМ, но резистор можно подобрать с сопротивлением 3-12 Ом, чем выше сопротивление этого резистора, тем меньше ток защиты от КЗ. Резистор в моем случае использован проволочный, чего делать не советую. Мощность этого резистора подбираем 3-5 ватт (можно использовать от 1 до 10 ватт).
Во время КЗ на выходной обмотке импульсного трансформатора ток во вторичной обмотке падает (в стандартных схемах ЭТ при КЗ ток возрастает, выводя из строя ключи). Это приводит к уменьшению тока на обмотке ОС. Таким образом, прекращается генерация, сами ключи запираются.
Единственным недостатком такого решение является то, что при долговременном КЗ на выходе, схема выходит из строя, поскольку ключи греются и достаточно сильно. Не стоит подвергать выходную обмотку КЗ с длительностью более 5-8 секунд.
Схема теперь будет заводиться без нагрузки, одним словом мы получили полноценный ИБП с защитой от КЗ.
Доработка №2
Теперь постараемся, в какой-то мере сгладить сетевое напряжение от выпрямителя. Для этого будем использовать дроссели и сглаживающий конденсатор. В моем случае использован готовый дроссель с двумя независимыми обмотками. Данный дроссель был снят от ИБП DVD проигрывателя, хотя можно использовать и самодельные дросселя.
После моста следует подключить электролит с емкостью 200мкФ с напряжением не менее 400 Вольт. Емкость конденсатора подбирается исходя из мощности блока питания 1мкФ на 1 ватт мощности. Но как вы помните, наш БП рассчитан на 105 Ватт, почему же конденсатор использован на 200мкФ? Это поймете уже совсем скоро.
Доработка №3
Теперь о главном — умощнение электронного трансформатора и реально ли это? На самом деле есть только один надежный способ умощнения без особых переделок.
Для умощнения удобно использовать ЭТ с кольцевым трансформатором, поскольку нужно будет перемотать вторичную обмотку, именно по этой причине мы заменим наш трансформатор.
Сетевая обмотка растянута по всему кольцу и содержит 90 витков провода 0,5-0,65мм. Обмотка мотается на двух сложенных ферритовых кольцах, которые были сняты от ЭТ с мощностью 150 Ватт. Вторичная обмотка мотается исходя от нужд, в нашем случае она рассчитана на 12 Вольт.
Планируется увеличить мощность до 200 Ватт. Именно поэтому и нужен был электролит с запасом, о котором говорилось выше.
Конденсаторы полумоста заменяем на 0,5мкФ, в штатной схеме они имеют емкость 0,22 мкФ. Биполярные ключи MJE13007 заменяем на MJE13009. Силовая обмотка трансформатора содержит 8 витков, намотка делалась 5-ю жилами провода 0,7мм, таким образом, имеем в первичке провод с общим сечением 3,5мм.
Идем дальше. Перед и после дросселей ставим пленочные конденсаторы с емкостью 0,22-0,47мкФ с напряжением не менее 400 Вольт (я использовал именно те конденсаторы, которые были на плате ЭТ и которые пришлось заменить для увеличения мощности).
Далее заменяем диодный выпрямитель. В стандартных схемах применяются обычные выпрямительные диоды серии 1N4007. Ток диодов составляет 1 Ампер, наша схема потребляет немало тока, поэтому диоды стоит заменить на более мощные, во избежание неприятных результатов после первого включения схемы. Можно использовать буквально любые выпрямительные диоды с током 1,5-2 Ампер, обратное напряжение не менее 400 Вольт.
Все компоненты, кроме платы с генератором смонтированы на макетной плате. Ключи были укреплены на теплоотвод через изоляционные прокладки.
Продолжаем нашу переделку электронного трансформатора, дополнив схему выпрямителем и фильтром. Дросселя намотаны на кольцах из порошкового железа (сняты от компьютерного БП), состоят из 5-8 витков. Намотку удобно сделать сразу 5-ю жилами провода с диаметром 0,4-0,6мм каждая жила.
Сглаживающий конденсатор подбираем с напряжением 25-35 Вольт, в качестве выпрямителя применен один мощный диод шоттки (диодные сборки из компьютерного блока питания). Можно использовать любые быстрые диоды с током 15-20 Ампер.
АКА КАСЬЯН
vip-cxema.org
Китайский электронный трансформатор TASCHIBRA TRA25
Обзор популярного китайского электронного трансформатора TASCHIBRA. В один прекрасный день мой знакомый принёс на ремонт импульсный электронный трансформатор для питания используемых для питания галогенных ламп. Ремонт был быстрый замена динистора. После того как его отдал владельцу. появилось желание сделать такой-же блок для себя. Сначала узнал где он его покупал и купил для последующего копирования.
Технические характеристики TASCHIBRA TRA25
- Вход AC 220V 50/60 Hz.
- Выход AC 12V. 60W MAX.
- Класс защиты 1.
Схема электронного трансформатора
Подробнее схему можно посмотреть тут. Список деталей для изготовления:
- n-p-n транзистор 13003 2 шт.
- Диод 1N4007 4 шт.
- Плёночный конденсатор на 10nF 100V 1 шт (С1).
- Плёночный конденсатор на 47nF 250V 2 шт (С2, С3).
- Динистор DB3
- Резисторы:
- R1 22 ома 0.25W
- R2 500 кОм 0.25W
- R3 2.5 ома 0.25W
- R4 2.5 ома 0.25W
Изготовление трансформатора на Ш-образном ферритовом сердечнике от компьютерного блока питания.
Первичная обмотка содержит 1-жильную проволоку диаметр 0.5 мм длинна 2.85 м. и 68 витков. Стандартная вторичная обмотка содержит 4-жильный провод диаметром 0.5 мм длинна 33 см. и 8-12 витков. Наматывать обмотки у трансформатора нужно в одном направлении. Намотка дросселя на ферритовом кольце диаметром 8 мм катушки: 4 витка зелёного провода, 4 витка жёлтого провода и не полный 1 (0.5) виток красного провода.
Фото печатной платы и файл печатной платы.
Динистор DB3 и его характеристика:
- (I откр — 0.2 А), В 5 – это напряжение при открытом состоянии;
- Среднее максимально допустимое значение при открытом состоянии: А 0.3;
- В открытом состоянии импульсный ток составляет А 2;
- Максимальное напряжение (во время закрытого состояния): В 32;
- Ток в закрытом состоянии: мкА — 10; максимальное импульсное не отпирающее напряжение составляет 5 В.
Вот такая получилась конструкция. Вид конечно не очень, зато убедился что можно собрать это импульсное устройство питания самому.
radioskot.ru
Эксперименты с электронным трансформатором tashibra CAVR.ru
Рассказать в: Думаю, что достоинства этого трансформатора оценили уже многие из тех, кто когда-либо занимался проблемами питания различных электронных конструкций. А достоинств у этого электронного трансформатора — не мало. Малый вес и габариты (как и у всех аналогичных схем), простота переделки под собственные нужды, наличие экранирующего корпуса, невысокая стоимость и относительная надежность (по крайней мере, если не допускать экстремальных режимов и КЗ, изделие, выполненное по аналогичной схеме, способно проработать долгие годы). Диапазон применения блоков питания на базе «Tashibra» может быть весьма широким, сопоставимым с применением обычных трансформаторов.Применение оправдано в случаях дефицита времени, средств, отсутсвия необходимости стабилизации.Ну, что, — поэксперемтируем? Сразу оговорюсь, что целью экспериментов являлась проверка цепи запуска «Tashibra» при различных нагрузках, частотах и применении различных трансформаторов. Так же хотелось подобрать оптимальные номиналы компонентов цепи ПОС и проверить температурные режимы компонентов схемы при работе на различные нагрузки с учетом использования корпуса «Tashibra» в качестве радиатора.Несмотря на большое количество опубликованных схем электронного трансформатора, не поленюсь еще раз выложить ее на обозрение. Смотрим рис1, иллюстрирующий начинку «Tashibra».Схема справедлива для ЭТ «Tashibra» 60-150Вт. Издевательство же производилось на ЭТ 150Вт. Предполагается, однако, что ввиду идентичности схем, результаты экспериментов с легкостью можно проецировать на экземпляры как с меньшей, так и с большей мощностью.И еще раз напомню, чего же не хватает «Tashibra» для полноценного блока питания.1. Отсутствие входного сглаживающего фильтра (он же — противопомеховый, предотвращающий попадание продуктов преобразования в сеть),2. Токовая ПОС, допускающая возбуждение преобразователя и его нормальную работу лишь при наличии определенного тока нагрузки,3. Отсутствие выходного выпрямителя,4. Отсутствие элементов выходного фильтра.
Попробуем исправить все перечисленные недостатки «Tashibra» и попытаемся добиться его приемлемой работы с желаемыми выходными характеристиками. Для начала даже не будем вскрывать корпус электронного трансформатора, а просто добавим недостающие элементы…
1. Входной фильтр: конденсаторы С`1, C`2 с симметричным двухобмоточным дросселем (трансформатором) T`12. диодный мост VDS`1 со сглаживающим конденсатором C`3 и резистором R`1 для защиты моста от зарядного тока конденсатора.
Сглаживающий конденсатор обычно выбирается из расчета 1,0 — 1,5мкФ на ватт мощности, а параллельно конденсатору следует подключить разрядный резистор сопротивлением 300-500кОм для безопасности (прикосновение к выводам заряженного относительно высоким напряжением конденсатора — не очень приятно).Резистор R`1 можно заменить термистором 5-15Ом/1-5А. Такая замена в меньшей степени снизит КПД трансформатора.На выходе ЭТ, как показано в схеме на рис3, подсоединим цепь из диода VD`1, конденсаторов C`4-C`5 и дросселя L1, включенного между ними, — для получения фильтрованного постоянного напряжения на выходе «пациента». При этом, на полистироловый конденсатор, размещенный непосредственно за диодом, приходится основная доля поглощения продуктов преобразования после выпрямления. Предполагается, что электролитический конденсатор, «спрятанный» за индуктивностью дросселя, будет выполнять лишь свои прямые функции, предотвращая «провал» напряжения при пиковой мощности подключенного к ЭТ устройства. Но и параллельно ему рекомендуется установить неэлектролитический конденсатор.
После добавления входной цепи в работе электронного трансформатора произошли изменения: амплитуда выходных импульсов (до диода VD`1) несколько возросла за счет повышения напряжения на входе устройства за счет добавления C`3 и модуляция частотой 50Гц уже практически отсутствует. Это — при расчетной для ЭТ нагрузке.Однако этого недостаточно. «Tashibra» не желает запускаться без существенного тока нагрузки.Установка на выходе преобразователя нагрузочных резисторов для возникновения какого-либо минимального значения тока, способного запустить преобразователь, лишь снижает общий КПД устройства. Запуск при токе нагрузки около 100мА производится на очень низкой частоте, которую достаточно сложно будет отфильтровать, если блок питания предполагается для совместного применения с УМЗЧ и другим аудио-оборудованием с небольшим током потребления в режиме отсутствия сигнала, например. Амплитуда импульсов при этом также — меньше, чем при полной нагрузке. Изменение частоты в режимах различной мощности — довольно сильное: от пары до нескольких десятков килогерц. Это обстоятельство накладывает существенные ограничения на использование «Tashibra» в таком (пока еще) виде при работе со многими устройствами.Но — продолжим.Встречались предложения подключения дополнительного трансформатора к выходу ЭТ, как это показано, например, на рис2.
Предполагалось, что первичная обмотка дополнительного трансформатора способна создать ток, достаточный для нормальной работы базовой схемы ЭТ. Предложение, однако, заманчиво лишь тем, что не разбирая ЭТ, с помощью дополнительного трансформатора можно создать набор необходимых (по своему вкусу) напряжений. На самом деле тока холостого хода дополнительного трансформатора недостаточно для запуска ЭТ. Попытки увеличения тока (вроде лампочки на 6,3ВХ0,3А, подключенной к дополнительной обмотке) , способного обеспечить НОРМАЛЬНУЮ работу ЭТ, приводили лишь к запуску преобразователя и зажиганию лампочки. Но, быть может, кого-то заинтересует и этот результат, т.к. подключение дополнительного трансформатора справедливо и во многих других случаях для решения множества задач. Так, например, дополнительный трансформатор можно использовать совместно со старым (но рабочим) компьютерным БП, способного обеспечить значительную мощность на выходе, но имеющего ограниченный (зато — стабилизированный) набор напряжений.
Можно было бы и далее продолжать искать истину в шаманстве вокруг «Tashibra», однако, я счел для себя эту тему исчерпанной, т.к. для достижения необходимого результата (устойчивый запуск и выход на рабочий режим при отсутствии нагрузки, а, значит, и — высокий КПД; небольшое изменение частоты при работе БП от минимальной до максимальной мощности и устойчивый запуск при максимальной нагрузке) гораздо эффективней — влезть внутрь «Tashibra» и произвести все необходимые изменения в схеме самого ЭТ таким образом, как это показано на рис 4. Тем более, чтос пол-сотни подобных схем мною было собрано еще во времена эры компьютеров «Спектрум» (именно для этих компьютеров). Различный УМЗЧ, запитанные аналогичными БП, где-то работают и сейчас. БП, выполненные по этой схеме, проявили себя с наилучшей стороны, работая, будучи собранными из самых различных комплектующих и в различных вариантах.
Переделываем? Конечно. Тем более, что это совсем не сложно.
Выпаиваем трансформатор. Разогреваем его для удобства разборки, чтобы перемотать вторичную обмотку для получения желаемых выходных параметров так, как показано на этом фото
или с помощью любых других технологий. В данном случае трансформатор выпаян лишь для того, чтобы поинтересоваться его моточными данными (кстати: Ш-образный магнитопровод с круглым керном, стандартных для компьютерных БП габаритов с 90 витками первичной обмотки, намотанными в 3 слоя проводом диаметром 0,65мм и 7-ю витками вторичной обмотки с впятеро сложенным проводом диаметром приблизительно 1,1мм; все это без малейшей межслойной и межобмоточной изоляции — только лак) и освободить место для другого трансформатора. Для экспериментов мне было проще использовать кольцевые магнитопроводы. Занимают меньше места на плате, что дает (при необходимости) возможность использования дополнительных компонентов в объеме корпуса. В данном случае использовалась пара ферритовых колец с внешним, внутренним диаметрами и высотой, соответственно 32Х20Х6мм, сложенных вдвое (без склеивания) — Н2000-НМ1. 90 витков первички (диаметр провода — 0,65мм) и 2Х12 (1,2мм) витков вторички с необходимой межобмоточной изоляцией. Обмотка связи содержит 1 виток монтажного провода диаметром 0,35мм. Все обмотки наматываются в порядке, соответствующем нумерации обмоток. Изоляция самого магнитопровода — обязательна. В данном случае магнитопровод обмотан двумя слоями изоленты, надежно, кстати, фиксируя сложенные кольца.
Перед установкой трансформатора на плату ЭТ, выпаиваем токовую обмотку коммутирующего трансформатора и используем ее в качестве перемычки, запаяв туда же, но уже не пропуская через окно кольца трансформатора. Устанавливаем намотанный трансформатор Tr2 на плату, запаяв выводы в соответствии со схемой на рис 4
и пропускаем провод обмотки III в окно кольца коммутирующего трансформатора. Используя жесткость провода, образуем подобие геометрически замкнутой окружности и виток обратной связи готов. В разрыв монтажного провода, образующего обмотки III обоих (коммутирующего и силового) трансформаторов, припаиваем достаточно мощный резистор (>1Вт) сопротивлением 3-10Ом.
На схеме в рис 4 штатные диоды ЭТ не используются. Их следует удалить, как, впрочем, и резистор R1 в целях повышения КПД блока в целом. Но можно и пренебречь несколькими процентами КПД и оставить перечисленные детали на плате. По крайней мере, в момент проведения экспериментов с ЭТ, эти детали оставались на плате. Резисторы, установленные базовых цепях транзисторов следует оставить — они выполняют функции ограничения тока базы при запуске преобразователя, облегчая его работу на емкостную нагрузку.Транзисторы непременно следует установить на радиаторы через изолирующие теплопроводящие прокладки (повзаимствованные, например, у неисправного компьютерного БП), предотвратив, тем самым их
случайный мгновенный разогрев и обеспечив некоторую собственную безопасность в случае прикосновения к радиатору во время работы устройства. Кстати, электрокартон, используемый в ЭТ для изоляции транзисторов и платы от корпуса, не является теплопроводным. Поэтому при «упаковке» готовой схемы БП в штатный корпус, между транзисторами и корпусом следует установить именно такие прокладки. Лишь в этом случае будет обеспечен хоть какой-то теплоотвод. При использовании преобразователя с мощностями свыше 100Вт на корпус устройства необходимо установить дополнительный радиатор. Но это, так, — на будущее.А пока, закончив монтаж схемы, выполним еще один пункт безопасности, включив его вход последовательно через лампу накаливания мощностью 150-200Вт. Лампа, в случае нештатной ситуации (КЗ, например) ограничит ток через конструкцию до безопасной величины и в худшем случае создаст дополнительное освещение рабочего пространства. В лучшем случае, при некотрой наблюдательности лампой можно пользоваться, как индикатором, например, — сквозного тока. Так, слабое (или несколько более интенсивное) свечение нити лампы при ненагруженном или слабо нагруженном преобразователе, будет свидетельствовать о наличии сквозного тока. Подтверждением может послужить температура ключевых элементов — разогрев в режиме сквозного тока будет довольно быстрым. При работе исправного преобразователя видимое на фоне дневного света свечение нити 200-ваттной лампы проявится лишь на пороге 20-35Вт.Итак, все готово для первого пуска переделанной схемы «Tashibra». Включаем для начала — без нагрузки, но не забываем о предварительно подключенном вольтметре на выход преобразователя и осциллографе. При правильно сфазированных обмотках обратной связи, преобразователь должен запуститься без проблем. Если запуска не произошло, то провод, пропущенный в окно коммутирующего трансформатора (отпаяв его предварительно от резистора R5), пропускаем с другой стороны, придав ему, опять же, вид законченного витка. Подпаиваем провод к R5. Вновь подаем питание на преобразователь. Не помогло? Ищите ошибки в монтаже: КЗ, «непропаи», ошибочно установленные номиналы.При запуске исправного преобразователя с указанными моточными данными, на дисплее осциллографа, подсоединенного к вторичной обмотке трансформатора Tr2 (в моем случае — к половине обмотки) будет отображена неизменяющаяся во времени последовательность четких прямоугольных импульсов. Частота преобразования подбирается резистором R5 и в моем случае при R5=5,1Ohm, частота ненагруженного преобразователя составила 18кГц. При нагрузке 20Ом — 20,5кГц. При нагрузке 12Ом — 22,3кГц. Нагрузка подсоединялась непосредственно к контролируемой приборами обмотке трансформатора с действующим значением напряжения 17,5В. Расчетное значение напряжения было несколько иным (20В), но выяснилось, что вместо номинала 5,1Ом, сопротивление установленного на плате R1=51Ом. Будьте внимательны к подобным сюрпризам от китайсикх товарищей. Впрочем, я счел возможность продолжить эксперименты без замены этого резистора, несмотря на его существенный, но терпимый нагрев. При отдаваемой преобразователем мощности в нагрузку около 25Вт, мощность, рассеиваемая на этом резисторе не превышала 0,4Вт.Что же касается потенциальной мощности БП, то при частоте 20кГц установленный трансформатор сможет отдать в нагрузку не более 60-65Вт.Попробуем частоту повысить. При включении резистора (R5) сопротивлением 8,2Ом, частота преобразователя без нагрузке возросла до 38,5кГц, с нагрузкой 12Ом — 41,8кГц.
При такой частоте преобразования с имеющимся силовым трансформатором можно смело обслужить нагрузку мощностью до 120Вт.С сопротивлениями в цепи ПОС можно экспериментировать и дальше, добиваясь необходимого значения частоты, имея ввиду, однако, что слишком большое сопротивление R5 может приводить к срывам генерации и нестабильному запуску преобразователя. При изменении параметров ПОС преобразователя, следует контролировать ток, проходящий через ключи преобразователя.Можно эксперементировать так же и с обмотками ПОС обоих трансформаторов на свой страх и риск. При этом следует предварительно произвести расчеты количества витков коммутирующего трансформатора по формулам, размещенным на страничке http://interlavka.narod.ru/stats/Blokpit02.htm, например, или с помощью оной из программ г-на Москатова, размещенных на страничке его сайта http://www.moskatov.narod.ru/Design_tools_pulse_transformers.html.Можно избежать нагрева резистора R5, заменив его… конденсатором.
Цепь ПОС при этом безусловно пробретает некоторые резонансные свойства, но каких либо ухудшений в работе БП не проявляется. Более того, конденсатор, установленный взамен резистора, нагревается значительно меньше, чем замененный резистор. Так, частота при установленном конденсаторе емкостью 220nF, возросла до 86,5кГц (без нагрузки) и составила при работе на нагрузку 88,1кГц. Запуск и работа
преобразователя оставались такими же стабильными, как и в случае с применением резистора в цепи ПОС. Заметим, что потенциальная мощность БП пи такой частоте возрастает до 220Вт (минимально).Мощность трансформатора: значения — приблизительны, с определенными допущениями, но — не завышены.К сожалению, у меня не было возможности для испытания БП с большим нагрузочным током, но, полагаю, что и описания произведенных экспериментов достаточно для того, чтобы обратить внимание многих на такие, вот, простые схемки преобразователей питания, достойных для использования в самых различных конструкциях.
Раздел: [Схемы] Сохрани статью в: Оставь свой комментарий или вопрос:
www.cavr.ru
устройство, принцип работы и переделка в блок питания своими руками
Люминесцентные и галогенные лампы постепенно уходят в прошлое, уступая место светодиодным. В светильниках, где они применялись, остались ненужные электронные трансформаторы, отвечавшие за розжиг этих ламп. Кажется, что ненужному — место на помойке. Но это не так. Из этих трансформаторов можно собрать мощные блоки питания, которые смогут питать электроинструменты, светодиодные ленты и многое другое.
Устройство электронного трансформатора
Привычные нам массивные трансформаторы не так давно стали заменяться на электронные, которые отличаются дешевизной и компактностью. Размеры электронного трансформатора настолько малы, что его встраивают в корпуса компактных люминесцентных ламп (КЛЛ).
Все такие трансформаторы сделаны по одной схеме, различия между ними минимальны. В основе схемы лежит симметричный автогенератор, иначе называемый мультивибратором.
Состоят они из диодного моста, транзисторов и двух трансформаторов: согласующего и силового. Это основные части схемы, но далеко не все. Кроме них, в схему входят различные резисторы, конденсаторы и диоды.
Принципиальная схема электронного трансформатора.
В этой схеме постоянный ток из диодного моста поступает на транзисторы автогенератора, которые накачивают энергию в силовой трансформатор. Номиналы и тип всех радиодеталей подобраны так, чтобы на выходе получалось строго определённое напряжение.
Если включить такой трансформатор без нагрузки, то автогенератор не запустится и напряжения на выходе не будет.
Сборка по схеме своими руками
Электронный балласт можно купить в магазине или найти у себя в закромах, но самым интересным вариантом будет сборка электронного трансформатора своими руками. Собирается он довольно просто, а большинство необходимых деталей можно наковырять в сломанных блоках питания и в энергосберегающих лампах.
- Необходимые компоненты:Диодный мост с обратным напряжением не ниже 400 В и током не менее 3 А или четыре диода с такими же характеристиками.
- Предохранитель на 5 А.
- Симметричный динистор DB3.
- Резистор 500 кОм.
- 2 резистора 2,2 Ом, 0,5 Вт.
- 2 биполярных транзистора MJE13009.
- 3 плёночных конденсатора 600 В, 100 нФ.
- 2 тороидальных сердечника.
- Провод с лаковым покрытием 0,5 мм².
- Провод в обычной изоляции 2,5 мм².
- Радиатор для транзисторов.
- Макетная плата.
Начинается все с макетной платы, на которую вы будете устанавливать все радиокомпоненты. На рынке можно купить два вида плат — с односторонней металлизацией на коричневом стеклотекстолите.
И с двусторонней сквозной, на зелёном.
От выбора платы зависит, сколько времени и сил вы потратите на сборку проекта.
Коричневые платы — отвратительного качества. Металлизация на них выполнена настолько тонким слоем, что в некоторых местах на ней видны разрывы. Припоем она смачивается плохо, даже если использовать хороший флюс. А все, что удалось припаять — отрывается вместе с металлизацией при малейшем усилии.
Зелёные — стоят в полтора-два раза дороже, но зато с качеством все в порядке. Металлизация на них с толщиной проблем не имеет. Все отверстия в плате залужены на производстве, благодаря чему медь не окисляется и проблем при пайке не возникает.
Найти и купить эти макетки можно как в ближайшем радиомагазине, так и на алиэкспрессе. В Китае они стоят в два раза дешевле, но доставки придётся подождать.
Радиодетали выбирайте с длинными выводами, они вам пригодятся при монтаже схемы. Если вы собираетесь использовать бывшие в употреблении детали, то обязательно проверяйте их работоспособность и отсутствие внешних повреждений.
Единственная деталь, которую вам придётся сделать самим — это трансформатор.
Согласующий нужно наматывать тонким проводом. Количество витков в каждой обмотке:
- I — 7 витков.
- II — 7.
- III — 3.
Не забывайте фиксировать обмотки скотчем, иначе они расползутся.
Силовой трансформатор состоит всего из двух обмоток. Первичную наматывайте проводом 0,5мм², а вторичную — 2,5мм². Первичка и вторичка состоят из 90 и 12 витков соответственно.
Для пайки лучше не использовать «дедовские» паяльники — ими запросто можно сжечь чувствительные к температуре радиоэлементы. Возьмите лучше паяльник с регулировкой мощности, они не перегреваются, в отличие от первых.
ранзисторы заранее установите на радиаторы. Делать это на уже собранной плате — крайне неудобно. Собирать схему нужно от маленьких деталей к большим. Если вы сначала установите большие, то они будут мешаться при пайке маленьких. Учитывайте это.
При сборке смотрите на принципиальную схему, все соединения радиоэлементов должны соответствовать ей. Просуньте выводы деталей в отверстия на плате и согните их в нужном направлении. Если длины не хватает, удлиняйте их проводом. Трансформаторы после пайки приклейте к плате эпоксидной смолой.
После сборки подключите к выводам устройства нагрузку и убедитесь в том, что оно работает.
Переделка в блок питания
Случается так, что аккумуляторы электроинструмента выходят из строя, а возможности купить новый нет. В таком случае поможет адаптер в виде блока питания. Из электронного трансформатора после небольшой доработки можно собрать такой переходник.
Детали, которые понадобятся для переделки:
- Терморезистор NTC 4 Ом.
- Конденсатор 100 мкФ, 400 В.
- Конденсатор 100 мкФ, 63В.
- Плёночный конденсатор 100 нФ.
- 2 резистора 6,8 Ом, 5 Вт.
- Резистор 500 Ом, 2 Вт.
- 4 диода КД213Б.
- Радиатор для диодов.
- Тороидальный сердечник.
- Провод сечением 1,2 мм².
- Кусочек монтажной платы.
Перед работой проверьте, вдруг вы забыли какую-нибудь деталь. Если все детали на месте, начинайте переделку электронного трансформатора в блок питания.
К выходу диодного моста подпаяйте конденсатор 400 В, 100 мкФ. Для уменьшения зарядного тока конденсатора впаяйте терморезистор в разрыв силового провода. Если вы забудете это сделать, при первом же включении в сеть у вас сгорит диодный мост.
Отсоедините вторую обмотку согласующего трансформатора и замените её перемычкой. Добавьте на обоих трансформаторах по одной обмотке. На согласующем сделайте один виток, на силовом — два. Соедините обмотки между собой, впаяв в разрыв провода два параллельно соединённых резистора на 6,8 Ом.
Для изготовления дросселя намотайте на сердечник 24 витка провода 1,2 мм² и закрепите его скотчем. Затем на макетной плате соберите по схеме оставшиеся радиодетали и подключите сборку к основной схеме. Не забудьте установить диоды на радиатор, при работе под нагрузкой они сильно греются.
Закрепите всю конструкцию в любом подходящем корпусе и блок питания можно считать собранным.
После окончательной сборки включите устройство в сеть и проверьте его работу. Оно должно выдавать напряжение в 12 вольт. Если блок питания их выдаёт — вы со своей задачей справились на отлично. Если он не заработал, проверьте, вдруг вы взяли нерабочий трансформатор.
220v.guru
ИБП из электронного трансформатора | Техника и Программы
September 29, 2012 by admin Комментировать »Я вообще не особенно любитель изготавливать блоки питания, если только он сам по себе не является целью всей конструкции. Однако на протяжении уже около 4х лет, в качестве блока питания или даже ЗУ для автомобильного аккумулятора я использую обычный электронный трансформатор для галогенных ламп. Подобный транс можно приобрести в любом магазине электро товаров.
В интернете уже есть кое какие статьи по переделке таких трансов в блок питания, кто то даже усиленно исследует этот девайс Да и в журнале Радио за какой то год есть статья по этой теме. Ну и я решил вставить свои пять копеек Вообще все просто до нельзя, изготовить более простой и надежный ИБП да и еще купив детали для него в любом хоз магазине я думаю нереально Итак, схема…. Схема это обычный автогенератор, имеющий обратную связь по току. Т.е. если нагрузки на выходе нет то и по сути весь электронный трансформатор не работает. Причем нагрузка должна быть довольно приличной. Бывали такие случаи, когда меня просили подобный девайс поремонтировать, мол не работает. При этом подключали к нему лампочку 0.25 Вт и делали вывод – устройство не фурычит, наипали в магазине Опять же при увеличении нагрузки, весь наш трансик успешно превращается в угли. Очевидно, что все это как то не особо подходит для наших целей. Нам бы сделать так, чтобы все работало на холостом ходу, да и еще бы имело защиту от КЗ. Как ни странно, все это можно реализовать модернизировав простенькую схемотехнику электронного трансформатора. Причем сам ответ как это сделать лежит на поверхности.Всего то нужно заменить ОС (обратную связь) по току, обратной связью по напряжению.
Красным цветом на схеме обозначены необходимые изменения. Сама схема может иметь некоторые вариации… например отсутствовать диод VD1. Токовую обмотку ОС, W3 удаляем и на ее место ставим перемычку. Наматываем на основном трансформаторе TV1 обмотку обратной связи Woc1 – 1 – виток, Woc2 – 2-3 витка на трансформаторе обратной связи Toc (маленькое колечко, кто не в курсе). Следует соблюдать начало с концом обмоток, ну если не правильно то просто нет генерации. Резистором R4 регулируется глубина ОС, которая в свою очередь влияет на ток при которым происходит срыв генерации автогенератора, откуда мы собственно и получаем защиту от КЗ. При увеличении резистора R4, соответственно, при меньшем выходном токе будет происходить срыв генерации. Вместо резистора R4 можно поставить пленочный конденсатор, это даже более предпочтительно, если кого то раздражает нагрев R4. Величину конденсатора можно выбрать в пределах от 10n до 330n. Подбирается опытным путем.Вторичку можно намотать со средней точкой, или же обычную. Тогда потребуются 4 диода в выпрямителе. Диоды разумеется с барьером Шотки. Сколько мотать, ориентируемся по вторичке которая была. Я ее как правило полностью удаляю. Дроссель L не обязателен, но весьма желателен. Величина не критична 10… 100 мкГн. Ну и по высокой стороне устанавливаем электролит C4, это улучшит качество выходного напряжения при нагрузке (не будет пульсаций, до определенного предела конечно). Выковырять подобный маленький электролит можно например из энергосберегающей лампочки. Да и еще забыл, нужно на ноги электролита (паралельно) поставить разрядный резистор 220К, мощностью 1Вт. НА схеме нарисовать забыл (дорисовывать лень), он способствует ускоренной разрядке электролита, и без него преобразователь после выключения и быстрого повторного включения может не запускаться. Это связано с запускающим диаком DB3.На выход выпрямителя, если требуется, лепим стабилизаторы напряжения… короче кто на что горазд)Ну и весьма желательно поставить сетевой фильтр L1, C7, C6. Помех от подобных девайсов в сети море, вообще не понятно как китаезы проходят нормы по эл. совместимости. Судя по всему никак… Так что, ставим фильтр.ПС: на фотке нет сетевого фильтра, на момент написания статьи он где то ехал по бескрайним просторам нашей страны в виде посылки…..
nauchebe.net
Электронный трансформатор: схема подключения
Электронный трансформатор — это устройство электромагнитного типа. Оно состоит из индуктивной обмотки, а также магнитопровода. Используется электронный трансформатор для преобразования переменного тока. Встречаются устройства в различных электроприборах.
Также с их помощью собирают блоки питания. Для подключения прибора используют различные элементы. В данном случае учитывается параметр порогового напряжения, частоты и проводимости тока. Для того чтобы во всем разобраться, следует рассмотреть конкретные схемы.
Схема подключения через конденсаторный резистор
Через конденсаторный резистор можно подсоединять любой электронный трансформатор. Схема подключения включает в себя модулятор, а также трансивер. Проводимость тока указанного элемента обязана составлять не менее 50 мк. В данном случае выходное напряжение зависит от количества резисторов. В некоторых случаях применяются расширительные трансиверы. Если рассматривать модель для блока питания, то усилитель используется клеммного типа. Для стабилизации процесса преобразования необходимы фильтры. Триггеры используются фазового типа.
Подключение через два регулятора
Через два регулятор разрешается подсоединять только низкочастотный электронный трансформатор. Схема подключения состоит из тетродов открытого типа. В данном случае показатель предельной проводимости элемента равняется 55 мк. Непосредственно регуляторы устанавливаются за реле. Усилители встречаются как оперативного, так и тороидального типа.
Для нормальной работы расширителя используется два коннектора. Емкость триггера обязана составлять не мене 2 пФ. Также важно обращать внимание на выходное напряжение на обмотке. В среднем оно составляет не более 40 В. Однако при высоком уровне отрицательного сопротивления указанный параметр может резко увеличиваться. Если рассматривать схему для блока питания, то тиристор подбирается дипольного типа. В этом случае параметр приводимости тока у элемента составляет не более 45 мк. Входное напряжение максимум может равняться 20 В. Для подключения конденсаторов используются контакторы.
Использование проводных стабилизаторов
Через проводные стабилизаторы можно подсоединять высокочастотный электронный трансформатор. Схема подключения предполагает использование триггеров с вторичной обмоткой. Тетроды в данном случае устанавливаются за реле. Для увеличения отрицательного сопротивления используются фильтры. Всего для блока питания на 30 Вт потребуется два контактора. Резисторы используются тороидального типа. Параметр выходного напряжения у элементов не превышает 45 В.
Подключение к диодному мосту
Низкочастотный трансформатор к диодному мосту можно подсоединять через один регулятор. Для этого тетрод применяется с двумя фильтрами. Проводимость тока у элемента обязана составлять не менее 55 мк. Все это позволит значительно повысить пороговое сопротивление. Модулятор для схемы подбирается импульсного типа. Если рассматривать преобразователь с усилителем, то реле необходимо использовать только с изоляторами. В этом случае сопротивление у трансформатора составит около 22 м. Выходное напряжение на обмотке будет колебаться в районе 30 В.
Подключение к галогенной лампе
К галогенным лампам разрешается подсоединять только низкочастотный электронный трансформатор. Схема подключения состоит из резисторов дипольного типа. Конденсаторы применяются с первичной обмоткой. Для стабилизации процесса индукции используются фильтры. Всего в схеме предусмотрено два усилителя. Реле в данном случае установлено за конденсаторами.
Расширитель разрешается использовать лишь открытого типа. Проводимость тока у элемента равняется 55 мк. Таким образом, сопротивление не должно превышать 12 Ом. Параметр выходного напряжения зависит от резисторов. Если рассматривать модели с не большой емкостью, то указанный параметр составляет около 13 В.
Схема подключения модели Taschibra
Через регулятор можно напрямую подсоединить Taschibra (электронный трансформатор). Схема подключения предполагает использование модулятора с первичной обмоткой. Непосредственно трансивер для конденсатора подбирается на две фазы. Через дипольный резистор также можно подсоединять Taschibra (электронный трансформатор). Схема подключения устройства в этом случае предполагает использование стабилитрона.
Если рассматривать стандартный модулятор, то проводимость тока равняется около 60 мк. В данном случае сопротивление не превышает 12 Ом. Иногда используются проводные реле. В таком случае расширитель берется без обмотки.
Подключение устройства RET251C
Этот электронный трансформатор (схема RET251C показана ниже) подключается через два дипольных резистора. Конденсаторы часто используются без модулятора. В данном случае входное напряжение зависит от параметра проводимости. Как правило, он лежит в пределах 40 мк. Также важно отметить, что транзисторы используются только открытого типа. Если рассматривать преобразователь не большой мощности, то коннектор устанавливается с одним усилителем. Для подключения расширителя применяется два изолятора. Тетрод разрешается использовать с двойным регулятором.
Подключение трансформатора GET 03
Указанный электронный трансформатор (схема GET 03 показана ниже) подключается через проводное реле. Регулятор используется с двумя переходниками. Тиристор для подключения берется открытого типа. Модулятор можно использовать с обмоткой, или без нее. Если рассматривать первый вариант, то резистор подключается с селектором. В свою очередь, тетрод устанавливается лучевого типа.
Если рассматривать схему без обмотки, то резистор применяется только с выходными контакторами. В данном случае регулятор устанавливается за реле. Усилитель в схеме не понадобится. Показатель проводимости тока будет составлять около 70 мк. Таким образом, сопротивление в цепи не превысит 30 Ом.
Схема подключения модели ELTR-60
Для различного электроинструмента часто используется этот электронный трансформатор. Схема для шуруповерта включает в себя выходной усилитель. Регулятор используется с двумя трансиверами. Таким образом, проводимость элемента равняется не менее 44 мк. В данном случае тетрод используется конденсаторного типа. Выходное напряжение трансформатора зависит от проводимости модулятора.
Если рассматривать схему с обмоткой, то конденсатор устанавливается за реле. Таким образом, проводимость тока равняется 35 мк. Показатель входного сопротивления составляет не более 12 Ом. Если рассматривать схему без обмотки, то потребуется использовать два расширителя. Триггер в данном случае применяется без фильтра. Непосредственно регулятор подбирается операционного либо импульсного типа.
Подключение устройства ELTR-70 к цепи на 24 В
Указанный электронный трансформатор (схема 24 вольта показана ниже) подключается через дипольный регулятор. Всего для модели потребуется два проводника. Триггер для преобразования тока используется открытого типа. Также схема подключения электронного трансформатора имеет фильтры, которые устанавливаются за обмоткой. Непосредственно тетрод подбирается высокой чувствительности. В указанной схеме параметр проводимости не должен превышать 60 мк. Все это позволит держать на стабильном уровне выходное сопротивление.
Трансивер в цепи используется низкочастотного типа. Для увеличения скорости протекания индукции применяются различные усилители. Устанавливаются они с конденсаторами или без них. Если рассматривать первый вариант, то реле используется с вторичной обмоткой. Когда речь идет о подключении без конденсаторов, то в этом случае используется один трансивер.
Подключение трансформатора TRA110
Схема подключения электронного трансформатора предполагает установку регулятора проводного типа. Трансиверы используются только вместе с динисторами. Всего для нормальной работы модели потребуется два конденсатора. Емкость расширителя обязана составлять не менее 4 пФ. В данном случае реле устанавливается за вторичной обмоткой.
Если рассматривать схему с триггером, то для нормальной работы трансформатора потребуются изоляторы. Тиристор для него подбирается с контакторами. Если рассматривать трансформатор без триггера, то в этом случае требуется устанавливать модулятор выходного типа. Проводимость тока у него обязана составлять как минимум 50 мк. Резисторы используются только векторного типа.
fb.ru
Устройство имеет достаточно простую схему. Простой двухтактный автогенератор, который выполнен по полумостовой схеме, рабочая частота порядка 30кГц, но этот показатель сильно зависит от выходной нагрузки.
Схема такого блока питания очень не стабильна, не имеет никаких защит от КЗ на выходе трансформатора, пожалуй именно из-за этого, схема пока не нашла широкого применения в радиолюбительских кругах. Хотя в последнее время на разных форумах наблюдается продвижение данной темы. Люди предлагают различные варианты доработки таких трансформаторов. Я сегодня попытаюсь все эти доработки совместить в одной статье и предложить варианты не только доработки, но и умощнения ЭТ.
В основу работы схемы углубляться не будем, а сразу приступим к делу.
Мы попытаемся доработать и увеличить мощность китайского ЭТ Taschibra на 105 Ватт.
Для начала хочу пояснить, по какой причине я решил взяться за умощнение и переделку таких трансформаторов. Дело в том, что недавно сосед попросил сделать ему на заказ зарядное устройство для автомобильного аккумулятора, который был бы компактным и легким. Собирать не хотелось, но позже я наткнулся на интересные статьи в которых рассматривалась переделка электронного трансформатора. Это натолкнуло на мысль — почему бы не попробовать?
Таким образом, были приобретены несколько ЭТ от 50 до 150 Ватт, но опыты с переделкой не всегда завершались успешно, из всех выжил только ЭТ на 105 Ватт. Недостатком такого блока является то, что трансформатор у него не кольцевой, в связи с чем неудобно отмотать или домотать витки. Но другого выбора не было и пришлось переделать именно этот блок.
Как нам известно, эти блоки не включаются без нагрузки, это не всегда является достоинством. Я планирую получить надежное устройство, которое можно свободно применять в любых целях, не боясь, что блок питания может перегореть или выйти из строя при КЗ.
Доработка №1
Суть идеи заключается в добавлении защиты от КЗ, также устранения вышеуказанного недостатка (активация схемы без выходной нагрузки или с маломощной нагрузкой).
Глядя на сам блок, мы можем увидеть простейшую схему ИБП, я бы сказал, что схема не до конца отработана производителем. Как мы знаем, если замкнуть вторичную обмотку трансформатора, то меньше, чем за секунду схема выйдет из строя. Ток в схеме резко возрастает, ключи в миг выходят из строя, иногда и базовые ограничители. Таким образом, ремонт схемы обойдется дороже стоимости (цена такого ЭТ порядка 2,5$).
Трансформатор обратной связи состоит из трех отдельных обмоток. Две из этих обмоток питают базовые цепи ключей.
Для начала удаляем обмотку связи на трансформаторе ОС и ставим перемычку. Эта обмотка включена последовательно с первичной обмоткой импульсного трансформатора.
Затем на силовом трансформаторе мотаем всего 2 витка и один виток на кольце (трансформаторе ОС). Для намотки можно использовать провод с диаметром 0,4-0,8мм.
Далее нужно подобрать резистор для ОС, в моем случае он на 6,2 ОМ, но резистор можно подобрать с сопротивлением 3-12 Ом, чем выше сопротивление этого резистора, тем меньше ток защиты от КЗ. Резистор в моем случае использован проволочный, чего делать не советую. Мощность этого резистора подбираем 3-5 ватт (можно использовать от 1 до 10 ватт).
Во время КЗ на выходной обмотке импульсного трансформатора ток во вторичной обмотке падает (в стандартных схемах ЭТ при КЗ ток возрастает, выводя из строя ключи). Это приводит к уменьшению тока на обмотке ОС. Таким образом, прекращается генерация, сами ключи запираются.
Единственным недостатком такого решение является то, что при долговременном КЗ на выходе, схема выходит из строя, поскольку ключи греются и достаточно сильно. Не стоит подвергать выходную обмотку КЗ с длительностью более 5-8 секунд.
Схема теперь будет заводиться без нагрузки, одним словом мы получили полноценный ИБП с защитой от КЗ.
Доработка №2
Теперь постараемся, в какой-то мере сгладить сетевое напряжение от выпрямителя. Для этого будем использовать дроссели и сглаживающий конденсатор. В моем случае использован готовый дроссель с двумя независимыми обмотками. Данный дроссель был снят от ИБП DVD проигрывателя, хотя можно использовать и самодельные дросселя.
После моста следует подключить электролит с емкостью 200мкФ с напряжением не менее 400 Вольт. Емкость конденсатора подбирается исходя из мощности блока питания 1мкФ на 1 ватт мощности. Но как вы помните, наш БП рассчитан на 105 Ватт, почему же конденсатор использован на 200мкФ? Это поймете уже совсем скоро.
Доработка №3
Теперь о главном — умощнение электронного трансформатора и реально ли это? На самом деле есть только один надежный способ умощнения без особых переделок.
Для умощнения удобно использовать ЭТ с кольцевым трансформатором, поскольку нужно будет перемотать вторичную обмотку, именно по этой причине мы заменим наш трансформатор.
Сетевая обмотка растянута по всему кольцу и содержит 90 витков провода 0,5-0,65мм. Обмотка мотается на двух сложенных ферритовых кольцах, которые были сняты от ЭТ с мощностью 150 Ватт. Вторичная обмотка мотается исходя от нужд, в нашем случае она рассчитана на 12 Вольт.
Планируется увеличить мощность до 200 Ватт. Именно поэтому и нужен был электролит с запасом, о котором говорилось выше.
Конденсаторы полумоста заменяем на 0,5мкФ, в штатной схеме они имеют емкость 0,22 мкФ. Биполярные ключи MJE13007 заменяем на MJE13009.
Силовая обмотка трансформатора содержит 8 витков, намотка делалась 5-ю жилами провода 0,7мм, таким образом, имеем в первичке провод с общим сечением 3,5мм.
Идем дальше. Перед и после дросселей ставим пленочные конденсаторы с емкостью 0,22-0,47мкФ с напряжением не менее 400 Вольт (я использовал именно те конденсаторы, которые были на плате ЭТ и которые пришлось заменить для увеличения мощности).
Далее заменяем диодный выпрямитель. В стандартных схемах применяются обычные выпрямительные диоды серии 1N4007. Ток диодов составляет 1 Ампер, наша схема потребляет немало тока, поэтому диоды стоит заменить на более мощные, во избежание неприятных результатов после первого включения схемы. Можно использовать буквально любые выпрямительные диоды с током 1,5-2 Ампер, обратное напряжение не менее 400 Вольт.
Все компоненты, кроме платы с генератором смонтированы на макетной плате. Ключи были укреплены на теплоотвод через изоляционные прокладки.
Продолжаем нашу переделку электронного трансформатора, дополнив схему выпрямителем и фильтром.
Дросселя намотаны на кольцах из порошкового железа (сняты от компьютерного БП), состоят из 5-8 витков. Намотку удобно сделать сразу 5-ю жилами провода с диаметром 0,4-0,6мм каждая жила.
Сглаживающий конденсатор подбираем с напряжением 25-35 Вольт, в качестве выпрямителя применен один мощный диод шоттки (диодные сборки из компьютерного блока питания). Можно использовать любые быстрые диоды с током 15-20 Ампер.
Бывает, что, собирая то или иное устройство, требуется определиться с выбором источника питания. Это чрезвычайно важно, когда устройствам необходим мощный блок питания. Приобрести железные трансформаторы с необходимыми характеристиками на сегодняшний день не составляет труда. Но они довольно дорогостоящие, а большие размеры и вес являются их главными недостатками. А сборка и наладка хороших импульсных блоков питания весьма сложная процедура. И многие не берутся за это.
Далее, вы узнаете о том, как собрать мощный и при этом несложный блок питания, взяв за основу конструкции электронный трансформатор. По большому счету, разговор пойдет об увеличении мощности таких трансформаторов.
Для переделки был взят 50-ваттный трансформатор.
Планировалось увеличить его мощность до 300 Вт. Этот трансформатор был приобретен в ближайшем магазине и стоил примерно 100 р.
Стандартная схема трансформатора выглядит следующим образом:
Трансформатор представляет собой обычный двухтактный полумостовой автогенераторный инвертор. Симметричный динистор является основным компонентом, осуществляющим запуск схемы, поскольку он подает первоначальный импульс.
В схеме задействованы 2 высоковольтных транзистора с обратной проводимостью.
Схема трансформатора до переделки содержит следующие компоненты:
- Транзисторы MJE13003.
- Конденсаторы 0,1 мкФ, 400 В.
- Трансформатор, имеющий 3 обмотки, две из которых являются задающими и имеют по 3 витка провода сечением 0,5 кв. мм. Еще одна в качестве обратной связи по току.
- Входной резистор (1 Ом) используется как предохранитель.
- Диодный мост.
Несмотря на отсутствие в этом варианте защиты от КЗ, электронный трансформатор работает без сбоев. Назначение устройства – это работа с пассивной нагрузкой (к примеру, офисные «галогенки»), поэтому стабилизация выходного напряжения отсутствует.
Что касается основного силового трансформатора, то его вторичная обмотка выдает около 12 В.
Теперь взгляните на схему трансформатора с увеличенной мощностью:
В ней стало даже меньше компонентов. Из первоначальной схемы были взяты трансформатор обратной связи, резистор, динистор и конденсатор.
Оставшиеся детали были извлечены из старых компьютерных БП, а это 2 транзистора, диодный мост и силовой трансформатор. Конденсаторы были приобретены отдельно.
Транзисторы не помешает заменить на более мощные (MJE13009 в корпусе TO220).
Диоды были заменены на готовую сборку (4 А, 600 В).
Также годятся и диодные мосты от 3 А, 400 В. Емкость должна составлять 2,2 мкФ, но можно и 1,5 мкФ.
Силовой трансформатор был изъят из БП формата ATX на 450 Вт. На нем были удалены все штатные обмотки и намотаны новые. Первичная обмотка была намотана тройным проводом 0,5 кв. мм в 3 слоя. Общее количество витков – 55. Необходимо следить за аккуратностью намотки, а также за ее плотностью. Каждый слой изолировался синей изолентой. Расчет трансформатора производился опытным путем, и была найдена золотая середина.
Вторичная обмотка наматывается из расчета 1 виток – 2 В, но это лишь в том случае если сердечник такой же, как в примере.
При первом включении обязательно использовать страховочную лампу накаливания на 40-60 Вт.
Стоит заметить, что в момент запуска лампа не вспыхнет, поскольку после выпрямителя нет сглаживающих электролитов. На выходе высокая частота, поэтому для того чтобы делать конкретные замеры, необходимо сначала выпрямить напряжение. Для этих целей был использован мощный сдвоенный диодный мост, собранный из диодов КД2997. Мост выдерживает токи до 30 А, если прикрепить к нему радиатор.
Вторичная обмотка предполагалась на 15 В, хотя на деле получилось чуть больше.
В качестве нагрузки было взято все, что оказалось под рукой. Это мощная лампа от кинопроектора на 400 Вт при напряжении в 30 В и 5 20-ваттных ламп на 12 В. Все нагрузки подключались параллельно.
Биометрический замок – Схема и сборка ЖК дисплея
Электронный трансформатор является сетевым импульсным блоком питания с весьма хорошими показателями. Такие блоки питания лишены защиты от КЗ на выходе, но эту недоработку можно исправить. Сегодня решил представить весь процесс увеличения мощности электронных трансформаторов для галогенных ламп. Китайский ЭТ с мощностью 150 ватт, мы превратим в мощный ИБП, который может быть использован практически для любых целей. Вторичная обмотка импульсного трансформатора, в моем случае содержит всего один виток. Обмотка намотана 10-ю жилами провода 0,5мм. Блок питания умощнен до 300 ватт, следовательно, его можно использовать для НЧ, таких как Холтон, Ланзар, Маршалл Лич и т.п. При желании, можно на основе такого ИБП собрать мощный лабораторный блок питания. Мы знаем, что многие ИБП такого типа не включаются без нагрузки, такой недостаток имеют электронные трансформаторы Tashibra с мощностью 105 ватт.
Наша схема не имеет такого недостатка, схема заводится без нагрузки и может работать с маломощными нагрузками (светодиоды и т.п.). Для умощнения нужно сделать несколько переделок. Нужно перемотать импульсный трансформатор, подобрать конденсаторы полумоста, заменить диоды в выпрямителе и использовать более мощные ключи. В моем случае использованы диоды на полтора ампера, которые я не заменил, но обязательно замените на любые диоды с обратным напряжением не менее 400 Вольт и с током 2 Ампер и более.
Для начала давайте переделаем импульсный трансформатор. На плате можно увидеть кольцевой трансформатор с двумя обмотками, обе обмотки нужно снять. Затем берем еще одно аналогичное кольцо (снял с такого же блока) и склеиваем их. Сетевая обмотка состоит из 90 витков, витки растянуты по всему кольцу.
Диаметр провода, которым намотана обмотка 0,5…0,7мм. Далее уже мотаем вторичную обмотку. Один виток дает полтора вольта, к примеру — для получения 12 Вольт выходного напряжения, обмотка должна содержать 8 витков (но бывают и другие значения).
Далее заменяем конденсаторы полумоста. В стандартной схеме использованы конденсаторы 0,22мкФ 630 Вольт, которые были заменены на 0,5мкФ 400 Вольт. Силовые ключи использованы серии MJE13007, которые были заменены на более мощные — MJE13009.
На этом переделка почти завершена и можно уже подключить в сеть 220 Вольт. После проверки работоспособности схемы идем дальше. Дополняем ИБП сетевого напряжения. Фильтр содержит из дросселей и сглаживающего конденсатора. Электролитический конденсатор подбирается с расчетом 1мкФ на 1 Вольт, для наших 300 Ватт подбираем конденсатор с емкостью 300мкФ с минимальным напряжением 400 Вольт. Дальше приступаем к дросселям. Дроссель у меня использован готовый, был выпаян с другого ИБП. Дроссель имеет две отдельные обмотки по 30 витков провода 0,4мм.
На входе питания можно поставить предохранитель, но в моем случае он уже был на плате. Предохранитель подбирают на 1,25 — 1,5Ампер. Вот теперь все готово, уже можно дополнить схему выпрямителем на выходе и сглаживающими фильтрами. Если планируете собрать на основе такого ИБП зарядное устройство для автомобильного аккумулятора, то на выходе хватит и одного мощного диода шоттки. К числу таких диодов относится мощный импульсный диод серии STPR40, который достаточно часто применяется в компьютерных блоках питания. Ток указанного диода 20Ампер, но для 300 ваттного блока питания и 20 Ампер маловато. Не беда! Дело в том, что указанный диод содержит в себе два аналогичных диода на 20 Ампер, нужно всего лишь подключить два крайних вывода корпуса друг к другу. Теперь у нас есть полноценный диод на 40 Ампер. Диод нужно будет установить на достаточно большой теплоотвод, поскольку последний будет перегреваться достаточно сильно, возможно понадобится небольшой кулер.
ПЕРЕДЕЛКА ЭЛЕКТРОННОГО ТРАНСФОРМАТОРА
Все больше и больше радиолюбители переходят на питание своих кострукций импульсыми источниками питания. На прилавках магазинов сейчас размещено очень много дешевых электронных трансформаторов (дальше просто ЭТ).
При небольших размерах они обеспечивают большую выходную мощность, да и малые размеры хорошо — это на тот случай, если упадет на ногу:) Радиолюбители пытаются использовать эти ЭТ, но у них есть определённые недостатки, такие как: нежелание запуститься без нарузки, выход из строя при КЗ, и сильный уровень помех. В этой статье хочу поделиться с вами переделками электронных трансформаторов, чтобы избавитса от вышеуказанных недостатков. Вот типовая схема ЭТ:
Проблема заключаетса в том, что в трансформаторе применена цепь обратной (дальше ОС) связи по току, то есть чем больше ток нарузки — тем больше ток базы ключей, поэтому трансформатор не запускается без нагрузки, или при малой нарузке напряжение меньше 12В, да и при КЗ базовый ток ключей растет и они выходят из строя, а часто еще и резисторы в базовых цепях. Устраняется всё это довольно просто — меняем ОС по току на ОС по напряжению, вот схема переделки. Красным отмечено то, что нужно изменить:
Итак, удаляем обмотку связи на коммутирующем трансформаторе и ставим вместо нее перемычку.
Потом наматываем 1-2 витка на силовом трансформаторе и 1 на коммутирующем, используем резистор в ОС от 3-10 Ом мощностью не меньше 1 ватта, чем выше сопротивление — тем меньше ток защиты от КЗ.
Если вас пугает нагрев резистора, вместо него можно использовать лампочку от карманного фонарика (2,5-6,3В). Но при этом ток срабатывания защиты будет очень мал, так как сопротивление горячей нити лампы довольно большое.
Трансформатор теперь спокойно запускается без нагрузки, и есть защита от КЗ.
При замыкании выхода ток на вторичке падает, соотвественно падает ток и на обмотке ОС — ключи запираются и срывается генерация, только во время КЗ очень сильно греются ключи, так как динистор пытаетса запустить схему, а ведь на ней КЗ и процес повторяетса. Поэтому данный электронный трансформатор может выдержать режим замыкания не болле 10 секунд. Вот видео работы защиты от КЗ в переделанном устройстве:
Сорри за качество, снимал на мобильник. Вот еще одно фото переделки ЭТ:
Но помещать фильтрующий конденсатор в корпус ЭТ не советую, я делал так на свой страх и риск, так как температура внутри и так немаленькая, да и места мало, может вздуть конденсатор и возможно вы услышите БА-БАХ:) Но не факт, пока что все работает отлично, время покажет… Позже мною были переделаны два трансформатора на 60 и 105 Вт, вторичные обмотки были перемотаны под свои нужды, вот фото, как разделить сердечник Ш-образного трансформатора (в блоке питания 105 Вт).
Также можно передлать импульсный блок питания малой мощности под большую, заменив при этом ключи, диоды сетевого моста, конденсаторы полумоста и конечно же трансформатор на феррите.
Вот немного фоток — переделан ЭТ на 60 Вт под 180Вт, транзисторы заменены на MJE 13009, конденсаторы 470 nF и трансформатор намотан на двух сложенных кольцах К32*20*6.
Первичка 82 витка в две жилы 0,4 мм. Вторичка по вашим требованиям.
И еще, чтоб не сжечь ЭТ при экспериментах или любой другой внештатной ситуации — лучше подключить его последовательно с ламой накаливания аналогичной мощности. В случае КЗ или другой поломки — загоритса лампа, а вы сбережёте радиодетали. С вами был AVG (Марьян).
Originally posted 2018-11-03 06:17:44. Republished by Blog Post Promoter
Детали и ремонт ламп | Lamp Doctor: Описание электронных диммируемых трансформаторов для галогенных ламп
Галогенные лампы уже давно присутствуют на рынке. Они предлагают яркий свет в компактных единицах. Большинство галогенных светильников предназначено для специальных целей: освещение дорожек, освещение под шкафом и освещение безопасности. Поскольку они не используются в большинстве обычных приложений, их поиск и устранение проблем кажется более сложной задачей.В этом посте мы обсудим регулируемые трансформаторы, используемые в галогенном освещении.В основном они используются под шкафом. Трансформатор используется для преобразования переменного тока 110 В (источник питания для большинства домашних проводов в Северной Америке) в постоянный ток 12 В. Приложения с напряжением 12 В имеют меньший ток и позволяют использовать провода меньшего размера от лампочки к лампочке. Этими меньшими проводами легче управлять, и их проще спрятать в ограниченном пространстве.
| 48468 — Электронный трансформатор с регулируемой яркостью для галогенных ламп |
От трансформатора тоже идет пара красных проводов. Они будут нести 12 вольт для питания галогенных ламп. В то время как постоянный ток 12 В имеет положительную и отрицательную стороны, галогенные лампы не должны быть привязаны к определенной стороне.(ПРИМЕЧАНИЕ: если вы используете этот трансформатор для питания 12-вольтных светодиодных ламп, вам необходимо поддерживать согласованность положительной и отрицательной сторон.) Также помните, что галогенные лампы должны быть рассчитаны на 12-вольтную цепь.
В большинстве этих приложений на трансформаторе будет несколько лампочек, поэтому вам нужно будет организовать цепь так, чтобы + был на одной стороне, а — — на другой. Трансформатор — / + лампочка — / + лампочка — / + лампочка — / + лампочка — / + лампочка Not: трансформатор — / + лампа — / + лампа +/- лампа — / + лампа — / + лампа Когда все провода на месте и трансформатор подключен, вы готовы запитать схему и проверить лампы.Если вы хотите добавить диммер, он должен быть включен в настенный или встроенный переключатель на стороне 110 вольт трансформатора.
Как заменить трансформатор галогенного света
Хотя галогенные лампы не так энергоэффективны, как светодиоды, у вас все же есть некоторые, которые вы хотите сохранить даже после того, как трансформатор перестанет работать. Это базовая электрическая задача, которая не требует каких-либо специальных навыков, и, выполняя ее самостоятельно, вы можете сэкономить время и деньги. Итак, если лампа или приспособление важны для вас и вы хотите отремонтировать их, выполните следующие основные действия и спасите электрика для более сложных задач.
Шаг 1 — Удаление источника питания
Первым и наиболее важным шагом при работе с чем-либо электрическим является удаление источника питания; просто повернуть переключатель в положение «выключено» или выключить свет — недостаточно. Если свет включается в розетку, отключите ее. С другой стороны, если он подключен внутри клеммной коробки, найдите включенный прерыватель и выключите его. Источник питания должен быть полностью отключен во избежание поражения электрическим током.
Шаг 2 — Найдите трансформатор
Деталь, которую вы ищете, можно найти в разных местах, большинство из которых находится на конце провода, идущего в блок. Чтобы получить к нему доступ, вам нужно снять крышку. Некоторые агрегаты придется даже снимать с монтажных кронштейнов, чтобы добраться до трансформатора. В том случае, если эта деталь находится не на конце провода, посмотрите по длине шнура или на основание лампочки. Если вы все еще не можете найти его, возможно, в вашем галогенном свете вообще не установлен трансформатор.Вместо этого получите электрическую схему вашего конкретного устройства и подумайте о других типах ремонта.
Шаг 3 — Снимите трансформатор
После того, как вы нашли трансформатор, отсоедините проводку. Отвинтите все болты или винты, удерживающие его на месте, и выньте устройство.
Шаг 4 — Установите заменяющий
Перед покупкой нового трансформатора света сравните его со старым, чтобы убедиться, что это точно такая же модель с такими же номинальными значениями напряжения и силы тока.Таким образом, вам не придется возиться с тем, чтобы вернуть его, потому что вы купили не тот. Когда трансформатор не предназначен для освещения, над которым вы работаете, он не будет работать должным образом, если он вообще будет работать.
При необходимости прикрутите или прикрутите новую деталь на место, а затем совместите цвета проводки друг с другом и закройте концы гайками для проводов. Если провода неокрашены, не забудьте пометить каждый провод малярной лентой и маркером, когда вынимаете старый трансформатор.
Шаг 5 — Соберите свет снова
После того, как новый трансформатор установлен и правильно подключен, проверьте его мультиметром, чтобы убедиться, что он работает.Затем снова установите защитную пластину проводки и установите блок, если вам пришлось снимать ее с монтажных кронштейнов.
Потратьте время на установку собственного трансформатора галогенных ламп — это простой процесс, который может сэкономить вам значительную сумму денег. Опять же, при выполнении этой задачи убедитесь, что перед тем, как начать, источник питания полностью убран от света. Электричество, как говорится, убивает, поэтому всегда соблюдайте меры предосторожности.
зачем он нужен, принцип работы и правила подключения.Что такое электронный трансформатор
Для контроля работы всех устройств в доме, в том числе источников света, необходимы специальные устройства. Предлагаем рассмотреть, что такое электронный трансформатор для галогенных ламп 12В, принцип его работы, характеристики и видео, как самостоятельно подключить прибор.
Что такое ламповый трансформатор
Для управления работой галогенных ламп необходимо использовать понижающий трансформатор на 12 вольт, они обеспечивают защиту источников света от перенапряжения и скачков энергии.Это устройство нормализует входящий электрический ток, в основном используется для небольших лампочек на 6, 12 и 24 В. Самые популярные марки: 55-TASCHIBRA, Comtech, Italmac, Relco, SET-110 LV для ламп Krypton 2 Year E60.
Фото — Схема трансформатора для галогенных лампСуществует два типа понижающих трансформаторов:
- Тороидальная обмотка;
- Электронный или импульсный.
Трансформатор главной обмотки максимально доступен и удобен в эксплуатации, имеет легкое подключение и хорошие показатели мощности.Принцип его действия заключается в соединении катушек устройства. Но у них есть довольно серьезные недостатки, это значительная масса, вес может достигать нескольких килограммов и огромные габариты. Из-за этого зона их использования очень узкая, чаще всего это либо нежилые помещения, либо производственные постройки (склады, ангары, базы и т. Д.). Кроме того, электромагнитный трансформатор во включенном состоянии очень сильно нагревается, что плохо влияет на галогенные лампы, и способствует появлению скачков напряжения в квартире, которые могут повредить другие электрические устройства, в том числе лампы накаливания, оргтехнику и т. Д.
Фото — Тороидальный трансформаторНизковольтный импульсный трансформатор также называют электронным. Имеет более широкий прицел из-за небольшого размера и небольшого веса. Также он хорошо трансформирует электричество и не нагревается при работе. Его недостатком можно считать высокую стоимость (цена варьируется от 500 до нескольких тысяч рублей). Есть модели таких трансформаторов, которые сразу продаются со встроенной защитой от перенапряжений и коротких замыканий, это помогает продлить работоспособность устройств.Их часто используют, если нужно разместить галогенные лампы в мебели или стенах. Принцип работы этих моделей отличается от тороидальных устройств; они преобразуют энергию за счет специальных устройств полупроводникового типа и универсальных электронных компонентов.
Фото — Электронный трансформатор в разборе
Подключение галогенных ламп через трансформатор — мероприятие не обязательное, но очень желательное, которое помогает сэкономить семейный бюджет, продлить срок службы лампочек и контролировать их работу.
Видео: трансформаторы галогенных ламп Osram
Расчет и подбор трансформаторов
Перед тем, как приступить к работе с устройством, необходимо рассчитать необходимую мощность трансформатора. На данный момент в любом магазине электротоваров можно купить устройства разной мощности, поэтому очень важно выбрать трансформатор по его параметрам. Вы должны быть максимально точными. покупать мощное устройство не рационально, а слишком слабое устройство может не справиться с поставленной задачей.
Предлагаем подумать, как правильно выбрать трансформатор для галогенных ламп:
Предположим, у вас в спальне есть 7 точечных галогенных ламп мощностью 30 Вт и напряжением 12 вольт. Сумма мощности всех осветительных приборов составит 210 Вт, из соображений безопасности добавляем к этому значению 10-15 процентов погрешности или запаса мощности — получаем 241 Вт. Получается, что для защиты галогенных ламп нужно покупать понижающий трансформатор не менее мощностью 240 Вт, характеристикой 12v (такие устройства марок OSRAM, Feron, Philips).Под эти характеристики подойдет круглый электромагнитный трансформатор мощностью 250 Вт (250Вт), напряжение 220/12.
Фото — Трансформатор для галогенных ламп
Всегда выбирайте наиболее близкое по величине значение, от этого зависит безопасность вашей семьи и долговечность ламп.
Трансформаторная установка
Для подключения понижающего трансформатора для нескольких галогенных ламп можно использовать два метода:
- Через одноклавишный переключатель;
- Путем создания отдельных групп электротоваров.
В этом случае потребуются провода синего и оранжевого цвета (в зависимости от страны-производителя устройства они могут незначительно отличаться по оттенкам), необходимо подключить к первичным клеммам L и N входа трансформатора или «Вход ». На противоположной стороне трансформатора галогенные осветительные приборы должны быть подключены к вторичным клеммам устройства понижения мощности. Это действие следует проводить только с медными жилами небольшого сечения, обеспечивающими минимальные потери энергии.
Фото — Feron Electronic Transformer
Главный совет: , чтобы свет галогенных ламп был одинаковым, нужно подбирать проводники, полностью идентичные друг другу, и соединять их только параллельно, сечение должно быть не менее полтора квадратных миллиметра. Также бывают случаи, когда в коде трансформатора не хватает клемм, их не хватает для подключения всех необходимых ламп. Для решения этой проблемы нужно покупать специальные дополнительные клеммы, их продажа осуществляется в любом магазине электротоваров.
Также нужно подобрать правильную длину проводов, в идеале она находится в пределах полутора трех метров, это оптимальное расстояние для передачи данных без образования помех и потерь энергии в проводниках. Кроме того, если сделать провод более длинным, он при работе начнет нагреваться, что является плохим фактором для галогенных лампочек, они будут гореть по-разному, и одни и те же лампы в одной группе будут иметь разную яркость. В том случае, если нет возможности сократить длину провода, нужно увеличить его сечение.Например, от 3-х метров до 4-х необходимо использовать провод сечением до 2,5 мм 2. Схема подключения питания следующая:
Фото — подключение трансформатора к выключателюРассмотрим еще один вариант подключения трансформаторов галогенных ламп.
Российский форум электриков считает этот метод более практичным и простым в использовании.
Необходимо разделить все светильники, находящиеся в одной комнате (или здании, если необходимо) на несколько групп.Допустим, всего семь лампочек, получаем две группы по 3 и 4 лампы в каждой. В этом случае для каждой группы нужно покупать трансформатор, как отдельные автоматы для разных устройств.
Фото — подключение трансформатора для галогенных лампЭто очень удобно, так как после прекращения работы любого трансформатора оставшийся будет работать без изменений. Исходя из предыдущих расчетов, их общая мощность составляет 210 Вт, получается, что на одну группу приходится 120 Вт (стоит покупать устройство на 150 Вт), а на вторую — 90 (каждая лампочка по 30 Вт).Подбираем трансформаторы, подходящие под эти требования (не забываем суммировать количество резервной мощности — 10-15%).
Раз в полгода проверять исправность трансформаторов. При необходимости провести плановый ремонт в Москве, Санкт-Петербурге и других городах; есть специальные учреждения, которые предоставляют такие услуги.
Галогенные лампы с каждым днем все чаще используются в отделке различных торговых комплексов и витрин. Яркие цвета, насыщенность в передаче изображения придают им все большую популярность.Срок их службы намного больше, чем у обычных ламп. Более того, они могут долго работать, не выключаясь. В галогенах используется нить накала, но процесс люминесценции, по сравнению с лампами накаливания, у них другой за счет заполнения баллона особым составом. Такие лампочки используются в различных светильниках, люстрах, кухонной мебели и имеют напряжение 220 и 12 вольт. Блок питания для галогенов с напряжением 12 вольт необходим, потому что при их непосредственном подключении к электрической сети произойдет короткое замыкание.
Технические характеристики
Галоген напряжение не только 220 а 12 вольт. В продаже можно найти лампочки на 24 и даже 6 вольт. Мощность тоже может быть разной — 5, 10, 20 Вт. Галогенные лампы от 220 В подключаются напрямую к сети. Те, которые работают от 12 В, требуют специальных устройств, преобразующих ток из сети в 12 вольт — так называемых трансформаторов или специальных блоков питания.
Очень хорошо работают галогены12 вольт. Раньше, в 90-е годы, применялся крупногабаритный трансформатор на 50 Гц, который обеспечивал работу только одной галогенной лампы.В современном освещении используются импульсные высокочастотные преобразователи. Они очень маленькие по размеру, но одновременно могут тянуть 2- 3 лампы.
На современном рынке есть как дорогие, так и дешевые блоки питания. В процентном соотношении дорого продается около 5%, причем намного дешевле. Хотя в принципе дороговизна не является гарантией надежности. К сожалению, в крутых преобразователях не используются качественные детали, а используются только сложные схемотехнические «навороты», способствующие нормальной работе блока питания хотя бы в течение гарантийного срока.Как только он закончится, устройство сгорит.
Классификация
Трансформаторы бывают электромагнитные и электронные (импульсные). Электромагнитные — доступны по цене, надежны, их можно изготовить при желании своими руками. У них тоже есть свои недостатки — приличный вес, большие габаритные размеры, повышение температуры при длительном использовании. А перепады напряжения значительно сокращают срок службы галогенных ламп.
Электронные трансформаторы намного меньше весят, имеют стабильное выходное напряжение, не сильно нагреваются, могут иметь защиту от короткого замыкания и плавный пуск, что увеличивает срок службы лампы.
Галогенные трансформаторы
Анализ будет проведен на примере блока питания компании «Ферон Немецкие Технологии». На выходе у этого трансформатора аж 5 ампер. Для такой маленькой коробки стоимость просто потрясающая. Корпус выполнен герметичным, без какой-либо вентиляции. Наверное, поэтому некоторые экземпляры таких блоков питания плавятся от тепла.
Схема преобразователя в первом варианте очень проста.Набор всех деталей настолько минимален, что выбросить что-то практически невозможно. При листинге видим:
- мост диодов;
- RC-цепь с динистором для запуска генератора;
- генератор, собранный по полумостовой схеме;
- понижающий трансформатор входного напряжения; Низкоомный резистор
- , служащий предохранителем.
При большом падении напряжения такой преобразователь «умрет» на 100%, принимая весь «удар» на себя.Все сделано из довольно дешевого набора деталей. Только к трансформаторам претензий нет, потому что они рассчитаны на длительный срок эксплуатации.
Второй вариант выглядит очень слабым и неполным. Резисторы R5 и R6 вставлены в цепи эмиттера для ограничения тока. При этом вообще не продумалась блокировка транзисторов на случай резкого увеличения тока (ее просто нет!). Сомнение вызывает электрическая схема (на схеме она красная).
Компания «Feron German Technology» производит галогенные лампы мощностью до 60 Вт. Сила тока блока питания на выходе 5 ампер. Это многовато для такой лампочки.
При снятии крышки обращайте особое внимание на размеры радиатора. Для выходных 5 ампер они очень маленькие.
Расчет мощности трансформатора для ламп и электросхема
Сегодня продаются разные трансформаторы, поэтому существуют определенные правила выбора необходимой мощности.Не стоит брать трансформатор слишком мощный. Он будет работать почти без дела. Недостаток питания приведет к перегреву и дальнейшему выходу устройства из строя.
Вы можете рассчитать мощность трансформатора самостоятельно. Задача более математическая и не по силам каждому начинающему электрику. Например, нужно установить 8-точечные галогены напряжением 12 В и мощностью 20 Вт. Суммарная мощность в этом случае составит 160 Вт. Берем с запасом примерно 10% и получаем мощность 200 Вт.
Схема №1 выглядит примерно так: на линии 220 стоит одноклавишный переключатель, при этом оранжевый и синий провода подключены к входу трансформатора (первичные выводы).
На линии 12 вольт все лампы подключены к трансформатору (к клеммам вторичной обмотки). Соединительные медные провода обязательно должны иметь одинаковое сечение, иначе яркость лампочек будет разной.
Еще одно условие: провод, соединяющий трансформатор с галогенными лампами, должен быть не менее 1.Длина 5 метров, лучше 3. Если сделать его слишком коротким, он начнет нагреваться и яркость лампочек уменьшится.
Схема №2 — для подключения галогенных ламп. Здесь можно поступить иначе. Разбейте, например, шесть ламп на две части. Установите на каждый понижающий трансформатор. Правильность такого выбора обусловлена тем, что при выходе из строя одного из блоков питания вторая часть ламп все равно продолжит работу. Мощность одной группы 105 Вт.С небольшим запасом прочности получаем, что вам необходимо приобрести два трансформатора по 150 Вт.
Совет! Подайте питание на каждый понижающий трансформатор своими проводами и подключите их в распределительной коробке. Оставьте места подключения свободно.
Переделка блока питания своими руками
Для работы галогенных ламп начали применять источники импульсного тока с высокочастотным преобразованием напряжения. При домашнем изготовлении и настройке нередко перегорают дорогие транзисторы.Поскольку напряжение питания в первичных цепях достигает 300 вольт, к изоляции предъявляются очень высокие требования. Все эти трудности можно обойти, адаптировав готовый электронный трансформатор. Он используется для питания галогенных ламп на 12 В в подсветке (в магазинах), которые питаются от стандартной розетки.
Бытует мнение, что получить импровизированный импульсный блок питания не составляет большого труда. Можно только добавить выпрямительный мост, сглаживающий конденсатор и регулятор напряжения.На самом деле все намного сложнее. Если подключить к выпрямителю светодиод, то при включении можно исправить только одно зажигание. Если выключить и снова включить конвертер, повторяется еще одна вспышка. Чтобы появилось постоянное свечение, необходимо на выпрямитель подвести дополнительную нагрузку, которая, забирая полезную мощность, превращала бы ее в тепло.
Один из вариантов самостоятельного изготовления импульсного блока питания
Описываемый блок питания может быть выполнен от электронного трансформатора мощностью 105 Вт.На практике этот трансформатор напоминает компактный импульсный преобразователь напряжения. Для сборки дополнительно потребуются согласующий трансформатор Т1, сетевой фильтр, выпрямительный мост VD1-VD4, выходной дроссель L2.
Схема биполярного блока питания
Такое устройство длительное время стабильно работает с усилителем НЧ мощностью 2х20 Вт. При 220 В и токе 0,1 А выходное напряжение будет 25 В, при увеличении тока до 2 ампер напряжение падает до 20 вольт, что считается нормальной работой.
В обход автоматического выключателя и предохранителей FU1 и FU2 ток течет к фильтру, который защищает схему от помех от импульсного преобразователя. Середина конденсаторов C1 и C2 подключена к экрану источника питания. Затем ток подается на вход U1, откуда низкое напряжение подается с выходных клемм на согласующий трансформатор T1. Переменное напряжение от другой (вторичной обмотки) выпрямляет диодный мост и сглаживает фильтр L2C4C5.
Самостоятельная сборка
Трансформатор Т1 изготавливается самостоятельно. Количество витков на вторичной стороне влияет на выходное напряжение. Сам трансформатор выполнен на кольцевом магнитопроводе К30х18х7 из феррита марки М2000НМ. Первичная обмотка состоит из сложенного пополам провода ПЭВ-2 диаметром 0,8 мм. Вторичная обмотка состоит из 22 витков провода ПЭВ-2, сложенного пополам. При соединении конца первой полуобмотки с началом второй получаем середину вторичной обмотки.Также мы производим дроссельную заслонку собственными силами. Он намотан на одном ферритовом кольце, обе обмотки содержат по 20 витков.
Выпрямительные диоды располагаются на радиаторе площадью не менее 50 кв. См. Обратите внимание, что диоды, в которых аноды подключены к отрицательному выходу, изолированы от радиатора слюдяными прокладками.
Сглаживающие конденсаторы С4 и С5 состоят из трех параллельно соединенных К50-46 емкостью 2200 мкФ каждый. Этот метод используется для уменьшения общей индуктивности электролитических конденсаторов.
На входе блока питания лучше установить сетевой фильтр, но возможна работа без него. В качестве дросселя сетевого фильтра можно использовать пеленгатор с частотой 50 Гц.
Все детали блока питания смонтированы на плате из изоляционного материала. Полученная конструкция помещается в экранирующий кожух из тонкого листа латуни или белой жести. Не забудьте просверлить в нем отверстия для вентиляции воздуха.
Правильно собранный блок питания не требует настройки и сразу начинает работать.Но на всякий случай можно проверить его работоспособность, подключив к выходу резистор 240 Ом с мощностью рассеивания 3 Вт.
Понижающие трансформаторы для галогенных ламп при работе выделяют очень большое количество тепла. Поэтому необходимо соблюдать несколько требований:
- Запрещается подключать блок питания без нагрузки.
- Установите агрегат на негорючую поверхность.
- Расстояние от блока до лампочки не менее 20 сантиметров.
- Для лучшей вентиляции установите трансформатор в нишу объемом не менее 15 литров.
Блок питания необходим для галогенных ламп, работающих от напряжения 12 вольт. Это своего рода трансформатор, понижающий входное 220 В до нужных значений.
Производство и продажа бытовых ламп накаливания запрещены в странах ЕС, но галогенные лампы (они также используют спираль накаливания, но регенерируются путем заполнения цилиндра специальным составом) все еще разрешены.Мы их активно используем, потому что все привозят из Китая, а на все запреты плевать. Галогены используются в качестве врезных светильников в подвесных потолках, в люстрах, в кухонной мебели и не только на кухне. Они бывают двух типов — 12 вольт и 220 вольт. Ну и энергопотребление тоже разное — 5, 10, 20 и более ватт. С лампами на 220 вольт все ясно: их просто подключают напрямую к сети, а для тех, которые работают от 12, нужен специальный прибор, преобразующий 220 вольт в 12.Кстати! Настоятельно рекомендую вообще не покупать и никогда не использовать «точечные» галогены на 220 вольт. У них феноменально низкая надежность даже у «крутых» фирм. Ну разве что если плавно поставить аппарат.
Но 12 вольт работают относительно надежно, другое дело, что в «игру» входит этот самый преобразователь. Еще в 90-е он был обычным трансформатором на 50 Гц, большим и тяжелым. Причем на каждую лампочку пришлось поставить свой отдельный трансформатор. В начале 90-х делал электрика в очень крутом (по тогдашним меркам) магазине автозапчастей, таких ламп в потолке было 30, от каждой было по два провода в специальной коробке, куда мы помещали трансформаторы.По данным на 2010 год, все трансформаторы работали, хотя лампочки, конечно, приходилось менять, хоть и редко. Сейчас такие трансформаторы тоже можно купить, но они дорогие — где-то около 20 долларов за штуку. И мало кто их покупает, а может и вообще никто. В обиходе — импульсные высокочастотные преобразователи! Маленькие, но те, которые тянут 50-60 Вт (как написано на корпусе), то есть к ним можно подключить 2-3 лампы.
Все бы хорошо, но! Преобразователи бывают двух типов — дешевые и дорогие.Не менее 95% рынка — это дешевые преобразователи. 5% — дорогое удовольствие, но высокая стоимость не является гарантией от поломок. В общем, скажу вот что: в настоящее время электронная промышленность могла бы просто производить феноменально надежные преобразователи, но их никто не производит, во всяком случае, я не сталкивался. Те, что дорогие, отличаются от дешевых не качеством деталей (они везде одинаковые), а какими-то схемными «прибамбасами», которые реально снижают вероятность выхода товара хотя бы в гарантийный период.И если дешевые преобразователи на 220-12 вольт 50-60 ватт стоят 3-4 доллара, то дорогие — 12-15, а то и больше.
Сегодня поговорим о ремонте дешевых, раз уж у меня их здесь десять. В общем, почти все предпочитают их выбросить, но смех в том, что, покупая новый дешевый преобразователь, вы не получаете никакой гарантии, что он не выйдет из строя через пару часов работы. А имея тестер, паяльник и руки, растущие из нужного места, можно быстро починить эти штуковины.А как китайские производители не додумались залить их эпоксидкой?
Вот они. Компания Ферон. Немецкая технология для низковольтных галогенных ламп. Ну в общем понимаешь, да? 60 Вт. То есть на выходе 5 ампер. Нехило, за такую мелочь. Правда, все не работают, но одна, как видите, даже растаяла. Учтите, что корпус герметичный, то есть вентиляции нет. Именно так и делают корпуса блоков питания для ноутбуков — они герметично склеены.Вот почему эти блоки вылетают пачками. В половине случаев причина — перегрев элементов. То же и хозяйственная лампа. Белая основа, на которой расположен контур, полностью герметична, хотя должна быть похожа на решетку. Вентиляция нулевая. Понятно, что это сделано для того, чтобы долго ничего не работало.
| |
Проводим вскрытие. Обращаем внимание на «радиаторы». А это то, что дает на выходе 5 ампер:
Рисуем схему:
| |
| |
| |
Схема преобразователя в варианте 1 феноменально проста.На самом деле — самое простое, что вы можете себе представить, здесь даже не выкинешь ни одного сделанного. Самый минимум работы. Диодный мост, RC-схема плюс динистор для запуска генератора, сам генератор собран по полумостовой схеме и понижающий трансформатор. На входе установлен низкоомный резистор, выполняющий роль предохранителя. Он должен героически сгореть в случае аварии; никакие другие защиты принципиально не предусмотрены. И все это собрано из самых дешевых их запчастей. Единственное, к чему претензий нет — это трансформаторы, они сделаны нормально.
Вариант 2 вообще мутный. Да, в цепи эмиттера вставили резисторы R5-R6, типа «ограничение тока», но это глупо и бессмысленно, если нет блокировки для транзисторов или другого способа прервать генерацию при превышении этого тока. И совершенно непонятно назначение схемы, выделенной красным. Какой-то местный китайский креатив.
Начинаем проверять детали омметром, не выпаривая их с платы:
- В 8 платах из 10 обнаруживаем, что сопротивление резистора R1 бесконечно.То есть перегорела. В некоторых случаях треснувший корпус даже виден. Это, собственно, со 100% вероятностью говорит о том, что сгорело 2 силовых транзистора (в этой схеме при перегорании одного автоматически сгорает второй). То есть сразу меняем и резистор, и транзисторы. Однако на всякий случай проверяем транзисторы (прямо на плате) и выясняем, что в некоторых блоках они странным образом вылетели: коллекторный переход имеет нулевое сопротивление, а эмиттерный — бесконечное.Значит, скорее всего, слетели и резисторы R3-R4 в цепи базы. Проверить омметром. Так и есть. Смотрим в «очки» — видим трещинки и отслаивающийся лак. Да, в схеме по варианту 2 конечно транзисторы в цепи эмиттера сломаны. Другого пути нет. Мы меняемся.
| |
| |
- Симметричный динистор V1 нельзя проверить омметром.Обычно он должен давать бесконечность в обоих направлениях. Но даже если он дает, не факт, что он работает. Однако в моей версии все 10 динисторов оказались рабочими.
- Конечно, о работе транзисторов с такими, так сказать «радиаторами», речи не идет. Усиливаем их и вырезаем кусок тела, чтобы создать естественное охлаждение. Трансы будут размещены в недоступном месте, поэтому вам не придется беспокоиться о безопасности. В крайнем случае надевайте термоусадочный кембрик.
- После всех замен и доработок включаем штуковину. Выгода! После часа эксплуатации на 20-ваттной лампочке радиатор еле прогрелся до 35 градусов. Это нормально. Хотя мой совет: эксплуатируйте эти трансформаторы максимум на 2/3 заявленной мощности. А лучше — половину.
| |
| |
| |
4.В двух других трансформаторах, собранных по варианту 1, неисправен конденсатор С1. Причем не сломалась, а высохла. То есть потерянная мощность. Я уверен, что это произошло из-за перегрева — учитывая тип конденсаторов, как правило, они плохо держат температуру.
О ремонте дорогих преобразователей на галогены расскажу в другой раз. В настоящее время я заканчиваю создание собственного преобразователя на основе этого Ферона, который, на мой взгляд, должен быть лишен всех явных недостатков и надежно работать.
Вы, конечно, можете задать себе вопрос — а зачем их вообще ремонтировать? Стоит ли платить за результат? Давайте посчитаем. Итак, у меня было 10 преобразователей. Каждый по 4 доллара. Итого — 40 долларов. 2 транзистора стоят 2 × 0,3 = 0,6 доллара. Резистор — 0,05 доллара. При этом не во всех преобразователях вылетали резисторы. В общем, весь ремонт обошелся в 6 долларов. Прибыль — 34 доллара и около двух часов работы. С дорогим — еще выгоднее.
В заключение представляю еще 2 схемы.Я нашел их в интернете, они похожи на мои, но все же разные.
| |
| |
При замене галогенных ламп на 12В в светодиодных точечных светильниках часто возникает вопрос: «А нужно ли менять источник питания?». Для галогенов применялись электронные трансформаторы с выходным напряжением 12 вольт, также продаются специальные блоки питания (БП) с выходным напряжением 12 вольт. В чем их разница и взаимозаменяемы ли они? Давайте разберемся!
Что такое электронный трансформатор?
Электронным трансформатором называют схему импульсного источника питания на основе трансформатора и высокочастотного генератора на основе полупроводниковых ключей.Они питаются от сети переменного тока 220 В, а на их выходе — переменное напряжение с эффективным значением около 12 В.
Блок-схема устройства представлена на рисунке ниже.
Здесь мы видим, что мощность 220В сначала подается на выпрямитель, после чего выпрямленное пульсирующее напряжение с частотой 100 Гц подается на силовой выключатель и узел генератора, рассмотрим пример типовой принципиальной схемы электронного трансформатора.
Здесь показана типичная двухтактная схема.Его особенность в том, что для работы ключей в режиме переключения (переключения) на высокой частоте им не нужны ни другие специализированные ИС. Проще говоря, работа генератора заключается в переключении транзистора в результате наведенных на обмотках импульсного трансформатора напряжений и положительной обратной связи.
Что мы видим на схеме? Первое, что бросается в глаза, — это отсутствие диодного моста на выходе, а значит, выходное напряжение переменное, а также отсутствие схем, предназначенных для стабилизации выходного напряжения.Подробнее о принципе их работы вы можете узнать, посмотрев видео:
Похожая схема лежит в основе большинства зарядных устройств для мобильных телефонов, включая энергосберегающие или компактные люминесцентные лампы в некоторых вариантах и некоторых улучшениях.
Рассмотрим формы выходных сигналов.
Видно, что переменное напряжение, амплитуда которого колеблется от нуля до + и — 17В. Такие изменения амплитуды с течением времени — повторяют пульсации выпрямленной сети (100 Гц).Получается интересная ситуация — есть высокочастотное выходное напряжение, которое изменяется с частотой в десятки тысяч герц, а его амплитуда колеблется от 0 до 17 вольт с частотой 100 Гц или выпрямленное 50 Гц. Если растянуть ось времени и рассматривать форму на уровне периодов, то картина примет следующий вид.
Здесь вы можете видеть, что сигнал по форме далек от синусоидальной волны, а скорее представляет собой прямоугольник с небольшим наклоном к заднему фронту.
Блоки питания для светодиодных ламп 12В
Их часто называют блоками питания для светодиодных лент, на самом деле для подключения и лент, и ламп нужен любой источник постоянного стабилизированного напряжения 12В с минимальной пульсацией. На практике в современном мире используются типовые схемы.
Или другой вариант:
Что общего у этих двух, казалось бы, разных схем? Они построены на интегрированном ШИМ-контроллере, управляющем переключателями мощности — транзисторами, они могут быть как полевыми, так и биполярными.Кроме того, в выходном каскаде схемы вы видите выпрямитель и конденсаторы для сглаживания пульсаций (фильтр). Все это означает, что на выходе мы получаем. Величина его пульсации будет зависеть от нагрузки и емкости фильтрующих конденсаторов.
Он также может быть реализован в самогенерируемой цепи, подобной электронному трансформатору, путем добавления цепей обратной связи для стабилизации выходного напряжения. В результате получилась такая схема.
Аналогичная конструкция используется в упомянутых выше зарядных устройствах для мобильных телефонов; здесь цепь обратной связи на стабилитроне VD9 на 11 В и транзисторной оптроне U1 отвечает за стабилизацию.
Принцип работы таких ИИП мы рассмотрели в статье ранее -.
5 особенностей и отличий БП для светодиодных лент и ламп от электронных трансформаторов для галогенных ламп
Итак, подведем итог и ответим на вопрос: «Почему нельзя запитать светодиодные лампы от электронного трансформатора?». Для этого мы перечислим основные характеристики этих блоков питания и требования к работе светодиодной продукции.
1. Для включения светодиодных лент и ламп 12В необходимо постоянное напряжение.Поскольку светодиоды имеют нелинейную вольт-амперную характеристику — они очень чувствительны к отклонениям питающего напряжения от номинального, а при его превышении быстро выходят из строя.
2. Электронные трансформаторы выдают пульсирующее переменное высокочастотное напряжение. Величина скачков и пиков в некоторых случаях может достигать 40 вольт. Это может привести к выходу из строя светодиодов или драйверов, встроенных в светодиодную лампу, а также к их нестабильной работе.
3. Электронные трансформаторы имеют такую характеристику, как минимальная нагрузка (см. Рисунок ниже).Это означает, что если вы подключаете нагрузку, меньшую, чем указано на блоке питания, она может либо не запуститься, либо давать большие пульсации, а также отключиться или иным образом отклониться от нормальной работы. Это критично, так как галогенные лампы потребляют во много раз больше энергии, чем светодиодные, поэтому электронный трансформатор может проявлять себя таким образом.
Мощность указана от 20 до 105 Вт, что указывает на ограничение минимальной подключаемой мощности.
4. Для источников питания для ламп 12 В выходное напряжение является как постоянным, так и стабилизированным.
5. Для питания галогенных ламп нет разницы по виду тока (постоянный или переменный), которым они будут питаться. Действующее значение напряжения на нем важно. Поэтому подходят для обоих вариантов источников питания.
Заключение
Сегодня электромеханики редко ремонтируют электронные трансформаторы. В большинстве случаев я сам не особо утруждаюсь реанимацией таких устройств просто потому, что обычно покупать новый электронный трансформатор намного дешевле, чем ремонтировать старый.Однако в противоположной ситуации — почему бы не сэкономить ради. К тому же не у всех есть возможность попасть в специализированный магазин, чтобы найти там замену, либо обратиться в мастерскую. По этой причине любой радиолюбитель должен уметь и знать, как в домашних условиях проверить и отремонтировать импульсные (электронные) трансформаторы, какие могут возникнуть неоднозначные моменты и как их разрешить.
В связи с тем, что не все обладают обширными знаниями по теме, я постараюсь представить всю имеющуюся информацию как можно доступнее.
Немного о трансформаторах
Рис. 1: Трансформатор.
Прежде чем перейти к основной части, сделаю небольшое напоминание о том, что такое электронный трансформатор и для чего он предназначен. Трансформатор используется для преобразования одного переменного напряжения в другое (например, 220 вольт в 12 вольт). Это свойство электронного трансформатора очень широко используется в электронике. Бывают однофазные (ток течет по двум проводам — фаза и «0») и трехфазные (ток течет по четырем проводам — три фазы и «0») трансформаторы.Основным существенным моментом при использовании электронного трансформатора является то, что при понижении напряжения ток в трансформаторе увеличивается.
Трансформатор имеет как минимум одну первичную и одну вторичную обмотки. Напряжение питания подключается к первичной обмотке, нагрузка подключается к вторичной обмотке или выходное напряжение снимается. В понижающих трансформаторах первичный провод всегда имеет меньшее поперечное сечение, чем вторичный. Это позволяет увеличить количество витков первичной обмотки и, как следствие, ее сопротивление.То есть при проверке мультиметром первичная обмотка показывает сопротивление во много раз большее, чем вторичная. Если по каким-то причинам диаметр провода вторичной обмотки небольшой, то по закону Джоуля-Ленса вторичная обмотка перегреется и сгорит весь трансформатор. Неисправность трансформатора может заключаться в обрыве и / или коротком замыкании (коротком замыкании) обмоток. При обрыве мультиметр показывает единицу сопротивления.
Как проверить электронные трансформаторы?
На самом деле, чтобы разобраться с причиной поломки, не нужно обладать огромным объемом знаний, достаточно иметь мультиметр (стандартный китайский, как на рисунке 2) и знать, какие цифры должны быть у каждого компонента. выход (конденсатор, диод и т. д.)) г.).
Рисунок 2: Мультиметр.
Мультиметр может измерять постоянное, переменное напряжение, сопротивление. Также он может работать в режиме набора номера. Желательно, чтобы щуп мультиметра был обернут липкой лентой (как на рисунке 2), это защитит его от обрывов.
Для того, чтобы правильно прозвонить различные элементы трансформатора, рекомендую все же их припаять (многие пытаются обходиться без этого) и осмотреть отдельно, иначе показания могут быть неточными.
Диоды
Нельзя забывать, что диоды звенят только в одном направлении. Для этого мультиметр устанавливается в режим набора номера, красный щуп прикладывается к плюсу, черный — к минусу. Если все в норме, то устройство издает характерный звук. При прикладывании щупов к противоположным полюсам вообще ничего не должно происходить, а если это не так, то можно диагностировать пробой диода.
Транзисторы
При проверке транзисторов их тоже нужно спаять и вызвать переходами база-эмиттер, база-коллектор, выявив их проходимость в одном и другом направлении.Обычно задняя часть железа играет роль коллектора в транзисторе.
Обмотка
Не забудьте проверить обмотку, как первичную, так и вторичную. Если есть проблемы с определением, где находится первичная обмотка, а где вторичная, помните, что первичная обмотка дает большее сопротивление.
Конденсаторы (радиаторы)
Емкость конденсатора измеряется в фарадах (пикофарадах, микрофарадах). Для его исследования также используется мультиметр, на котором выставлено сопротивление 2000 кОм.Положительный щуп прикладывается к минусу конденсатора, отрицательный к плюсу. На экране должны появиться увеличивающиеся числа, почти до двух тысяч, которые заменяются единицей, обозначающей бесконечное сопротивление. Это может указывать на исправность конденсатора, но только в отношении его способности накапливать заряд.
Еще один момент: если во время набора номера возникает путаница с тем, где находится «вход», а где «выход» трансформатора, вам просто нужно перевернуть плату на тыльной стороне на одном конце на плате вы увидите небольшую отметку «SEC» (вторая), которая указывает выход, а на другой «PRI» (первая) — вход.
А еще не забывайте, что электронные трансформаторы нельзя запустить без загрузки! Это очень важно.
Ремонт электронного трансформатора
Пример 1
Возможность попрактиковаться в ремонте трансформатора представилась не так давно, когда мне принесли электронный трансформатор от потолочной люстры (напряжение — 12 вольт). Люстра рассчитана на 9 лампочек по 20 Вт каждая (всего — 180 Вт). На упаковке от трансформатора тоже значилось: 180 Вт.Но отметка на плате гласила: 160 Вт. Страна производитель — конечно же, Китай. Стоимость аналогичного электронного трансформатора составляет не более 3 долларов, и это на самом деле довольно много по сравнению со стоимостью остальных компонентов устройства, в котором он был задействован.
В полученном мной электронном трансформаторе перегорела пара ключей на биполярных транзисторах (модель: 13009).
Рабочая схема представляет собой стандартную двухтактную схему, на место выходного транзистора установлен инвертор Thor, у которого вторичная обмотка состоит из 6 витков, а переменный ток сразу перенаправляется на выход, то есть в лампы.
У таких блоков питания есть очень существенный недостаток: нет защиты от КЗ на выходе. Даже при коротком замыкании выходной обмотки можно ожидать очень впечатляющего взрыва схемы. Поэтому рисковать таким образом и замыкать вторичную обмотку категорически не рекомендуется. Вообще по этой причине любители радиолюбителей не любят общаться с электронными трансформаторами такого типа. Однако некоторые наоборот пытаются доработать их самостоятельно, что, на мой взгляд, очень хорошо.
Но вернемся к делу: поскольку плата потемнела прямо под клавишами, не было сомнений, что они вышли из строя из-за перегрева. Более того, радиаторы не очень активно охлаждают коробку корпуса, заполненную многими деталями, и даже накрываются картоном. Хотя, судя по исходным данным, тоже была перегрузка на 20 Вт.
Из-за того, что нагрузка превышает возможности источника питания, достижение номинальной мощности практически эквивалентно отказу.Тем более в идеале, с расчетом на длительную работу, мощность БП должна быть не меньше, а вдвое больше, чем необходимо. Вот она такая китайская электроника. Снизить уровень нагрузки, сняв несколько лампочек, не удалось. Поэтому единственным подходящим, на мой взгляд, вариантом исправления ситуации было наращивание радиаторов.
Чтобы подтвердить (или опровергнуть) свою версию, я запустил плату прямо на стол и подавал нагрузку с помощью двух парных галогенных ламп.Когда все было подключено, я намазал радиаторы немного парафином. Расчет был такой: если парафин расплавится и испарится, можно гарантировать, что электронный трансформатор (хороший, если только он) сгорит менее чем за полчаса работы из-за перегрева. Через 5 минут эксплуатации воск не растаял, оказалось, что основная проблема связана с плохой вентиляцией, а не с неисправностью радиатора. Самое элегантное решение проблемы — просто поместить под электронный трансформатор еще один более вместительный корпус, который обеспечит соответствующую вентиляцию.Но я предпочел подключить радиатор в виде алюминиевой полосы. Собственно, этого оказалось вполне достаточно, чтобы исправить ситуацию.
Пример 2
В качестве еще одного примера ремонта электронного трансформатора хотелось бы рассказать о ремонте устройства, обеспечивающего снижение напряжения с 220 до 12 Вольт. Применялись галогенные лампы на 12 вольт (мощность — 50 Вт).
Рассматриваемый экземпляр перестал работать без каких-либо спецэффектов.До того, как он оказался в моих руках, несколько мастеров отказались с ним работать: одни не смогли найти решение проблемы, другие, как уже было сказано выше, посчитали это экономически нецелесообразным.
Для очистки совести проверил все элементы, дорожки на плате, нигде обрывов не обнаружил.
Тогда решил проверить конденсаторы. Диагностика мультиметром вроде прошла успешно, однако с учетом того, что накопление заряда происходило аж за 10 секунд (это многовато для конденсаторов такого типа), возникло подозрение, что проблема в в этом.Заменил конденсатор на новый.
Здесь необходимо небольшое отступление: на рассматриваемом корпусе электронного трансформатора имелось обозначение: 35-105 ВА. Эти показания указывают на то, при какой нагрузке устройство может быть включено. Включить его без какой-либо нагрузки (или, по-человечески, без лампы), как было сказано ранее, невозможно. Поэтому я подключил к электронному трансформатору лампу на 50 ватт (то есть значение, попадающее между нижним и верхним пределами допустимой нагрузки).
Рис. 4. Галогенная лампа мощностью 50 Вт (упаковка).
После подключения никаких изменений работоспособности трансформатора не произошло. Потом еще раз полностью осмотрел конструкцию и понял, что во время первого теста не обратил внимания на термопредохранитель (в данном случае модель L33, ограничение на 130С). Если в режиме дозвона этот элемент дает единицу, то можно говорить о его неисправности и обрыве. Изначально термопредохранитель не проверялся по той причине, что с помощью термоусадки он плотно прилегает к транзистору.То есть для полной проверки элемента нужно избавиться от термоусадки, а это очень трудоемко.
Рис. 5: Термопредохранитель, прикрепленный к транзистору с помощью термоусадки (белый элемент, на который указывает ручка).
Однако для анализа работы схемы без этого элемента достаточно замкнуть его «ножки» на обратной стороне. Что я и сделал. Электронный трансформатор сразу заработал, и произведенная ранее замена конденсатора не была лишней, так как емкость установленного до этого элемента не соответствовала заявленной.Причина, вероятно, заключалась в том, что он был просто измучен.
В итоге заменил термопредохранитель, и ремонт электронного трансформатора можно считать завершенным.
Пишите комментарии, дополнения к статье, может я что то упустил. Взгляните на него, буду рад, если вы найдете на моем еще что-нибудь полезное.
РЕМОНТ БОЛЕЕ СОВРЕМЕННЫХ СИСТЕМ ОСВЕЩЕНИЯ
Zeiss Laboval 4, основание открыто для демонстрации источника питания подсветки
Крупным планом
Печатная плата блока питания четыре транзистора, одна интегральная схема, два
предохранители, три подстроечных элемента,
и четыре круглых штуковины, которые я не могу идентифицировать (левая сторона
мостовой выпрямитель ??).
… и все, чтобы зажечь одну лампочку
Эта статья является продолжением Части I, в которой обсуждался ремонт Схема управления освещением Nikon S, а также аналог очень раннего блоки питания электронных микроскопов. Здесь мы обсуждаем принципы, лежащие в основе более современные системы освещения микроскопов и предложения по устранению дугового освещения схемы в объемах этого урожая.
Простое исправление, описанное в Части I, хорошо работало для несложных, Схема управления яркостью 1970-х годов на Nikon S и, вероятно, будет применимо к аналогичным ранним системам освещения микроскопов. К сожалению, наибольшее количество качественных используемых микроскопов более позднего выпуска, используйте больше сложные электронные системы управления, и их сложнее отремонтировать.
Удаление базовой пластины из микроскопа нового поколения, скорее всего, выявить печатную плату с рядом небольших конденсаторов, резисторов, катушки, транзисторы и интегральные схемы.Показан блок питания Laboval 4 приведенный выше является сложным, с некоторыми очень русскими компонентами. Построен на востоке В Германии в конце 1980-х — начале 1990-х годов Laboval 4 построен как российский бак и имеет отличную оптику, но покупка запасных электронных частей будет почти невозможно. Вы можете понять, почему прицел этого типа был бы списан, если взорвался блок питания.
Кроме того, какое отношение все эти электронные штуковины имеют к работе лампочка? Я должен признать, что почти ничего не знал о блоки питания электронного микроскопа, и тосковал по старому доброму автотрансформатору при падении может сломать палец.Однако, если ваш блок питания выходит из строя и вы столкнулись с необходимостью ремонта или покупки нового прицела, не сдавайтесь. Эта маленькая загадочная печатная плата в основании использует стандартные цепи, и источник питания может быть восстановлен или заменен более легко, чем вы могли бы считать.
РАЗРАБОТКА НОВОГО ИСТОЧНИКА ЛАМПЫ:
В течение десятилетия после Nikon S-Kt производители микроскопов усердно работали над тем, чтобы втиснуть меньшую, но столь же мощную систему освещения в основание микроскопа и исключить внешнее питание.Поскольку трансформатор самый большой и самый тяжелый элемент в источнике питания подсветки, это означало уменьшение размер трансформатора при сохранении мощности.
Решением стал так называемый электронный трансформатор, на самом деле неправильное название для импульсного источника питания или SMPS. Не позволяйте причудливому имени напугать вас; этот тип источника питания является результатом гениальной, но простой концепции и состоит из основных компонентов схемы. Основная идея заключается в том, что размер трансформатора для данной мощности обратно пропорционально частота, на которой он работает.Итак, трансформатор, работающий на частоте 300 Гц (или 300 Гц). циклов в секунду) теоретически может быть 1/5 размера и веса аналогичного, старомодный блок, работающий на частоте 60 Гц или сети переменного тока.
Электронный трансформатор от 220 до 12 В. Это всего несколько дюймов в длину и весит несколько унций.
Этот тип источника питания работает путем преобразования переменного тока 110 В или 220 В. в постоянный ток, а затем преобразуя его обратно в переменный ток через простая транзисторная схема переключения, но с более высокой частотой.Этот повторно изготовленный переменный ток более высокой частоты может затем пройти через меньший по размеру и очень эффективный трансформатор с понижением напряжения подходит для питания лампы накаливания или галогенной лампы. Многие из малых расходные материалы работают на довольно высоких частотах 20 000-50 000 Гц; они, таким образом, вполне эффективны, и любые создаваемые помехи значительно превышают порог человеческий слух.
Схема для выпрямления переменного тока в постоянный с последующим его инвертированием. вернуться к более высокочастотному переменному току, который можно преобразовать во все, что вам нужно (как инвертор от 12 В до 110 В, который можно купить в хозяйственном магазине) легкий и компактный, а конечный трансформатор в разы меньше и весит старый блок 60 Гц.Переменный ток ==> постоянный ток ==> переменный ток высокой частоты ==> переменный ток низкого напряжения переходы для ламп обрабатываются на доске длиной несколько дюймов и весом всего несколько унций. Для ламп накаливания или галогенных ламп выход низкого напряжения может быть лампы переменного или постоянного тока с нитью накаливания не заботятся что они едят на ужин. Для устройства, работающего только на постоянном токе, последний шаг: добавлен в виде второго мостового выпрямителя для преобразования переменного тока низкого напряжения в сглаженный DC:
Упрощенная схема импульсного источника питания постоянного тока со вторым мостовой выпрямитель, преобразующий выход переменного тока низкого напряжения в постоянный ток низкого напряжения
Конденсаторы фильтра накапливают энергию в виде выпрямленного постоянного тока. пульсирует, поглощая энергию во время пиков и высвобождая ее в долинах, подобно тому, как старый пруд обеспечивал постоянный поток воды на мельницы водяное колесо.Результатом является плавное выходное напряжение постоянного тока.
Так как твердотельные компоненты (интегральные схемы, транзисторы и диоды) теперь могут производиться серийно за несколько центов, крошечные источники питания SMPS настолько дешевы и удобны тем, что они используются для питания большинства небольших электронных устройств зарядные устройства, сотовые телефоны, планшеты, часы, лампы и т. д. и многое другое. в домах по меньшей мере дюжина прячется в розетках и за бюро.А Дома с множеством электронных штуковин может быть сотня таких маленьких устройств. В На электронном сленге эта небольшая разновидность, устанавливаемая на розетку, называется настенной бородавкой. Это насмешливое прозвище возникло из-за того, что старые, большие зарядные устройства занимать место на розетках и удлинителях и быть достаточно тяжелыми, чтобы упасть через определенные промежутки времени на пол, разбивая инструмент, который они поставляли. Современные зарядные устройства SMPS намного меньше и легче, чем линейные конструкции двадцатилетней давности, за которыми с помощью громоздкого трансформатора последовали выпрямителем и фильтром, часто выпадающим из розетки.
Стеновые бородавки: Старый линейный трансформаторный блок питания (внизу) висящий
от розетки, по сравнению с современным крошечным iPhone SMPS (вверху)
Однако не следует принижать более старый линейный блок питания. В термин линейный относится к источнику питания, который, в отличие от SMPS, не преобразует и преобразовать электричество из переменного в постоянный в переменный, изменив тип тока И частота И напряжение.Источники питания SMPS завоевали большинство потребителей. приложений из-за их небольшого размера, легкого веса, низкой стоимости и высокой эффективность. Однако их компоненты постоянно работают как крошечные переключатели; следовательно, они имеют более высокий уровень шума и более плохую регулировку напряжения. В старый линейный (трансформатор ==> выпрямитель ==> фильтр) источник питания, названный потому что его компоненты работают в линейной фазе своего рабочего изгибы, по своей природе тяжелее и выделяет больше тепла, но имеет меньше шума накладывается на выходной ток, лучшее регулирование и более быстрое восстановление кратковременные скачки напряжения в сети.Они все еще используются там, где очень чистые, низкие шум, требуется очень жестко регулируемый токовый выход. Диаграмма сравнения особенности двух систем можно найти на сайте Acopian.
С точки зрения микроскопистов, крошечные, но мощные источники питания и галогенные лампы позволили получить более компактные, легкие телескопы и более яркое освещение без громоздкие силовые трансформаторы. ОДНАКО обратной стороной этого нововведения было то, что эти неуклюжие, но прочные трансформаторы были заменены электронными компонентами с гораздо более неопределенной продолжительностью жизни.Их может быть трудно заменить после прошло несколько лет (один сервисный специалист изо всех сил пытается найти запчасти для некоторых модели двенадцатилетней давности), и первое поколение этих электронных систем сейчас приближается к 50-летней отметке.
ЗАМЕНА НЕИСПРАВНОГО ОСВЕЩЕНИЯ:
Есть три альтернативы отремонтировать взорванный электронный блок питания: переместить к простому внешнему источнику питания, купите блок питания, который подойдет, или изготовьте индивидуальный небольшой блок питания и управления, который умещается в том же пространстве, что и старый блок. Создание внешнего источника питания обсуждалось в первой части: дешевый диммер, управляющий Трансформатор на 6 В или 12 В, возможно, используемый для дверного звонка и доступный в местный магазин товаров для дома. Купить новый блок питания проще всего, и это дешевый и стандартизованный этот маленький SMPS работает на входе 85-265 В переменного тока, выдает 12 В. Постоянный ток на один ампер и стоит 8,40 доллара на Amazon Prime:
.Возможно, придется выяснить, как подключить потенциометр регулировки интенсивности света микроскопов к цепи, но это дешевое предварительно упакованное исправление, если запас умещается в пространстве, доступном в база.Эти небольшие блоки питания доступны в интернет-магазинах в самых разных странах. разнообразие комбинаций мощности и выходного напряжения. У некоторых есть затемнение функции уже встроены, и предназначены для замены блоков питания для одиночные галогенные лампы:
6 В, Сменный блок питания галогенной лампы 30 Вт с регулируемой яркостью, $ 22,99 на eBay
Если вы покупаете обычный блок питания, попробуйте заплатить немного больше и получить его от надежного производителя.Доступно множество дешевых электронных устройств. на онлайн-рынке, но многие из них имеют зарубежное происхождение, плохо сконструированы с использованием некачественных компонентов, плохо спроектированы и вызывают шок опасность (см. Эллиот).
Одно очень дешевое решение — поискать старый компьютер или принтер. подавать соответствующее напряжение. Это может потребовать значительной изобретательности и поиск, но их можно легко найти в комиссионных магазинах или в Армии Спасения. магазины.В зависимости от схемы питания его выход может быть затемнен. с реостатом с низким сопротивлением на стороне низкого напряжения, или подходящим 110 или Диммер 220 вольт на линии. Блок питания может быть установлен в пластиковый корпус, или открыт и цепи сняты. Более старый источник питания линейного типа может быть легче приглушить. Возможно, придется попробовать два-три сберегательных магазина мощности расходные материалы, пока не найдете тот, который работает. Вы можете даже подумать о покупке старая галогенная настольная лампа переменной интенсивности в комиссионном магазине и на пересадке блок питания.
СТРОИТЕЛЬСТВО ЗАМЕННОЙ ЛАМПЫ ИСТОЧНИК ПИТАНИЯ:
Восстановить блок питания или собрать его с самого начала — это немного сложнее сложно, но это можно сделать даже со скромным электронным опытом. Ты можешь быть возможность очистить и использовать печатные платы соответствующей формы от старых система освещения. В зависимости от системы освещения микроскопа, в Интернете есть множество адаптируемых базовых схем; они могут используйте два транзистора, тиристоры или небольшую интегральную схему для переключения схема, так как существует несколько способов настройки этой простой схемы. В приведенной ниже схеме используется мостовой выпрямитель (слева) для выработки постоянного тока от 220 В. сеть переменного тока, затем используются интегральная схема IR2153 и два полевых МОП-транзистора IRF840 (металлические Oxide Semiconductor Field Effect Transistor) устройства для быстрого прерывания постоянного тока. частота переменного тока; последний затем понижается небольшим трансформатором на право зажечь галогенную лампочку.
Учитывая множество вариаций в пространстве и схемах, используемых микроскопом производителей, нет единого исправления, которое можно было бы адаптировать к любой винтажной прицеле.Создание запасного источника освещения потребует немного изобретательности и возможно, посещение вашего местного магазина электроники (НЕ магазина бытовой радиостанции в торговый центр вам нужен НАСТОЯЩИЙ магазин электроники со стойками оборудования и, возможно, немного пыли по углам). Какую схему вы будете использовать, будет зависеть от доступных материалы и компоненты, какие советы вы найдете, где вы живете и как много энергии нужно вашему свету. Поиск действительно простого источника питания с регулируемой яркостью схема для одиночной галогенной лампы — задача не из легких; Вышеупомянутая схема — одна из наименее сложных.Но на самом деле создание одного из этих блоков питания не ракетостроение и даже может быть сделано как первый проект в области электроники.
Это пример крошечной самодельной галогенной лампы источника питания SMPS. присмотритесь, и вы увидите, что проводка и пайка довольно грубые, но работает:
В этом небольшом самодельном импульсном блоке освещения для цепи используются два тиристоры (или, возможно, полевые МОП-транзисторы, все они выглядят одинаково) и небольшой встроенный схема.Обратите внимание, насколько это компактно, чтобы его можно было вставить в ограниченное пространство в основании микроскопа и работа со старой лампой и линзами.
Шестьдесят лет назад это устройство было бы совершенно непрактичным, с электронные лампы и блоки питания для них, занимающие пространство упаковочного ящика, устройство весом 70-100 фунтов, потребляющее больше электроэнергии для нагрева нитей чем было произведено, и
выделяет огромное количество тепла.Это свидетельство современной микроэлектроники, что практично преобразовывать и повторно преобразовывать мощность нескольких раз таким образом, и что процесс может происходить в пакете размером и стоимость коробки леденцов.
Для тех, для кого это новая информация, концепции, лежащие в основе электронные блоки питания очень просто и последовательно объясняются на Сайт Williamson Labs.
Обратите внимание на это особенно: если вы думаете, что все это далеко от глядя на маленькие извивающиеся предметы и моргая комарами в болоте, вы верно.Беглый взгляд на приведенные выше спецификации для таких компонентов, как IC и MOSFET быстро убедили меня, что я лучше просто сижу и аплодирую чем пытаться понять, что происходит во всех этих маленьких черных штучках. НО если это позволит мне купить Zeiss или Olympus исследовательского уровня с взорванной электроникой за 200 долларов, а затем пусть он будет лежать у меня на скамейке, чтобы использовать каждый день, оно того стоит. И вам не обязательно это понимать, кроме как в общем смысле. Ты только нужно знать достаточно, чтобы спаять провода и закрыть корпус.
Если же вы захотите узнать больше об этих вездесущих и удивительные маленькие устройства, прочтите Ken ShirriffS анализ мощности Apple iPhone поставка (маленький белый кубик на изображении выше). Его описание того, как SMPS (включая трансформатор), со сложной регулировкой напряжения и Защита от перегрузки, сжатый в один дюймовый пластиковый куб, завораживает. Изображения ниже любезно предоставлены Mr.Ширрифф:
На изображениях выше показано, как изобретательно каждый кубический миллиметр был использован в куб iPhone, а также сложность схемы SMPS для обработки разнообразие грузов с разумной регулировкой в таком крошечном пространстве. К счастью, системы освещения микроскопов могут быть гораздо более простыми и менее простыми. занимают много места, с простыми схемами, которые не нужно адаптировать к такой множественность обстоятельств.
Надеюсь, эта информация поможет раскрыть тайну микроскопа. источники питания. Интересно, сколько сложных микроскопов вошло в мусорное ведро или разобран на запчасти, потому что владельцы предположили, что сломанный блок питания был непоправимым? Я хотел бы предложить одно простое, всеобъемлющее решение, которое заменит блок питания для всех полусовременные микроскопы, достаточно новые, чтобы иметь электронное освещение расходные материалы, но достаточно старые, поэтому запасных частей уже нет.
К сожалению, то, что подойдет для замены блока питания, продиктовано пространство, требования к мощности и напряжению лампы, подручные материалы, ваш опыт работы с инструментами и, в конечном итоге, ваш бюджет и терпение. Там есть нет единого универсального исправления. Изобретательность и импровизация глуши часто являются необходимые элементы для спасения сложного прицела с плохой электроникой. Дело в том, что эти блоки питания 20-30-летней давности можно заменить или перестроены, и они не загадочные, незаменимые устройства.Если у вас есть идея того, как эти схемы работают и готовы нырнуть, ваша награда будет функционирующий, классический микроскоп и удовольствие от прекрасного оборудование, которое вы восстановили.
Когда все было просто: старинные источники света микроскопа Спенсер на слева, справа АО
Эта статья является продолжением части III, в которой рассматривается преобразование светодиодов. Разберем устройство и принцип работы светодиодов, обсудим как питать и регулировать их, узнать, почему они НЕ являются лампочками, и включить некоторые из немногих статей, описывающих, как классические прицелы были адаптированы для использования Светодиоды.
Гарантия на трансформатор составляет 2 года. Да. Есть два типа U.L. списки, перечисленные компоненты и перечисленные стандарты. Компоненты обозначены обратным символом «UR». Это означает, что трансформатор является частью устанавливаемого на заводе приспособления или должен использоваться в качестве замены. Выносные трансформаторы требуют внесения в список UL и поставляются в утвержденном корпусе. Трансформатор класса II ограничен мощностью не более 60 Вт. Это устройство с низким энергопотреблением, которое считается «изначально ограниченным и искробезопасным». Встроенный предохранитель изолирует первичные и вторичные цепи.Вторичная проводка от трансформатора класса II не требует использования кабелепроводов и зажимов в соответствии с разделом 3 NEC. Этот трансформатор требуется для кнопочных светильников HR-88 и миниатюрных встраиваемых светильников для шкафов. Просто используйте несколько трансформаторов; нет большой разницы в стоимости между использованием нескольких блоков малой мощности и одного блока большего размера. К одному коммутатору можно подключить несколько трансформаторов, которые будут работать вместе (см. Схему в конце раздела). 6 футов.Да, шнур можно отсоединить, чтобы он проходил через отверстия меньшего размера. Трансформатор имеет встроенный кулисный переключатель включения / выключения. .
Для работы электронных трансформаторов требуется минимальная нагрузка. Вы должны оставаться в пределах указанного минимального и максимального диапазона для правильной работы трансформатора. Поскольку наши трансформаторы работают с высокой частотой, большинство измерителей напряжения не могут измерить напряжение.Необходим истинный измеритель RMS с возможностью 20 кГц. Вы можете загрузить трансформатор на максимальную мощность. Например, блок EN-1260-RB-AR рассчитан на 60 Вт, вы можете использовать его до максимальной мощности 60 Вт. То же самое относится ко всем остальным юнитам. «AR» означает автоматический сброс. Есть три основных особенности:
Чтобы свести к минимуму падение напряжения и уменьшить светоотдачу, трансформатор следует располагать как можно ближе к прибору.Обычно приемлемо падение на 5% или меньше. Приведенная ниже диаграмма представляет собой ориентир, позволяющий удерживать падение ниже 5%.
Проверьте расстояние последнего приспособления от трансформатора.См. Рекомендации в таблице выше. Чем дальше расстояние между приспособлением и трансформатором, тем больше падение напряжения. Это одна из возможных причин. Другая возможность состоит в том, что вы используете слишком большой трансформатор, не отвечающий требованиям минимальной нагрузки. Наконец, слабое соединение также может вызвать мерцание. Все диммеры создают шум от лампы, трансформатора или самого диммера. Громкое жужжание — сигнал о несовместимости диммера и трансформатора. Слабый тихий гул — это нормально.Будет ли шум нежелательным, зависит от того, что вы затемняете, насколько тихо в комнате, сколько звука поглощают мебель и поверхности и насколько чувствителен покупатель. 15. При низком напряжении (12 В), например, в доме на колесах или на лодке, потребуется ли мне трансформатор для моих светильников? Большинство жилых домов на колесах и лодок работают под напряжением 12 В. Трансформаторы не нужны. Упрощает подключение нескольких низковольтных устройств к трансформатору. Вместо кучи проводов к проволочной гайке, его можно сделать намного аккуратнее и обеспечить лучшее соединение с MTB-01.MTB-01 может вместить до 6 светильников. Выходные (12 В) провода подключаются к входной клемме MTB-01, обозначенной буквой «A». Между тем, провода от 6 светильников подключаются к 6 выходным клеммам MTB-01, отмеченным от «B» до «G». См. Инструкции по установке для получения подробной информации о проводке. |
Низковольтные галогенные трансформаторы света [адаптер переменного тока 12 В]
Hatch PS1260 (12 означает 12 вольт, 60 означает 60 ватт) может использоваться с любыми галогенными лампами Hera на 12 вольт.Его также можно использовать с галогенными лампами других производителей на 12 В. Но для наших пояснений мы будем обращаться только к Hera Lighting.
ПЯТЬ 12-вольтных трансформаторов Hera прошлого были: E60T и OMN60LT, которые выпускались с 1990-х по 2004 год. Если у вас есть один из них, у вас очень старый трансформатор. И тонны из них все еще используются. У нас есть клиенты, которые постоянно ищут замену этим двум. По прошествии 20 с лишним лет многие из них достигают конца своей жизни. Примерно в 2004 году эти два трансформатора были заменены обновленными версиями, которые были всего 1/2 дюйма в высоту и их легче было спрятать под шкафами, где обычно устанавливаются светильники.Старые высокие трансформаторы были сплющены и растянуты немного дольше. Так были созданы UE-E60FT и UC-60FT. Оба они были трансформаторами на 60 Вт и работали точно так же, как и предыдущие модели. Hera также представила UK-120-TW в то же время, потому что они предлагали много комплектов из 5 ламп, а трансформатор на 120 Вт был способен поддерживать до шести из 20-ваттных галогенных ламп. UK-120-TW технически был двойным 60-ваттным. У него было две клеммные колодки и ограничение по 60 Вт с каждой стороны.
Итак, ПЯТЬ трансформаторов Hera были: E60T, OMN60LT, UE-E60FT, UC-60FT и UK-120-TW. Все эти трансформаторы работали одинаково. В премиальные модели была добавлена функция RFI, но все они работали со всеми галогенными и ксеноновыми фарами Hera. У всех был одинаковый клеммный блок «папа / мама» на выходном конце трансформатора. Все выдавили 11,5 вольт, чтобы скромные шипы не доходили до огней. (Hatch PS1260 также имеет выходное напряжение 11,5 В.) Все трансформаторы Hera имеют защиту от перегорания и перегрузки.Эти две защиты значительно продлили срок службы трансформатора. Если трансформатор станет слишком горячим, он выключится вместо того, чтобы перегореть. Если вы попытались подключить более 60 Вт нагрузки, трансформаторы отказывались включаться. По сути, у них были правила, и они заставляли вас им следовать.
Для приложений с несколькими трансформаторами, если два трансформатора будут установлены слишком близко друг к другу, тепло от одного может заставить другой отключиться. Мы всегда советуем оставлять между трансформаторами не менее 8 дюймов.
На помощь приходит трансформатор Hatch
Это наш новый электронный трансформатор на 12 вольт. Это трансформатор класса 2, внесенный в список UL. Входное напряжение — 120 вольт, выходное — 11,5 вольт, как и у трансформаторов Hera. Однако у него вилка с 3 контактами, а у Hera — только вилки с 2 контактами. И заглушка встроена в корпус. К нему прилагается выходной провод длиной 10 футов, к которому будут подключаться галогенные лампы. С вашей стороны потребуется небольшое количество сращивания проволоки.
Ниже мы покажем несколько изображений о том, как, если у вас умер трансформатор Hera, вы можете удобно использовать клеммную колодку от него для подключения к трансформатору Hatch.
Топ-3 проблем ландшафтного освещения с низким напряжением и их решения
Давайте разберемся с тремя основными проблемами ландшафтного освещения, которые мы наблюдаем.
Давайте будем откровенны и откровенны: ничто не бывает на 100% идеальным все время, и у всех есть проблемы. Большинство честных компаний прилагают все усилия, чтобы свести к минимуму сбои и неудобства, которые могут возникнуть в будущем, как для них, так и для их клиентов. Когда что-то не работает должным образом, никто не счастлив.При наружном освещении большинство проблем сводятся к трем основным вопросам; но эти проблемы могут вызвать другие проблемы, поэтому давайте исправим основные проблемы ландшафтного освещения с самого начала.
1. Перегоревшие лампы (лампочки). Поскольку существует так много систем наружного освещения с лампами накаливания и галогенов, нам все время звонят с просьбой помочь с этими системами. Мы приходим и обнаруживаем, что перегоревшие лампы. Это может показаться не таким уж большим делом, но позвольте мне сказать вам, почему это действительно может быть большим и дорогостоящим делом.Если мы говорим о системе освещения «сделай сам», составленной из продуктов из большого коробочного магазина (кстати, мы не работаем над этим), она, вероятно, установлена ужасным методом «гирляндной цепи». Это плохо, потому что первый свет яркий; второй — немного тусклее, и так далее. Ни одна из ламп на самом деле не получает должного напряжения и преждевременно перегорает. Это также может произойти с профессиональным наружным освещением, использующим многоотводный трансформатор. Эти системы сбалансированы для работы между 10.5 и 11,5 вольт — очень плотное окно. В зависимости от размера провода, расстояния от трансформатора и отвода напряжения трансформатора, к которому он подключен, одна лампа перегорает, что может отправить слишком большое напряжение на другие источники света в этой цепи, что приведет к их преждевременному сгоранию. Мораль здесь заключается в том, что регулярное обслуживание системы наружного освещения галогенными лампами и лампами накаливания имеет решающее значение. Мы рекомендуем проводить техническое обслуживание этих типов систем не реже двух раз в год с полной заменой лампы каждые два года.
2. Подключения. Проблемы с подключением мы видим почти ежедневно. Мне трудно понять, как некоторые установщики будут использовать соединители с прокалывающими наконечниками, которые просто протыкают отверстия в оболочке провода, в его жилы для соединения. Угадайте, что еще попадает в эти дыры? ВОДА! Есть те, кто воспользуется стандартными красными или желтыми гайками для проводов и просто закопает провод в землю. Угадайте, что происходит в сильный дождь или на хорошо орошаемом газоне? ВОДА попадает в стандартное соединение и вызывает короткое замыкание.А у некоторых парней просто плохая связь. На самом деле мы обнаружили случаи, когда установщик просто снял часть оболочки с основного провода и обернул вокруг него провод крепления, а затем обернул его изолентой. Это явная халатность — и опасно. Во всех этих случаях при использовании на открытом воздухе ВСЕГДА лучше использовать водонепроницаемые разъемы. В зависимости от системы наружного освещения, расположения светильников и прочего существует несколько отличных вариантов для создания хороших водонепроницаемых соединений.
3. Коррозия. Грязная мелочь, которую не так легко увидеть, — это коррозия. Первое место, где мы видим коррозию, — это патрон, в который установлена лампа. Обычно горящая лампа производит достаточно тепла, чтобы сжечь любой конденсат (влагу), который может образоваться в осветительной арматуре. Если лампа перегорит, в патроне может образоваться коррозия. Это занимает много времени, но случается часто. Кроме того, плохое или некачественное соединение приведет к попаданию воды в проводку, вызывая коррозию провода.Это «впитывание» вызовет хаос, затрудняя прохождение электричества к светильникам. Для розетки мы рекомендуем использовать диэлектрические составы на основании ламп, чтобы избежать коррозии. Вопрос подключения обсуждался выше.
Вот бонус для тех, кто на юге: ОГНЕННЫЕ МУРАВЬИ! О боже, эти вредители очень опасны. Мы нашли их полностью заполняющими трансформатор и осветительные приборы. Мы нашли их насыпью над светильниками, которые возвышаются на 8 дюймов над уровнем ландшафта.Мы также видели, как они заполняют то, что считается запечатанным приспособлением. Раньше мы рекомендовали использовать продукт под названием Over-N-Out, но больше не поддерживаем этот продукт. Они изменили формулу, и мы обнаружили, что она уже не так эффективна. В настоящее время мы ищем хороший продукт, который можно было бы применить на газонах домовладельцами, но пока не нашли тот, который нам действительно понравился бы.

